* Поиск по сайту Вверх Вниз



Начать новую тему Ответить на тему  [ Сообщений: 3 ] 
Автор Сообщение
 Заголовок сообщения: Vista sv30 93г стеклоподъемники
СообщениеДобавлено: 27 июл 2018, 11:35 
Не в сети
Начинающий
Начинающий

Зарегистрирован: 27 июл 2018, 11:22
Сообщения: 12
Тем: 6
Откуда: Мыски
Машина: Toyota Vista
О машине: SV-30 3sfe
Репутация: 0
Рекламные ссылки. Показывается только незарегистрированным пользователям


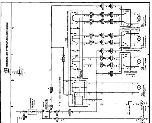
В общем суть такая, не работают стеклоподъемники на всех дверях кроме водительской, водительский работает. Кнопка отжата, разбирал провода смотрел все целые, куда смотреть мб реле или предохраниьель подскажите где. Пассажирский передний когда на кнопку нажимаешь щелкает а остальные без признаков.Прошу помощи


Вернуться к началу
 Профиль Отправить email  
Ответить на тему 

 Заголовок сообщения: Re: Vista sv30 93г стеклоподъемники
СообщениеДобавлено: 28 июл 2018, 22:44 
Не в сети
модератор
Аватара пользователя

Зарегистрирован: 27 окт 2008, 04:00
Сообщения: 12728
Тем: 15
Откуда: Вятка
Машина: др. Японка
О машине: Toyota Prius 51
Репутация: 2381
Ответил в личке.


Вложения:
Стеклоподъемники.jpg
Стеклоподъемники.jpg [ 43.23 КБ | Просмотров: 1920 ]

_________________
Vista Ardeo 1999, SV50, D4, Мультик, TV...
Вернуться к началу
 Профиль Отправить email  
Ответить на тему 
 Заголовок сообщения: Re: Vista sv30 93г стеклоподъемники
СообщениеДобавлено: 02 авг 2018, 03:12 
Не в сети
Специалист
Специалист

Зарегистрирован: 13 ноя 2013, 23:09
Сообщения: 285
Тем: 17
Откуда: г.Бавлы
Машина: Toyota Vista
О машине: 3sfe, 93г.в. 4wd,, sv35 меха. бегемот
Репутация: 108
посмотри провода которые из двери идут в салон в пучке через гофрированный резиновый шланг, есть большая вероятность, что они просто задубели и поломались 99%


Вернуться к началу
 Профиль Отправить email  
Ответить на тему 

Показать сообщения за:  Поле сортировки  
Начать новую тему Ответить на тему

 [ Сообщений: 3 ] 





* Поиск по сайту Вверх Вниз

Кто сейчас на конференции

Сейчас этот форум просматривают: нет зарегистрированных пользователей и гости: 13


Вы не можете начинать темы
Вы не можете отвечать на сообщения
Вы не можете редактировать свои сообщения
Вы не можете удалять свои сообщения
Вы не можете добавлять вложения

Найти:
Перейти:  
Текущее время: 30 апр 2026, 06:18
Часовой пояс: UTC + 7 часов
Powered by phpbb. (c) VistaClub.ru.    * Статистика