* Поиск по сайту Вверх Вниз



Начать новую тему Ответить на тему  [ Сообщений: 45 ]  На страницу 1, 2, 3  След.
Автор Сообщение
 Заголовок сообщения: Габариты и туманки не горят
СообщениеДобавлено: 24 май 2013, 06:34 
Не в сети
Любитель
Любитель
Аватара пользователя

Зарегистрирован: 16 фев 2013, 05:45
Сообщения: 94
Тем: 14
Откуда: Комсомольск-на-Амуре, Хабаровский край, ДВ.
Машина: Toyota Vista
О машине: sv35, 3S-FE, 4WD
Репутация: 0
Рекламные ссылки. Показывается только незарегистрированным пользователям


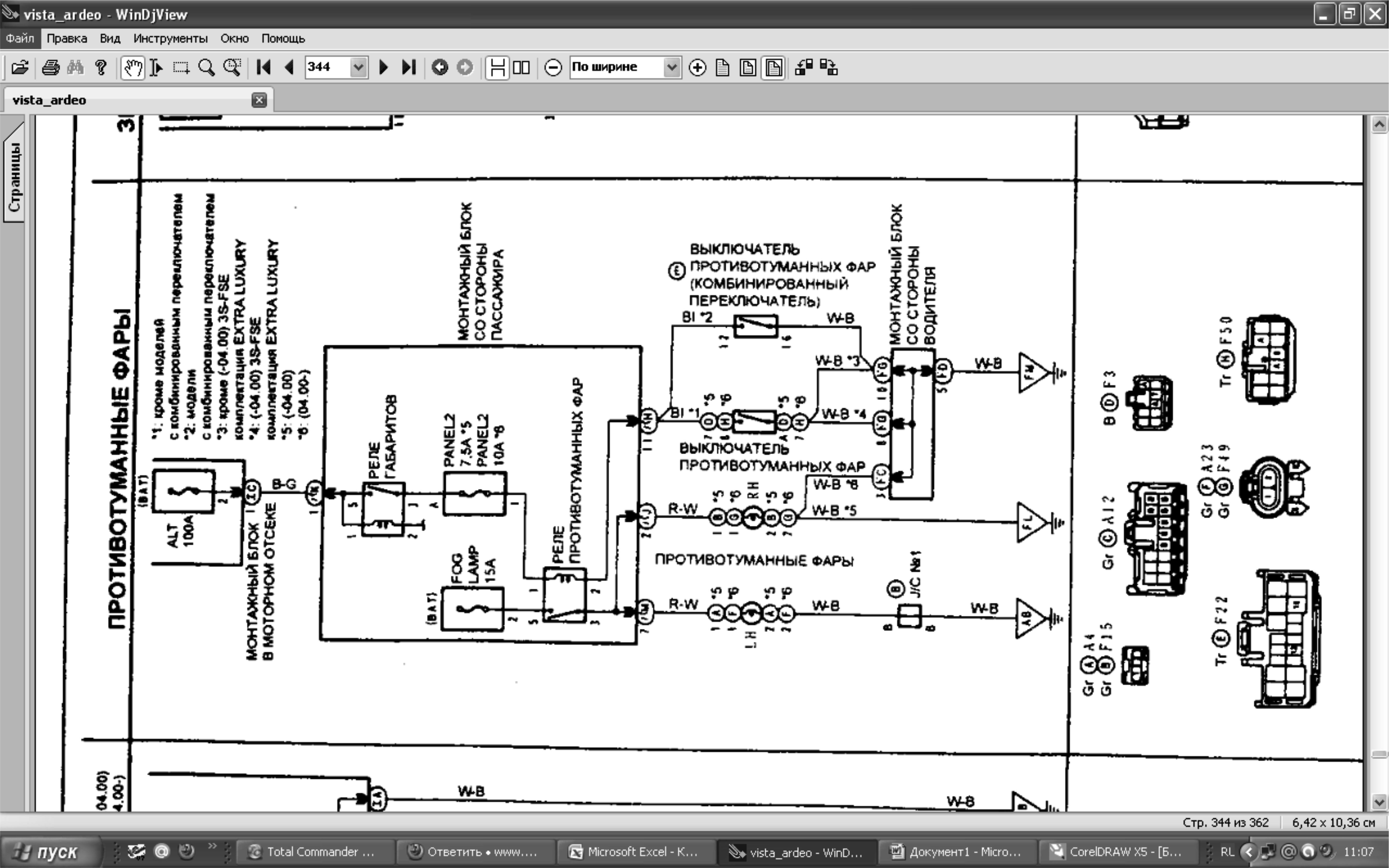
Всем привет, не нашел подходящей темы, где расмотрен мой вопрос. У меня не горят туманки и не горят габариты-ближний, дальний есть. Связаны ли туманки с габаритами я незнаю... если лампочки целые что еще можно глянуть?.Внутри салона я посмотрел предахронители-целые.... Огромное спасибо взарание


Вернуться к началу
 Профиль Отправить email  
Ответить на тему 

 Заголовок сообщения: Re: Габариты и туманки не горят
СообщениеДобавлено: 24 май 2013, 07:02 
Не в сети
Гуру
Гуру

Зарегистрирован: 02 сен 2010, 03:00
Сообщения: 2061
Тем: 48
Машина: др. неЯпонка
Репутация: 613
естественно завязано питание с габаритами, лучше смотрите предохранители


Вернуться к началу
 Профиль Отправить email  
Ответить на тему 
 Заголовок сообщения: Re: Габариты и туманки не горят
СообщениеДобавлено: 24 май 2013, 07:05 
Не в сети
Любитель
Любитель
Аватара пользователя

Зарегистрирован: 16 фев 2013, 05:45
Сообщения: 94
Тем: 14
Откуда: Комсомольск-на-Амуре, Хабаровский край, ДВ.
Машина: Toyota Vista
О машине: sv35, 3S-FE, 4WD
Репутация: 0
немного не понял... туманки завязаны с габаритами? А предохранители в салоне справа у руля?


Вернуться к началу
 Профиль Отправить email  
Ответить на тему 
 Заголовок сообщения: Re: Габариты и туманки не горят
СообщениеДобавлено: 24 май 2013, 07:11 
Не в сети
Профи
Профи
Аватара пользователя

Зарегистрирован: 20 авг 2012, 12:22
Сообщения: 878
Тем: 6
Откуда: Иркутская обл.
Машина: др. Toyota
О машине: RAV4, 1AZ-FE, была VISTA, седан, 1ZZ
Репутация: 293
Проверяйте шестиногий предохранитель, верхний левый.

_________________
Важно не прекращать задавать вопросы. Любопытство имеет собственную причину для существования. (Альберт Эйнштейн)


Вернуться к началу
 Профиль  
Ответить на тему 
 Заголовок сообщения: Re: Габариты и туманки не горят
СообщениеДобавлено: 24 май 2013, 07:12 
Не в сети
Любитель
Любитель
Аватара пользователя

Зарегистрирован: 16 фев 2013, 05:45
Сообщения: 94
Тем: 14
Откуда: Комсомольск-на-Амуре, Хабаровский край, ДВ.
Машина: Toyota Vista
О машине: sv35, 3S-FE, 4WD
Репутация: 0
Спасибо... Проверю...


Вернуться к началу
 Профиль Отправить email  
Ответить на тему 
 Заголовок сообщения: Re: Габариты и туманки не горят
СообщениеДобавлено: 24 май 2013, 07:28 
Не в сети
Гуру
Гуру

Зарегистрирован: 02 сен 2010, 03:00
Сообщения: 2061
Тем: 48
Машина: др. неЯпонка
Репутация: 613
конечно завязал, управление через габариты, вы ведь не можете просто включить туманки без ничего ?


Вернуться к началу
 Профиль Отправить email  
Ответить на тему 
 Заголовок сообщения: Re: Габариты и туманки не горят
СообщениеДобавлено: 24 май 2013, 07:32 
Не в сети
Любитель
Любитель
Аватара пользователя

Зарегистрирован: 16 фев 2013, 05:45
Сообщения: 94
Тем: 14
Откуда: Комсомольск-на-Амуре, Хабаровский край, ДВ.
Машина: Toyota Vista
О машине: sv35, 3S-FE, 4WD
Репутация: 0
да... туманки горят с габаритами.. да и фары по идее тоже.. но вот... фары горят а габариты нет...


Вернуться к началу
 Профиль Отправить email  
Ответить на тему 
 Заголовок сообщения: Re: Габариты и туманки не горят
СообщениеДобавлено: 24 май 2013, 07:45 
Не в сети
Гуру
Гуру

Зарегистрирован: 02 сен 2010, 03:00
Сообщения: 2061
Тем: 48
Машина: др. неЯпонка
Репутация: 613
головной свет не завязан с габаритами если память не изменяет, для начала гляньте лампочки, а затем далее копайте, у меня все габариты разом погорели на стопах, видимо с роду не менял ни кто


Вернуться к началу
 Профиль Отправить email  
Ответить на тему 
 Заголовок сообщения: Re: Габариты и туманки не горят
СообщениеДобавлено: 24 май 2013, 07:52 
Не в сети
Экспериментатор
Аватара пользователя

Зарегистрирован: 21 мар 2008, 04:00
Сообщения: 693
Тем: 23
Откуда: Владивосток
Машина: Toyota Vista Ardeo
О машине: SV50,3S-FSE,1999.люки, мультивижен
Репутация: 297
Я думаю, нужно начать сначала - когда перестали гореть габариты и туманки? Может, просто фишки на них скинуты, если морда разбиралась.

_________________
Ардео, 1999 г., белая красавица с люками, мультивиженом и ЛЕГЕНДАРНЫМ чудовищем - двигом 3S-FSE Д-4 :-) - теперь у жены. У меня - белый трактор (Ардео 4WD с 3S-FE на 175/80/16)


Вернуться к началу
 Профиль  
Ответить на тему 
 Заголовок сообщения: Re: Габариты и туманки не горят
СообщениеДобавлено: 24 май 2013, 07:54 
Не в сети
Любитель
Любитель
Аватара пользователя

Зарегистрирован: 16 фев 2013, 05:45
Сообщения: 94
Тем: 14
Откуда: Комсомольск-на-Амуре, Хабаровский край, ДВ.
Машина: Toyota Vista
О машине: sv35, 3S-FE, 4WD
Репутация: 0
я купил ее такую..1я машина..:( чайник полный в этом... первая-что сказать


Вернуться к началу
 Профиль Отправить email  
Ответить на тему 
 Заголовок сообщения: Re: Габариты и туманки не горят
СообщениеДобавлено: 24 май 2013, 08:21 
Не в сети
Любитель
Любитель
Аватара пользователя

Зарегистрирован: 12 май 2012, 20:06
Сообщения: 63
Тем: 6
Машина: др. Toyota
Репутация: 0
Проверь реле габаритов за бардачком со стороны пассажира


Вложения:
Безымянный-1.jpg
Безымянный-1.jpg [ 993.45 КБ | Просмотров: 6351 ]
Комментарий к файлу: С обратной стороны блока Multiplex
Безымянный-2.jpg
Безымянный-2.jpg [ 822.9 КБ | Просмотров: 6351 ]

_________________
После висты только виста
Вернуться к началу
 Профиль Отправить email  
Ответить на тему 
 Заголовок сообщения: Re: Габариты и туманки не горят
СообщениеДобавлено: 24 май 2013, 08:25 
Не в сети
Любитель
Любитель
Аватара пользователя

Зарегистрирован: 16 фев 2013, 05:45
Сообщения: 94
Тем: 14
Откуда: Комсомольск-на-Амуре, Хабаровский край, ДВ.
Машина: Toyota Vista
О машине: sv35, 3S-FE, 4WD
Репутация: 0
за бардочком?... у меня sv35... мне кажется там нет этого реле...


Вернуться к началу
 Профиль Отправить email  
Ответить на тему 
 Заголовок сообщения: Re: Габариты и туманки не горят
СообщениеДобавлено: 24 май 2013, 08:29 
Не в сети
Специалист
Специалист
Аватара пользователя

Зарегистрирован: 08 июл 2010, 03:00
Сообщения: 360
Тем: 13
Откуда: Красноярский Край
Блог: Посмотреть блог (2)
Машина: Toyota Vista Ardeo
О машине: SV50, 3S-FSE, 2000 г, 2 люка, мультик
Репутация: 142
molchun писал(а):
я купил ее такую..1я машина..:( чайник полный в этом... первая-что сказать

У меня тоже первая :mrgreen: когда купил, по капотом знал только "это двигатель, это аккумулятор, ну и по мелочи". А вообще форумчане здесь добрые, и не ругаются если много вопросов для новичка задавать :oops: :smile:

_________________
Изображение


Вернуться к началу
 Профиль  
Ответить на тему 
 Заголовок сообщения: Re: Габариты и туманки не горят
СообщениеДобавлено: 24 май 2013, 08:31 
Не в сети
Любитель
Любитель
Аватара пользователя

Зарегистрирован: 16 фев 2013, 05:45
Сообщения: 94
Тем: 14
Откуда: Комсомольск-на-Амуре, Хабаровский край, ДВ.
Машина: Toyota Vista
О машине: sv35, 3S-FE, 4WD
Репутация: 0
Вот и я... пока полный 0... ну я не отчаиваюсь... мне и так тут уже много что подсказали:)


Вернуться к началу
 Профиль Отправить email  
Ответить на тему 
 Заголовок сообщения: Re: Габариты и туманки не горят
СообщениеДобавлено: 24 май 2013, 08:39 
Не в сети
Профи
Профи
Аватара пользователя

Зарегистрирован: 20 авг 2012, 12:22
Сообщения: 878
Тем: 6
Откуда: Иркутская обл.
Машина: др. Toyota
О машине: RAV4, 1AZ-FE, была VISTA, седан, 1ZZ
Репутация: 293
Упсс... :oops: Про шестиногий пред, это я про *V50. Большая пардона. (по поводу реле, это тоже чел про 50-й кузов написал).

_________________
Важно не прекращать задавать вопросы. Любопытство имеет собственную причину для существования. (Альберт Эйнштейн)


Вернуться к началу
 Профиль  
Ответить на тему 

Показать сообщения за:  Поле сортировки  
Начать новую тему Ответить на тему

 [ Сообщений: 45 ]  На страницу 1, 2, 3  След.





* Поиск по сайту Вверх Вниз

Кто сейчас на конференции

Сейчас этот форум просматривают: нет зарегистрированных пользователей и гости: 20


Вы не можете начинать темы
Вы не можете отвечать на сообщения
Вы не можете редактировать свои сообщения
Вы не можете удалять свои сообщения
Вы не можете добавлять вложения

Найти:
Перейти:  
Текущее время: 27 апр 2026, 20:24
Часовой пояс: UTC + 7 часов
Powered by phpbb. (c) VistaClub.ru.    * Статистика