* Поиск по сайту Вверх Вниз



Начать новую тему Ответить на тему  [ Сообщений: 13 ] 
Автор Сообщение
 Заголовок сообщения: Проблема с чейнджером.
СообщениеДобавлено: 10 ноя 2010, 04:02 
Не в сети
Начинающий
Начинающий
Аватара пользователя

Зарегистрирован: 10 янв 2009, 04:00
Сообщения: 11
Тем: 4
Репутация: 0
Рекламные ссылки. Показывается только незарегистрированным пользователям


Проблема в следующем:Перестало принимать и отдавать диски, снял сам ченжер хотел в ремонт отдать, но как то все времени не было, решил поставить назад, после установки перестал включаться, вообще не реагирует. Т.е втыкаю клемы, а включаться не хочет, только лампочка на секунду включается которая над кнопкой load. проверил предохранитель целый.
Подскажите пожалуйста... может кто сталкивался с таким.


Вернуться к началу
 Профиль  
Ответить на тему 

 Заголовок сообщения: Re: Проблема с ченжером.
СообщениеДобавлено: 13 ноя 2010, 02:35 
Не в сети
Начинающий
Начинающий
Аватара пользователя

Зарегистрирован: 10 янв 2009, 04:00
Сообщения: 11
Тем: 4
Репутация: 0
2000 год выпуска, двигатель 1zz.
И еще проблема появилась, регулировка зеркал заднего вида не работает и они не складываются...
Подскажите сколько стоит полочка под магнитолу обычую?


Вернуться к началу
 Профиль  
Ответить на тему 
 Заголовок сообщения: Re: Проблема с ченжером.
СообщениеДобавлено: 13 ноя 2010, 02:57 
Не в сети
модератор
Аватара пользователя

Зарегистрирован: 05 май 2009, 03:00
Сообщения: 6759
Тем: 72
Откуда: Ставрополье
Блог: Посмотреть блог (7)
Машина: Toyota Vista
О машине: седан SV50, 3S-FSE, U240E, 98г.
Репутация: 1473
Ты имеешь ввиду "полочку" для установки неродной, обычной магнитолы? Тогда тебе сюда: viewtopic.php?t=994910
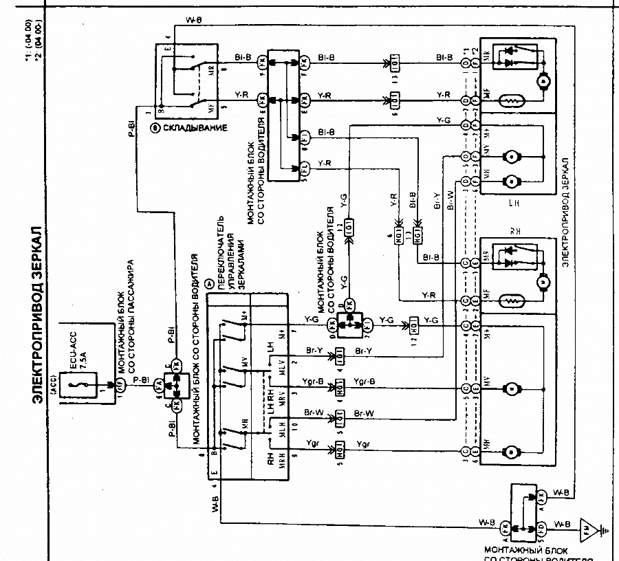
А зеркала не работают как, даже не жужат когда их складываеш? Начни с проверки предохранителей: http://www.vistaclub.ru/p.php?d=docs&f=fuses
Чёт я там не нашёл предохранитель... :oops: Хотя по схеме есть:


Вложения:
page_33.jpg
page_33.jpg [ 502.42 КБ | Просмотров: 1410 ]

_________________
Случайности не случайны...
Вернуться к началу
 Профиль  
Ответить на тему 
 Заголовок сообщения: Re: Проблема с ченжером.
СообщениеДобавлено: 13 ноя 2010, 12:30 
Не в сети
Начинающий
Начинающий
Аватара пользователя

Зарегистрирован: 10 янв 2009, 04:00
Сообщения: 11
Тем: 4
Репутация: 0
Спасибо за ссылки...
Сегодня проверю предохранители за бордачком.
А есть схема проводки для магнитолы, а то штатная магнитола не включается после того снял ее :(, а другой для проверки нету...
А зеркала даже не шелкают...


Вернуться к началу
 Профиль  
Ответить на тему 
 Заголовок сообщения: Re: Проблема с ченжером.
СообщениеДобавлено: 13 ноя 2010, 12:47 
Не в сети
модератор
Аватара пользователя

Зарегистрирован: 05 май 2009, 03:00
Сообщения: 6759
Тем: 72
Откуда: Ставрополье
Блог: Посмотреть блог (7)
Машина: Toyota Vista
О машине: седан SV50, 3S-FSE, U240E, 98г.
Репутация: 1473
ChubbChubbs писал(а):
Спасибо за ссылки...
Сегодня проверю предохранители за бордачком.
А есть схема проводки для магнитолы, а то штатная магнитола не включается после того снял ее :(, а другой для проверки нету...
А зеркала даже не шелкают...

Пожалуста, а где ты раньше был, когда ссылки на книжку всем раздовали? Если надо - давай мыло, отправлю книгу (15Мб), там все схемы есть. Только через Личные Сообщения.

_________________
Случайности не случайны...


Вернуться к началу
 Профиль  
Ответить на тему 
 Заголовок сообщения: Re: Проблема с ченжером.
СообщениеДобавлено: 13 ноя 2010, 14:13 
Не в сети
Начинающий
Начинающий
Аватара пользователя

Зарегистрирован: 10 янв 2009, 04:00
Сообщения: 11
Тем: 4
Репутация: 0
Нашел почему не работал привод у зеркал и магнитола, один из предохранителей сдох, заменил и все нормально стало работаться :)


Вернуться к началу
 Профиль  
Ответить на тему 
 Заголовок сообщения: Re: Проблема с ченжером.
СообщениеДобавлено: 13 ноя 2010, 15:01 
Не в сети
модератор
Аватара пользователя

Зарегистрирован: 05 май 2009, 03:00
Сообщения: 6759
Тем: 72
Откуда: Ставрополье
Блог: Посмотреть блог (7)
Машина: Toyota Vista
О машине: седан SV50, 3S-FSE, U240E, 98г.
Репутация: 1473
книгу отправил, удачи

_________________
Случайности не случайны...


Вернуться к началу
 Профиль  
Ответить на тему 
 Заголовок сообщения: Re: Проблема с ченжером.
СообщениеДобавлено: 13 ноя 2010, 15:02 
Не в сети
Начинающий
Начинающий
Аватара пользователя

Зарегистрирован: 10 янв 2009, 04:00
Сообщения: 11
Тем: 4
Репутация: 0
спасибо


Вернуться к началу
 Профиль  
Ответить на тему 
 Заголовок сообщения: Re: Проблема с ченжером.
СообщениеДобавлено: 01 дек 2010, 01:19 
Не в сети
Начинающий
Начинающий

Зарегистрирован: 01 дек 2010, 01:08
Сообщения: 6
Откуда: Новосибирск
Машина: Toyota Vista Ardeo
О машине: 2000г.GF-ZZV50G
Репутация: 140
Ченжер не работает, диски не играет (пишет, мол, ошибка) и не выбрасывает. Кто сталкивался с такой проблемой и как решил?

_________________
Не всё то блестит, что "золото"!


Вернуться к началу
 Профиль Отправить email  
Ответить на тему 
 Заголовок сообщения: Re: Проблема с ченжером.
СообщениеДобавлено: 01 дек 2010, 05:26 
Не в сети
Давно на форуме
Аватара пользователя

Зарегистрирован: 25 янв 2009, 04:00
Сообщения: 10683
Тем: 155
Откуда: Косопузия (Рязань).
Машина: др. Toyota
О машине: SXU10 5S-FE белая ночь 057
Репутация: 1488
UrAl писал(а):
Ченжер не работает, диски не играет (пишет, мол, ошибка) и не выбрасывает. Кто сталкивался с такой проблемой и как решил?


А какую ошибку пишет Err1 или Err3?
:smile: ...

_________________
:smoke: Я не парюсь. Уже не курю. Просто люблю на солнце посидеть.
(из личных наблюдений...)


Последний раз редактировалось fei5656 01 дек 2010, 14:44, всего редактировалось 2 раз(а).

Вернуться к началу
 Профиль  
Ответить на тему 
 Заголовок сообщения: Re: Проблема с ченжером.
СообщениеДобавлено: 01 дек 2010, 09:50 
Не в сети
Начинающий
Начинающий
Аватара пользователя

Зарегистрирован: 04 окт 2010, 03:00
Сообщения: 12
Машина: Toyota Vista Ardeo
О машине: AZV50 1AZ-FSE
Репутация: 0
Попробуй отключить-подключить разъем питания,путь диски переберет. Где их только не ставят,везде один косяк-перекосило диск в направляющих,из-за этого может слизать шестерню. Если дорестайл лучше отдай спецам, хотя и в рестайл лесть самому не советую. После кузнеца-ядерщика как правило ЗДРАВСТВУЙ СВАЛКА!!!


Вернуться к началу
 Профиль  
Ответить на тему 
 Заголовок сообщения: Re: Проблема с ченжером.
СообщениеДобавлено: 27 дек 2010, 09:54 
Не в сети
Хочу всё знать
Аватара пользователя

Зарегистрирован: 08 июн 2010, 03:00
Сообщения: 199
Тем: 12
Откуда: Вихоревка
Блог: Посмотреть блог (4)
Машина: Toyota Vista Ardeo
О машине: 3S-FSE 2000 дорестайл
Репутация: 5
fei5656 писал(а):
UrAl писал(а):
Ченжер не работает, диски не играет (пишет, мол, ошибка) и не выбрасывает. Кто сталкивался с такой проблемой и как решил?


А какую ошибку пишет Err1 или Err3?
:smile: ...


А если еррор3 то что? .. у меня такая же ситуевина.. Думаю майфун менять...

_________________
Vista Ardeo 3S-FSE 2000г.


Вернуться к началу
 Профиль  
Ответить на тему 
 Заголовок сообщения: Re: Проблема с чейнджером.
СообщениеДобавлено: 27 дек 2010, 16:21 
Не в сети
Гуру
Гуру
Аватара пользователя

Зарегистрирован: 25 сен 2008, 03:00
Сообщения: 3341
Тем: 8
Откуда: БАРНАУЛ
Репутация: 2026
viewtopic.php?f=9&t=996040

_________________
АРДЕО 1999 БЕЛАЯ MULTIVISION 3S-FE 4WD
Витц литровый...


Вернуться к началу
 Профиль Отправить email  
Ответить на тему 

Показать сообщения за:  Поле сортировки  
Начать новую тему Ответить на тему

 [ Сообщений: 13 ] 





* Поиск по сайту Вверх Вниз

Кто сейчас на конференции

Сейчас этот форум просматривают: нет зарегистрированных пользователей и гости: 22


Вы не можете начинать темы
Вы не можете отвечать на сообщения
Вы не можете редактировать свои сообщения
Вы не можете удалять свои сообщения
Вы не можете добавлять вложения

Найти:
Перейти:  
Текущее время: 01 май 2026, 15:27
Часовой пояс: UTC + 7 часов
Powered by phpbb. (c) VistaClub.ru.    * Статистика