* Поиск по сайту Вверх Вниз



Начать новую тему Ответить на тему  [ Сообщений: 122 ]  На страницу Пред.  1 ... 5, 6, 7, 8, 9  След.
Автор Сообщение
 Заголовок сообщения: Re: Перестала работать магнитола, мультивижн и бортовой компьютер
СообщениеДобавлено: 02 апр 2016, 20:53 
Не в сети
Начинающий
Начинающий
Аватара пользователя

Зарегистрирован: 31 мар 2016, 01:50
Сообщения: 15
Тем: 1
Откуда: Пятигорск
Машина: Toyota Vista
О машине: 3S-FSE Мультивижен. Дорестайлинг
Репутация: 0
Рекламные ссылки. Показывается только незарегистрированным пользователям


Что почитать


Вернуться к началу
 Профиль Отправить email  
Ответить на тему 

 Заголовок сообщения: Re: Перестала работать магнитола, мультивижн и бортовой компьютер
СообщениеДобавлено: 02 апр 2016, 21:10 
Не в сети
модератор
Аватара пользователя

Зарегистрирован: 27 окт 2008, 04:00
Сообщения: 12713
Тем: 15
Откуда: Вятка
Машина: др. Японка
О машине: Toyota Prius 51
Репутация: 2380
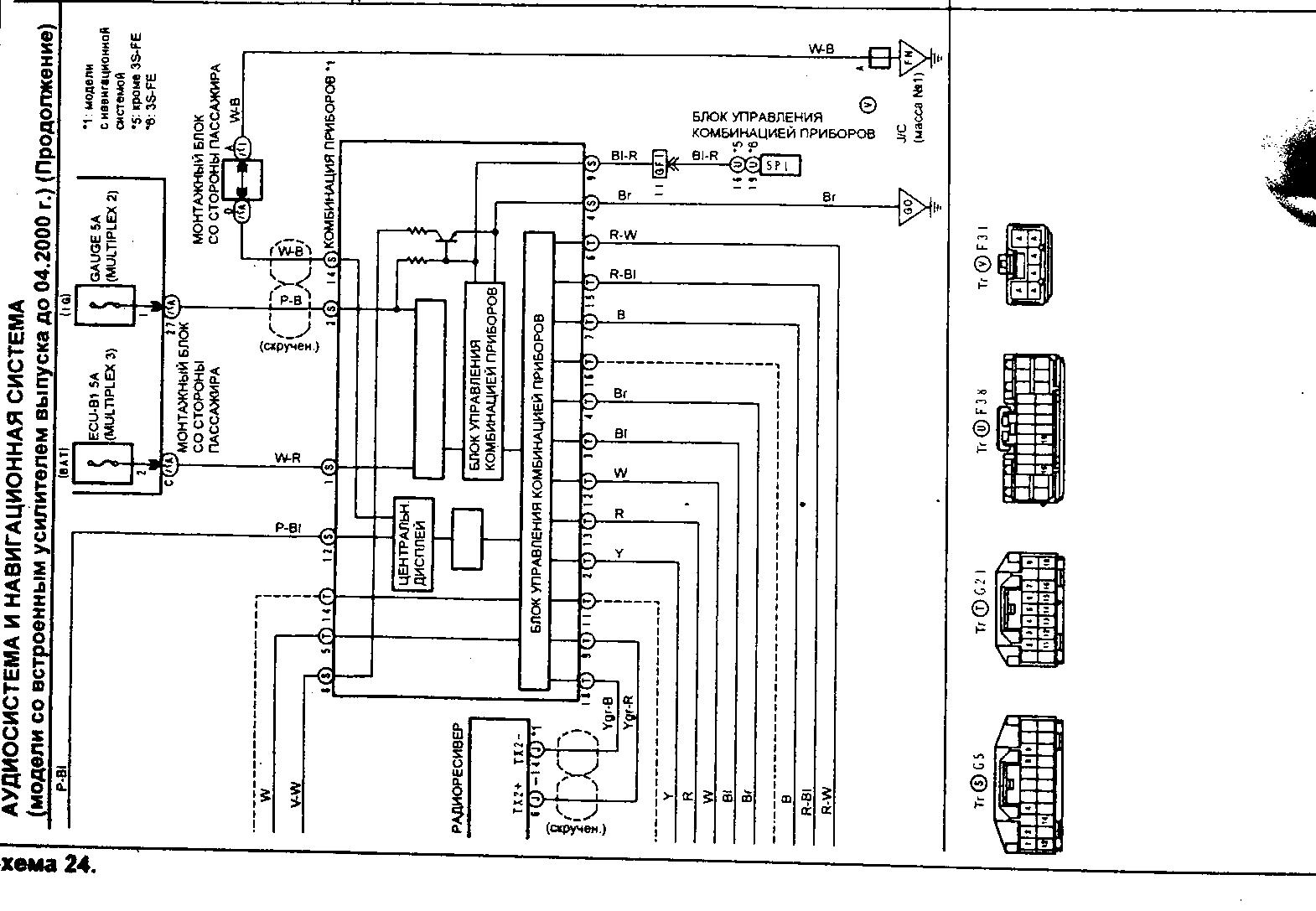
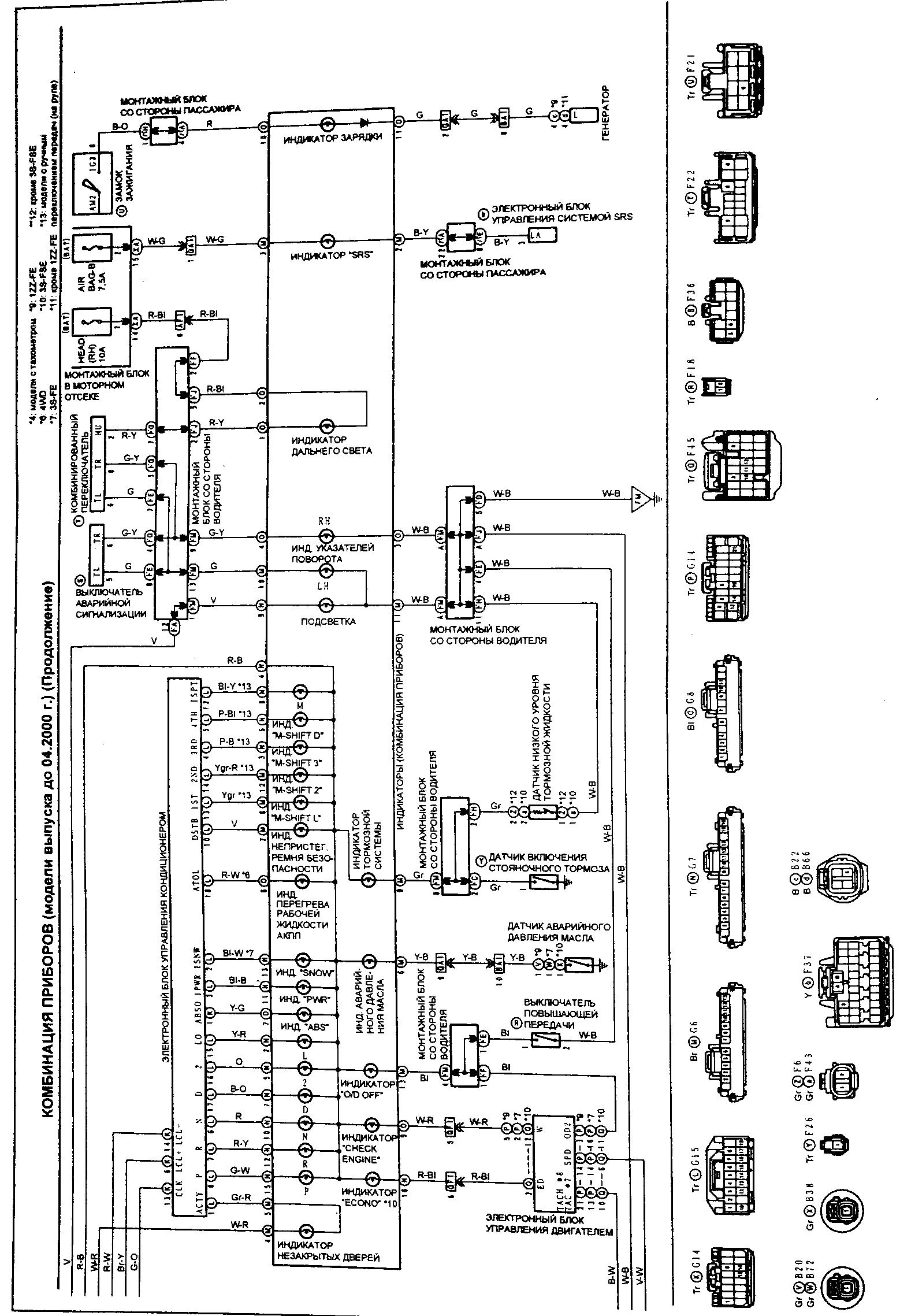
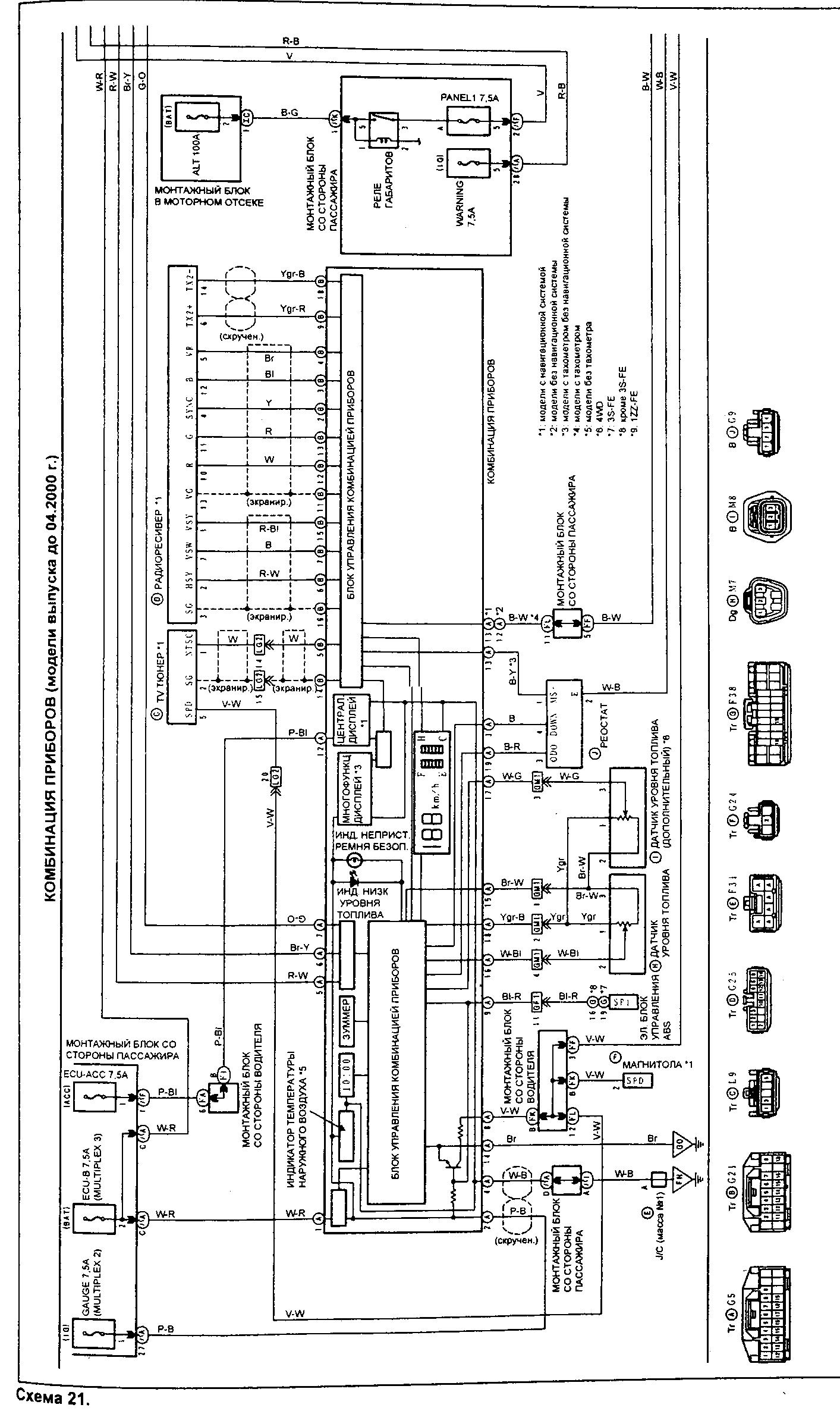
Все что интересует. По теме, вот схема, проверяйте.


Вложения:
приборка.jpg
приборка.jpg [ 506.06 КБ | Просмотров: 4714 ]
приборка2.jpg
приборка2.jpg [ 540.07 КБ | Просмотров: 4714 ]
магнитола.jpg
магнитола.jpg [ 554.7 КБ | Просмотров: 4714 ]
магнитола2.jpg
магнитола2.jpg [ 239.83 КБ | Просмотров: 4714 ]

_________________
Vista Ardeo 1999, SV50, D4, Мультик, TV...
Вернуться к началу
 Профиль Отправить email  
Ответить на тему 
 Заголовок сообщения: Re: Перестала работать магнитола, мультивижн и бортовой компьютер
СообщениеДобавлено: 02 апр 2016, 21:12 
Не в сети
Начинающий
Начинающий
Аватара пользователя

Зарегистрирован: 31 мар 2016, 01:50
Сообщения: 15
Тем: 1
Откуда: Пятигорск
Машина: Toyota Vista
О машине: 3S-FSE Мультивижен. Дорестайлинг
Репутация: 0
Спасибо сейчас буду изучать

Добавлено спустя 1 час 28 минут 39 секунд:
Нет питания на экран и в тв тюнере от куда он идет


Вернуться к началу
 Профиль Отправить email  
Ответить на тему 
 Заголовок сообщения: Re: Перестала работать магнитола, мультивижн и бортовой компьютер
СообщениеДобавлено: 03 апр 2016, 01:03 
Не в сети
модератор
Аватара пользователя

Зарегистрирован: 27 окт 2008, 04:00
Сообщения: 12713
Тем: 15
Откуда: Вятка
Машина: др. Японка
О машине: Toyota Prius 51
Репутация: 2380
Не понял вопрос, если проверяли согласно схеме, то разве на ней не видно откуда идет? И какого питания нет, на какой ножке? ТВ тюнер же работает, сами писали.

_________________
Vista Ardeo 1999, SV50, D4, Мультик, TV...


Вернуться к началу
 Профиль Отправить email  
Ответить на тему 
 Заголовок сообщения: Re: Перестала работать магнитола, мультивижн и бортовой компьютер
СообщениеДобавлено: 03 апр 2016, 02:14 
Не в сети
Начинающий
Начинающий
Аватара пользователя

Зарегистрирован: 31 мар 2016, 01:50
Сообщения: 15
Тем: 1
Откуда: Пятигорск
Машина: Toyota Vista
О машине: 3S-FSE Мультивижен. Дорестайлинг
Репутация: 0
Там вообще плюса нет не на одной ножке. Не на экране не на блоке который в багажнеке


Вернуться к началу
 Профиль Отправить email  
Ответить на тему 
 Заголовок сообщения: Re: проблема с музыкой
СообщениеДобавлено: 06 сен 2016, 12:21 
Не в сети
Гуру
Гуру
Аватара пользователя

Зарегистрирован: 10 июл 2008, 03:00
Сообщения: 1086
Тем: 39
Откуда: Подлужковье
Репутация: 12
pacanchik1986 писал(а):
ребята подскажите что может быть, переодически трещит колонка со стороны водителя и при этом вырубается магнитола(штатная),и гаснат экран.переодичность вырубания хаотичная.вырубается примерно на секунду с треском в правой колонке даже при не заведенной машине


А я смотрю эта проблема не единична, и приличный процент форумчан с ней столкнулась. теперь и я.
хрипит правый динамит, мультик на джойстик не реагирует, и экран когда запускается, то эффект как метроном помех стоит , хрип и помехи по экрану с примерно четким интервалом, примерно секунду, а периодически хаотически, иногда тухнет. короче живет свей жизнью.
из описаний я понял что нужно 3 блока предохранителей проверить, и саму магнитолу-борткомп разобрать и с умным видом осмотреть.
так что мужыки - я с вами :(

Зы - смотрел доки, яндекс.. не нашел.. БК 86120-32500 - может кто подсказать - какие штекеры, типа навигация и чейнджер которые не нужны, чтоб выдернуть и не мешали? Могу фото зада БК выложить, а вы подскажете какой штекер куда.
Пока что я только понял питание и колонки - это у всех модификаций совпадает.

_________________
1ZZV50-99S-Ardeo - трофей из токио
290ККМ+
правительство - пересядь на калины!!!


Вернуться к началу
 Профиль  
Ответить на тему 
 Заголовок сообщения: Re: Перестала работать магнитола, мультивижн и бортовой компьютер
СообщениеДобавлено: 03 окт 2016, 17:37 
Не в сети
Гуру
Гуру
Аватара пользователя

Зарегистрирован: 10 июл 2008, 03:00
Сообщения: 1086
Тем: 39
Откуда: Подлужковье
Репутация: 12
Ну, я похоже нашел причину...


Вложения:
1475490973693.jpg
1475490973693.jpg [ 808.18 КБ | Просмотров: 4368 ]

_________________
1ZZV50-99S-Ardeo - трофей из токио
290ККМ+
правительство - пересядь на калины!!!
Вернуться к началу
 Профиль  
Ответить на тему 
СообщениеСообщение было удалено | удалил: Vyatich | 05 май 2017, 16:58.
Причина: дубль
СообщениеСообщение было удалено | удалил: Vyatich | 05 май 2017, 16:58.
Причина: неактуально
СообщениеСообщение было удалено | удалил: Vyatich | 05 май 2017, 16:58.
Причина: дубль
 Заголовок сообщения: На холодную тухнет мультивижн
СообщениеДобавлено: 02 авг 2018, 17:11 
Не в сети
Начинающий
Начинающий
Аватара пользователя

Зарегистрирован: 14 мар 2017, 13:24
Сообщения: 1
Откуда: Ангарск
Машина: Toyota Vista
О машине: SV50, двиг. 3S-FSE D-4, рестайл, 2001
Репутация: 0
Всем доброго времени суток.
Пытался найти на форуме свою проблему, но так и не наткнулся, может где просмотрел. Проблема такого рода: когда машину на холодную заводишь, тухнет мультивижн. Спустя какое-то время он загорается и работает без перебоев. Бывает, что пока не заглушишь машину и не вытащишь ключ с замка зажигания он так и не включается. Разбирал сам мультик, визуально всё в норме. Может кто сталкивался?

Виста SV50 2001 рестаил


Вернуться к началу
 Профиль Отправить email  
Ответить на тему 
 Заголовок сообщения: Re: Перестала работать магнитола, мультивижн и бортовой компьютер
СообщениеДобавлено: 05 сен 2018, 14:55 
Не в сети
Специалист
Специалист
Аватара пользователя

Зарегистрирован: 31 авг 2018, 22:14
Сообщения: 120
Тем: 17
Откуда: ст.Сергиевская
Машина: Toyota Vista
О машине: SV50G-BЕSMH 3S-FSE D4 200 TYPE седан
Репутация: -48
А можно по подробней,что надо купить чтобы поставить этот дисплей.


Вернуться к началу
 Профиль Отправить email  
Ответить на тему 
 Заголовок сообщения: Re: Перестала работать магнитола, мультивижн и бортовой компьютер
СообщениеДобавлено: 13 сен 2018, 02:51 
Не в сети
модератор
Аватара пользователя

Зарегистрирован: 27 окт 2008, 04:00
Сообщения: 12713
Тем: 15
Откуда: Вятка
Машина: др. Японка
О машине: Toyota Prius 51
Репутация: 2380
Алексей C писал(а):
А можно по подробней,что надо купить чтобы поставить этот дисплей.
viewtopic.php?t=992064

_________________
Vista Ardeo 1999, SV50, D4, Мультик, TV...


Вернуться к началу
 Профиль Отправить email  
Ответить на тему 
 Заголовок сообщения: Re: Перестала работать магнитола, мультивижн и бортовой компьютер
СообщениеДобавлено: 13 сен 2018, 09:58 
Не в сети
Специалист
Специалист
Аватара пользователя

Зарегистрирован: 31 авг 2018, 22:14
Сообщения: 120
Тем: 17
Откуда: ст.Сергиевская
Машина: Toyota Vista
О машине: SV50G-BЕSMH 3S-FSE D4 200 TYPE седан
Репутация: -48
Ссылка не работает


Вернуться к началу
 Профиль Отправить email  
Ответить на тему 
 Заголовок сообщения: Re: Перестала работать магнитола, мультивижн и бортовой компьютер
СообщениеДобавлено: 14 сен 2018, 02:16 
Не в сети
модератор
Аватара пользователя

Зарегистрирован: 27 окт 2008, 04:00
Сообщения: 12713
Тем: 15
Откуда: Вятка
Машина: др. Японка
О машине: Toyota Prius 51
Репутация: 2380
Поправил, но можно было скопировать ссыпку.

_________________
Vista Ardeo 1999, SV50, D4, Мультик, TV...


Вернуться к началу
 Профиль Отправить email  
Ответить на тему 

Показать сообщения за:  Поле сортировки  
Начать новую тему Ответить на тему

 [ Сообщений: 122 ]  На страницу Пред.  1 ... 5, 6, 7, 8, 9  След.





* Поиск по сайту Вверх Вниз

Кто сейчас на конференции

Сейчас этот форум просматривают: нет зарегистрированных пользователей и гости: 1


Вы не можете начинать темы
Вы не можете отвечать на сообщения
Вы не можете редактировать свои сообщения
Вы не можете удалять свои сообщения
Вы не можете добавлять вложения

Найти:
Перейти:  
Текущее время: 19 мар 2026, 11:01
Часовой пояс: UTC + 7 часов
Powered by phpbb. (c) VistaClub.ru.    * Статистика