* Поиск по сайту Вверх Вниз



Начать новую тему Ответить на тему  [ Сообщений: 213 ]  На страницу Пред.  1 ... 5, 6, 7, 8, 9, 10, 11 ... 15  След.
Автор Сообщение
 Заголовок сообщения: Re: установка электроподогревателя антифриза,Тэна,на 12В
СообщениеДобавлено: 09 сен 2015, 21:41 
Не в сети
Гуру
Гуру
Аватара пользователя

Зарегистрирован: 15 май 2014, 22:00
Сообщения: 2181
Тем: 43
Откуда: Красноярск
Блог: Посмотреть блог (2)
Машина: Toyota Vista Ardeo
О машине: SV55.5, 3S-FE, А243F, 4WD ATC+Torsen
Репутация: 3493
Рекламные ссылки. Показывается только незарегистрированным пользователям


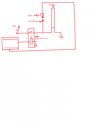
То есть вот такая схема. Включился терморегулятор появился плюс - загорелась контролька. Потом включилось реле ТЭН появился второй плюс - потухла контролька. Если сгорела ТЭНа пропал минус - контролька тоже не горит. Понять что контролька не горит по причине не работающего ТЭНа, можно будет по горящим другим двум контролькам после того как отключаться реле ТЭН. Кстати если контролька будет постоянно гореть, значит из строя вышло реле. Так что ли получается!?!?!?! :rus:


Вложения:
схема5.png
схема5.png [ 23.79 КБ | Просмотров: 5041 ]

_________________
Ardeo PRO version
Вернуться к началу
 Профиль Отправить email  
Ответить на тему 

 Заголовок сообщения: Re: установка электроподогревателя антифриза,Тэна,на 12В
СообщениеДобавлено: 09 сен 2015, 22:43 
Не в сети
модератор
Аватара пользователя

Зарегистрирован: 27 окт 2008, 04:00
Сообщения: 12713
Тем: 15
Откуда: Вятка
Машина: др. Японка
О машине: Toyota Prius 51
Репутация: 2380
Да только питание на тэн в этом случае должно подаваться с задержкой и да будет гореть при отсутствии питания на тэне по любой причине.

_________________
Vista Ardeo 1999, SV50, D4, Мультик, TV...


Вернуться к началу
 Профиль Отправить email  
Ответить на тему 
 Заголовок сообщения: Re: установка электроподогревателя антифриза,Тэна,на 12В
СообщениеДобавлено: 09 сен 2015, 22:53 
Не в сети
Гуру
Гуру
Аватара пользователя

Зарегистрирован: 15 май 2014, 22:00
Сообщения: 2181
Тем: 43
Откуда: Красноярск
Блог: Посмотреть блог (2)
Машина: Toyota Vista Ardeo
О машине: SV55.5, 3S-FE, А243F, 4WD ATC+Torsen
Репутация: 3493
Да так все и задумано, в терморегуляторе есть реле задержки, т.е. включать реле ТЭН он будет после 3 минут включения зажигания ( время на заводку ДВС).
Вот еще интересно, что об этом думает yandobrov :rus:
Вот еще интересно при выключенном реле ТЭН, питание будет через контрольку, "погорит все к х...м". :rus: :rus: :rus:
Что то к вечеру уже не соображаю для этого и стоит диод!!!!

_________________
Ardeo PRO version


Последний раз редактировалось alex80383 09 сен 2015, 23:01, всего редактировалось 1 раз.

Вернуться к началу
 Профиль Отправить email  
Ответить на тему 
 Заголовок сообщения: Re: установка электроподогревателя антифриза,Тэна,на 12В
СообщениеДобавлено: 09 сен 2015, 22:58 
Не в сети
модератор
Аватара пользователя

Зарегистрирован: 27 окт 2008, 04:00
Сообщения: 12713
Тем: 15
Откуда: Вятка
Машина: др. Японка
О машине: Toyota Prius 51
Репутация: 2380
Ну тогда все нормально, заодно будет видно длительность работы тэнов.

_________________
Vista Ardeo 1999, SV50, D4, Мультик, TV...


Вернуться к началу
 Профиль Отправить email  
Ответить на тему 
 Заголовок сообщения: Re: установка электроподогревателя антифриза,Тэна,на 12В
СообщениеДобавлено: 09 сен 2015, 23:04 
Не в сети
Гуру
Гуру
Аватара пользователя

Зарегистрирован: 15 май 2014, 22:00
Сообщения: 2181
Тем: 43
Откуда: Красноярск
Блог: Посмотреть блог (2)
Машина: Toyota Vista Ardeo
О машине: SV55.5, 3S-FE, А243F, 4WD ATC+Torsen
Репутация: 3493
Да, да все так!!! Уже подходим к истине!!!

_________________
Ardeo PRO version


Вернуться к началу
 Профиль Отправить email  
Ответить на тему 
 Заголовок сообщения: Re: установка электроподогревателя антифриза,Тэна,на 12В
СообщениеДобавлено: 09 сен 2015, 23:22 
Не в сети
модератор
Аватара пользователя

Зарегистрирован: 27 окт 2008, 04:00
Сообщения: 12713
Тем: 15
Откуда: Вятка
Машина: др. Японка
О машине: Toyota Prius 51
Репутация: 2380
Вместо контрольки и диода можно поставить светодиод на 12 В.

_________________
Vista Ardeo 1999, SV50, D4, Мультик, TV...


Вернуться к началу
 Профиль Отправить email  
Ответить на тему 
 Заголовок сообщения: Re: установка электроподогревателя антифриза,Тэна,на 12В
СообщениеДобавлено: 10 сен 2015, 01:25 
Не в сети
Гуру
Гуру
Аватара пользователя

Зарегистрирован: 15 май 2014, 22:00
Сообщения: 2181
Тем: 43
Откуда: Красноярск
Блог: Посмотреть блог (2)
Машина: Toyota Vista Ardeo
О машине: SV55.5, 3S-FE, А243F, 4WD ATC+Torsen
Репутация: 3493
к стати да они уже с впаянными диодами продаются.

_________________
Ardeo PRO version


Вернуться к началу
 Профиль Отправить email  
Ответить на тему 
 Заголовок сообщения: Re: установка электроподогревателя антифриза,Тэна,на 12В
СообщениеДобавлено: 10 сен 2015, 09:59 
Не в сети
Механик - интеллектуал, Моторист - теоретик
Аватара пользователя

Зарегистрирован: 15 ноя 2013, 11:09
Сообщения: 469
Тем: 6
Откуда: Новосибирск
Блог: Посмотреть блог (1)
Машина: Toyota Vista Ardeo
О машине: SV50
Репутация: 550
нененене, ребят, вы чего:)
нука почитайте в википедии что такое геркон:)

Цитирую:
Цитата:
Герко́н (акроним от «герметичный [магнитоуправляемый] контакт») — электромеханическое устройство, представляющее собой пару ферромагнитных контактов, запаянных в герметичную стеклянную колбу. При поднесении к геркону постоянного магнита или включении электромагнита, контакты замыкаются.


Так же мы знаем, что
Цитата:
Электрический ток(I), проходя по проводнику, создаёт магнитное поле (B) вокруг проводника.


Исходя из этого, если мы просто и обмотаем этот самый геркон проводом, т.е. создадим магнитное поле вокруг него, контакты геркона замкнутся. Если магнитное поле недостаточно сильное (т.е. слабый ток) то контакты не замкнутся. Из этого следует, что подобрав количество витков провода вокруг геркона, мы получим почти что реле:) Вот вам и контролька:) Я даже картинку использования геркона нашел:)


Вложения:
геркон.jpg
геркон.jpg [ 17.87 КБ | Просмотров: 5020 ]

_________________
Toyota Vista Ardeo 2000г.в., 3S-GTE, 4WD.
Toyota Chaser, 1997г.в., 1jz-ge, 2wd.
ЗЫ Лучшая машина - та, у которой есть потенциал!:)
Вернуться к началу
 Профиль Отправить email  
Ответить на тему 
 Заголовок сообщения: Re: установка электроподогревателя антифриза,Тэна,на 12В
СообщениеДобавлено: 10 сен 2015, 10:37 
Не в сети
Гуру
Гуру
Аватара пользователя

Зарегистрирован: 15 май 2014, 22:00
Сообщения: 2181
Тем: 43
Откуда: Красноярск
Блог: Посмотреть блог (2)
Машина: Toyota Vista Ardeo
О машине: SV55.5, 3S-FE, А243F, 4WD ATC+Torsen
Репутация: 3493
во теперь по схеме ясно! Как обмотать проводам в 4мм маленькую колбу?

_________________
Ardeo PRO version


Вернуться к началу
 Профиль Отправить email  
Ответить на тему 
 Заголовок сообщения: Re: установка электроподогревателя антифриза,Тэна,на 12В
СообщениеДобавлено: 10 сен 2015, 13:46 
Не в сети
Механик - интеллектуал, Моторист - теоретик
Аватара пользователя

Зарегистрирован: 15 ноя 2013, 11:09
Сообщения: 469
Тем: 6
Откуда: Новосибирск
Блог: Посмотреть блог (1)
Машина: Toyota Vista Ardeo
О машине: SV50
Репутация: 550
можно взять большую колбу и обмотать ее:)
А по сути - витков нужно всего штук плюсминус пять:)
Колба хрупкая правда, поэтому можно намотать на стержень от гелевой ручки, а внутрь вставить геркон. Ну или намотать на отвертку, отвертку вытащить, вставить геркон:) Вариантов масса:)

Называется вся эта штука "токовое реле", за подробностями велкам в гугл:)

_________________
Toyota Vista Ardeo 2000г.в., 3S-GTE, 4WD.
Toyota Chaser, 1997г.в., 1jz-ge, 2wd.
ЗЫ Лучшая машина - та, у которой есть потенциал!:)


Вернуться к началу
 Профиль Отправить email  
Ответить на тему 
 Заголовок сообщения: Re: установка электроподогревателя антифриза,Тэна,на 12В
СообщениеДобавлено: 10 сен 2015, 21:00 
Не в сети
Гуру
Гуру
Аватара пользователя

Зарегистрирован: 15 май 2014, 22:00
Сообщения: 2181
Тем: 43
Откуда: Красноярск
Блог: Посмотреть блог (2)
Машина: Toyota Vista Ardeo
О машине: SV55.5, 3S-FE, А243F, 4WD ATC+Torsen
Репутация: 3493
Сегодня купил герконы, вот такие мелкие, других не нашел,даже не знаю как на их можно намотать вот такие провода!!! :rus: :rus: :rus: Может можно их просто переклеить без намотки к поводам, так будет работать? Ну а так идея просто отличная, нет ни какого влияния на сеть ТЭНов.


Вложения:
IMG_20150910_180247.jpg
IMG_20150910_180247.jpg [ 413.76 КБ | Просмотров: 5008 ]
IMG_20150910_193856.jpg
IMG_20150910_193856.jpg [ 182.06 КБ | Просмотров: 5008 ]

_________________
Ardeo PRO version
Вернуться к началу
 Профиль Отправить email  
Ответить на тему 
 Заголовок сообщения: Re: установка электроподогревателя антифриза,Тэна,на 12В
СообщениеДобавлено: 10 сен 2015, 21:08 
Не в сети
Механик - интеллектуал, Моторист - теоретик
Аватара пользователя

Зарегистрирован: 15 ноя 2013, 11:09
Сообщения: 469
Тем: 6
Откуда: Новосибирск
Блог: Посмотреть блог (1)
Машина: Toyota Vista Ardeo
О машине: SV50
Репутация: 550
Провод 3 жилы по 4 квадрата? Как цеплять к тэну будешь? Почему трехжильный?:) сопротивление тэна измерил?:)

_________________
Toyota Vista Ardeo 2000г.в., 3S-GTE, 4WD.
Toyota Chaser, 1997г.в., 1jz-ge, 2wd.
ЗЫ Лучшая машина - та, у которой есть потенциал!:)


Вернуться к началу
 Профиль Отправить email  
Ответить на тему 
 Заголовок сообщения: Re: установка электроподогревателя антифриза,Тэна,на 12В
СообщениеДобавлено: 10 сен 2015, 21:19 
Не в сети
Гуру
Гуру
Аватара пользователя

Зарегистрирован: 15 май 2014, 22:00
Сообщения: 2181
Тем: 43
Откуда: Красноярск
Блог: Посмотреть блог (2)
Машина: Toyota Vista Ardeo
О машине: SV55.5, 3S-FE, А243F, 4WD ATC+Torsen
Репутация: 3493
yandobrov писал(а):
Алекс, если тебе не трудно, померь сопротивление тэнов:)

Вот сегодня замерил сопротивления ТЭН 1,2-1,3 Ом.

Добавлено спустя 4 минуты 11 секунд:
yandobrov писал(а):
Провод 3 жилы по 4 квадрата? Как цеплять к тэну будешь? Почему трехжильный?:) сопротивление тэна измерил?:)

Да, но сегодня сравнивал с 2мм, чуть больше их, по ощущению на верно 2,5. Хотя в магазине сказали что сечение 4мм. Трех жильный потому что ТЭНы три для каждой по жиле.


Вложения:
IMG_20150910_191513.jpg
IMG_20150910_191513.jpg [ 209.3 КБ | Просмотров: 5007 ]
IMG_20150910_191520.jpg
IMG_20150910_191520.jpg [ 374.06 КБ | Просмотров: 5007 ]
IMG_20150910_191525.jpg
IMG_20150910_191525.jpg [ 558.44 КБ | Просмотров: 5007 ]
IMG_20150910_191544.jpg
IMG_20150910_191544.jpg [ 447.21 КБ | Просмотров: 5007 ]

_________________
Ardeo PRO version
Вернуться к началу
 Профиль Отправить email  
Ответить на тему 
 Заголовок сообщения: Re: установка электроподогревателя антифриза,Тэна,на 12В
СообщениеДобавлено: 10 сен 2015, 21:29 
Не в сети
Механик - интеллектуал, Моторист - теоретик
Аватара пользователя

Зарегистрирован: 15 ноя 2013, 11:09
Сообщения: 469
Тем: 6
Откуда: Новосибирск
Блог: Посмотреть блог (1)
Машина: Toyota Vista Ardeo
О машине: SV50
Репутация: 550
Если я правильно понял, что одна жила трехжильного провода идёт на один тэн, то нужно просто снять сантиметров 20 внешней изоляции, и смотреть уже эти три жилы на три геркона:)
И ещё, лучше припаять провода на кончики геркона, не укорачивая их, а сам геркон спрятать в стержень от ручки. Тогда можно накрутить больше витков.
Количество витков нужно экспериментально определить.

Добавлено спустя 1 минуту 22 секунды:
Кончики геркона тоже намагничиваются, тем самым увеличивая полезную длину геркона;)

_________________
Toyota Vista Ardeo 2000г.в., 3S-GTE, 4WD.
Toyota Chaser, 1997г.в., 1jz-ge, 2wd.
ЗЫ Лучшая машина - та, у которой есть потенциал!:)


Вернуться к началу
 Профиль Отправить email  
Ответить на тему 
 Заголовок сообщения: Re: установка электроподогревателя антифриза,Тэна,на 12В
СообщениеДобавлено: 10 сен 2015, 21:31 
Не в сети
Гуру
Гуру
Аватара пользователя

Зарегистрирован: 15 май 2014, 22:00
Сообщения: 2181
Тем: 43
Откуда: Красноярск
Блог: Посмотреть блог (2)
Машина: Toyota Vista Ardeo
О машине: SV55.5, 3S-FE, А243F, 4WD ATC+Torsen
Репутация: 3493
Получается что ток I = U/R; 12/1,3 ( 1,2)= 9,2-10А на каждую ТЭНу.

_________________
Ardeo PRO version


Вернуться к началу
 Профиль Отправить email  
Ответить на тему 

Показать сообщения за:  Поле сортировки  
Начать новую тему Ответить на тему

 [ Сообщений: 213 ]  На страницу Пред.  1 ... 5, 6, 7, 8, 9, 10, 11 ... 15  След.





* Поиск по сайту Вверх Вниз

Кто сейчас на конференции

Сейчас этот форум просматривают: нет зарегистрированных пользователей и гости: 0


Вы не можете начинать темы
Вы не можете отвечать на сообщения
Вы не можете редактировать свои сообщения
Вы не можете удалять свои сообщения
Вы не можете добавлять вложения

Найти:
Перейти:  
Текущее время: 10 мар 2026, 04:49
Часовой пояс: UTC + 7 часов
Powered by phpbb. (c) VistaClub.ru.    * Статистика