* Поиск по сайту Вверх Вниз



Начать новую тему Ответить на тему  [ Сообщений: 299 ]  На страницу Пред.  1 ... 6, 7, 8, 9, 10, 11, 12 ... 20  След.
Автор Сообщение
 Заголовок сообщения: Re: Установка многофункционального дисплея.
СообщениеДобавлено: 14 мар 2011, 22:39 
Не в сети
Профи
Профи
Аватара пользователя

Зарегистрирован: 01 май 2008, 03:00
Сообщения: 757
Тем: 77
Откуда: РОССИЯ, Воронеж.
Машина: Toyota Vista
О машине: ZZV-50, 1ZZ, 1999г.
Репутация: 467
Рекламные ссылки. Показывается только незарегистрированным пользователям


Андрей Петровск писал(а):
Значит я беру 3-ую кнопку, а в свободный 4-ый пин разъема кнопки встовляю провод с дисплея с 13 пина?(у меня свободный 4-ый пин разъема кнопки ,местами менять их не надо)


Прежде чем задавать вопрос, прочитай всю тему сначала, там все есть.
читай тут :arrow: :arrow: :arrow: http://www.vistaclub.ru/forum/viewtopic.php?t=273&start=45


Вернуться к началу
 Профиль Отправить email  
Ответить на тему 

 Заголовок сообщения: Re: Установка многофункционального дисплея.
СообщениеДобавлено: 14 мар 2011, 22:45 
Не в сети
Любитель
Любитель
Аватара пользователя

Зарегистрирован: 28 дек 2010, 13:39
Сообщения: 31
Тем: 3
Откуда: Забайкальский край
Машина: Toyota Vista
О машине: SV 50 1 zz 2003г
Репутация: 14
Тему я прочитал внимательно! Просто все подключают к 2 пину,у меня свободный 4.


Вернуться к началу
 Профиль Отправить email  
Ответить на тему 
 Заголовок сообщения: Re: Установка многофункционального дисплея.
СообщениеДобавлено: 15 мар 2011, 13:42 
Не в сети
бывалый
Аватара пользователя

Зарегистрирован: 29 апр 2009, 03:00
Сообщения: 2345
Тем: 32
Откуда: Новосибирск
Блог: Посмотреть блог (18)
Машина: Toyota Vista
О машине: 1ZZ-FE, ZZV50, 99г, без тахо и тв
Репутация: 732
наверно потому, что у тебя рестайл....

_________________
Была :Toyota Vista ZZV50 99г. без тахо (капиталка собственноручно)
Сейчас: Mitsubishi Outlander CW5W, 05г., 2.4, CVT, MMCS, Rockford


Вернуться к началу
 Профиль  
Ответить на тему 
 Заголовок сообщения: Re: Установка многофункционального дисплея.
СообщениеДобавлено: 16 мар 2011, 09:21 
Не в сети
Любитель
Любитель
Аватара пользователя

Зарегистрирован: 13 дек 2006, 04:00
Сообщения: 50
Тем: 10
Откуда: Минусинск, Красноярский край
Машина: Toyota Vista
О машине: SV50, 3S-FSE
Репутация: 42
Андрей Петровск писал(а):
Тему я прочитал внимательно! Просто все подключают к 2 пину,у меня свободный 4.


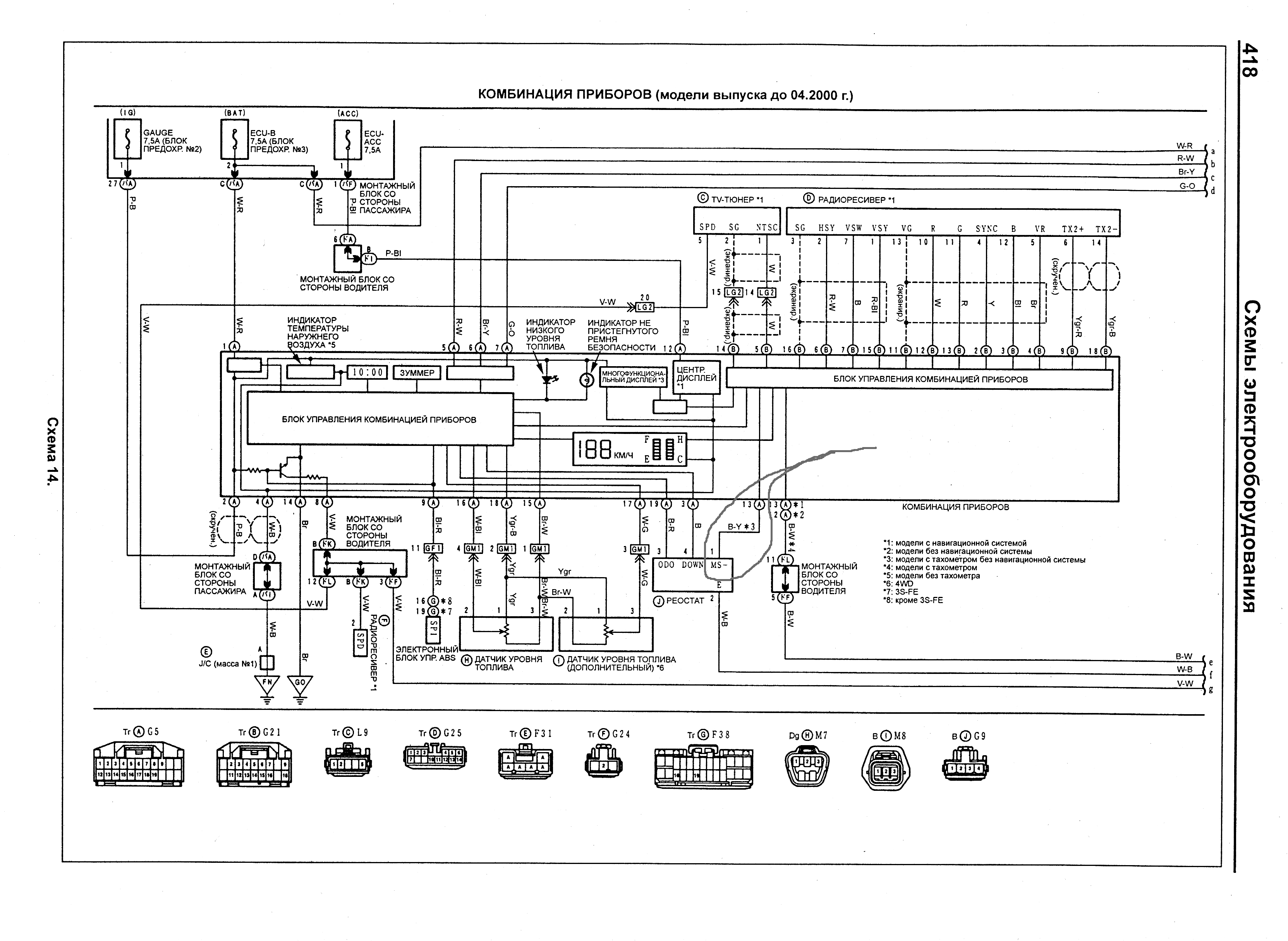
Андрей, если будешь ставить родной 3-х кнопочный переключатель, то нужно соединить именно свободный пин на кнопке (по схеме он 1, а не 4) с 13 пином на разъеме панели. А к 2 пину подключают те, кто ставит самодельную кнопку из магазина радиотоваров. Кстати, тройную кнопку я сейчас продаю, если нужно (см. раздел Продам)
Вложение:
схема.gif
схема.gif [ 369.66 КБ | Просмотров: 2616 ]

_________________
VISTA SV50-седан, D-4, 1998г.
теперь с тахометром


Вернуться к началу
 Профиль  
Ответить на тему 
 Заголовок сообщения: Re: Установка многофункционального дисплея.
СообщениеДобавлено: 16 мар 2011, 21:48 
Не в сети
Любитель
Любитель
Аватара пользователя

Зарегистрирован: 28 дек 2010, 13:39
Сообщения: 31
Тем: 3
Откуда: Забайкальский край
Машина: Toyota Vista
О машине: SV 50 1 zz 2003г
Репутация: 14
СПАСИБО!


Вернуться к началу
 Профиль Отправить email  
Ответить на тему 
 Заголовок сообщения: Re: Установка многофункционального дисплея.
СообщениеДобавлено: 18 май 2011, 20:34 
Не в сети
Любитель
Любитель
Аватара пользователя

Зарегистрирован: 28 дек 2010, 13:39
Сообщения: 31
Тем: 3
Откуда: Забайкальский край
Машина: Toyota Vista
О машине: SV 50 1 zz 2003г
Репутация: 14
После установки дисплея с тахометром перестал работать зуммер при оставленных вкл.фарах-у каго-нибудь была такая проблема?


Вернуться к началу
 Профиль Отправить email  
Ответить на тему 
 Заголовок сообщения: Re: Установка многофункционального дисплея.
СообщениеДобавлено: 19 май 2011, 21:40 
Не в сети
Специалист
Специалист
Аватара пользователя

Зарегистрирован: 30 июн 2007, 03:00
Сообщения: 321
Тем: 11
Машина: Toyota Vista Ardeo
О машине: 1zz.
Репутация: 173
Андрей Петровск писал(а):
После установки дисплея с тахометром перестал работать зуммер при оставленных вкл.фарах-у каго-нибудь была такая проблема?



Кстати!!!
Я помню, что зуммер у меня работал! Сейчас не работает, табло с тах. ставил сам, было это давно. Скорее всего перестал работать после установки табло с тах.
Я не раз задумывался, почему зуммер не работает. Теперь буду капать отсюда. Скоро будет решение этой проблемы.

_________________
ARDEO 2000 г 1zz


Вернуться к началу
 Профиль  
Ответить на тему 
 Заголовок сообщения: Электротабло
СообщениеДобавлено: 23 май 2011, 16:44 
Не в сети
Специалист
Специалист
Аватара пользователя

Зарегистрирован: 12 мар 2011, 15:32
Сообщения: 176
Тем: 15
Откуда: Черногорск
Машина: Toyota Vista
О машине: ZZV50-BESLK, 2001г., 1ZZ-FE
Репутация: 295
Всем привет! Кто нибудь переделывал табло?! У меня табло такое же как на фото, но только показывает направление воздуха и соответственно нет кнопки (которая обведена красным на фото).
Хотелось бы, чтобы показывало остальные 2 режима (тахометр и экорежим).


Вложения:
000.JPG
000.JPG [ 39.19 КБ | Просмотров: 2520 ]

_________________
Виста, летит со свистом!
Вернуться к началу
 Профиль Отправить email  
Ответить на тему 
 Заголовок сообщения: Re: Электротабло
СообщениеДобавлено: 23 май 2011, 16:50 
Не в сети
Гуру
Гуру
Аватара пользователя

Зарегистрирован: 06 сен 2010, 03:00
Сообщения: 4842
Тем: 44
Откуда: Якутск
Блог: Посмотреть блог (1)
Машина: Toyota Vista Ardeo
О машине: 2002, 3S-FE, 4WD
Репутация: 1093
Тут посмотри темы, про установку мультивижна, там переделывали кнопку =)

_________________
Toyota Vista Ardeo - 06.1999, SV55, 3S-FE, 4WD, V=2.0, Металлик, Eneos 10w40, 205x65x15
Toyota Vista Ardeo - 04.2002, SV55, 3S-FE, 4WD, V=2.0, Перламутр, Ravenol 10w40, 215x55x17
Я Драйве2 - https://www.drive2.ru/r/toyota/452069429514076326/


Вернуться к началу
 Профиль Отправить email  
Ответить на тему 
 Заголовок сообщения: Re: Электротабло
СообщениеДобавлено: 24 май 2011, 08:19 
Не в сети
Специалист
Специалист
Аватара пользователя

Зарегистрирован: 12 мар 2011, 15:32
Сообщения: 176
Тем: 15
Откуда: Черногорск
Машина: Toyota Vista
О машине: ZZV50-BESLK, 2001г., 1ZZ-FE
Репутация: 295
VERVIL писал(а):
Тут посмотри темы, про установку мультивижна, там переделывали кнопку =)


Блин, шо то не могу найти эту тему :dash:

Добавлено спустя 17 минут 20 секунд:
Все, нашел!!!! )))
не так в поиске писал((
Огромное спасибо VERVIL!!!! Ценная инфо!!!

_________________
Виста, летит со свистом!


Вернуться к началу
 Профиль Отправить email  
Ответить на тему 
 Заголовок сообщения: Re: Электротабло
СообщениеДобавлено: 24 май 2011, 08:47 
Не в сети
Гуру
Гуру
Аватара пользователя

Зарегистрирован: 06 сен 2010, 03:00
Сообщения: 4842
Тем: 44
Откуда: Якутск
Блог: Посмотреть блог (1)
Машина: Toyota Vista Ardeo
О машине: 2002, 3S-FE, 4WD
Репутация: 1093
Вот большая тема - ТУТ и ТУТ =)

Добавлено спустя 1 минуту 1 секунду:
С тебя фотоотчет =)

_________________
Toyota Vista Ardeo - 06.1999, SV55, 3S-FE, 4WD, V=2.0, Металлик, Eneos 10w40, 205x65x15
Toyota Vista Ardeo - 04.2002, SV55, 3S-FE, 4WD, V=2.0, Перламутр, Ravenol 10w40, 215x55x17
Я Драйве2 - https://www.drive2.ru/r/toyota/452069429514076326/


Вернуться к началу
 Профиль Отправить email  
Ответить на тему 
 Заголовок сообщения: Re: Установка многофункционального дисплея.
СообщениеДобавлено: 30 май 2011, 15:01 
Не в сети
бывалый
Аватара пользователя

Зарегистрирован: 29 апр 2009, 03:00
Сообщения: 2345
Тем: 32
Откуда: Новосибирск
Блог: Посмотреть блог (18)
Машина: Toyota Vista
О машине: 1ZZ-FE, ZZV50, 99г, без тахо и тв
Репутация: 732
Андрей Петровск писал(а):
перестал работать зуммер при оставленных вкл.фарах

при включенном дальнем или при включенных габаритах?...

_________________
Была :Toyota Vista ZZV50 99г. без тахо (капиталка собственноручно)
Сейчас: Mitsubishi Outlander CW5W, 05г., 2.4, CVT, MMCS, Rockford


Вернуться к началу
 Профиль  
Ответить на тему 
 Заголовок сообщения: Re: Установка многофункционального дисплея.
СообщениеДобавлено: 31 май 2011, 07:09 
Не в сети
Любитель
Любитель
Аватара пользователя

Зарегистрирован: 28 дек 2010, 13:39
Сообщения: 31
Тем: 3
Откуда: Забайкальский край
Машина: Toyota Vista
О машине: SV 50 1 zz 2003г
Репутация: 14
и при включенном дальнем и при включенных габаритах.


Вернуться к началу
 Профиль Отправить email  
Ответить на тему 
 Заголовок сообщения: Re: Установка многофункционального дисплея.
СообщениеДобавлено: 31 май 2011, 09:29 
Не в сети
бывалый
Аватара пользователя

Зарегистрирован: 29 апр 2009, 03:00
Сообщения: 2345
Тем: 32
Откуда: Новосибирск
Блог: Посмотреть блог (18)
Машина: Toyota Vista
О машине: 1ZZ-FE, ZZV50, 99г, без тахо и тв
Репутация: 732
может быть в панели с тахо просто нет этого зуммера?....просто по схеме не нашел где сигнал идет....хотя по идее при включенном дальнем габариты всяко включены....а при включении габаритов панель начинает подстраивать яркость в зависимости от датчика освещения...надо будет тут разобраться )))...

_________________
Была :Toyota Vista ZZV50 99г. без тахо (капиталка собственноручно)
Сейчас: Mitsubishi Outlander CW5W, 05г., 2.4, CVT, MMCS, Rockford


Вернуться к началу
 Профиль  
Ответить на тему 
 Заголовок сообщения: Re: Установка многофункционального дисплея.
СообщениеДобавлено: 31 май 2011, 09:38 
Не в сети
Любитель
Любитель
Аватара пользователя

Зарегистрирован: 28 дек 2010, 13:39
Сообщения: 31
Тем: 3
Откуда: Забайкальский край
Машина: Toyota Vista
О машине: SV 50 1 zz 2003г
Репутация: 14
я уже все передумал,и по схеме тоже ни чего не нашел - не пойму в чем заковырка :evil:


Вернуться к началу
 Профиль Отправить email  
Ответить на тему 

Показать сообщения за:  Поле сортировки  
Начать новую тему Ответить на тему

 [ Сообщений: 299 ]  На страницу Пред.  1 ... 6, 7, 8, 9, 10, 11, 12 ... 20  След.





* Поиск по сайту Вверх Вниз

Кто сейчас на конференции

Сейчас этот форум просматривают: нет зарегистрированных пользователей и гости: 16


Вы не можете начинать темы
Вы не можете отвечать на сообщения
Вы не можете редактировать свои сообщения
Вы не можете удалять свои сообщения
Вы не можете добавлять вложения

Найти:
Перейти:  
Текущее время: 30 апр 2026, 10:18
Часовой пояс: UTC + 7 часов
Powered by phpbb. (c) VistaClub.ru.    * Статистика