* Поиск по сайту Вверх Вниз



Начать новую тему Ответить на тему  [ Сообщений: 577 ]  На страницу Пред.  1 ... 10, 11, 12, 13, 14, 15, 16 ... 39  След.
Автор Сообщение
 Заголовок сообщения: Re: ДНЕВНЫЕ ХОДОВЫЕ ОГНИ (ДХО)!!!
СообщениеДобавлено: 10 мар 2011, 01:23 
Не в сети
модератор
Аватара пользователя

Зарегистрирован: 27 окт 2008, 04:00
Сообщения: 12731
Тем: 15
Откуда: Вятка
Машина: др. Японка
О машине: Toyota Prius 51
Репутация: 2381
Рекламные ссылки. Показывается только незарегистрированным пользователям


vromi писал(а):
Если честно немного не понятно, смотрю на схему - при включении зажигания на два оптореле подается напряжение от лампочек давления масла и парковки, последовательно, при поэтом вроде как эмитер-коллекторный переход открывается и с замка зажигания, напряжение подается на усилитель - микросхему ULN2004 (которая питается все время на прямую с аккумулятора - надо было так же с замка зажигания брать напряжение что бы микруха электричество не жрала во время стоянки) и на выходе тут же получаем ток до половины ампера на реле фар. (Кстати а реле катушка какой ток потребляет?)

Получается все время пока горят лампы давления масла и парковки у нас светятся фары, а нам ведь нужно наоборот - что бы напряжение на микруху шло только когда лампочки масла и парковки не горят.... Может zero648 пояснишь где я ошибаюсь? А микруха случайно не инвертирует сигнал?


Кстати печатной схемы нету что бы плату вытравить по ней? Еще - смотрел по микросхеме datasheet - у нее температурный режим завялен только от -20 градусов, это маловато для Сибири, где морозы под -40 не редкость.

Добавлено спустя 15 часов 42 минуты 18 секунд:
И ещё вопросы - расказал бы поподробнее где реле фар находится, как к нему тянул провод, где как подключался, откуда именно запитывался... Заодно и по схеме бы просветил бы для чего там разные сопротивления стоят :-)
Скорее сигнал берется с управления ламп, т.е. когда лампа давления горит то на управляющей ножке лампы корпус, а когда гаснет на ней появляется 12 в.

_________________
Vista Ardeo 1999, SV50, D4, Мультик, TV...


Вернуться к началу
 Профиль Отправить email  
Ответить на тему 

 Заголовок сообщения: Re: ДНЕВНЫЕ ХОДОВЫЕ ОГНИ (ДХО)!!!
СообщениеДобавлено: 10 мар 2011, 21:33 
Не в сети
Местный
Местный
Аватара пользователя

Зарегистрирован: 01 янв 2006, 04:00
Сообщения: 10044
Тем: 182
Откуда: ХМАО Роман
Машина: др. неЯпонка
О машине: Volkswagen Tiguan
Репутация: 710
Может автор все таки разъяснит что по чем...

Я тут схему посмотрел - на реле (катушку реле) фар, и на индикаторы напряжение с аккумулятора поступает постоянно через предохранители, а реле управляется подключением массы через переключатель на руле. Так же масса подается либо не подается и на лампочки индикации на панели приборов. Значит по идее на катушку реле фар с микрухи должна масса подаваться, а не плюс, что бы фары зажглись.

_________________
Управлял шесть лет японской мечтой - Toyota Vista Ardeo, теперь управляю немецкой мечтой - DAS AUTO.


Вернуться к началу
 Профиль  
Ответить на тему 
 Заголовок сообщения: Re: ДНЕВНЫЕ ХОДОВЫЕ ОГНИ (ДХО)!!!
СообщениеДобавлено: 11 мар 2011, 04:50 
Не в сети
Профи
Профи
Аватара пользователя

Зарегистрирован: 30 мар 2008, 04:00
Сообщения: 565
Тем: 7
Откуда: Копейск
Машина: Toyota Vista Ardeo
О машине: SV-50 3S-FSE WHITE 1998
Репутация: 219
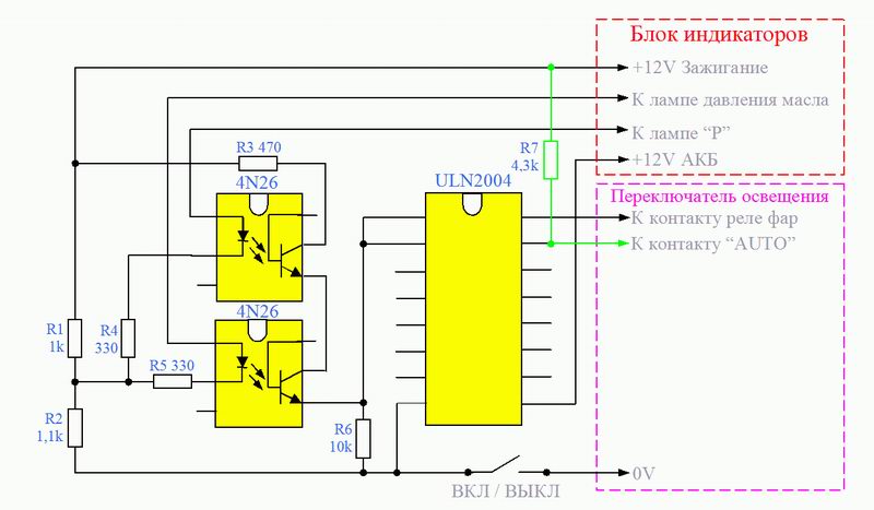
Принцип работы схемы оч. проста: Когда лампы масла и парковки горят, со стороны управления на них сидит "ноль", Vyatich давече подчеркивал, туда мы и подключаем соответствующие провода, таким образом транзисторы на обеих оптопарах закрыты, они в свою очередь собраны в схему "И", что удовлетворяет нашему условию "работающий движок и не стоим на месте" :rus: . Далее, при наступлении данного условия, сигнал идет на усилитель, собраный на NPN транзисторах, естественно, на выходе усилителя появляется "ноль" и катушка реле фар срабатывает.

Схема собрата на макетке, вот собственно и она:
Изображение Изображение Изображение

Подключается элементарно, "0V" и "К реле фар" цепляем к фишке переключателя света фар на рулевой колонке. Все остальное к панели индикаторов над рулем.
Изображение Изображение
Точки подключения:
1 - +12V АКБ;
2 - лампа "Р";
3 - лампа давления масла;
4 - +12V Зажигание;
5 - реле фар;
6 - 0V.

vromi, аналог будет конечно же лучше для наших суровых условий, хотя при -33 все работало и не тока у меня, Я, особо детали то не подбирал, какие нашел на ненужных платах, такие и выпаял.

У ентой схемы есть еще одна особенность: R1 и R2 - это есть делитель напряжения, он нужен для того, чтобы при включении габаритов вручную, схема не срабатывала. А то получается переключатель еще на "Р", а фары уже включились. Я этот узел настраивал в лабораторных, так сказать, условиях, и не учел, что при работающем двигле напряжение бортовой сети выше, примерно на 1 вольт. Вобщем выхода один - наройка яркости при включеных габаритах на максимум. Я выбрал первый вариант, холодно однака на улице ковыряться, потеплее будет займусь этим вопросом, а вот и второй вариант - ждем, когда Я, разберусь с этим вопросом.


Вернуться к началу
 Профиль  
Ответить на тему 
 Заголовок сообщения: Re: ДНЕВНЫЕ ХОДОВЫЕ ОГНИ (ДХО)!!!
СообщениеДобавлено: 11 мар 2011, 19:49 
Не в сети
Любитель
Любитель
Аватара пользователя

Зарегистрирован: 19 апр 2009, 03:00
Сообщения: 38
Тем: 2
Откуда: Бурмундия
Машина: Toyota Vista Ardeo
О машине: SV55G, 3S-FE, 2000г. рестайл, диван
Репутация: 41
А помните у нас при незакрытой двери на какой-то низкой скорости звоночек. А что если к этой схеме прикрутить?
Тока я послушать могу, не более.


Вернуться к началу
 Профиль  
Ответить на тему 
 Заголовок сообщения: Re: ДНЕВНЫЕ ХОДОВЫЕ ОГНИ (ДХО)!!!
СообщениеДобавлено: 12 мар 2011, 18:31 
Не в сети
Местный
Местный
Аватара пользователя

Зарегистрирован: 01 янв 2006, 04:00
Сообщения: 10044
Тем: 182
Откуда: ХМАО Роман
Машина: др. неЯпонка
О машине: Volkswagen Tiguan
Репутация: 710
zero648 писал(а):
Принцип работы схемы оч. проста: ..........................................................

vromi, аналог будет конечно же лучше для наших суровых условий, хотя при -33 все работало и не тока у меня, Я, особо детали то не подбирал, какие нашел на ненужных платах, такие и выпаял.

У ентой схемы есть еще одна особенность: R1 и R2 - это есть делитель напряжения, он нужен для того, чтобы при включении габаритов вручную, схема не срабатывала. А то получается переключатель еще на "Р", а фары уже включились. Я этот узел настраивал в лабораторных, так сказать, условиях, и не учел, что при работающем двигле напряжение бортовой сети выше, примерно на 1 вольт. Вобщем выхода один - наройка яркости при включеных габаритах на максимум. Я выбрал первый вариант, холодно однака на улице ковыряться, потеплее будет займусь этим вопросом, а вот и второй вариант - ждем, когда Я, разберусь с этим вопросом.




zero648 я хотел бы более подробно расмотреть и обсудить твою схему, если ты не против расказать что - как - куда приходит и зачем....



Вложение:
ДХО 1.jpg
ДХО 1.jpg [ 43.74 КБ | Просмотров: 3080 ]




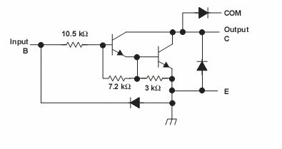
Вот к примеру делитель напряжения, состоящий из двух резисторов R1 и R2, с него напряжение которое идет от “+12Вольт Зажигание”, делится примерно скорее всего попалам (до 6 Вольт) и подается через резисторы R4 и R5 почему то на катод обоих светодиодов оптопары, а на катод ведь должен подаваться минус, а не плюс. И кстати у оптопары 4N26 если не ошибаюсь должно подаваться на
управление светодиодом не больше 1,15 Вольта - http://www.platan.ru/cgi-bin/qwery.pl/i ... roup=21001

И не понятно каким образом этот делитель защищает от ложного срабатывания при включении габаритов, как это все взаимосвязоно? Почему при включении габаритов
должна микруха ULN2004 ложно срабатывать и подавать на реле фар массу?

А резисторы R4 и R5 которые в цепи оптопары они для чего? С какой целью там стоят?

А резистор R6 на 10 килоом для чего нужен, какую роль он выполняет?

По драйверу, т.е. микросхеме ULN2004 не расскажешь как эта микруха работает, у неё подключены 1 и 2 входа, зачем два входа то параллельно подключал?

Вход 8 (Е или GND) подключен на массу для чего?

А вход 9 (COM или CLAMP) на +12 Вольт подключил для чего? Кстати почему именно напрямую к аккумулятору подключать, что бы на ней постоянно напряжение присутствовало, можно ведь было и к контакту "+12В зажигания" подключить?

Я смотрю на схему микосхемы ULN2004:


Вложение:
ULN2004 ..jpg
ULN2004 ..jpg [ 17.39 КБ | Просмотров: 3096 ]


Вложение:
ULN2004.jpg
ULN2004.jpg [ 8.38 КБ | Просмотров: 3096 ]


там усилительный каскад из двух биполярных транзисторов n-p-n перехода, собранных вроде как по схеме с общим эмиттером, они работают как усилительный
каскад или все таки в режиме ключа передавая массу co входа 8 (Е или GND), через эмитерно-коллекторный переход на выход С, при поступлении на вход В (вход
микросхемы 1) т.е. на базу первого транзистора, сигнала "+12В зажигание", с выхода оптопар?

Кстати резистор R3 на 470 Ом для чего?

На второй схеме где ты подключил 15 выход микросхемы к контакту AUTO что тем самым ты добился? И для чего закоротил 15 выход на "+12 Вольт зажигания" резистором R7 на 4,3 КОма?

А выключатель на массе для чего поставил?

_________________
Управлял шесть лет японской мечтой - Toyota Vista Ardeo, теперь управляю немецкой мечтой - DAS AUTO.


Вернуться к началу
 Профиль  
Ответить на тему 
 Заголовок сообщения: Re: ДНЕВНЫЕ ХОДОВЫЕ ОГНИ (ДХО)!!!
СообщениеДобавлено: 13 мар 2011, 03:19 
Не в сети
Профи
Профи
Аватара пользователя

Зарегистрирован: 30 мар 2008, 04:00
Сообщения: 565
Тем: 7
Откуда: Копейск
Машина: Toyota Vista Ardeo
О машине: SV-50 3S-FSE WHITE 1998
Репутация: 219
Начнем с простого, R3, R4, R5 - стоят для ограничения тока, соответственно только своей цепи, дальше по схеме всетаки стоят лампы накаливания, которые могут либо сами тускло гореть, либо пожеч светодиоды в оптопарах, номиналы большой роли не играют, подбирал примерно.

R6 - это привязка к логическому "нулю" входа микросхемы, чтобы в воздухе не висел, иначе возможны ложные срабатывания.

На катод любого полупроводника не обязательно садить "ноль", чтобы через него шел ток, достаточно, чтобы разность потенциалов была больше на аноде, чем на катоде. Теоретически считаем, что на аккуме 12,8 Вольт, т.е. между R1 и R2 у нас будет +6,7 Вольт, с лампочек придет +12,8 Вольт, т.к. активной нагрузки на них без массы нет, получается на каждом светодиоде разность потенциалов в 6,1 Вольт плюс ограничительное сопротивление, на светодиоды приходит 1,0 Вольт.

Теперь разберемся с ложными включениями при вкл. габаритах, допустим, что лампа "Р" горит, значит на управляющем контакте лампы у нас 0 Вольт, т.е. разность потенциалов на светодиоде будет 6,7 Вольт с перевесом на катоде. Если мы включаем габариты, то подсветка тускнеет и на лампе "Р" теперь около 6,5 Вольт:
jannoss писал(а):
Значит пошел и померил напряжение что на лампочке Р, и вот оказывается что получается:при выключенных габаритах и на всех режимах подсветки где-то 12,5V, а вот при включенных габаритах: яркость табло на всю 12,5V, яркость на одно деление ниже и далее 6,5V....

а на светодиоде становится разность потенциалов 0,4 Вольт, что маловато для него. И теоретически все вроде должно работать, но срабатывает при вкл. габаритов, когда как.

По драйверу ULN2004 - первый контакт для реле фар, второй сразу приготовил для режима "АВТО".
Каждый элемент ULN2004 работает как составной транзистор в режиме ключа передавая массу co входа 8 (Е или GND), через эмитерно-коллекторный переход на выход С, при поступлении на вход В (вход микросхемы 1) т.е. на базу первого транзистора, сигнала "+12В зажигание", с выхода оптопар.

8 контакт - это GND (ноль), если его не подключать, то при открывании транзистора, эл. току некуда будет течь, т.е. эл. тока просто не будет и релюха фар будет молчать.

Работает микросхема как составной транзистор в режиме ключа, передавая массу co входа 8 (Е или GND), через эмитерно-коллекторный переход на выход С, при поступлении на вход В (вход микросхемы 1) т.е. на базу первого транзистора, сигнала "+12В зажигание", с выхода оптопар.

9 - это выходCOM, это предохранительные диоды, чтобы релюхи работали дольше при частых включениях, его можно вообще не подключать либо подключать только по моей схеме, на "+12 зажигание" садить его нельзя, иначе через реле фар на него придет +12 Волть без зажигания и на схему, тогда фары будут гореть и без зажигания, возможно не только фары :suicide:

С "АВТО" работает так, если есть этот режим, днем включаются только фары, а с наступлением темноты, включаются фары + габариты.

R7 уже не помню для чего поставил, без него был какой-то глюк, пришлось поставить, вроде что-то типа привязки к плюсу.

Выключатель для принудительного отключения схемы, мало ли что.


Вернуться к началу
 Профиль  
Ответить на тему 
 Заголовок сообщения: Re: ДНЕВНЫЕ ХОДОВЫЕ ОГНИ (ДХО)!!!
СообщениеДобавлено: 14 мар 2011, 00:50 
Не в сети
Местный
Местный
Аватара пользователя

Зарегистрирован: 01 янв 2006, 04:00
Сообщения: 10044
Тем: 182
Откуда: ХМАО Роман
Машина: др. неЯпонка
О машине: Volkswagen Tiguan
Репутация: 710
Значит мы садим аноды оптореле на контакты ламп, на которые при горящих лампочках приходит минус с ЭБУ кондиционера и оптореле поэтому не срабатывают так минус появляется на аноде, а если с ЭБУ минус не приходит и лампы не горят, то через нить накаливания ламп, вместо нуля на анод оптореле как и положено приходит плюс и оптореле срабатывает и подает +12 вольт на сигнальный вход микросхемы.

Вложение:
ДХО 1.jpg
ДХО 1.jpg [ 50.91 КБ | Просмотров: 3069 ]



Если при просадке напряжения до 6 вольт при включении габаритов оптореле не срабатывает, то надо скорее всего немного понизить сопротивление R1 и R2 на делителе, совсем чуть чуть? Можно переменный резистор поставить и опытным путем вычислить номинал.

Добавлено спустя 6 минут:
А если схему построить на тиристорных оптореле они вроде большую нагрузку переносят и микросхему вообще исключить, а через контакты отпореле последовательно подавать минус прямо на реле фар и контакт AUTO? Кстати а сколько тока потребляет катушка реле фар?

Как у тебя схема сейчас работает - когда темнеет габариты сами подключаются? Кстати не пробовал крутить светофильтр возле лобового стекла что настроить момент автоматического включения? Я пробовал но не получилось. По книге вроде можно самому настраивать.

_________________
Управлял шесть лет японской мечтой - Toyota Vista Ardeo, теперь управляю немецкой мечтой - DAS AUTO.


Вернуться к началу
 Профиль  
Ответить на тему 
 Заголовок сообщения: Re: ДНЕВНЫЕ ХОДОВЫЕ ОГНИ (ДХО)!!!
СообщениеДобавлено: 15 мар 2011, 00:51 
Не в сети
Профи
Профи
Аватара пользователя

Зарегистрирован: 30 мар 2008, 04:00
Сообщения: 565
Тем: 7
Откуда: Копейск
Машина: Toyota Vista Ardeo
О машине: SV-50 3S-FSE WHITE 1998
Репутация: 219
Надо попробовать номинал R2 поменять на 1,5кОм или 2,2кОм, ну или последовательно R2 вставить переменик на 4,7кОм и им настраивать.
Да, кстати, на счет тиристорных оптопар была идея, но их под рукой не оказалось, была двухканальная оптопара на составных транзисторах, но мне не понравилась её температура, рукой держать можно, но недолго, в принципе, нагревалась она минуты за две и продолжала работать, Я её гонял часа два на вазовской релюхе, они наверно, мощнее тойотовских, по-любому. А вот сколько фарная релюха тока жрет, даже не скажу, не мерил.
Вот крутилку на датчике света пробовал крутить, не получается, лобовое стекло как-то мешает, можно только пальцами подлезть, а ими крутить как-то неудобняк совсем.
У меня зажигается вместе с габаритами, примерно, когда уже солнце садится, когда пасмурно пораньше, когда в тунель въезжаешь тоже включаются габариты, выезъжаешь на свет божий - выключаются, а фары так и горят всё время, пока на "Р" не поставишь. Выключатель света ща совсен не трогаю, как бы не забыть где он находится :lol:


Вернуться к началу
 Профиль  
Ответить на тему 
 Заголовок сообщения: Re: ДНЕВНЫЕ ХОДОВЫЕ ОГНИ (ДХО)!!!
СообщениеДобавлено: 15 мар 2011, 18:45 
Не в сети
Местный
Местный
Аватара пользователя

Зарегистрирован: 01 янв 2006, 04:00
Сообщения: 10044
Тем: 182
Откуда: ХМАО Роман
Машина: др. неЯпонка
О машине: Volkswagen Tiguan
Репутация: 710
Наверное то же себе сделаю, а то забываю иной раз фары включать.

А можно фильтр света и не крутить, а положить на него какой нибудь полупрозрачный материал, типа кальки что ли, который слегка затемняет его. Ну что бы пораньше габариты включались, а то ждать когда совсем стемнеет так можно и в задний бампер получить от какого нибудь чайника.

У тебя по схеме на массе стоит выключатель, ты его куда приспособил? Я подумал - можно использовать штатный выключатель AUTO, он же берет массу и подает ее в Блок Управления Электрооборудованием на контакт AUTO, для перевода схемы автоматического управления в "дежурное состояние".
Можно разорвать эту цепь и подавать массу с выключателя на цепь твоей платы, а уже с микрухи массу подавать на контакт AUTO, и будет вся приблуда работать только когда выключатель в положении AUTO. Будет как раз полная автоматика только не по алгоритму Тойотовских мозгов, а по твоему уже алгоритму :-) Только хватит ли 0,5 Амперного выхода микрухи для запитки массой Блока Управления Электрооборудованием или стоит еще выхода микросхемы подцепить параллельно, можно даже диоды поставить на каждом выходе.

Кстати какой мощности резисторы в схеме использовал? Куда плату устанавливал - под кожух руля или за панель приборов? Плату в коробочку ставил? Плату лаком не вскрывал для защиты от влаги и корозии?

А если к лампочкам парковки и давления масла параллельно подсоединить резисторы с большим наминалом, что бы в случае перегорания лампочки схема работала?

А вместо делителя напряжения из резисторов, построить схему на стабилизаторе напряжения, к примеру КР142ЕН12А http://www.chipdip.ru/product/kr142en12a-00-07.aspx и тогда в любом случае схема будет работать и на нее не будет оказывать влияние включение габаритов и падение при этом напряжения на лампочках до 6,5 Вольт.


А схему вообще можно построить вот на таком двухканальном оптореле на полевых транзисторах PRAC37S http://www.chipdip.ru/product1/1929404154.aspx, напряжение нагрузки до 60 вольт, ток до 320 мА. Знать бы ток потребеления у схемы AUTO и у реле фар..... :(

_________________
Управлял шесть лет японской мечтой - Toyota Vista Ardeo, теперь управляю немецкой мечтой - DAS AUTO.


Вернуться к началу
 Профиль  
Ответить на тему 
 Заголовок сообщения: Re: ДНЕВНЫЕ ХОДОВЫЕ ОГНИ (ДХО)!!!
СообщениеДобавлено: 16 мар 2011, 15:33 
Не в сети
Начинающий
Начинающий
Аватара пользователя

Зарегистрирован: 04 окт 2010, 03:00
Сообщения: 12
Машина: Toyota Vista Ardeo
О машине: AZV50 1AZ-FSE
Репутация: 0
Собрал сему zero648, но упростил до одной оптопары (управление только от "Р").R2 -1,2кОм (какое нашел),работает при любой яркости подсветки, НО при включении зажигания на мгновение вспыхивает ближний свет. Zero648 у себя такого не наблюдал?


Вернуться к началу
 Профиль  
Ответить на тему 
 Заголовок сообщения: Re: ДНЕВНЫЕ ХОДОВЫЕ ОГНИ (ДХО)!!!
СообщениеДобавлено: 17 мар 2011, 00:06 
Не в сети
Профи
Профи
Аватара пользователя

Зарегистрирован: 30 мар 2008, 04:00
Сообщения: 565
Тем: 7
Откуда: Копейск
Машина: Toyota Vista Ardeo
О машине: SV-50 3S-FSE WHITE 1998
Репутация: 219
goodvin04 писал(а):
Собрал сему zero648, но упростил до одной оптопары (управление только от "Р").R2 -1,2кОм (какое нашел),работает при любой яркости подсветки, НО при включении зажигания на мгновение вспыхивает ближний свет. Zero648 у себя такого не наблюдал?

У тебя так случается, из-3а того, что разрешение идет только от "Р", а эта лампа управляется климатом, неизвестно, что происходит в климате во время включения зажигания, сброс процессора, инициализация, так что ставь еще и на давление масла, она сидит жестко на датчике давления. У себя такого ни разу не наблюдал.

Добавлено спустя 6 минут 44 секунды:
Пробовал R2 номиналом 2,2кОм, тоже работает, а 3,8кОм уже много - не включается.

goodvin04 проверь ложное срабатывание так: включи зажигание и включи габариты, включаться фары или нет?

Добавлено спустя 53 минуты 17 секунд:
vromi писал(а):
Наверное то же себе сделаю, а то забываю иной раз фары включать.

А можно фильтр света и не крутить, а положить на него какой нибудь полупрозрачный материал, типа кальки что ли, который слегка затемняет его. Ну что бы пораньше габариты включались, а то ждать когда совсем стемнеет так можно и в задний бампер получить от какого нибудь чайника.

У тебя по схеме на массе стоит выключатель, ты его куда приспособил? Я подумал - можно использовать штатный выключатель AUTO, он же берет массу и подает ее в Блок Управления Электрооборудованием на контакт AUTO, для перевода схемы автоматического управления в "дежурное состояние".
Можно разорвать эту цепь и подавать массу с выключателя на цепь твоей платы, а уже с микрухи массу подавать на контакт AUTO, и будет вся приблуда работать только когда выключатель в положении AUTO. Будет как раз полная автоматика только не по алгоритму Тойотовских мозгов, а по твоему уже алгоритму :-) Только хватит ли 0,5 Амперного выхода микрухи для запитки массой Блока Управления Электрооборудованием или стоит еще выхода микросхемы подцепить параллельно, можно даже диоды поставить на каждом выходе.

Кстати какой мощности резисторы в схеме использовал? Куда плату устанавливал - под кожух руля или за панель приборов? Плату в коробочку ставил? Плату лаком не вскрывал для защиты от влаги и корозии?

А если к лампочкам парковки и давления масла параллельно подсоединить резисторы с большим наминалом, что бы в случае перегорания лампочки схема работала?

А вместо делителя напряжения из резисторов, построить схему на стабилизаторе напряжения, к примеру КР142ЕН12А http://www.chipdip.ru/product/kr142en12a-00-07.aspx и тогда в любом случае схема будет работать и на нее не будет оказывать влияние включение габаритов и падение при этом напряжения на лампочках до 6,5 Вольт.


А схему вообще можно построить вот на таком двухканальном оптореле на полевых транзисторах PRAC37S http://www.chipdip.ru/product1/1929404154.aspx, напряжение нагрузки до 60 вольт, ток до 320 мА. Знать бы ток потребеления у схемы AUTO и у реле фар..... :(


В принципе меня устраивает как срабатывают габариты в автомате, поэтому я датчик не стал больше трограть. Выключатель приделал под рулем, рядом с кнопкой открывания заднего стекла, у меня там все равно была дыра от светодиода наверно, видимо когда то стояла сига, сейчас нету, а на счет выключателя "АВТО" хорошая идея, в принцире реально. Блок управления автоматическим освещением - это у нас по-моему мультиплекс, у него должна быть своя масса, а вход "АВТО" - это скорее всего просто логический вход, так что на счет нагрузки можно не париться.
Плату запихал в термоусадку и примотал изолентой к жгуту проводов, который идет на рулевую колонку.
Чтобы не зависить от лампочек, схему тогда лучше переделать на управление массой от датчика давления и "Р", она будет выглядеть немного по-другому, наверно. А лампочки не так часто горят, лучше поменять просто и все, тем более такая важная лампа, как давление масла.
На счет нагрузки на схему, Я проверял так, влючил все это дело от аккумулятора у себя в кабинете, подключил вместо реле фар, релюху вазовскую и весь день схема была включена, нагрева практически никакого - еле тепленькая за весь день, при перегрузке микрух они бы нагрелись прилично и быстро, как я пробовал релюху подключить прямо через оптопары, были горячие через уже несколько секунд, так что на счет нагрузки, схема можно сказать зачет получила, все остальное уже доработки, хотя если её дорабатывать постоянно, то этому края не будет, можно такими темпами и до контроллера дойти :roll: .


Вернуться к началу
 Профиль  
Ответить на тему 
 Заголовок сообщения: Re: ДНЕВНЫЕ ХОДОВЫЕ ОГНИ (ДХО)!!!
СообщениеДобавлено: 17 мар 2011, 11:27 
Не в сети
Местный
Местный
Аватара пользователя

Зарегистрирован: 01 янв 2006, 04:00
Сообщения: 10044
Тем: 182
Откуда: ХМАО Роман
Машина: др. неЯпонка
О машине: Volkswagen Tiguan
Репутация: 710
goodvin04 писал(а):
Собрал схему zero648, .....................работает при любой яркости подсветки, ............


Попробуй включить потребители много разных, в особенности обогрев заднего стекла, что бы просело напряжение в сети автомобиля и посмотри будет работать ДХО при включении габаритов.




zero648 как думаешь резисторы мощностью 0,25W сойдут или надо помощнее?

_________________
Управлял шесть лет японской мечтой - Toyota Vista Ardeo, теперь управляю немецкой мечтой - DAS AUTO.


Вернуться к началу
 Профиль  
Ответить на тему 
 Заголовок сообщения: Re: ДНЕВНЫЕ ХОДОВЫЕ ОГНИ (ДХО)!!!
СообщениеДобавлено: 18 мар 2011, 01:43 
Не в сети
Профи
Профи
Аватара пользователя

Зарегистрирован: 30 мар 2008, 04:00
Сообщения: 565
Тем: 7
Откуда: Копейск
Машина: Toyota Vista Ardeo
О машине: SV-50 3S-FSE WHITE 1998
Репутация: 219
vromi писал(а):
zero648 как думаешь резисторы мощностью 0,25W сойдут или надо помощнее? Кстати ты свою стиралку то починил? :-)

Я ставил резисторы 0,125W, на фотках вроде видно же, можно вобще SMD-шные поставить, там токи тряпошные.


Вернуться к началу
 Профиль  
Ответить на тему 
 Заголовок сообщения: Re: ДНЕВНЫЕ ХОДОВЫЕ ОГНИ (ДХО)!!!
СообщениеДобавлено: 18 мар 2011, 12:19 
Не в сети
Местный
Местный
Аватара пользователя

Зарегистрирован: 01 янв 2006, 04:00
Сообщения: 10044
Тем: 182
Откуда: ХМАО Роман
Машина: др. неЯпонка
О машине: Volkswagen Tiguan
Репутация: 710
Вообще все микросхемы и резисторы стоят не дорого - 30, 40 руб + по 5 руб за резистор, правда пришлось поискать в магазинах, но вот готовые универсальные платы (макеты) стоят зараза по 200 рублей.... :dash: Так что набор "пионера" обошелся около 300 рублей. А самому травить да высверливать плату чё то неохото. Да и реактивы, и медный текстолит то же денег стоят. Я кстати хочу на разъемчиках или одном разъеме выполнить присоединение, что бы в случае если приспичит, быстро можно было бы снять платку в ремонт или на доработку.

_________________
Управлял шесть лет японской мечтой - Toyota Vista Ardeo, теперь управляю немецкой мечтой - DAS AUTO.


Последний раз редактировалось Vyatich 19 мар 2011, 14:11, всего редактировалось 1 раз.
Подредактировал последние сообщения, не отходим от темы.


Вернуться к началу
 Профиль  
Ответить на тему 
СообщениеСообщение было удалено | удалил: Vyatich | 19 мар 2011, 14:13.
Причина: не по теме

Показать сообщения за:  Поле сортировки  
Начать новую тему Ответить на тему

 [ Сообщений: 577 ]  На страницу Пред.  1 ... 10, 11, 12, 13, 14, 15, 16 ... 39  След.





* Поиск по сайту Вверх Вниз

Кто сейчас на конференции

Сейчас этот форум просматривают: нет зарегистрированных пользователей и гости: 16


Вы не можете начинать темы
Вы не можете отвечать на сообщения
Вы не можете редактировать свои сообщения
Вы не можете удалять свои сообщения
Вы не можете добавлять вложения

Найти:
Перейти:  
Текущее время: 14 май 2026, 18:25
Часовой пояс: UTC + 7 часов
Powered by phpbb. (c) VistaClub.ru.    * Статистика