* Поиск по сайту Вверх Вниз



Начать новую тему Ответить на тему  [ Сообщений: 577 ]  На страницу Пред.  1 ... 13, 14, 15, 16, 17, 18, 19 ... 39  След.
Автор Сообщение
 Заголовок сообщения: Re: ДНЕВНЫЕ ХОДОВЫЕ ОГНИ (ДХО)!!!
СообщениеДобавлено: 15 апр 2011, 23:50 
Не в сети
Местный
Местный
Аватара пользователя

Зарегистрирован: 01 янв 2006, 04:00
Сообщения: 10044
Тем: 182
Откуда: ХМАО Роман
Машина: др. неЯпонка
О машине: Volkswagen Tiguan
Репутация: 710
Рекламные ссылки. Показывается только незарегистрированным пользователям


vista 22 писал(а):
купил ДХО. Теперь не знаю, как подключить. Весь сайт облазил, рекомндаций много, но в схемах ни фига не понимаю. Может кто подскажет, как...? куда...? какой провод, куда подддцепить. Хочу, чтобы зажиг. включил - ДХО зажглись., включил габариты или ближний свет - ДХО потухли. Знаю, что надо пдддцеплять через реле... Если с Фото, бутет ваще супер. Заранее спасибо!!!



Питание (плюс) с замка зажигания подать на ДХО, через нормально замкнутые контакты дополнительно купленного автомобильного реле. А на катушку этого реле постоянно с одной стороны подавать плюс, а сдругой стороны запитаться к подрулевому переключателю света, в разъеме, от провода на котором появляется масса при включении габаритов.

Все просто... для электрика. Лучше "сдаться" знакомому электрику или на СТО.

_________________
Управлял шесть лет японской мечтой - Toyota Vista Ardeo, теперь управляю немецкой мечтой - DAS AUTO.


Вернуться к началу
 Профиль  
Ответить на тему 

 Заголовок сообщения: Re: ДНЕВНЫЕ ХОДОВЫЕ ОГНИ (ДХО)!!!
СообщениеДобавлено: 16 апр 2011, 11:04 
Не в сети
Любитель
Любитель
Аватара пользователя

Зарегистрирован: 04 янв 2011, 14:17
Сообщения: 91
Тем: 3
Откуда: Барнаул
Машина: Toyota Vista Ardeo
О машине: ardeo sv55 4wd 3s-fe 2001
Репутация: 0
а реле должно 4ёх или 5ти контактное. И если не затруднит, какой провод на какой контакт (85,86,30 и т.д.). "Сдаваться" не хочу


Вернуться к началу
 Профиль Отправить email  
Ответить на тему 
 Заголовок сообщения: Re: ДНЕВНЫЕ ХОДОВЫЕ ОГНИ (ДХО)!!!
СообщениеДобавлено: 16 апр 2011, 16:38 
Не в сети
Профи
Профи
Аватара пользователя

Зарегистрирован: 30 сен 2008, 03:00
Сообщения: 554
Тем: 33
Откуда: Барнаул
Машина: Toyota Vista Ardeo
О машине: Vista Ardeo 03.2000, 1zz
Репутация: 367
Сделал все очень просто. Минус ходовых огней подключил к плюсу габаритов. Плюс ходовых огней через выключатель и предохранитель подцепил к плюсу прикуривателя (можно к любому другому проводу 12 вольт на котором появляется после включения зажигания.
Получается включил зажигание загорелись ходовые. Включил габариты ходовые автоматом погасли.
Выключатель можно не ставить, я поставил на всякий случай.

А совсем забыл. Огни купил китайские за 400р. и встроил в бампер. В комнате светили хорошо. Ставил на солнышке включил, а их практически не видно. Правда на солнце и включенный ближний свет не сильно заметен.

_________________
Vista Ardeo 03.2000
c TV-мультивижн
1ZZ-FE, 410000 км
На 245000 км замена колец ДВС
Shell 5w30


Вернуться к началу
 Профиль Отправить email  
Ответить на тему 
 Заголовок сообщения: Re: ДНЕВНЫЕ ХОДОВЫЕ ОГНИ (ДХО)!!!
СообщениеДобавлено: 17 апр 2011, 00:24 
Не в сети
Местный
Местный
Аватара пользователя

Зарегистрирован: 01 янв 2006, 04:00
Сообщения: 10044
Тем: 182
Откуда: ХМАО Роман
Машина: др. неЯпонка
О машине: Volkswagen Tiguan
Репутация: 710
vista 22 писал(а):
а реле должно 4ёх или 5ти контактное. И если не затруднит, какой провод на какой контакт (85,86,30 и т.д.). "Сдаваться" не хочу


пятиконтактное реле нужно цифры не помню но с помощью мультиметра все в миг вычисляется.

У нас и габариты и ближний свет работает через реле. Катушка реле с одной стороны находится постоянно под +12 вольт, а минус на нее подается когда включается в работу цепь через подрулевой переключатель. А вот контакты реле подают уже плюс на лампы в момент подтягивания реле, в то время как с другой стороны на лампы габаритов и ближнего света постоянно приходит минус.




Добавлено спустя 3 минуты 27 секунд:
alex45_45 писал(а):
Сделал все очень просто. Минус ходовых огней подключил к плюсу габаритов. Плюс ходовых огней через выключатель и предохранитель подцепил к плюсу прикуривателя (можно к любому другому проводу 12 вольт на котором появляется после включения зажигания.
Получается включил зажигание загорелись ходовые. Включил габариты ходовые автоматом погасли.
Выключатель можно не ставить, я поставил на всякий случай.

А совсем забыл. Огни купил китайские за 400р. и встроил в бампер. В комнате светили хорошо. Ставил на солнышке включил, а их практически не видно. Правда на солнце и включенный ближний свет не сильно заметен.



По твоей схеме у тебя вместе с ДХО должны гореть и габариты в полсилы, так как лампы ДХО включены в цепь с габаритами последовательно, причем только с той стороны с которой ты подключился в цепь. А что действительно с включением габаритов гаснет ДХО? Странно.... :(

ДХО то светодиодные или лампы накаливания там стоят?

_________________
Управлял шесть лет японской мечтой - Toyota Vista Ardeo, теперь управляю немецкой мечтой - DAS AUTO.


Вернуться к началу
 Профиль  
Ответить на тему 
 Заголовок сообщения: Re: ДНЕВНЫЕ ХОДОВЫЕ ОГНИ (ДХО)!!!
СообщениеДобавлено: 17 апр 2011, 11:30 
Не в сети
Любитель
Любитель
Аватара пользователя

Зарегистрирован: 04 янв 2011, 14:17
Сообщения: 91
Тем: 3
Откуда: Барнаул
Машина: Toyota Vista Ardeo
О машине: ardeo sv55 4wd 3s-fe 2001
Репутация: 0
Спасибо vromi за советы, сделал, все работает как надо :beer:


Вернуться к началу
 Профиль Отправить email  
Ответить на тему 
 Заголовок сообщения: Re: ДНЕВНЫЕ ХОДОВЫЕ ОГНИ (ДХО)!!!
СообщениеДобавлено: 17 апр 2011, 12:10 
Не в сети
Профи
Профи
Аватара пользователя

Зарегистрирован: 30 сен 2008, 03:00
Сообщения: 554
Тем: 33
Откуда: Барнаул
Машина: Toyota Vista Ardeo
О машине: Vista Ardeo 03.2000, 1zz
Репутация: 367
vromi писал(а):
vista 22 писал(а):
а реле должно 4ёх или 5ти контактное. И если не затруднит, какой провод на какой контакт (85,86,30 и т.д.). "Сдаваться" не хочу


пятиконтактное реле нужно цифры не помню но с помощью мультиметра все в миг вычисляется.

У нас и габариты и ближний свет работает через реле. Катушка реле с одной стороны находится постоянно под +12 вольт, а минус на нее подается когда включается в работу цепь через подрулевой переключатель. А вот контакты реле подают уже плюс на лампы в момент подтягивания реле, в то время как с другой стороны на лампы габаритов и ближнего света постоянно приходит минус.




Добавлено спустя 3 минуты 27 секунд:
alex45_45 писал(а):
Сделал все очень просто. Минус ходовых огней подключил к плюсу габаритов. Плюс ходовых огней через выключатель и предохранитель подцепил к плюсу прикуривателя (можно к любому другому проводу 12 вольт на котором появляется после включения зажигания.
Получается включил зажигание загорелись ходовые. Включил габариты ходовые автоматом погасли.
Выключатель можно не ставить, я поставил на всякий случай.

А совсем забыл. Огни купил китайские за 400р. и встроил в бампер. В комнате светили хорошо. Ставил на солнышке включил, а их практически не видно. Правда на солнце и включенный ближний свет не сильно заметен.



По твоей схеме у тебя вместе с ДХО должны гореть и габариты в полсилы, так как лампы ДХО включены в цепь с габаритами последовательно, причем только с той стороны с которой ты подключился в цепь. А что действительно с включением габаритов гаснет ДХО? Странно.... :(

ДХО то светодиодные или лампы накаливания там стоят?


В ДХО стоят диоды. А лампы габаритов вообще не горят хоть ток по ним и идет(попробуй лампочку подключить через сопротивление 300 ом к аккумулятору, что увидишь). В каждом ДХО стоят 2 цепочки по 4 светодиода с сопротивлением 300 ом.

_________________
Vista Ardeo 03.2000
c TV-мультивижн
1ZZ-FE, 410000 км
На 245000 км замена колец ДВС
Shell 5w30


Вернуться к началу
 Профиль Отправить email  
Ответить на тему 
СообщениеСообщение было удалено | удалил: pavanik_27 | 18 апр 2011, 08:32.
 Заголовок сообщения: Re: ДНЕВНЫЕ ХОДОВЫЕ ОГНИ (ДХО)!!!
СообщениеДобавлено: 17 апр 2011, 20:05 
Не в сети
Местный
Местный
Аватара пользователя

Зарегистрирован: 01 янв 2006, 04:00
Сообщения: 10044
Тем: 182
Откуда: ХМАО Роман
Машина: др. неЯпонка
О машине: Volkswagen Tiguan
Репутация: 710
vista 22 писал(а):
Спасибо vromi за советы, сделал, все работает как надо :beer:


рад что чем то помог :smile:

_________________
Управлял шесть лет японской мечтой - Toyota Vista Ardeo, теперь управляю немецкой мечтой - DAS AUTO.


Вернуться к началу
 Профиль  
Ответить на тему 
 Заголовок сообщения: Re: ДНЕВНЫЕ ХОДОВЫЕ ОГНИ (ДХО)!!!
СообщениеДобавлено: 18 апр 2011, 21:29 
Не в сети
местный модератор
Аватара пользователя

Зарегистрирован: 12 фев 2009, 04:00
Сообщения: 7539
Тем: 100
Откуда: Хабаровск
Блог: Посмотреть блог (6)
Машина: Toyota Vista Ardeo
О машине: серебристая с ресничками
Репутация: 1791
наткнулся на вот такой контроллер DRL (ДХО), стоит он 600-700руб
вот такие схемы подключения контроллера:
Изображение
Вложение:
Схема подключения контроллера DRL.jpg
Схема подключения контроллера DRL.jpg [ 43.29 КБ | Просмотров: 8462 ]

_________________
--------------------------------------------------
トヨタ ビスタアルデオ / VISTA ARDEO SV55G - BWSGK 4.2000, N200G, 3S-FE, 4WD, navi, ...
--------------------------------------------------


Вернуться к началу
 Профиль  
Ответить на тему 
 Заголовок сообщения: Re: ДНЕВНЫЕ ХОДОВЫЕ ОГНИ (ДХО)!!!
СообщениеДобавлено: 18 апр 2011, 22:22 
Не в сети
модератор
Аватара пользователя

Зарегистрирован: 27 окт 2008, 04:00
Сообщения: 12731
Тем: 15
Откуда: Вятка
Машина: др. Японка
О машине: Toyota Prius 51
Репутация: 2381
Интересная штука, надо попробовать.

_________________
Vista Ardeo 1999, SV50, D4, Мультик, TV...


Вернуться к началу
 Профиль Отправить email  
Ответить на тему 
 Заголовок сообщения: Re: ДНЕВНЫЕ ХОДОВЫЕ ОГНИ (ДХО)!!!
СообщениеДобавлено: 19 апр 2011, 07:30 
Не в сети
местный модератор
Аватара пользователя

Зарегистрирован: 12 фев 2009, 04:00
Сообщения: 7539
Тем: 100
Откуда: Хабаровск
Блог: Посмотреть блог (6)
Машина: Toyota Vista Ardeo
О машине: серебристая с ресничками
Репутация: 1791
походу там контроллер атмег стоит...вроде бы как распространенная щас штука у электронщиков.

_________________
--------------------------------------------------
トヨタ ビスタアルデオ / VISTA ARDEO SV55G - BWSGK 4.2000, N200G, 3S-FE, 4WD, navi, ...
--------------------------------------------------


Вернуться к началу
 Профиль  
Ответить на тему 
 Заголовок сообщения: Re: ДНЕВНЫЕ ХОДОВЫЕ ОГНИ (ДХО)!!!
СообщениеДобавлено: 19 апр 2011, 22:35 
Не в сети
Профи
Профи
Аватара пользователя

Зарегистрирован: 30 мар 2008, 04:00
Сообщения: 565
Тем: 7
Откуда: Копейск
Машина: Toyota Vista Ardeo
О машине: SV-50 3S-FSE WHITE 1998
Репутация: 219
Описание логики работы схемы есть? Не пойму, почему выключатель ДХО подключен именно так?


Вернуться к началу
 Профиль  
Ответить на тему 
 Заголовок сообщения: Re: ДНЕВНЫЕ ХОДОВЫЕ ОГНИ (ДХО)!!!
СообщениеДобавлено: 20 апр 2011, 07:41 
Не в сети
Любитель
Любитель
Аватара пользователя

Зарегистрирован: 01 фев 2011, 20:39
Сообщения: 77
Тем: 4
Откуда: 25-rus Дальнегорск
Машина: Toyota Vista Ardeo
О машине: ZZV50, 1ZZ, 1998г., пробег 223000
Репутация: 230
полистал эту тему и решил сделать согласно своей ленивости.
У меня двигатель 1ZZ-FE, кузов ZZV50, 1998 года.
Задался целью найти точку подключения для ходовых огней под капотом чтобы не утруждать себя протягивать провод до замка зажигания. Самым привлекательным местом оказался блок реле в моторном отсеке. Вдобавок, рядом с ним находится жгут проводов включения лампы ближнего света фары.
По схеме (моё мнение) самое безопасное подключение нашлось в систему зажигания к контакту №3 реле IG2 в монтажном блоке в моторном отсеке.

Добавлено спустя 3 минуты 37 секунд:
продолжение:
Схема подключения достаточно проста. От контакта реле через предохранитель 0,5 – 1 А при включении замка зажигания (только когда табло приборной панели светится), напряжение 12v поступает на ДХО. При включении ламп ближнего света, дополнительное реле своими нормальнозамкнутыми контактами разрывает цепь ДХО реализуя требование к режиму работы ДХО. Дополнительное реле можно использовать любое 12v с нормальнозамкнутыми контактами потому как ток на светодиодах обычно не превышает 0,5 А.

Добавлено спустя 1 минуту 50 секунд:
Если планируется использовать более значительную нагрузку, тогда необходимо будет использовать ещё одно реле, которое будет своими контактами коммутировать любую предполагаемую нагрузку. В данном случае предохранитель, провод и характеристики реле зависит от коммутируемой нагрузки (можно включать лампы дополнительных фонарей).

Добавлено спустя 1 минуту 29 секунд:
продолжение

Добавлено спустя 1 минуту 13 секунд:
продолжение

Добавлено спустя 2 часа 29 минут 52 секунды:
alex45_45 писал(а):
Сделал все очень просто. Минус ходовых огней подключил к плюсу габаритов. Плюс ходовых огней через выключатель и предохранитель подцепил к плюсу прикуривателя (можно к любому другому проводу 12 вольт на котором появляется после включения зажигания.
Получается включил зажигание загорелись ходовые. Включил габариты ходовые автоматом погасли.

Идея гениальная!!! :good: :good: :good: Я себе также сделаю :beer:
Только проверю чтобы по схеме при включении фары на лампочку + подавался, а не земля замыкалась. И еще, минус ходовых нужно подключить к плюсу ближнего света иначе получится включишь габариты, а фары и ДХО не горят, только габариты светятся (за такое накажут). Сопротивление лампочек для светодиодов не помеха и они будут светить пока на лампах + отсутствует. При такой схеме необходимость в реле отпадает.
При включении дальнего света, фары ближнего также светятся.
Один недостаток всетаки имеется. Если перегорит лампа, ДХО тоже не будут светить.


Вложения:
P1170346.JPG
P1170346.JPG [ 106.23 КБ | Просмотров: 8427 ]
Схема ДХО.jpg
Схема ДХО.jpg [ 6.98 КБ | Просмотров: 8427 ]
Комментарий к файлу: Если планируется использовать более значительную нагрузку, тогда необходимо будет использовать ещё одно реле, которое будет своими контактами коммутировать любую предполагаемую нагрузку. В данном случае предохранитель, провод и характеристики реле зависит от коммутируемой нагрузки (можно включать лампы дополнительных фонарей).
ДХО 2.jpg
ДХО 2.jpg [ 9.71 КБ | Просмотров: 8427 ]
ДХО 2.jpg
ДХО 2.jpg [ 9.71 КБ | Просмотров: 8427 ]
Комментарий к файлу: Блок реле под капотом. Красным цветом выделена реле IG2.
P1170347.JPG
P1170347.JPG [ 34.12 КБ | Просмотров: 8427 ]
Комментарий к файлу: На этом контакте реле появляется напряжение при включении замка зажигания.
Я решил сильно не мудрить с методом подключения, а просто распушил жилы провода и вставил их в щель а сверху вставил на своё место реле. Контакт получился очень надежным.

P1170351.JPG
P1170351.JPG [ 36.66 КБ | Просмотров: 8427 ]
ДХО 3.JPG
ДХО 3.JPG [ 22.85 КБ | Просмотров: 8417 ]

_________________
Детство - это когда кот старше тебя.

Изображение
Вернуться к началу
 Профиль Отправить email  
Ответить на тему 
 Заголовок сообщения: Re: ДНЕВНЫЕ ХОДОВЫЕ ОГНИ (ДХО)!!!
СообщениеДобавлено: 20 апр 2011, 14:12 
Не в сети
Специалист
Специалист
Аватара пользователя

Зарегистрирован: 21 май 2008, 03:00
Сообщения: 441
Тем: 5
Откуда: Новосибирск
Репутация: 0
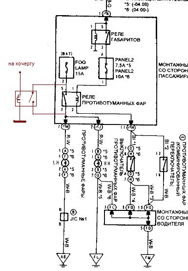
Драсте всем. Давненько я сюда не захаживал...
Честно говоря, лень перечитывать всю ветку, решил тоже озадачиться данной проблемой.
Мне кажится оптимальным вариант использования в качестве ДХО противотуманные фары.
НО! Штатное включение меня не устраивает по двум причинам:
1. Тупо забываешь их включать;
2. Вместе с ПТФ включаются габариты и подсветка панели.
В этой связи думаю сделать так, чтоб ПТФ включались при включении селектора передач АКПП в положение "D". Ну и соотвественно выключались при любых других положениях.
Технически реализовать думаю так. Паралленьно силовым контактам штатного реле ПТФ воткнуть еще одно аналогичное. Ну и соотвественно тупо с селектора брать управляющее напряжение.
Дополнительно можно сделать кнопку чтоб отключать это всё дело.
Кто что думает по этому поводу?


Вложения:
Комментарий к файлу: Ну примерно вот так.
dho.JPG
dho.JPG [ 39.61 КБ | Просмотров: 8404 ]
Вернуться к началу
 Профиль  
Ответить на тему 
 Заголовок сообщения: Re: ДНЕВНЫЕ ХОДОВЫЕ ОГНИ (ДХО)!!!
СообщениеДобавлено: 20 апр 2011, 17:37 
Не в сети
Любитель
Любитель
Аватара пользователя

Зарегистрирован: 01 фев 2011, 20:39
Сообщения: 77
Тем: 4
Откуда: 25-rus Дальнегорск
Машина: Toyota Vista Ardeo
О машине: ZZV50, 1ZZ, 1998г., пробег 223000
Репутация: 230
Gavrilych писал(а):
1. Тупо забываешь их включать;
2. Вместе с ПТФ включаются габариты и подсветка панели.
В этой связи думаю сделать так, чтоб ПТФ включались при включении селектора передач АКПП в положение "D". Ну и соотвественно выключались при любых других положениях.
Технически реализовать думаю так. Паралленьно силовым контактам штатного реле ПТФ воткнуть еще одно аналогичное. Ну и соотвественно тупо с селектора брать управляющее напряжение.
Дополнительно можно сделать кнопку чтоб отключать это всё дело.
Кто что думает по этому поводу?
Тоесть, это вынуждает тянуть провод в салон из под капота. Лично меня этот вариант изначально не устраивал.

_________________
Детство - это когда кот старше тебя.

Изображение


Вернуться к началу
 Профиль Отправить email  
Ответить на тему 

Показать сообщения за:  Поле сортировки  
Начать новую тему Ответить на тему

 [ Сообщений: 577 ]  На страницу Пред.  1 ... 13, 14, 15, 16, 17, 18, 19 ... 39  След.





* Поиск по сайту Вверх Вниз

Кто сейчас на конференции

Сейчас этот форум просматривают: нет зарегистрированных пользователей и гости: 17


Вы не можете начинать темы
Вы не можете отвечать на сообщения
Вы не можете редактировать свои сообщения
Вы не можете удалять свои сообщения
Вы не можете добавлять вложения

Найти:
Перейти:  
Текущее время: 14 май 2026, 17:18
Часовой пояс: UTC + 7 часов
Powered by phpbb. (c) VistaClub.ru.    * Статистика