* Поиск по сайту Вверх Вниз



Начать новую тему Ответить на тему  [ Сообщений: 577 ]  На страницу Пред.  1 ... 17, 18, 19, 20, 21, 22, 23 ... 39  След.
Автор Сообщение
 Заголовок сообщения: Re: ДНЕВНЫЕ ХОДОВЫЕ ОГНИ (ДХО)!!!
СообщениеДобавлено: 13 июн 2011, 16:04 
Не в сети
Профи
Профи
Аватара пользователя

Зарегистрирован: 01 май 2008, 03:00
Сообщения: 757
Тем: 77
Откуда: РОССИЯ, Воронеж.
Машина: Toyota Vista
О машине: ZZV-50, 1ZZ, 1999г.
Репутация: 467
Рекламные ссылки. Показывается только незарегистрированным пользователям


LLIPEK007 писал(а):
Вот такие вот один в один у нас в магазе 3000р стоят. у меня аж глаза на полку там упали.

Так закажи на http://avtogsm.ru/ , проверенный магазин, можно и предоплату делать чтоб вышла пересылка дешевле, я у них раньше и ксенон заказывал, все по чесноку.
У нас в магазине ходовые огни Sho-me DRL 501 то-же по дороже, по 2380р.


Вернуться к началу
 Профиль Отправить email  
Ответить на тему 

 Заголовок сообщения: Re: ДНЕВНЫЕ ХОДОВЫЕ ОГНИ (ДХО)!!!
СообщениеДобавлено: 13 июн 2011, 17:15 
Не в сети
Специалист
Специалист
Аватара пользователя

Зарегистрирован: 08 июн 2010, 03:00
Сообщения: 460
Тем: 16
Откуда: Краснотурьинск, Свердловская обл
Машина: Toyota Vista
О машине: 1zz SV50
Репутация: 21
jannoss писал(а):
LLIPEK007 писал(а):
Вот такие вот один в один у нас в магазе 3000р стоят. у меня аж глаза на полку там упали.

Так закажи на http://avtogsm.ru/ , проверенный магазин, можно и предоплату делать чтоб вышла пересылка дешевле, я у них раньше и ксенон заказывал, все по чесноку.
У нас в магазине ходовые огни Sho-me DRL 501 то-же по дороже, по 2380р.

Всё в финансы упирается, я ж студент :D . Хочется, но чуть позже, наверное к концу лета.

_________________
Toyota Vista. 1zz. 50 кузов.
Ваз 2106 88 года :D


Вернуться к началу
 Профиль  
Ответить на тему 
 Заголовок сообщения: Re: ДНЕВНЫЕ ХОДОВЫЕ ОГНИ (ДХО)!!!
СообщениеДобавлено: 14 июн 2011, 07:09 
Не в сети
Любитель
Любитель
Аватара пользователя

Зарегистрирован: 01 фев 2011, 20:39
Сообщения: 77
Тем: 4
Откуда: 25-rus Дальнегорск
Машина: Toyota Vista Ardeo
О машине: ZZV50, 1ZZ, 1998г., пробег 223000
Репутация: 230
Вот вы любители денег потратить, а я жмот.

В апреле я описывал с картинками как подключал по схеме без реле. Нынче задумываюсь установить реле чтобы реализовать условие при котором ДХО будут гаснуть с задержкой (Нужно будет добавить диод и конденсатор который будет разряжаться через светодиоды).
ДХО - 600 руб. С креплением в комплекте. На липучке еще дешевле
предохранитель - 10 руб (стеклянный, 5А)
Корпус предохранителя - за спасибо у соседа по гаражу.
провод 2 метра - 40 руб. (заменил на ДХО китайский, уж очень ненадежно тонким он мне показался)
Светодиоды 3 шт. - 60 руб. (несколько штук перестали гореть в течении недели, остальные светят без замечаний)
Итого 710 руб. за всё удовольствие.


Вложения:
IMAG 0115.jpg
IMAG 0115.jpg [ 21.57 КБ | Просмотров: 1886 ]

_________________
Детство - это когда кот старше тебя.

Изображение
Вернуться к началу
 Профиль Отправить email  
Ответить на тему 
 Заголовок сообщения: Re: ДНЕВНЫЕ ХОДОВЫЕ ОГНИ (ДХО)!!!
СообщениеДобавлено: 14 июн 2011, 13:50 
Не в сети
Местный
Местный
Аватара пользователя

Зарегистрирован: 01 янв 2006, 04:00
Сообщения: 10044
Тем: 182
Откуда: ХМАО Роман
Машина: др. неЯпонка
О машине: Volkswagen Tiguan
Репутация: 710
во а какой я жмот... :-) не стал ничего покупать вообще и сделал так что бы в роли ДХО выступали штатные фары... :-)

_________________
Управлял шесть лет японской мечтой - Toyota Vista Ardeo, теперь управляю немецкой мечтой - DAS AUTO.


Вернуться к началу
 Профиль  
Ответить на тему 
 Заголовок сообщения: Re: ДНЕВНЫЕ ХОДОВЫЕ ОГНИ (ДХО)!!!
СообщениеДобавлено: 14 июн 2011, 20:07 
Не в сети
местный модератор
Аватара пользователя

Зарегистрирован: 12 фев 2009, 04:00
Сообщения: 7539
Тем: 100
Откуда: Хабаровск
Блог: Посмотреть блог (6)
Машина: Toyota Vista Ardeo
О машине: серебристая с ресничками
Репутация: 1791
хмм...я самый жмот чтоли?))) поленился даже реле ставить, ручками каждый раз включаю ПТФ))....и нет вроде проблем.

PS: жалко лампочки в них, но как сгорит одна из них, заменю на диодные лед, навалом щас продают.

_________________
--------------------------------------------------
トヨタ ビスタアルデオ / VISTA ARDEO SV55G - BWSGK 4.2000, N200G, 3S-FE, 4WD, navi, ...
--------------------------------------------------


Вернуться к началу
 Профиль  
Ответить на тему 
 Заголовок сообщения: Re: ДНЕВНЫЕ ХОДОВЫЕ ОГНИ (ДХО)!!!
СообщениеДобавлено: 14 июн 2011, 20:11 
Не в сети
модератор
Аватара пользователя

Зарегистрирован: 27 окт 2008, 04:00
Сообщения: 12731
Тем: 15
Откуда: Вятка
Машина: др. Японка
О машине: Toyota Prius 51
Репутация: 2381
pavanik_27 писал(а):
хмм...я самый жмот чтоли?))) поленился даже реле ставить, ручками каждый раз включаю ПТФ))....и нет вроде проблем.

PS: жалко лампочки в них, но как сгорит одна из них, заменю на диодные лед, навалом щас продают.
А я их как включил месяца три назад, так и не выключаю :mrgreen:

_________________
Vista Ardeo 1999, SV50, D4, Мультик, TV...


Вернуться к началу
 Профиль Отправить email  
Ответить на тему 
 Заголовок сообщения: Re: ДНЕВНЫЕ ХОДОВЫЕ ОГНИ (ДХО)!!!
СообщениеДобавлено: 15 июн 2011, 09:23 
Не в сети
Специалист
Специалист
Аватара пользователя

Зарегистрирован: 15 дек 2010, 22:16
Сообщения: 170
Тем: 4
Откуда: челябинская обл. г. Касли
Машина: Toyota Vista Ardeo
О машине: 1999 zzv50g-bwsmk 1zz-fe
Репутация: 11
одни жмоты собрались :D :mrgreen: :lol:


Вернуться к началу
 Профиль Отправить email  
Ответить на тему 
 Заголовок сообщения: Re: ДНЕВНЫЕ ХОДОВЫЕ ОГНИ (ДХО)!!!
СообщениеДобавлено: 15 июн 2011, 09:33 
Не в сети
бывалый
Аватара пользователя

Зарегистрирован: 29 апр 2009, 03:00
Сообщения: 2345
Тем: 32
Откуда: Новосибирск
Блог: Посмотреть блог (18)
Машина: Toyota Vista
О машине: 1ZZ-FE, ZZV50, 99г, без тахо и тв
Репутация: 732
хватит уже не по теме :threat: ...

_________________
Была :Toyota Vista ZZV50 99г. без тахо (капиталка собственноручно)
Сейчас: Mitsubishi Outlander CW5W, 05г., 2.4, CVT, MMCS, Rockford


Вернуться к началу
 Профиль  
Ответить на тему 
 Заголовок сообщения: Нужна помощь по электросхеме.
СообщениеДобавлено: 23 июн 2011, 03:38 
Не в сети
Профи
Профи
Аватара пользователя

Зарегистрирован: 01 май 2008, 03:00
Сообщения: 757
Тем: 77
Откуда: РОССИЯ, Воронеж.
Машина: Toyota Vista
О машине: ZZV-50, 1ZZ, 1999г.
Репутация: 467
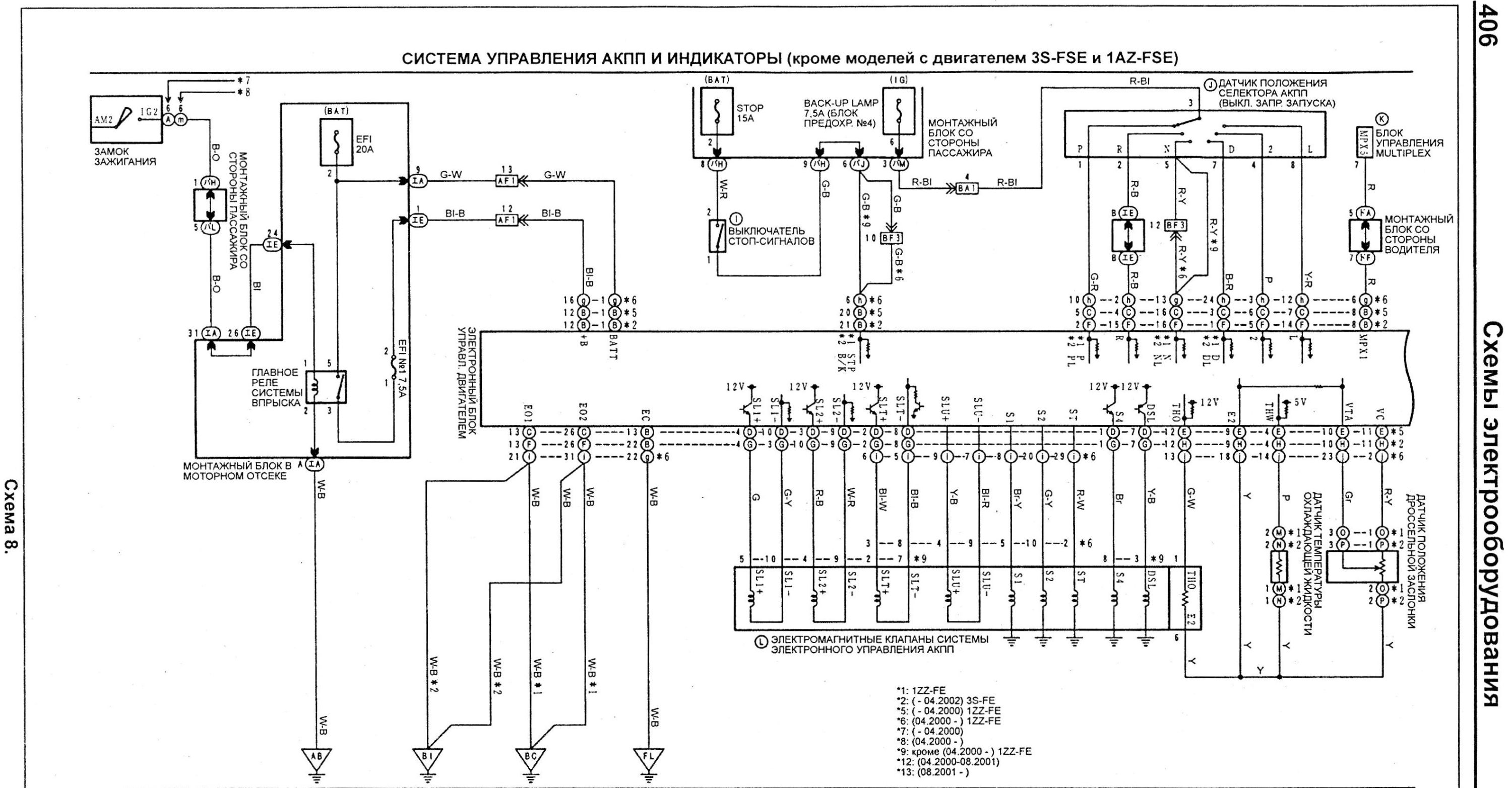
Нужна помощь электриков, электронщиков.
1). Можно подключить реле для ДХО как на первой схеме, не опасно это для мозгов? Там подходит плюс 12V и переключателем распределяется по P,R,N,D и т.д.
Раньше пробывал подключать реле к лампочке "Р", но при включении габаритов там падает напряжение и реле трещит, а на АКП напруга всегда 12V и припаять там проще.
2). Если сделать по второй схеме, то не будут ли конфликтовать "Парковка" и "Габариты", и какие можно поставить диоды, желательно точное название.


Вложения:
00001.jpg
00001.jpg [ 209.09 КБ | Просмотров: 1846 ]
00002.jpg
00002.jpg [ 91.36 КБ | Просмотров: 1842 ]
00003.jpg
00003.jpg [ 489.34 КБ | Просмотров: 1842 ]
Вернуться к началу
 Профиль Отправить email  
Ответить на тему 
 Заголовок сообщения: Re: Нужна помощь по электросхеме.
СообщениеДобавлено: 23 июн 2011, 09:53 
Не в сети
бывалый
Аватара пользователя

Зарегистрирован: 29 апр 2009, 03:00
Сообщения: 2345
Тем: 32
Откуда: Новосибирск
Блог: Посмотреть блог (18)
Машина: Toyota Vista
О машине: 1ZZ-FE, ZZV50, 99г, без тахо и тв
Репутация: 732
тема про подключение ДХО здесь!...

_________________
Была :Toyota Vista ZZV50 99г. без тахо (капиталка собственноручно)
Сейчас: Mitsubishi Outlander CW5W, 05г., 2.4, CVT, MMCS, Rockford


Вернуться к началу
 Профиль  
Ответить на тему 
 Заголовок сообщения: Re: Нужна помощь по электросхеме.
СообщениеДобавлено: 23 июн 2011, 12:17 
Не в сети
Профи
Профи
Аватара пользователя

Зарегистрирован: 01 май 2008, 03:00
Сообщения: 757
Тем: 77
Откуда: РОССИЯ, Воронеж.
Машина: Toyota Vista
О машине: ZZV-50, 1ZZ, 1999г.
Репутация: 467
MadLord писал(а):
тема про подключение ДХО здесь!...

Ну помог, ты думаещь я не заметил раздутую тему.
Мне нужна помощь электриков, электронщиков.


Вернуться к началу
 Профиль Отправить email  
Ответить на тему 
 Заголовок сообщения: Re: Нужна помощь по электросхеме.
СообщениеДобавлено: 23 июн 2011, 13:12 
Не в сети
модератор
Аватара пользователя

Зарегистрирован: 05 май 2009, 03:00
Сообщения: 6759
Тем: 72
Откуда: Ставрополье
Блог: Посмотреть блог (7)
Машина: Toyota Vista
О машине: седан SV50, 3S-FSE, U240E, 98г.
Репутация: 1473
вобщето реле надо ставить в разрез цепи, т.е. рвёшь цепь питания Р и туда ставишь реле. при прохождении тока через реле оно будет срабатывать.
по второй схеме ваще не понятно... получается что при появлении + со стороны габаритов или парковки тот + что идёт от бензонасоса будет разрываться! укажи источник этих схем

_________________
Случайности не случайны...


Вернуться к началу
 Профиль  
Ответить на тему 
 Заголовок сообщения: Re: Нужна помощь по электросхеме.
СообщениеДобавлено: 23 июн 2011, 13:25 
Не в сети
Профи
Профи
Аватара пользователя

Зарегистрирован: 01 май 2008, 03:00
Сообщения: 757
Тем: 77
Откуда: РОССИЯ, Воронеж.
Машина: Toyota Vista
О машине: ZZV-50, 1ZZ, 1999г.
Репутация: 467
uraStav писал(а):
вобщето реле надо ставить в разрез цепи, т.е. рвёшь цепь питания Р и туда ставишь реле. при прохождении тока через реле оно будет срабатывать.
по второй схеме ваще не понятно... получается что при появлении + со стороны габаритов или парковки тот + что идёт от бензонасоса будет разрываться! укажи источник этих схем

Так и нужно сделать чтоб ДХО выключались при включении Габаритов и "Р", а Плюс от насоса - чтоб при включении зажигания сразу не загорались ДХО, только после завода двигателя и переключения с "Р".


Вернуться к началу
 Профиль Отправить email  
Ответить на тему 
 Заголовок сообщения: Re: Нужна помощь по электросхеме.
СообщениеДобавлено: 23 июн 2011, 13:38 
Не в сети
модератор
Аватара пользователя

Зарегистрирован: 05 май 2009, 03:00
Сообщения: 6759
Тем: 72
Откуда: Ставрополье
Блог: Посмотреть блог (7)
Машина: Toyota Vista
О машине: седан SV50, 3S-FSE, U240E, 98г.
Репутация: 1473
jannoss писал(а):
Так и нужно сделать чтоб ДХО выключались при включении Габаритов и "Р", а Плюс от насоса - чтоб при включении зажигания сразу не загорались ДХО, только после завода двигателя и переключения с "Р".

ну не делается так! сам пойми, если + будет от бензонасоса идти на дхо, то ток потечёт по пути наименьшего сопротивления! будет или бензонасос или дхо работать... а если в разрыв цепи бензонасоса ставить, то ваще насос выключится при появлении + со стороны габаритов\парковки...бери тогда + от акб для подключения к силовым выводам реле: с одной стороны акб, с другой дхо, а обмотку реле включай в разрез цепи бензонасоса. если надо выкл. дхо при постановке на Р и вкл. габаритов, то елочкой ставишь ещё релюху... а эти схемы както не правильные

_________________
Случайности не случайны...


Вернуться к началу
 Профиль  
Ответить на тему 
 Заголовок сообщения: Re: Нужна помощь по электросхеме.
СообщениеДобавлено: 23 июн 2011, 13:54 
Не в сети
Профи
Профи
Аватара пользователя

Зарегистрирован: 01 май 2008, 03:00
Сообщения: 757
Тем: 77
Откуда: РОССИЯ, Воронеж.
Машина: Toyota Vista
О машине: ZZV-50, 1ZZ, 1999г.
Репутация: 467
uraStav писал(а):
jannoss писал(а):
Так и нужно сделать чтоб ДХО выключались при включении Габаритов и "Р", а Плюс от насоса - чтоб при включении зажигания сразу не загорались ДХО, только после завода двигателя и переключения с "Р".

ну не делается так! сам пойми, если + будет от бензонасоса идти на дхо, то ток потечёт по пути наименьшего сопротивления! будет или бензонасос или дхо работать...

Да ДХО прекрасно работает от насоса, только хочу добавить чтоб от "Р" еще отключались


Вернуться к началу
 Профиль Отправить email  
Ответить на тему 

Показать сообщения за:  Поле сортировки  
Начать новую тему Ответить на тему

 [ Сообщений: 577 ]  На страницу Пред.  1 ... 17, 18, 19, 20, 21, 22, 23 ... 39  След.





* Поиск по сайту Вверх Вниз

Кто сейчас на конференции

Сейчас этот форум просматривают: нет зарегистрированных пользователей и гости: 6


Вы не можете начинать темы
Вы не можете отвечать на сообщения
Вы не можете редактировать свои сообщения
Вы не можете удалять свои сообщения
Вы не можете добавлять вложения

Найти:
Перейти:  
Текущее время: 14 май 2026, 16:04
Часовой пояс: UTC + 7 часов
Powered by phpbb. (c) VistaClub.ru.    * Статистика