* Поиск по сайту Вверх Вниз



Начать новую тему Ответить на тему  [ Сообщений: 41 ]  На страницу Пред.  1, 2, 3
Автор Сообщение
 Заголовок сообщения: Re: УСТАНОВКА ОБОГРЕВА ЗЕРКАЛ
СообщениеДобавлено: 25 окт 2014, 17:30 
Не в сети
Специалист
Специалист

Зарегистрирован: 17 мар 2014, 20:21
Сообщения: 134
Тем: 14
Машина: Toyota Vista
Репутация: 357
Рекламные ссылки. Показывается только незарегистрированным пользователям


Я тоже позавчера установил нагревательные элементы на зеркала! Вывел отдельную красивую кнопку! Доволен результатом! Ничего не переделывал, зеркало защелкнулось как надо! За минуту отогревает зеркала! ГЭН от 2109)))400 рублей пара))


Вернуться к началу
 Профиль  
Ответить на тему 

 Заголовок сообщения: Re: УСТАНОВКА ОБОГРЕВА ЗЕРКАЛ
СообщениеДобавлено: 15 янв 2017, 16:19 
Не в сети
Любитель
Любитель
Аватара пользователя

Зарегистрирован: 25 июн 2010, 03:00
Сообщения: 67
Тем: 15
Откуда: Владимир
Машина: Toyota Vista Ardeo
О машине: 1zzfe
Репутация: 247
ребята , подскажите где искать провод обогрева заднего стекла в районе водительского порога ? писали черный - но я проверял все черные провода - ни один при включении кнопки не дает +12В , в каком жгуте его искать ?


Вложения:
Sight_2017_01_14_180846_427.jpg
Sight_2017_01_14_180846_427.jpg [ 483.04 КБ | Просмотров: 1349 ]
Вернуться к началу
 Профиль  
Ответить на тему 
 Заголовок сообщения: Re: УСТАНОВКА ОБОГРЕВА ЗЕРКАЛ
СообщениеДобавлено: 15 янв 2017, 19:28 
Не в сети
Профи
Профи
Аватара пользователя

Зарегистрирован: 30 сен 2008, 03:00
Сообщения: 554
Тем: 33
Откуда: Барнаул
Машина: Toyota Vista Ardeo
О машине: Vista Ardeo 03.2000, 1zz
Репутация: 367
по моему в районе пассажирского порога

_________________
Vista Ardeo 03.2000
c TV-мультивижн
1ZZ-FE, 410000 км
На 245000 км замена колец ДВС
Shell 5w30


Вернуться к началу
 Профиль Отправить email  
Ответить на тему 
 Заголовок сообщения: Re: Не работает обогрев заднего стекла !!!
СообщениеДобавлено: 16 янв 2017, 01:26 
Не в сети
Любитель
Любитель
Аватара пользователя

Зарегистрирован: 25 июн 2010, 03:00
Сообщения: 67
Тем: 15
Откуда: Владимир
Машина: Toyota Vista Ardeo
О машине: 1zzfe
Репутация: 247
вот . я в жгуте черный провод прозвонил - не он , еще посмотрел какого цвета идет на стекле самом ( оранжевый ) - оранжевый в жгуте тоже не дает результата . есть черный еще оченнь толстый - но это я так думаю же идет антенный . Кто знает к какому цеплять то ?


Вернуться к началу
 Профиль  
Ответить на тему 
СообщениеСообщение было удалено | удалил: Vyatich | 18 янв 2017, 03:36.
Причина: неактуально
 Заголовок сообщения: Re: Не работает обогрев заднего стекла !!!
СообщениеДобавлено: 16 янв 2017, 02:33 
Не в сети
Любитель
Любитель
Аватара пользователя

Зарегистрирован: 25 июн 2010, 03:00
Сообщения: 67
Тем: 15
Откуда: Владимир
Машина: Toyota Vista Ardeo
О машине: 1zzfe
Репутация: 247
непонятно к какому проводу цеплять провода обогрева зеркал ....


Вернуться к началу
 Профиль  
Ответить на тему 
 Заголовок сообщения: Re: Не работает обогрев заднего стекла !!!
СообщениеДобавлено: 16 янв 2017, 10:36 
Не в сети
Профи
Профи
Аватара пользователя

Зарегистрирован: 04 сен 2011, 15:49
Сообщения: 650
Тем: 3
Машина: Toyota Vista Ardeo
О машине: SV-50 3S-не D-4
Репутация: 570
А на нити подогрева стекла , питание после включения идёт? Я бы сделать так, вместо нагревателя повесил контрольную лампочку , включил нагреватель и начал по одному отключать разьемы, которые идут на задний жгут. Как только лампочка погаснет, в том разьеме и надо искать этот провод. Жгут может идти как по левому так и правому борту.


Вернуться к началу
 Профиль  
Ответить на тему 
 Заголовок сообщения: Re: Не работает обогрев заднего стекла !!!
СообщениеДобавлено: 16 янв 2017, 12:43 
Не в сети
модератор
Аватара пользователя

Зарегистрирован: 27 окт 2008, 04:00
Сообщения: 12700
Тем: 15
Откуда: Вятка
Машина: др. Японка
О машине: Toyota Prius 51
Репутация: 2380
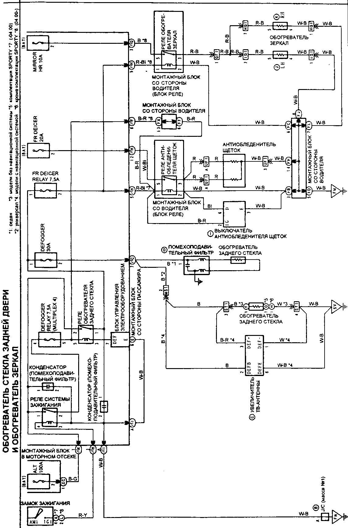
Joi2 писал(а):
непонятно к какому проводу цеплять провода обогрева зеркал ....
Так лучше ставить доп реле с управлением от реле обогрева стекла, согласно схемы.


Вложения:
обогрев.jpg
обогрев.jpg [ 296.26 КБ | Просмотров: 1343 ]

_________________
Vista Ardeo 1999, SV50, D4, Мультик, TV...
Вернуться к началу
 Профиль Отправить email  
Ответить на тему 
 Заголовок сообщения: Re: Не работает обогрев заднего стекла !!!
СообщениеДобавлено: 18 янв 2017, 02:28 
Не в сети
Любитель
Любитель
Аватара пользователя

Зарегистрирован: 25 июн 2010, 03:00
Сообщения: 67
Тем: 15
Откуда: Владимир
Машина: Toyota Vista Ardeo
О машине: 1zzfe
Репутация: 247
нити то работают , тестером проверял , проверить отключением проводов - как если толстый жгут дальше уходит куда то за панель предохранителей . тут просто некоторые писали что нужно к проводу идущему на обогрев подцепиться и все . вопрос какой он по цвету , и где проходит ?

Добавлено спустя 1 минуту 51 секунду:
реле дополнительное ставить , это сложновато для меня . да и как до релюхи обогрева добраться если оно стоит за предохранителями ? а эту всю площадку проблематично снять ....


Вернуться к началу
 Профиль  
Ответить на тему 
 Заголовок сообщения: Re: Не работает обогрев заднего стекла !!!
СообщениеДобавлено: 18 янв 2017, 03:23 
Не в сети
модератор
Аватара пользователя

Зарегистрирован: 27 окт 2008, 04:00
Сообщения: 12700
Тем: 15
Откуда: Вятка
Машина: др. Японка
О машине: Toyota Prius 51
Репутация: 2380
Если допреле поставить проблема, то вставьте провод совместно с предохранителем DEFOGER. На всякий случай в блоке со стороны водителя посмотрите наличие контактов в гнезде реле обогрева зеркал или обогрева щеток. Если они есть проверьте питание и запитайтесь через это реле. А так провод должен быть в жгуте со стороны пассажира, как прозваниваете провода?

_________________
Vista Ardeo 1999, SV50, D4, Мультик, TV...


Вернуться к началу
 Профиль Отправить email  
Ответить на тему 
 Заголовок сообщения: Re: УСТАНОВКА ОБОГРЕВА ЗЕРКАЛ
СообщениеДобавлено: 19 янв 2017, 00:36 
Не в сети
Любитель
Любитель
Аватара пользователя

Зарегистрирован: 25 июн 2010, 03:00
Сообщения: 67
Тем: 15
Откуда: Владимир
Машина: Toyota Vista Ardeo
О машине: 1zzfe
Репутация: 247
Спасибо , попробую так , а прозваниваю - немножко снимаю изоляцию с провода для иглы мультиметра и смоьрю напряжение


Вернуться к началу
 Профиль  
Ответить на тему 

Показать сообщения за:  Поле сортировки  
Начать новую тему Ответить на тему

 [ Сообщений: 41 ]  На страницу Пред.  1, 2, 3





* Поиск по сайту Вверх Вниз

Кто сейчас на конференции

Сейчас этот форум просматривают: нет зарегистрированных пользователей и гости: 0


Вы не можете начинать темы
Вы не можете отвечать на сообщения
Вы не можете редактировать свои сообщения
Вы не можете удалять свои сообщения
Вы не можете добавлять вложения

Найти:
Перейти:  
cron
Текущее время: 02 янв 2026, 03:06
Часовой пояс: UTC + 7 часов
Powered by phpbb. (c) VistaClub.ru.    * Статистика