* Поиск по сайту Вверх Вниз



Начать новую тему Ответить на тему  [ Сообщений: 577 ]  На страницу Пред.  1 ... 22, 23, 24, 25, 26, 27, 28 ... 39  След.
Автор Сообщение
 Заголовок сообщения: Re: ДНЕВНЫЕ ХОДОВЫЕ ОГНИ (ДХО)!!!
СообщениеДобавлено: 25 сен 2011, 10:59 
Не в сети
модератор
Аватара пользователя

Зарегистрирован: 27 окт 2008, 04:00
Сообщения: 12731
Тем: 15
Откуда: Вятка
Машина: др. Японка
О машине: Toyota Prius 51
Репутация: 2381
Рекламные ссылки. Показывается только незарегистрированным пользователям


Andre1ch писал(а):
.... напряжение на реле бензонасоса появляется в то время когда двигатель заводится или уже завелся?
Когда заводится.

_________________
Vista Ardeo 1999, SV50, D4, Мультик, TV...


Вернуться к началу
 Профиль Отправить email  
Ответить на тему 

СообщениеСообщение было удалено | удалил: Vyatich | 25 сен 2011, 12:14.
Причина: неактуально
СообщениеСообщение было удалено | удалил: vromi | 26 сен 2011, 19:51.
 Заголовок сообщения: Re: ДНЕВНЫЕ ХОДОВЫЕ ОГНИ (ДХО)!!!
СообщениеДобавлено: 25 сен 2011, 15:37 
Не в сети
Любитель
Любитель

Зарегистрирован: 02 дек 2010, 11:09
Сообщения: 76
Тем: 8
Откуда: Дальнегорск
Машина: Toyota Vista Ardeo
О машине: SV55G 1999 3S-FE 4WD Multivision
Репутация: 31
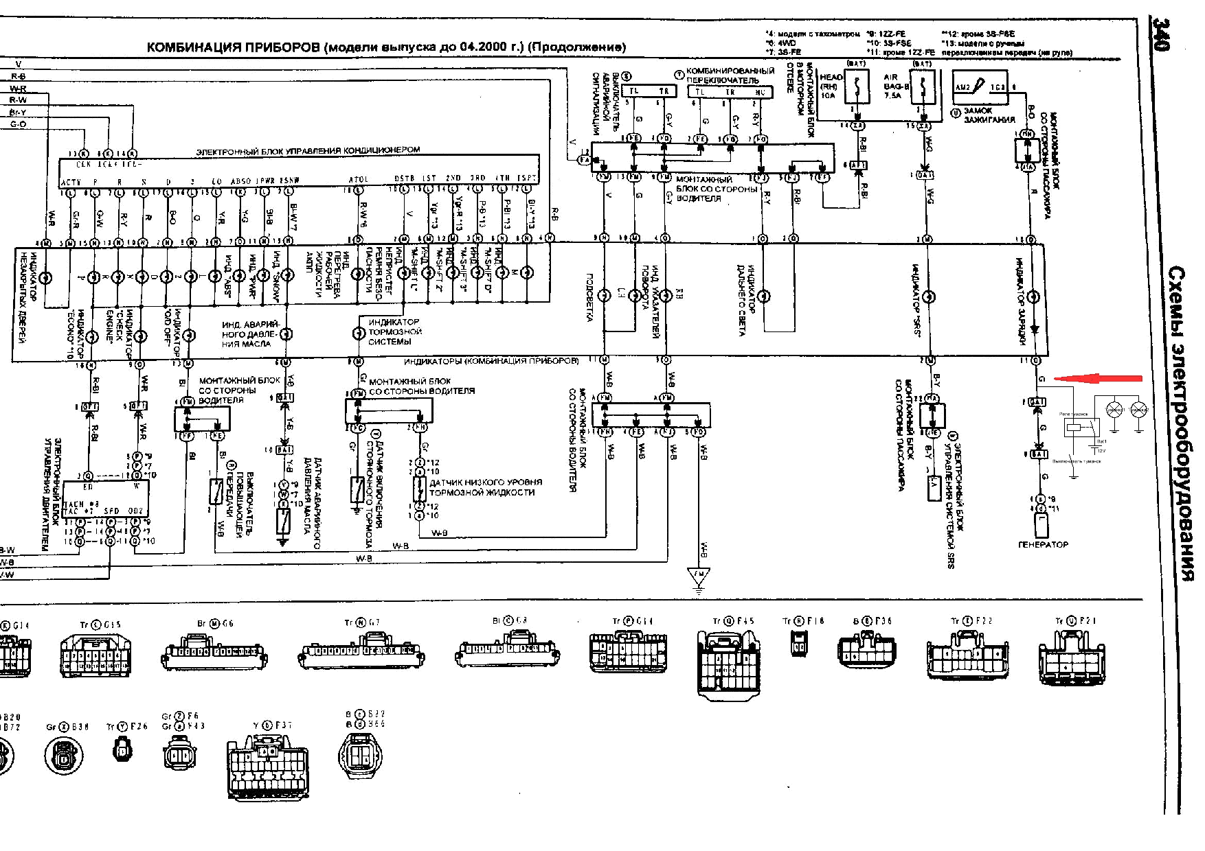
В общем зацепился на провод, идущий после индикатора зарядки (на схеме указан красной стрелкой), при включении зажигания на нем напряжения нет, после того как двигатель завелся, появляется 12В, но есть нюанс, при подсоединении реле напряжение проседает до 9В - интересно почему и чем это чревато? Кстати если надо два реле (например, чтоб помимо туманок, зеркала раскладывались при заводке), то напряжение проседает до 7В и релюхи уже не срабатывают, так что я пока подсоединил зеркала по этой схеме viewtopic.php?t=1001071&start=15 (с одним отличием - вместо зажигания подцепился на вышеуказанный провод индикатора зарядки), а вот туманки пока увы - загораются сразу при включении зажигания, а хотелось бы только после заводки двигателя... Хотелось бы все таки еще варианты услышать - куда можно зацепиться, чтоб напруга появлялась уже после того как двигатель завелся, а то мне что-то в голову ничего не приходит, реле бензонасоса, к сожалению не годится для этих целей...


Вложения:
p0340.jpg
p0340.jpg [ 900.43 КБ | Просмотров: 1422 ]


Последний раз редактировалось Andre1ch 25 сен 2011, 17:20, всего редактировалось 1 раз.
Вернуться к началу
 Профиль Отправить email  
Ответить на тему 
 Заголовок сообщения: Re: ДНЕВНЫЕ ХОДОВЫЕ ОГНИ (ДХО)!!!
СообщениеДобавлено: 25 сен 2011, 15:47 
Не в сети
Специалист
Специалист
Аватара пользователя

Зарегистрирован: 30 май 2010, 03:00
Сообщения: 429
Тем: 34
Откуда: Красноярский край,Иланский
Машина: др. Японка
О машине: STAGEA.3303.
Репутация: 24
Цепляйся на датчик давления масла.Он замыкает на массу,а при наличии давления размыкает.Нужно нормально разомкнутое реле.Плюс на него нужно подавать после включения зажигания.А зеркала нестоит,я,думаю.

_________________
Опыт,это когда никто ничего не знает,но всё работает.Теория,это когда все всё знают,но ничего не работает.
STAGEA.3303.


Вернуться к началу
 Профиль Отправить email  
Ответить на тему 
 Заголовок сообщения: Re: ДНЕВНЫЕ ХОДОВЫЕ ОГНИ (ДХО)!!!
СообщениеДобавлено: 25 сен 2011, 15:55 
Не в сети
модератор
Аватара пользователя

Зарегистрирован: 27 окт 2008, 04:00
Сообщения: 12731
Тем: 15
Откуда: Вятка
Машина: др. Японка
О машине: Toyota Prius 51
Репутация: 2381
Andre1ch писал(а):
В общем зацепился на провод, идущий после индикатора зарядки (на схеме указан красной стрелкой), при включении зажигания на нем напряжения нет, после того как двигатель завелся, появляется 12В, но есть нюанс, при подсоединении реле напряжение проседает до 9В - интересно почему и чем это чревато? Кстати если надо два реле (например, чтоб помимо туманок, зеркала раскладывались при заводке), то напряжение проседает до 7В и релюхи уже не срабатывают, так что я пока подсоединил зеркала по этой схеме viewtopic.php?t=1001071&start=15 (с одним отличием - вместо зажигания подцепился на вышеуказанный провод индикатора зарядки), а вот туманки пока увы - загораются сразу при включении зажигания, а хотелось бы только после заводки двигателя... Хотелось бы все таки еще варианты услышать - куда можно зацепиться, чтоб напруга появлялась уже после того как двигатель завелся, а то мне что-то в голову ничего не приходит, реле бензонасоса, к сожалению не годится для этих целей...
Провод индикатора заряда нужно использовать как минусовой реле и реле в этом случае с нормально замкнутыми контактами.

_________________
Vista Ardeo 1999, SV50, D4, Мультик, TV...


Вернуться к началу
 Профиль Отправить email  
Ответить на тему 
 Заголовок сообщения: Re: ДНЕВНЫЕ ХОДОВЫЕ ОГНИ (ДХО)!!!
СообщениеДобавлено: 25 сен 2011, 20:00 
Не в сети
Любитель
Любитель

Зарегистрирован: 02 дек 2010, 11:09
Сообщения: 76
Тем: 8
Откуда: Дальнегорск
Машина: Toyota Vista Ardeo
О машине: SV55G 1999 3S-FE 4WD Multivision
Репутация: 31
vitek24 писал(а):
Цепляйся на датчик давления масла.Он замыкает на массу,а при наличии давления размыкает.Нужно нормально разомкнутое реле.Плюс на него нужно подавать после включения зажигания.А зеркала нестоит,я,думаю.

Как-то так или слишком мудрено (схема №1)? Только реле получается не НР, а НЗ (ну и реле туманок - оно как раз НР). А как быть с тем, что лампа иногда моргает, туманки тоже будут моргать или не успеют отыгрывать? А если подключить зеркала, то они будут делать вжик-вжик-вжик :lol: Кстати автоскладывание зеркал очень удобная вещь, особенно во владивостоке :good:

Добавлено спустя 36 минут 35 секунд:

Vyatich писал(а):
Провод индикатора заряда нужно использовать как минусовой реле и реле в этом случае с нормально замкнутыми контактами.

Извините, но я ничего не понял :o У меня сейчас подключено как на схеме №2 (схема №3 - крупный план), а как нужно, можно поподробней?


Вложения:
Туманки от датчика давления масла.GIF
Туманки от датчика давления масла.GIF [ 8.58 КБ | Просмотров: 1420 ]
Туманки от датчика генератора.GIF
Туманки от датчика генератора.GIF [ 136.47 КБ | Просмотров: 1417 ]
Туманки от датчика генератора2.GIF
Туманки от датчика генератора2.GIF [ 3.6 КБ | Просмотров: 1415 ]


Последний раз редактировалось Andre1ch 25 сен 2011, 20:45, всего редактировалось 1 раз.
Вернуться к началу
 Профиль Отправить email  
Ответить на тему 
 Заголовок сообщения: Re: ДНЕВНЫЕ ХОДОВЫЕ ОГНИ (ДХО)!!!
СообщениеДобавлено: 25 сен 2011, 20:44 
Не в сети
Специалист
Специалист
Аватара пользователя

Зарегистрирован: 30 май 2010, 03:00
Сообщения: 429
Тем: 34
Откуда: Красноярский край,Иланский
Машина: др. Японка
О машине: STAGEA.3303.
Репутация: 24
Да,типа того.Я вчерась на хонду поставил ДХО включающиеся от первого нажатия на тормоз и тухнут как заглушишь мотор.Можно ещё от D cелать вообще экономия будет.Хотя если ДХО светодиодные,то итак экономия.

_________________
Опыт,это когда никто ничего не знает,но всё работает.Теория,это когда все всё знают,но ничего не работает.
STAGEA.3303.


Вернуться к началу
 Профиль Отправить email  
Ответить на тему 
 Заголовок сообщения: Re: ДНЕВНЫЕ ХОДОВЫЕ ОГНИ (ДХО)!!!
СообщениеДобавлено: 25 сен 2011, 20:45 
Не в сети
Специалист
Специалист
Аватара пользователя

Зарегистрирован: 07 ноя 2010, 00:09
Сообщения: 301
Тем: 12
Откуда: Барнаул
Машина: Toyota Vista
О машине: SV-50, 1999г, 2.0
Репутация: 149
Andre1ch писал(а):
vitek24 писал(а):
Цепляйся на датчик давления масла.Он замыкает на массу,а при наличии давления размыкает.Нужно нормально разомкнутое реле.Плюс на него нужно подавать после включения зажигания.А зеркала нестоит,я,думаю.

Как-то так или слишком мудрено? Только реле получается не НР, а НЗ (ну и реле туманок - оно как раз НР). А как быть с тем, что лампа иногда моргает, туманки тоже будут моргать или не успеют отыгрывать? А если подключить зеркала, то они будут делать вжик-вжик-вжик :lol: Кстати автоскладывание зеркал очень удобная вещь, особенно во владивостоке :good:

Добавлено спустя 36 минут 35 секунд:
Vyatich писал(а):
Провод индикатора заряда нужно использовать как минусовой реле и реле в этом случае с нормально замкнутыми контактами.

Извините, но я ничего не понял :o У меня сейчас вот так подключено, а как нужно, можно поподробней?


Пачти как по схеме реализовал сегодня я себе, только у меня одно из реле используется с 2мя парами контактов и включаются туманки только после разового нажатия на педаль тормаза.


Вернуться к началу
 Профиль Отправить email  
Ответить на тему 
 Заголовок сообщения: Re: ДНЕВНЫЕ ХОДОВЫЕ ОГНИ (ДХО)!!!
СообщениеДобавлено: 25 сен 2011, 20:48 
Не в сети
Любитель
Любитель

Зарегистрирован: 02 дек 2010, 11:09
Сообщения: 76
Тем: 8
Откуда: Дальнегорск
Машина: Toyota Vista Ardeo
О машине: SV55G 1999 3S-FE 4WD Multivision
Репутация: 31
vitek24 писал(а):
ДХО включающиеся от первого нажатия на тормоз и тухнут как заглушишь мотор.

А можно поподробней, как это реализовать?

Добавлено спустя 2 минуты 51 секунду:
Roman22 писал(а):
Пачти как по схеме реализовал сегодня я себе, только у меня одно из реле используется с 2мя парами контактов и включаются туманки только после разового нажатия на педаль тормаза.

Если не трудно, напишите как это реализовать, а если схему, так вообще было бы здорово... А подключали также на лампочку давления масла?


Вернуться к началу
 Профиль Отправить email  
Ответить на тему 
 Заголовок сообщения: Re: ДНЕВНЫЕ ХОДОВЫЕ ОГНИ (ДХО)!!!
СообщениеДобавлено: 25 сен 2011, 21:09 
Не в сети
модератор
Аватара пользователя

Зарегистрирован: 27 окт 2008, 04:00
Сообщения: 12731
Тем: 15
Откуда: Вятка
Машина: др. Японка
О машине: Toyota Prius 51
Репутация: 2381
Как на схеме №1, только вместо схемы 2. А лучше как Roman22 сделал, только я думаю одного реле хватит.

_________________
Vista Ardeo 1999, SV50, D4, Мультик, TV...


Вернуться к началу
 Профиль Отправить email  
Ответить на тему 
 Заголовок сообщения: Re: ДНЕВНЫЕ ХОДОВЫЕ ОГНИ (ДХО)!!!
СообщениеДобавлено: 25 сен 2011, 21:40 
Не в сети
Любитель
Любитель

Зарегистрирован: 02 дек 2010, 11:09
Сообщения: 76
Тем: 8
Откуда: Дальнегорск
Машина: Toyota Vista Ardeo
О машине: SV55G 1999 3S-FE 4WD Multivision
Репутация: 31
Vyatich писал(а):
Как на схеме №1, только вместо схемы 2. А лучше как Roman22 сделал, только я думаю одного реле хватит.

А может вы подскажете принцип схемы с разрешением включения после разового нажатия на педаль тормоза?


Вернуться к началу
 Профиль Отправить email  
Ответить на тему 
 Заголовок сообщения: Re: ДНЕВНЫЕ ХОДОВЫЕ ОГНИ (ДХО)!!!
СообщениеДобавлено: 25 сен 2011, 21:47 
Не в сети
модератор
Аватара пользователя

Зарегистрирован: 27 окт 2008, 04:00
Сообщения: 12731
Тем: 15
Откуда: Вятка
Машина: др. Японка
О машине: Toyota Prius 51
Репутация: 2381
Andre1ch писал(а):
Vyatich писал(а):
Как на схеме №1, только вместо схемы 2. А лучше как Roman22 сделал, только я думаю одного реле хватит.

А может вы подскажете принцип схемы с разрешением включения после разового нажатия на педаль тормоза?
На примере схемы 3 нужно плюс на реле подать с лягушки тормоза и с лампочек туманок через развязку диодами.

_________________
Vista Ardeo 1999, SV50, D4, Мультик, TV...


Вернуться к началу
 Профиль Отправить email  
Ответить на тему 
 Заголовок сообщения: Re: ДНЕВНЫЕ ХОДОВЫЕ ОГНИ (ДХО)!!!
СообщениеДобавлено: 25 сен 2011, 22:26 
Не в сети
Специалист
Специалист
Аватара пользователя

Зарегистрирован: 07 ноя 2010, 00:09
Сообщения: 301
Тем: 12
Откуда: Барнаул
Машина: Toyota Vista
О машине: SV-50, 1999г, 2.0
Репутация: 149
Cхему попробую завтра нарисовать на работе я правдо неселен в этом рисовании, мне гораздо проще взять все в руки включить мозг и спаять все сразу. :smile:

Добавлено спустя 1 минуту 58 секунд:
Andre1ch писал(а):
Vyatich писал(а):
Как на схеме №1, только вместо схемы 2. А лучше как Roman22 сделал, только я думаю одного реле хватит.

А может вы подскажете принцип схемы с разрешением включения после разового нажатия на педаль тормоза?

для этого и нужна релеха с двумя парами контактов


Вернуться к началу
 Профиль Отправить email  
Ответить на тему 
 Заголовок сообщения: Re: ДНЕВНЫЕ ХОДОВЫЕ ОГНИ (ДХО)!!!
СообщениеДобавлено: 25 сен 2011, 23:00 
Не в сети
Специалист
Специалист
Аватара пользователя

Зарегистрирован: 30 май 2010, 03:00
Сообщения: 429
Тем: 34
Откуда: Красноярский край,Иланский
Машина: др. Японка
О машине: STAGEA.3303.
Репутация: 24
Andre1ch писал(а):
Vyatich писал(а):
Как на схеме №1, только вместо схемы 2. А лучше как Roman22 сделал, только я думаю одного реле хватит.

А может вы подскажете принцип схемы с разрешением включения после разового нажатия на педаль тормоза?

Постараюсь завтра написать.

_________________
Опыт,это когда никто ничего не знает,но всё работает.Теория,это когда все всё знают,но ничего не работает.
STAGEA.3303.


Вернуться к началу
 Профиль Отправить email  
Ответить на тему 

Показать сообщения за:  Поле сортировки  
Начать новую тему Ответить на тему

 [ Сообщений: 577 ]  На страницу Пред.  1 ... 22, 23, 24, 25, 26, 27, 28 ... 39  След.





* Поиск по сайту Вверх Вниз

Кто сейчас на конференции

Сейчас этот форум просматривают: нет зарегистрированных пользователей и гости: 16


Вы не можете начинать темы
Вы не можете отвечать на сообщения
Вы не можете редактировать свои сообщения
Вы не можете удалять свои сообщения
Вы не можете добавлять вложения

Найти:
Перейти:  
Текущее время: 14 май 2026, 18:25
Часовой пояс: UTC + 7 часов
Powered by phpbb. (c) VistaClub.ru.    * Статистика