* Поиск по сайту Вверх Вниз



Начать новую тему Ответить на тему  [ Сообщений: 577 ]  На страницу Пред.  1 ... 25, 26, 27, 28, 29, 30, 31 ... 39  След.
Автор Сообщение
 Заголовок сообщения: Re: ДНЕВНЫЕ ХОДОВЫЕ ОГНИ (ДХО)!!!
СообщениеДобавлено: 19 окт 2011, 23:08 
Не в сети
Специалист
Специалист
Аватара пользователя

Зарегистрирован: 25 окт 2010, 12:15
Сообщения: 354
Тем: 11
Откуда: Новосибирск
Машина: др. неЯпонка
Репутация: 140
Рекламные ссылки. Показывается только незарегистрированным пользователям


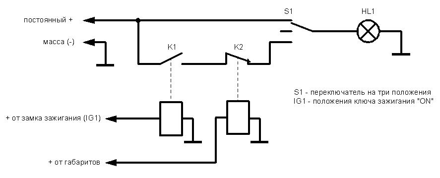
вот схема, которая успешно работает в моей машине. Переключателем S1 можно включить ДХО независимо ни от чего, выключить совсем или автоматически будут включаться с включением зажигания и гаснуть при включении габаритов.

Добавлено спустя 3 минуты 31 секунду:
Badabum писал(а):
а с замка зожигания это кагда ключ в положении кагда все приборы включены и можно заводить машину?

Да.

Кстати, если надо чтоб при прогреве ДХО не горели, можно добавить еще одну релюшку, и тогда включаться будут при включении зажигания и однократном нажатии на тормоз.


Вложения:
ДХО.JPG
ДХО.JPG [ 27.39 КБ | Просмотров: 1292 ]
Вернуться к началу
 Профиль Отправить email  
Ответить на тему 

 Заголовок сообщения: Re: ДНЕВНЫЕ ХОДОВЫЕ ОГНИ (ДХО)!!!
СообщениеДобавлено: 20 окт 2011, 23:29 
Не в сети
Местный
Местный
Аватара пользователя

Зарегистрирован: 01 янв 2006, 04:00
Сообщения: 10044
Тем: 182
Откуда: ХМАО Роман
Машина: др. неЯпонка
О машине: Volkswagen Tiguan
Репутация: 710
Цитата:
тогда включаться будут при включении зажигания и однократном нажатии на тормоз.


А если на ручнике стоит?

_________________
Управлял шесть лет японской мечтой - Toyota Vista Ardeo, теперь управляю немецкой мечтой - DAS AUTO.


Вернуться к началу
 Профиль  
Ответить на тему 
 Заголовок сообщения: Re: ДНЕВНЫЕ ХОДОВЫЕ ОГНИ (ДХО)!!!
СообщениеДобавлено: 21 окт 2011, 09:21 
Не в сети
Специалист
Специалист
Аватара пользователя

Зарегистрирован: 25 окт 2010, 12:15
Сообщения: 354
Тем: 11
Откуда: Новосибирск
Машина: др. неЯпонка
Репутация: 140
а какая разница?
Вообще, если тема актуальна, то могу помочь со схемой для ДХО под Ваши потребности хоть на релейке, хоть на контроллере.


Вернуться к началу
 Профиль Отправить email  
Ответить на тему 
 Заголовок сообщения: Re: ДНЕВНЫЕ ХОДОВЫЕ ОГНИ (ДХО)!!!
СообщениеДобавлено: 21 окт 2011, 09:26 
Не в сети
Специалист
Специалист
Аватара пользователя

Зарегистрирован: 05 окт 2011, 08:20
Сообщения: 286
Тем: 9
Откуда: Красноярск
Машина: др. Японка
О машине: Mazda6 2.0 2006г.
Репутация: 57
схема это хорошо) нада конкретно какой брать провод который говорит что габариты включены, аналогично с замком зажигания


Вернуться к началу
 Профиль  
Ответить на тему 
 Заголовок сообщения: Re: ДНЕВНЫЕ ХОДОВЫЕ ОГНИ (ДХО)!!!
СообщениеДобавлено: 21 окт 2011, 09:35 
Не в сети
Специалист
Специалист
Аватара пользователя

Зарегистрирован: 25 окт 2010, 12:15
Сообщения: 354
Тем: 11
Откуда: Новосибирск
Машина: др. неЯпонка
Репутация: 140
Про замок зажигания: провод, на котором появляется 12В в положении ключа "ON".
А с габаритами еще проще: любой провод, на котором появляется 12В при включении габаритов (например подсветка панели приборов)


Вернуться к началу
 Профиль Отправить email  
Ответить на тему 
 Заголовок сообщения: Re: ДНЕВНЫЕ ХОДОВЫЕ ОГНИ (ДХО)!!!
СообщениеДобавлено: 21 окт 2011, 11:06 
Не в сети
тыц тыц тыц
Аватара пользователя

Зарегистрирован: 01 дек 2009, 04:00
Сообщения: 335
Тем: 33
Откуда: Барнаул
Машина: Toyota Vista Ardeo
О машине: яям50 1яя-ау 1999г
Репутация: 35
Варианты размещения ДХО


Вложения:
1.JPG
1.JPG [ 28.87 КБ | Просмотров: 1253 ]
Вернуться к началу
 Профиль  
Ответить на тему 
 Заголовок сообщения: Re: ДНЕВНЫЕ ХОДОВЫЕ ОГНИ (ДХО)!!!
СообщениеДобавлено: 21 окт 2011, 17:32 
Не в сети
Давно на форуме
Аватара пользователя

Зарегистрирован: 25 янв 2009, 04:00
Сообщения: 10683
Тем: 155
Откуда: Косопузия (Рязань).
Машина: др. Toyota
О машине: SXU10 5S-FE белая ночь 057
Репутация: 1488
Myp3uJIka писал(а):
Варианты размещения ДХО

Есть установленные требования и ГОСТ, по-моему такие "вольнодумства" не прокатят, снимут на первом же ТО и будут правы или просто НЕпройдёшь ТО.
:smile: ...

_________________
:smoke: Я не парюсь. Уже не курю. Просто люблю на солнце посидеть.
(из личных наблюдений...)


Вернуться к началу
 Профиль  
Ответить на тему 
 Заголовок сообщения: Re: ДНЕВНЫЕ ХОДОВЫЕ ОГНИ (ДХО)!!!
СообщениеДобавлено: 21 окт 2011, 19:26 
Не в сети
Профи
Профи
Аватара пользователя

Зарегистрирован: 01 май 2008, 03:00
Сообщения: 757
Тем: 77
Откуда: РОССИЯ, Воронеж.
Машина: Toyota Vista
О машине: ZZV-50, 1ZZ, 1999г.
Репутация: 467
fei5656 писал(а):
Myp3uJIka писал(а):
Варианты размещения ДХО

Есть установленные требования и ГОСТ, по-моему такие "вольнодумства" не прокатят, снимут на первом же ТО и будут правы или просто НЕпройдёшь ТО.
:smile: ...

Плюс ко всему сказанному, такие ДХО электричества точно не сэкономят, но проблем можно нажить и на любом стационарном пункте ДПС.


Вложения:
Расположение дневных ходовых огней согласно ГОСТ Р 41.48-2004.jpg
Расположение дневных ходовых огней согласно ГОСТ Р 41.48-2004.jpg [ 30.97 КБ | Просмотров: 1235 ]
Вернуться к началу
 Профиль Отправить email  
Ответить на тему 
 Заголовок сообщения: Re: ДНЕВНЫЕ ХОДОВЫЕ ОГНИ (ДХО)!!!
СообщениеДобавлено: 22 окт 2011, 00:11 
Не в сети
модератор
Аватара пользователя

Зарегистрирован: 27 окт 2008, 04:00
Сообщения: 12731
Тем: 15
Откуда: Вятка
Машина: др. Японка
О машине: Toyota Prius 51
Репутация: 2381
Badabum писал(а):
схема это хорошо) нада конкретно какой брать провод который говорит что габариты включены, аналогично с замком зажигания
А при чем здесь габариты, вроде по ГОСТу ДХО должны выключаться при включении ближнего света?

_________________
Vista Ardeo 1999, SV50, D4, Мультик, TV...


Вернуться к началу
 Профиль Отправить email  
Ответить на тему 
 Заголовок сообщения: Re: ДНЕВНЫЕ ХОДОВЫЕ ОГНИ (ДХО)!!!
СообщениеДобавлено: 22 окт 2011, 09:57 
Не в сети
Специалист
Специалист
Аватара пользователя

Зарегистрирован: 25 окт 2010, 12:15
Сообщения: 354
Тем: 11
Откуда: Новосибирск
Машина: др. неЯпонка
Репутация: 140
при включении габаритов. Габариты это стояночный свет. нафиг ДХО гореть, если ты ночью за соком в киоск пошел?


Вернуться к началу
 Профиль Отправить email  
Ответить на тему 
 Заголовок сообщения: Re: ДНЕВНЫЕ ХОДОВЫЕ ОГНИ (ДХО)!!!
СообщениеДобавлено: 22 окт 2011, 13:01 
Не в сети
модератор
Аватара пользователя

Зарегистрирован: 27 окт 2008, 04:00
Сообщения: 12731
Тем: 15
Откуда: Вятка
Машина: др. Японка
О машине: Toyota Prius 51
Репутация: 2381
Так поставьте отдельный выключатель, если не нужно по ГОСТу, зачем усложнять то.

_________________
Vista Ardeo 1999, SV50, D4, Мультик, TV...


Вернуться к началу
 Профиль Отправить email  
Ответить на тему 
 Заголовок сообщения: Re: ДНЕВНЫЕ ХОДОВЫЕ ОГНИ (ДХО)!!!
СообщениеДобавлено: 22 окт 2011, 14:37 
Не в сети
Специалист
Специалист
Аватара пользователя

Зарегистрирован: 25 окт 2010, 12:15
Сообщения: 354
Тем: 11
Откуда: Новосибирск
Машина: др. неЯпонка
Репутация: 140
у каждого свои причуды. У меня когда-то туманки мигали...
Я предложил помощь в составлении схем под ДХО (в принципе под автододелки в целом). Если не надо - не навязываюсь.


Вернуться к началу
 Профиль Отправить email  
Ответить на тему 
 Заголовок сообщения: Re: ДНЕВНЫЕ ХОДОВЫЕ ОГНИ (ДХО)!!!
СообщениеДобавлено: 22 окт 2011, 20:51 
Не в сети
тыц тыц тыц
Аватара пользователя

Зарегистрирован: 01 дек 2009, 04:00
Сообщения: 335
Тем: 33
Откуда: Барнаул
Машина: Toyota Vista Ardeo
О машине: яям50 1яя-ау 1999г
Репутация: 35
А где нарушение?
А по ширине минимума нет, почему нельзя на зеркалах!


Вложения:
Расположение дневных ходовых огней согласно ГОСТ Р 41.48-2004.jpg
Расположение дневных ходовых огней согласно ГОСТ Р 41.48-2004.jpg [ 43.7 КБ | Просмотров: 1201 ]
Вернуться к началу
 Профиль  
Ответить на тему 
 Заголовок сообщения: Re: ДНЕВНЫЕ ХОДОВЫЕ ОГНИ (ДХО)!!!
СообщениеДобавлено: 23 окт 2011, 01:42 
Не в сети
Давно на форуме
Аватара пользователя

Зарегистрирован: 25 янв 2009, 04:00
Сообщения: 10683
Тем: 155
Откуда: Косопузия (Рязань).
Машина: др. Toyota
О машине: SXU10 5S-FE белая ночь 057
Репутация: 1488
Myp3uJIka писал(а):
А где нарушение?
А по ширине минимума нет, почему нельзя на зеркалах!


Ребят, чего "воздух пинать"?! :roll:
Если хотим конкретного разговора и выводов, а не пустопорожней болтавни, то надо сделать просто и понятно для всех и каждого: Снимаем размеры разрешенных\прописанных габаритов по горизонтали\вертикали, накладываем получившиеся габариты на фото машинки и получим то самое пространство, в котором установка ДХО официально РАЗРЕШЕНА.
По-моему будет ясно и доходчиво: в данных промежутках\габаритах на фото установить реально можно, а за пределами :arrow: :arrow: :arrow: НИЗЯ!!!
:smile: ...

_________________
:smoke: Я не парюсь. Уже не курю. Просто люблю на солнце посидеть.
(из личных наблюдений...)


Вернуться к началу
 Профиль  
Ответить на тему 
 Заголовок сообщения: Re: ДНЕВНЫЕ ХОДОВЫЕ ОГНИ (ДХО)!!!
СообщениеДобавлено: 24 окт 2011, 17:17 
Не в сети
Специалист
Специалист
Аватара пользователя

Зарегистрирован: 31 май 2009, 03:00
Сообщения: 108
Тем: 3
Откуда: Хабаровск
Репутация: 37
Народ, а подскажите, если в качестве ДХО использовать белые светодиодные полосы по низу фар, тов. ПИДРЫ будут цеплять ?


Вложения:
Расположение.JPG
Расположение.JPG [ 20.9 КБ | Просмотров: 1178 ]

_________________
Vista Ardeo, 2000 г, 1ZZ, multivision
Изображение
Вернуться к началу
 Профиль  
Ответить на тему 

Показать сообщения за:  Поле сортировки  
Начать новую тему Ответить на тему

 [ Сообщений: 577 ]  На страницу Пред.  1 ... 25, 26, 27, 28, 29, 30, 31 ... 39  След.





* Поиск по сайту Вверх Вниз

Кто сейчас на конференции

Сейчас этот форум просматривают: нет зарегистрированных пользователей и гости: 16


Вы не можете начинать темы
Вы не можете отвечать на сообщения
Вы не можете редактировать свои сообщения
Вы не можете удалять свои сообщения
Вы не можете добавлять вложения

Найти:
Перейти:  
Текущее время: 14 май 2026, 18:25
Часовой пояс: UTC + 7 часов
Powered by phpbb. (c) VistaClub.ru.    * Статистика