* Поиск по сайту Вверх Вниз



Начать новую тему Ответить на тему  [ Сообщений: 577 ]  На страницу Пред.  1, 2, 3, 4, 5, 6, 7 ... 39  След.
Автор Сообщение
 Заголовок сообщения: Re: Дневные ходовые огни
СообщениеДобавлено: 09 ноя 2010, 12:31 
Не в сети
Профи
Профи
Аватара пользователя

Зарегистрирован: 01 май 2008, 03:00
Сообщения: 757
Тем: 77
Откуда: РОССИЯ, Воронеж.
Машина: Toyota Vista
О машине: ZZV-50, 1ZZ, 1999г.
Репутация: 467
Рекламные ссылки. Показывается только незарегистрированным пользователям


AntonYGL писал(а):
Я примерно так же хочу сделать. Только небольшое дополнение Запитать от P а не от D, и реле естественно поменять на свободно замкнутое. Так будет гореть во всех аоложениях кроме Р. Вот как то так. Чтоб не вырубалось когда например задней пользуешься. Маленько подумал и убрал второе реле, вот как то так:


А с твоей доработкой выходит лучше и реле без нагрузки, включено только когда на Р.


Вернуться к началу
 Профиль Отправить email  
Ответить на тему 

 Заголовок сообщения: Re: Дневные ходовые огни
СообщениеДобавлено: 09 ноя 2010, 13:04 
Не в сети
модератор
Аватара пользователя

Зарегистрирован: 05 май 2009, 03:00
Сообщения: 6759
Тем: 72
Откуда: Ставрополье
Блог: Посмотреть блог (7)
Машина: Toyota Vista
О машине: седан SV50, 3S-FSE, U240E, 98г.
Репутация: 1473
и первая и вторая схема нормальные, но вторая мне тоже больше понравилась. Действительно, ДХО будут работать всегда кроме положения парковки. Ещё надо не забыть врезать по плюсу кнопочки принудительного выключения ДХО.

_________________
Случайности не случайны...


Вернуться к началу
 Профиль  
Ответить на тему 
 Заголовок сообщения: Re: Дневные ходовые огни
СообщениеДобавлено: 09 ноя 2010, 14:45 
Не в сети
Любитель
Любитель
Аватара пользователя

Зарегистрирован: 28 июл 2009, 03:00
Сообщения: 96
Тем: 1
Откуда: Барнаул
Машина: Toyota Vista
Репутация: 99
jannoss писал(а):
AntonYGL писал(а):
Я примерно так же хочу сделать. Только небольшое дополнение Запитать от P а не от D, и реле естественно поменять на свободно замкнутое. Так будет гореть во всех аоложениях кроме Р. Вот как то так. Чтоб не вырубалось когда например задней пользуешься. Маленько подумал и убрал второе реле, вот как то так:


А с твоей доработкой выходит лучше и реле без нагрузки, включено только когда на Р.

Еще реле будет под нагрузкой когда габарит включен.
Эхх, осталось туманки купить, не поставили мне на висту их, вроде нашел на разборке за 1,5р комплект, жду з\п. Если их не купят раньше. Если не будет туманок, буду гомырить на ближний эту схему. Тут кто то писал про дальний в полнакала, там же может галогеновый цикл нарушиться, не будет восстанавливаться, соответственно лампам ускоренная смерть будет.

_________________
Была - Висточка SV 40, 4s-Fe, AT, золотистая
Есть - Виста 50, 1AZ-FSE, AT, серебро.


Вернуться к началу
 Профиль  
Ответить на тему 
 Заголовок сообщения: Re: Дневные ходовые огни
СообщениеДобавлено: 09 ноя 2010, 16:21 
Не в сети
Профи
Профи
Аватара пользователя

Зарегистрирован: 01 май 2008, 03:00
Сообщения: 757
Тем: 77
Откуда: РОССИЯ, Воронеж.
Машина: Toyota Vista
О машине: ZZV-50, 1ZZ, 1999г.
Репутация: 467
AntonYGL писал(а):
Я примерно так же хочу сделать. Только небольшое дополнение Запитать от P а не от D, и реле естественно поменять на свободно замкнутое. Так будет гореть во всех аоложениях кроме Р. Вот как то так. Чтоб не вырубалось когда например задней пользуешься. Маленько подумал и убрал второе реле,

А диоды какие туда можно поставить?


Вернуться к началу
 Профиль Отправить email  
Ответить на тему 
 Заголовок сообщения: Re: Дневные ходовые огни
СообщениеДобавлено: 09 ноя 2010, 17:08 
Не в сети
Любитель
Любитель
Аватара пользователя

Зарегистрирован: 28 июл 2009, 03:00
Сообщения: 96
Тем: 1
Откуда: Барнаул
Машина: Toyota Vista
Репутация: 99
Да в принципе любой самый простой (обратное напряжение вольт 20 чтоб было или больше и прямой ток чтоб релюшке хватило), вот например посмотрел у нас в магазине 1N4004 цена 1руб :) (обратное напряжение 400в, прямой ток 1А) или 1N5399 5руб. (1,5А прям, 1000В обратного). А я поставлю что у отца в гараже накопаю :)

Добавлено спустя 21 минуту 22 секунды:
Реле вот например в соседней ветке про туманки нашел такое 98.3747-111 от таза, ну или подбирать из магазина электроники напряжение катушки 12vdc ток прикинуть какие лампы будут гореть или с запасом ампер 20 взять.
З.Ы. посмотрел катушки на таких реле 0,45-1Вт, так что хватит и слабенького диода Iпрям - 1/12=0,08А, 1N4004 с большим запасом влазит.


Вложения:
900326.gif
900326.gif [ 7.37 КБ | Просмотров: 2986 ]

_________________
Была - Висточка SV 40, 4s-Fe, AT, золотистая
Есть - Виста 50, 1AZ-FSE, AT, серебро.
Вернуться к началу
 Профиль  
Ответить на тему 
 Заголовок сообщения: Re: Дневные ходовые огни
СообщениеДобавлено: 13 ноя 2010, 06:33 
Не в сети
Профи
Профи
Аватара пользователя

Зарегистрирован: 03 июн 2008, 03:00
Сообщения: 781
Тем: 24
Откуда: Закрытый город "З" Красноярья
Машина: Toyota Vista Ardeo
О машине: 1999 г. зелень.1zz-fe
Репутация: 344
вот тоже стал задумываться этой темой.
но как мне кажется лучше смастерить схему с реле, чтоб была 10секундная задержка на включение ДХО при запуске двигателя, и автоматическое отключение их при включении ближнего света.
я не электрик, замутить схему я не смогу.

_________________
http://www.odnoklassniki.ru/#/igor.yeremenko
Изображение
TOYOTA Vista Ardeo ZZV50G-BWSMK.1ZZ-FE.03.1999 ,бело-зелёная,бежевый салон,шифтматик,спойлер,


Вернуться к началу
 Профиль  
Ответить на тему 
 Заголовок сообщения: Re: Дневные ходовые огни
СообщениеДобавлено: 13 ноя 2010, 10:36 
Не в сети
Специалист
Специалист
Аватара пользователя

Зарегистрирован: 23 янв 2010, 04:00
Сообщения: 219
Тем: 13
Откуда: Новосибирск
Машина: Toyota Vista Ardeo
О машине: VISTA ARDEO, SV55G, 3S-FE, 4WD, 1999
Репутация: 101
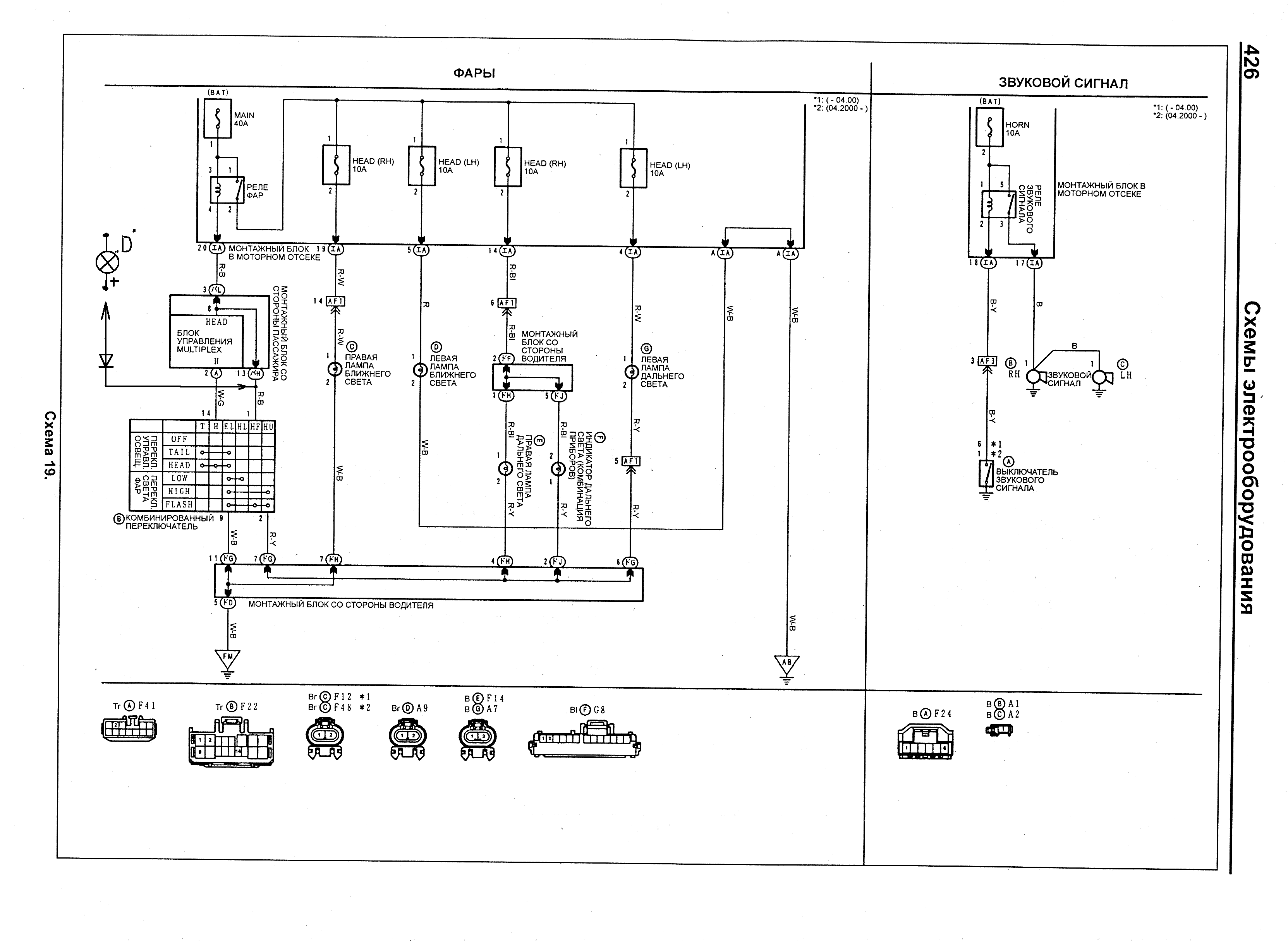
А так не прще? R-B я пологаю красно чёрный проводок. Или клемма "1" разъёма F 22.


Вложения:
fari.gif
fari.gif [ 189.46 КБ | Просмотров: 2933 ]
Вернуться к началу
 Профиль Отправить email  
Ответить на тему 
 Заголовок сообщения: Re: Дневные ходовые огни
СообщениеДобавлено: 16 ноя 2010, 17:20 
Не в сети
Фанат
Аватара пользователя

Зарегистрирован: 26 янв 2009, 04:00
Сообщения: 536
Тем: 10
Откуда: Новосибирск
Блог: Посмотреть блог (1)
Машина: Toyota Vista
О машине: SV50 3S-FSE N200G 06.2001
Репутация: 11
проблема в том, что ДХО должны загораться вместе с запуском двигателя! следовательно, если записать на коробку, то ДХО будут гореть только в движении, ну или тупо тормоз нужно держать...
вот подумайте, останавливает Вас доблестный гибдд-шник, Вы паркуетесь, ставите коробку в положение P и хоп, ДХО не горят, при этом двиг работает! не понял пока, как будет караться данное нарушение, но все равно факт на лицо :(

_________________
2009-2021


Вернуться к началу
 Профиль  
Ответить на тему 
 Заголовок сообщения: Re: Дневные ходовые огни
СообщениеДобавлено: 17 ноя 2010, 10:58 
Не в сети
Специалист
Специалист
Аватара пользователя

Зарегистрирован: 23 янв 2010, 04:00
Сообщения: 219
Тем: 13
Откуда: Новосибирск
Машина: Toyota Vista Ardeo
О машине: VISTA ARDEO, SV55G, 3S-FE, 4WD, 1999
Репутация: 101
tiron писал(а):
проблема в том, что ДХО должны загораться вместе с запуском двигателя! следовательно, если записать на коробку, то ДХО будут гореть только в движении, ну или тупо тормоз нужно держать...
вот подумайте, останавливает Вас доблестный гибдд-шник, Вы паркуетесь, ставите коробку в положение P и хоп, ДХО не горят, при этом двиг работает! не понял пока, как будет караться данное нарушение, но все равно факт на лицо :(


Когдо авто стоит свет гореть не должен. Написано же "Движение с включёнными ДХО" и доблестный гибдд-шник чё с закрытыми глазами машину остонавливает.

Нагруска на акум будет большая, при заводке свет горит - НАФИГА? ЗИМА СКОРО. Тумблер какой-то мутить.


Вернуться к началу
 Профиль Отправить email  
Ответить на тему 
 Заголовок сообщения: Re: Дневные ходовые огни
СообщениеДобавлено: 17 ноя 2010, 12:15 
Не в сети
Фанат
Аватара пользователя

Зарегистрирован: 26 янв 2009, 04:00
Сообщения: 536
Тем: 10
Откуда: Новосибирск
Блог: Посмотреть блог (1)
Машина: Toyota Vista
О машине: SV50 3S-FSE N200G 06.2001
Репутация: 11
может я чего не понял, но нашел следующее (интересующее нас, выделил):

«В случае установки дневные ходовые огни должны включаться автоматически, когда приведен в положение «включено» орган управления запуском/остановом двигателя. Должна быть обеспечена возможность приведения в действие и отключения функционирования автоматического включения дневных ходовых огней без помощи инструмента (без участия дополнительных клавиш — прим. редакции). Дневные ходовые огни должны выключаться автоматически, когда включаются головные фары, за исключением тех случаев, когда головные фары включаются на короткий промежуток времени для сигнализации участникам движения».

согласен, самому не нравится, что при автозапуске будут ДХО включаться, придется их отрубать принудительно по кнопке!

_________________
2009-2021


Вернуться к началу
 Профиль  
Ответить на тему 
 Заголовок сообщения: Re: Дневные ходовые огни
СообщениеДобавлено: 17 ноя 2010, 13:41 
Не в сети
модератор
Аватара пользователя

Зарегистрирован: 05 май 2009, 03:00
Сообщения: 6759
Тем: 72
Откуда: Ставрополье
Блог: Посмотреть блог (7)
Машина: Toyota Vista
О машине: седан SV50, 3S-FSE, U240E, 98г.
Репутация: 1473
tiron писал(а):
может я чего не понял, но нашел следующее (интересующее нас, выделил):

«В случае установки дневные ходовые огни должны включаться автоматически, когда приведен в положение «включено» орган управления запуском/остановом двигателя. Должна быть обеспечена возможность приведения в действие и отключения функционирования автоматического включения дневных ходовых огней без помощи инструмента (без участия дополнительных клавиш — прим. редакции). Дневные ходовые огни должны выключаться автоматически, когда включаются головные фары, за исключением тех случаев, когда головные фары включаются на короткий промежуток времени для сигнализации участникам движения».

согласен, самому не нравится, что при автозапуске будут ДХО включаться, придется их отрубать принудительно по кнопке!

совершенно верно, простыми решениями не обойтись

_________________
Случайности не случайны...


Вернуться к началу
 Профиль  
Ответить на тему 
 Заголовок сообщения: Re: Дневные ходовые огни
СообщениеДобавлено: 17 ноя 2010, 13:57 
Не в сети
Фанат
Аватара пользователя

Зарегистрирован: 26 янв 2009, 04:00
Сообщения: 536
Тем: 10
Откуда: Новосибирск
Блог: Посмотреть блог (1)
Машина: Toyota Vista
О машине: SV50 3S-FSE N200G 06.2001
Репутация: 11
хочу заехать к электрикам, чтобы переделали схему подключения туманок! только теперь понять не могу, как же все таки подключать (чтоб правильнее было), по коробке чтоб активировались или по заводу... правильнее по заводу, а хочется по коробке! :rus:

_________________
2009-2021


Последний раз редактировалось tiron 17 ноя 2010, 14:03, всего редактировалось 1 раз.

Вернуться к началу
 Профиль  
Ответить на тему 
 Заголовок сообщения: Re: Дневные ходовые огни
СообщениеДобавлено: 17 ноя 2010, 14:01 
Не в сети
модератор
Аватара пользователя

Зарегистрирован: 27 окт 2008, 04:00
Сообщения: 12731
Тем: 15
Откуда: Вятка
Машина: др. Японка
О машине: Toyota Prius 51
Репутация: 2381
По заводке двигателя, а реле можно подключить к лампе зарядки и соответственно питание с цепи габаритов.

_________________
Vista Ardeo 1999, SV50, D4, Мультик, TV...


Вернуться к началу
 Профиль Отправить email  
Ответить на тему 
 Заголовок сообщения: Re: Дневные ходовые огни
СообщениеДобавлено: 17 ноя 2010, 14:06 
Не в сети
Фанат
Аватара пользователя

Зарегистрирован: 26 янв 2009, 04:00
Сообщения: 536
Тем: 10
Откуда: Новосибирск
Блог: Посмотреть блог (1)
Машина: Toyota Vista
О машине: SV50 3S-FSE N200G 06.2001
Репутация: 11
Vyatich писал(а):
По заводке двигателя, а реле можно подключить к лампе зарядки и соответственно питание с цепи габаритов.

если не сложно, можно мне объяснить, что значит лампа зарядки, та что на панели приборов? а чем она может помочь? чего то я не обращал внимание, но она вроде загорается только при первоначальной проверке лампочек, а потом не горит...

_________________
2009-2021


Вернуться к началу
 Профиль  
Ответить на тему 
 Заголовок сообщения: Re: Дневные ходовые огни
СообщениеДобавлено: 17 ноя 2010, 14:11 
Не в сети
модератор
Аватара пользователя

Зарегистрирован: 27 окт 2008, 04:00
Сообщения: 12731
Тем: 15
Откуда: Вятка
Машина: др. Японка
О машине: Toyota Prius 51
Репутация: 2381
Нет, она гаснет после заводки двигателя. Смысл в том что при включении зажигания ДХО включаться не будут, после возбуждения генератора они автоматически зажгутся, а при включении габаритов отключатся.

_________________
Vista Ardeo 1999, SV50, D4, Мультик, TV...


Вернуться к началу
 Профиль Отправить email  
Ответить на тему 

Показать сообщения за:  Поле сортировки  
Начать новую тему Ответить на тему

 [ Сообщений: 577 ]  На страницу Пред.  1, 2, 3, 4, 5, 6, 7 ... 39  След.





* Поиск по сайту Вверх Вниз

Кто сейчас на конференции

Сейчас этот форум просматривают: нет зарегистрированных пользователей и гости: 18


Вы не можете начинать темы
Вы не можете отвечать на сообщения
Вы не можете редактировать свои сообщения
Вы не можете удалять свои сообщения
Вы не можете добавлять вложения

Найти:
Перейти:  
Текущее время: 14 май 2026, 18:15
Часовой пояс: UTC + 7 часов
Powered by phpbb. (c) VistaClub.ru.    * Статистика