* Поиск по сайту Вверх Вниз



Начать новую тему Ответить на тему  [ Сообщений: 106 ]  На страницу Пред.  1 ... 3, 4, 5, 6, 7, 8  След.
Автор Сообщение
 Заголовок сообщения:
СообщениеДобавлено: 24 сен 2009, 14:16 
Не в сети
Гуру
Гуру
Аватара пользователя

Зарегистрирован: 05 окт 2006, 03:00
Сообщения: 2038
Тем: 48
Откуда: Н.Н.
Репутация: 53
Рекламные ссылки. Показывается только незарегистрированным пользователям


Зайди на их форум , поищи, поспрашай...http://www.vega-absolute.ru/forum/

_________________
Ardeo (рестал 2000г.в., D4, диван, тв, мультик, shift matik...) + Ноах (2000г.в.) + Corolla (АЕ100)


Вернуться к началу
 Профиль  
Ответить на тему 

 Заголовок сообщения:
СообщениеДобавлено: 27 сен 2009, 11:16 
Не в сети
Гуру
Гуру
Аватара пользователя

Зарегистрирован: 09 авг 2007, 03:00
Сообщения: 1460
Тем: 28
Откуда: Барнаул
Машина: Toyota Vista Ardeo
О машине: 3S-FSE, SV50, рестайлинг
Репутация: 2
а если поставить этот тюнер на послерестайл, разблокирувку в движении не надо делать ? или всеравно надо лезть в мультик и там химичить ???

_________________
Лень - двигатель прогресса....
Ardeo 2000 г. 3S-FSE беленькая
Изображение


Вернуться к началу
 Профиль  
Ответить на тему 
 Заголовок сообщения:
СообщениеДобавлено: 27 сен 2009, 12:42 
Не в сети
Специалист
Специалист
Аватара пользователя

Зарегистрирован: 25 мар 2008, 04:00
Сообщения: 329
Тем: 28
Откуда: Барнаул
Репутация: 31
У меня сразу заработала в движении,без переделок.

_________________
SV50-3S-FSE,2001-январь.Chevrolet Cruze 2010.Сейчас 21099.


Вернуться к началу
 Профиль Отправить email  
Ответить на тему 
 Заголовок сообщения:
СообщениеДобавлено: 27 сен 2009, 20:07 
Не в сети
Профи
Профи
Аватара пользователя

Зарегистрирован: 27 мар 2007, 03:00
Сообщения: 731
Тем: 8
Откуда: Новосибирск
Машина: Toyota Vista Ardeo
О машине: SV50, 3S-FSE
Репутация: 466
У камеры 3 выхода
1-й видео - его цепляешь на первый контакт разъема тюнера (камера обгона)
2-й питание +12 - просто подай питание, возьми с тюнера.
3-й общий (для питания и видео) (масса) - его на 3 контакт разъема тюнера.
С камерой все.
Про пятый контакт тюнера надеюсь все понятно.

_________________
март 2000г (до рестайлинга) 3S-FSE (D-4), TV + DVD, 2 люка, NAVI.
Гос. номер - О156ММ


Вернуться к началу
 Профиль Отправить email  
Ответить на тему 
 Заголовок сообщения:
СообщениеДобавлено: 28 сен 2009, 11:09 
Не в сети
Профи
Профи
Аватара пользователя

Зарегистрирован: 20 сен 2009, 03:00
Сообщения: 645
Тем: 40
Откуда: Улан-Удэ
Машина: др. Японка
О машине: Ниссан Террано
Репутация: 48
А зачем всякие прибамбасы?как будто каждый день за грузовиками ездишь. Если едешь за грузовиком, ну так оттянись немного назад и выгляни влево, думаю достаточно будет осмотра. Я всегда так делаю. Ну или вправо по обочине посмотри, когда поворот вправо, очень хорошо видно.


Вернуться к началу
 Профиль Отправить email  
Ответить на тему 
 Заголовок сообщения: Установка и подключение камеры обгона.
СообщениеДобавлено: 01 окт 2009, 19:28 
Не в сети
Любитель
Любитель
Аватара пользователя

Зарегистрирован: 31 июл 2008, 03:00
Сообщения: 91
Тем: 8
Откуда: Уфа
Репутация: 0
DmitriySh писал(а):
У камеры 3 выхода
1-й видео - его цепляешь на первый контакт разъема тюнера (камера обгона)
2-й питание +12 - просто подай питание, возьми с тюнера.
3-й общий (для питания и видео) (масса) - его на 3 контакт разъема тюнера.
С камерой все.
Про пятый контакт тюнера надеюсь все понятно.

так и сделал. Цеплял та как ты описал ибо другого не дано :D Оказывается тюнер не видит ч/б камеры, блин. сейчас заказал себе цветную. сеня проеду -должны привезти.

_________________
SV -50 3S-FSE, 2000г, 200G, послерейстал. мультивижн, камера обгона, ДВД, подсветка салона...а теперь и камера ПАРКОВКИ :)


Вернуться к началу
 Профиль Отправить email  
Ответить на тему 
 Заголовок сообщения:
СообщениеДобавлено: 01 окт 2009, 19:35 
Не в сети
Любитель
Любитель
Аватара пользователя

Зарегистрирован: 31 июл 2008, 03:00
Сообщения: 91
Тем: 8
Откуда: Уфа
Репутация: 0
KV писал(а):
А зачем всякие прибамбасы?как будто каждый день за грузовиками ездишь. Если едешь за грузовиком, ну так оттянись немного назад и выгляни влево, думаю достаточно будет осмотра. Я всегда так делаю. Ну или вправо по обочине посмотри, когда поворот вправо, очень хорошо видно.

Наверно у вас там в бурятии может всего пара-тройка грузовиков, а мы вот позовчера поехали в Казань на Лигу чемпионов, а потом обратно на след. день када дождь был и них@ра ниче не видно в сумме намотали 1200км. Так вот твоя шея просто ОХ#%ЕТ стока вытягиваться !!! мы там на вольво S60 затрахались то всех обходить, не говоря уже о праворуких

_________________
SV -50 3S-FSE, 2000г, 200G, послерейстал. мультивижн, камера обгона, ДВД, подсветка салона...а теперь и камера ПАРКОВКИ :)


Вернуться к началу
 Профиль Отправить email  
Ответить на тему 
 Заголовок сообщения:
СообщениеДобавлено: 01 окт 2009, 19:48 
Не в сети
Профи
Профи
Аватара пользователя

Зарегистрирован: 20 сен 2009, 03:00
Сообщения: 645
Тем: 40
Откуда: Улан-Удэ
Машина: др. Японка
О машине: Ниссан Террано
Репутация: 48
ну если у вас так много грузовиков то конечно, камера нужна или штурман сбоку :lol:


Вернуться к началу
 Профиль Отправить email  
Ответить на тему 
 Заголовок сообщения:
СообщениеДобавлено: 01 окт 2009, 20:57 
Не в сети
Любитель
Любитель
Аватара пользователя

Зарегистрирован: 31 июл 2008, 03:00
Сообщения: 91
Тем: 8
Откуда: Уфа
Репутация: 0
УРА!! обменял камеру взял цветную КРС-VBN 190РНВ 0,2Лк/F16,0, 550ТВл. на вых. если успею -поставлю

_________________
SV -50 3S-FSE, 2000г, 200G, послерейстал. мультивижн, камера обгона, ДВД, подсветка салона...а теперь и камера ПАРКОВКИ :)


Вернуться к началу
 Профиль Отправить email  
Ответить на тему 
 Заголовок сообщения:
СообщениеДобавлено: 01 окт 2009, 22:09 
Не в сети
Любитель
Любитель
Аватара пользователя

Зарегистрирован: 31 июл 2008, 03:00
Сообщения: 91
Тем: 8
Откуда: Уфа
Репутация: 0
KV писал(а):
ну если у вас так много грузовиков то конечно, камера нужна или штурман сбоку :lol:

за штурмана у меня жена - едем по трассе. Смотри, говорю, скажешь када можно.
Она: вот после этой машины можно (проезжает машина)
Она:можно, можно можно...
Я: врубаю поворотник только выкручиваю баранку на встречку.....
Она: Ой, нельзя, нельзя, нельзя... :lol:
...вот после этого думаю лучше уж свои глаза

_________________
SV -50 3S-FSE, 2000г, 200G, послерейстал. мультивижн, камера обгона, ДВД, подсветка салона...а теперь и камера ПАРКОВКИ :)


Вернуться к началу
 Профиль Отправить email  
Ответить на тему 
 Заголовок сообщения:
СообщениеДобавлено: 03 окт 2009, 23:11 
Не в сети
Гуру
Гуру
Аватара пользователя

Зарегистрирован: 09 авг 2007, 03:00
Сообщения: 1460
Тем: 28
Откуда: Барнаул
Машина: Toyota Vista Ardeo
О машине: 3S-FSE, SV50, рестайлинг
Репутация: 2
Tatarin писал(а):
KV писал(а):
ну если у вас так много грузовиков то конечно, камера нужна или штурман сбоку :lol:

за штурмана у меня жена - едем по трассе. Смотри, говорю, скажешь када можно.
Она: вот после этой машины можно (проезжает машина)
Она:можно, можно можно...
Я: врубаю поворотник только выкручиваю баранку на встречку.....
Она: Ой, нельзя, нельзя, нельзя... :lol:
...вот после этого думаю лучше уж свои глаза

тип такоже было раньше, щас ток справшиваю сколько машин впереди, выглянул прикинул, и пошел вперед :) когда один гоняю по трассе, за фурами привык уже, выглянул глянул дорогу прикинул и решаешь когда и где :)
физик (вырезано цензурой) всетаки :)

_________________
Лень - двигатель прогресса....
Ardeo 2000 г. 3S-FSE беленькая
Изображение


Вернуться к началу
 Профиль  
Ответить на тему 
 Заголовок сообщения:
СообщениеДобавлено: 07 окт 2009, 13:11 
Не в сети
Любитель
Любитель
Аватара пользователя

Зарегистрирован: 31 июл 2008, 03:00
Сообщения: 91
Тем: 8
Откуда: Уфа
Репутация: 0
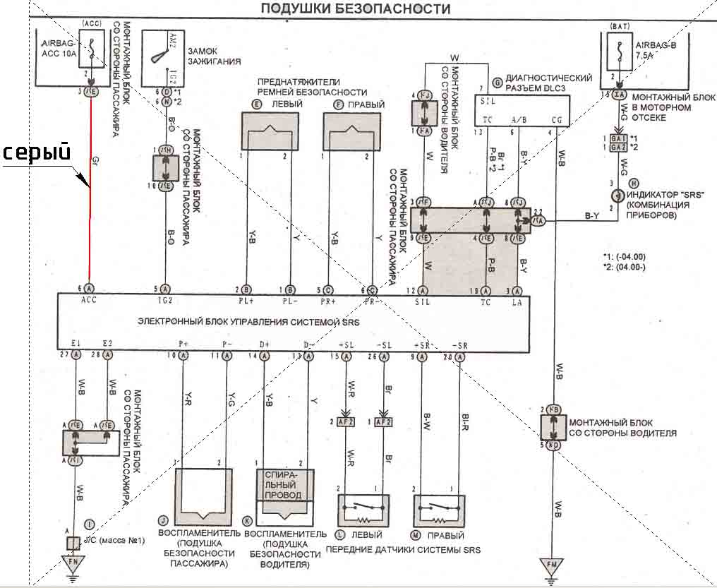
вчера искал куда бы запитать камеру с тюнером - решил что вернее всего будет от прикуривателя. снял снизу панельку -там ни в какую, полез сверху - снял магнитолу, расстояние тоже маленькое - так и не добрался до провода. Темнело - решил собрать все как есть, собрал завел - зажглась лампочка подушек безопасности и не выключается :( что делать щас не знаю. позвонил в сервис - сканирование 1200р...

_________________
SV -50 3S-FSE, 2000г, 200G, послерейстал. мультивижн, камера обгона, ДВД, подсветка салона...а теперь и камера ПАРКОВКИ :)


Вернуться к началу
 Профиль Отправить email  
Ответить на тему 
 Заголовок сообщения:
СообщениеДобавлено: 07 окт 2009, 13:17 
Не в сети
Гуру
Гуру
Аватара пользователя

Зарегистрирован: 05 окт 2006, 03:00
Сообщения: 2038
Тем: 48
Откуда: Н.Н.
Репутация: 53
днем, при свете хорошенько все осмотри. видать вчера в спешке что-то не подключил.

_________________
Ardeo (рестал 2000г.в., D4, диван, тв, мультик, shift matik...) + Ноах (2000г.в.) + Corolla (АЕ100)


Вернуться к началу
 Профиль  
Ответить на тему 
 Заголовок сообщения:
СообщениеДобавлено: 07 окт 2009, 14:58 
Не в сети
Любитель
Любитель
Аватара пользователя

Зарегистрирован: 31 июл 2008, 03:00
Сообщения: 91
Тем: 8
Откуда: Уфа
Репутация: 0
видать не дописал: так как сверху добраться не смог начал искать "+" в пучке проводов который идет снизу (АКБ по своей глупости не скинул соответственно). Нашел серый провод "+" чуть оголил и решил попробывать запитать камеру- не получилось. камера так и не показывала. после этого все собрал и завел, тока потом заметил что лампочка не гаснет. Позже када посмотрел - понял что серый как раз идет на подушку безопасности :(


Вложения:
мое подключение.jpg
мое подключение.jpg [ 103.11 КБ | Просмотров: 1615 ]
07102009(010) copy.jpg
07102009(010) copy.jpg [ 79.93 КБ | Просмотров: 1613 ]

_________________
SV -50 3S-FSE, 2000г, 200G, послерейстал. мультивижн, камера обгона, ДВД, подсветка салона...а теперь и камера ПАРКОВКИ :)
Вернуться к началу
 Профиль Отправить email  
Ответить на тему 
 Заголовок сообщения:
СообщениеДобавлено: 07 окт 2009, 15:06 
Не в сети
Любитель
Любитель
Аватара пользователя

Зарегистрирован: 31 июл 2008, 03:00
Сообщения: 91
Тем: 8
Откуда: Уфа
Репутация: 0
в обед все просмотрел, скинул АКБ, все по-притыкивал. Через мин 30 подключил АКБ -результат тотже. Я так полагаю - просто ошибка осталась от моего контактирования камеры и ее нада стереть.

_________________
SV -50 3S-FSE, 2000г, 200G, послерейстал. мультивижн, камера обгона, ДВД, подсветка салона...а теперь и камера ПАРКОВКИ :)


Вернуться к началу
 Профиль Отправить email  
Ответить на тему 

Показать сообщения за:  Поле сортировки  
Начать новую тему Ответить на тему

 [ Сообщений: 106 ]  На страницу Пред.  1 ... 3, 4, 5, 6, 7, 8  След.





* Поиск по сайту Вверх Вниз

Кто сейчас на конференции

Сейчас этот форум просматривают: нет зарегистрированных пользователей и гости: 11


Вы не можете начинать темы
Вы не можете отвечать на сообщения
Вы не можете редактировать свои сообщения
Вы не можете удалять свои сообщения
Вы не можете добавлять вложения

Найти:
Перейти:  
Текущее время: 30 апр 2026, 13:36
Часовой пояс: UTC + 7 часов
Powered by phpbb. (c) VistaClub.ru.    * Статистика