* Поиск по сайту Вверх Вниз



Начать новую тему Ответить на тему  [ Сообщений: 577 ]  На страницу Пред.  1 ... 3, 4, 5, 6, 7, 8, 9 ... 39  След.
Автор Сообщение
 Заголовок сообщения: Re: Дневные ходовые огни
СообщениеДобавлено: 17 ноя 2010, 21:56 
Не в сети
модератор
Аватара пользователя

Зарегистрирован: 05 май 2009, 03:00
Сообщения: 6759
Тем: 72
Откуда: Ставрополье
Блог: Посмотреть блог (7)
Машина: Toyota Vista
О машине: седан SV50, 3S-FSE, U240E, 98г.
Репутация: 1473
Рекламные ссылки. Показывается только незарегистрированным пользователям


Vyatich писал(а):
Я не в этом смысле, а с точки зрения милиции.

а им подробности можно и не рассказывать :)

_________________
Случайности не случайны...


Вернуться к началу
 Профиль  
Ответить на тему 

 Заголовок сообщения: Re: Дневные ходовые огни
СообщениеДобавлено: 17 ноя 2010, 22:13 
Не в сети
Давно на форуме
Аватара пользователя

Зарегистрирован: 25 янв 2009, 04:00
Сообщения: 10683
Тем: 155
Откуда: Косопузия (Рязань).
Машина: др. Toyota
О машине: SXU10 5S-FE белая ночь 057
Репутация: 1488
uraStav писал(а):
Vyatich писал(а):
Я не в этом смысле, а с точки зрения милиции.

а им подробности можно и не рассказывать :)


...т.к. "они" штраф выписывают не по подробностям, а по ФАКТУ имеющегося нарушения!
:smile: ...

_________________
:smoke: Я не парюсь. Уже не курю. Просто люблю на солнце посидеть.
(из личных наблюдений...)


Вернуться к началу
 Профиль  
Ответить на тему 
 Заголовок сообщения: Re: Дневные ходовые огни
СообщениеДобавлено: 18 ноя 2010, 11:16 
Не в сети
Фанат
Аватара пользователя

Зарегистрирован: 26 янв 2009, 04:00
Сообщения: 536
Тем: 10
Откуда: Новосибирск
Блог: Посмотреть блог (1)
Машина: Toyota Vista
О машине: SV50 3S-FSE N200G 06.2001
Репутация: 11
народ, еще раз напомню новые пункты правил:
19.4. Противотуманные фары могут использоваться:
* в условиях недостаточной видимости с ближним или дальним светом фар;
* в темное время суток на неосвещенных участках дорог совместно с ближним или дальним светом фар;
* вместо ближнего света фар в соответствии с пунктом 19.5 Правил.
19.5. В светлое время суток на всех движущихся транспортных средствах с целью их обозначения должны включаться фары ближнего света или дневные ходовые огни.


+ пояснения:
> Т.е. согласно п. 19.4 я могу ездить днем с включенными противотуманками, и при этом ближний свет и габариты могут быть выключены?
>> Именно так, можно ездить с включенными противотуманными фарами.


т.е. ездить с туманками днем вместо ДХО можно даже без включенных габаритных огней, что даже правильней!

_________________
2009-2021


Вернуться к началу
 Профиль  
Ответить на тему 
 Заголовок сообщения: Re: Дневные ходовые огни
СообщениеДобавлено: 18 ноя 2010, 12:22 
Не в сети
Местный
Местный
Аватара пользователя

Зарегистрирован: 01 янв 2006, 04:00
Сообщения: 10044
Тем: 182
Откуда: ХМАО Роман
Машина: др. неЯпонка
О машине: Volkswagen Tiguan
Репутация: 710
Kilovolt писал(а):

Поправте если я не прав.

Добавлено спустя 13 минут 54 секунды:
Рома, А почему я не могу править своё сообщение за 13 ноября?


Ты прав, все верно.


Юридически по букве текста ПДД получается что днем можно и без габаритов ездить. Хотя мне кажется где то (может в тех.реглманте или еще где) все таки прописано что при установки противотуманок нужно соблюсти условие что бы они включались только совместно с габаритами. Во всяком случае иное на заводе не делают.

На Висте в 50 кузове автосвет в большинстве комплектаций уже заложен, правда сделан он для удлбства Японце у которых в стране много тонелей. Что бы обмануть его достаточно заклеить фильтр справа возле лобового стекла черной изолентой и после этого свет будет включаться всегда при запуске двигателя, при условии что выкоючатель в соответствующем положении - автосвет.

Но не забывайте что у нас свет фар если выключатель останется в положении включено, гаснет после остановки двигателя, только если открывалась водительская дверь. Поэтому на автозапуске от сигнализации зимой, если выключатель фар не поставить в положение выключено, свет останется гореть и посадит вам заночь аккумулятор.


Касательно правки сообщений это скорее всего глюк программы сайта. Напиши админу сервера (VASH_Server ) в личку, он поможет если до сих пор нет правки.

_________________
Управлял шесть лет японской мечтой - Toyota Vista Ardeo, теперь управляю немецкой мечтой - DAS AUTO.


Вернуться к началу
 Профиль  
Ответить на тему 
 Заголовок сообщения: Re: Дневные ходовые огни
СообщениеДобавлено: 18 ноя 2010, 12:41 
Не в сети
Фанат
Аватара пользователя

Зарегистрирован: 26 янв 2009, 04:00
Сообщения: 536
Тем: 10
Откуда: Новосибирск
Блог: Посмотреть блог (1)
Машина: Toyota Vista
О машине: SV50 3S-FSE N200G 06.2001
Репутация: 11
Роман, я все это понимаю, поэтому и хочу переделать схему подключения протифотуманок! Фактически мне это запретить никто не может, т.к. это нигде не запрещено, зато и ПДД будет соблюдено :)
Можно конечно и ближний включать, но мне кажется, что уж если есть туманки, то пусть лучше они будут гореть в качестве ДХО...

_________________
2009-2021


Вернуться к началу
 Профиль  
Ответить на тему 
 Заголовок сообщения: Re: Дневные ходовые огни
СообщениеДобавлено: 18 ноя 2010, 17:04 
Не в сети
Специалист
Специалист
Аватара пользователя

Зарегистрирован: 23 янв 2010, 04:00
Сообщения: 219
Тем: 13
Откуда: Новосибирск
Машина: Toyota Vista Ardeo
О машине: VISTA ARDEO, SV55G, 3S-FE, 4WD, 1999
Репутация: 101
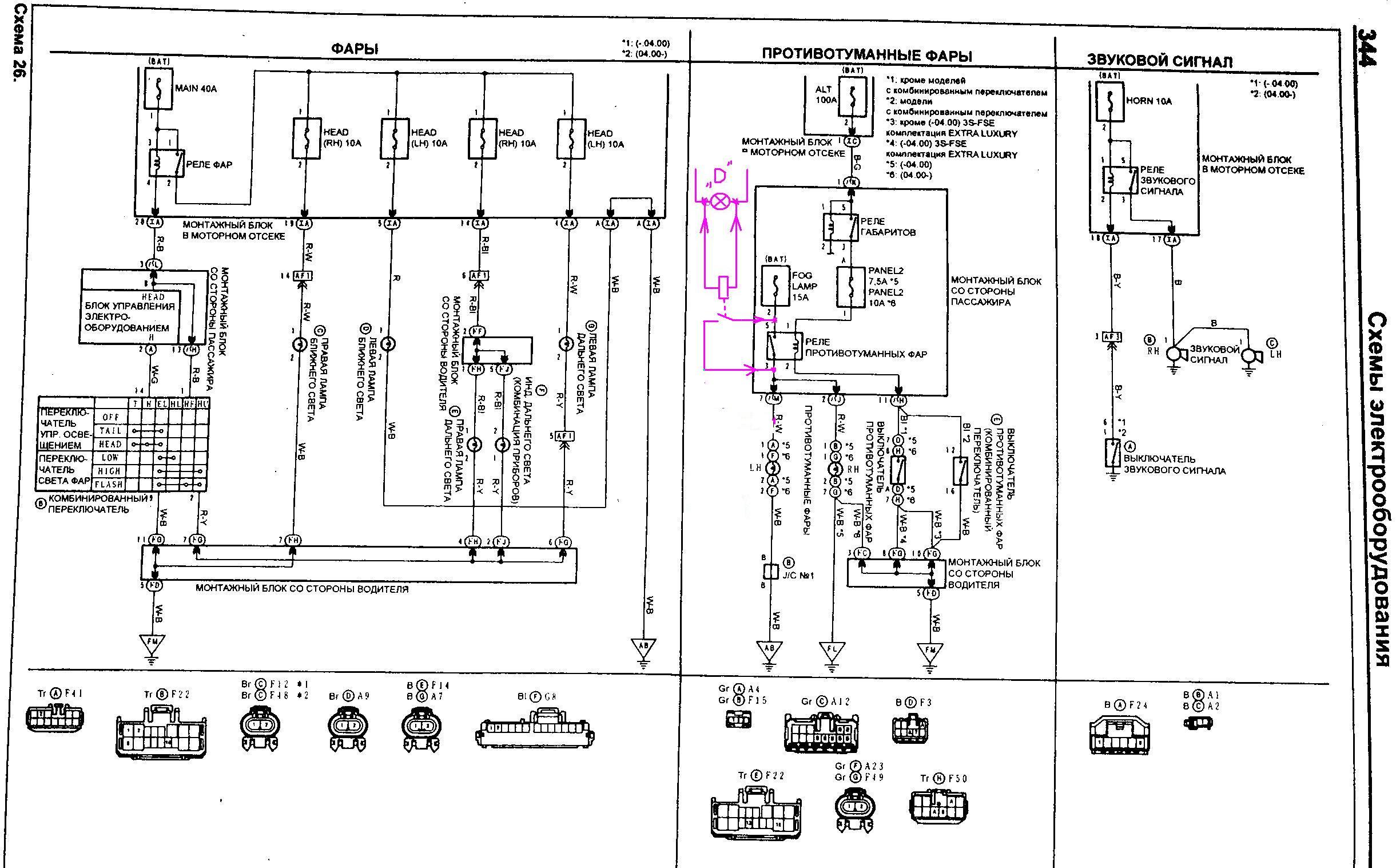
Всем привет. Cчастливые обладатели книги от легион авто, помогите пожалуйста.
Нужна СХЕМА 26. Фары. Противотуманные фары. Звуковой сигнал. на стр.344.

Ато на моей схеме туманок нет. :cry:

Сфотайте страничку каму не лень, пожаааалуйста.


Вернуться к началу
 Профиль Отправить email  
Ответить на тему 
 Заголовок сообщения: Re: Дневные ходовые огни
СообщениеДобавлено: 18 ноя 2010, 17:22 
Не в сети
Фанат
Аватара пользователя

Зарегистрирован: 26 янв 2009, 04:00
Сообщения: 536
Тем: 10
Откуда: Новосибирск
Блог: Посмотреть блог (1)
Машина: Toyota Vista
О машине: SV50 3S-FSE N200G 06.2001
Репутация: 11
надеюсь так пойдет


Вложения:
Комментарий к файлу: схема 26
26.jpg
26.jpg [ 769.79 КБ | Просмотров: 2035 ]

_________________
2009-2021
Вернуться к началу
 Профиль  
Ответить на тему 
 Заголовок сообщения: Re: Дневные ходовые огни
СообщениеДобавлено: 18 ноя 2010, 18:00 
Не в сети
Профи
Профи
Аватара пользователя

Зарегистрирован: 01 май 2008, 03:00
Сообщения: 757
Тем: 77
Откуда: РОССИЯ, Воронеж.
Машина: Toyota Vista
О машине: ZZV-50, 1ZZ, 1999г.
Репутация: 467
Kilovolt писал(а):
Всем привет. Cчастливые обладатели книги от легион авто, помогите пожалуйста.
Нужна СХЕМА 26. Фары. Противотуманные фары. Звуковой сигнал. на стр.344.

Ато на моей схеме туманок нет. :cry:

Сфотайте страничку каму не лень, пожаааалуйста.


Скачай эл.схемы здесь :arrow: :arrow: :arrow: http://files.gameworld.kz/21nt5zza0b.html


Вернуться к началу
 Профиль Отправить email  
Ответить на тему 
 Заголовок сообщения: Re: Дневные ходовые огни
СообщениеДобавлено: 18 ноя 2010, 20:04 
Не в сети
Специалист
Специалист
Аватара пользователя

Зарегистрирован: 23 янв 2010, 04:00
Сообщения: 219
Тем: 13
Откуда: Новосибирск
Машина: Toyota Vista Ardeo
О машине: VISTA ARDEO, SV55G, 3S-FE, 4WD, 1999
Репутация: 101
Спасибо за схему!
По ней видно, что реле туманок управляется с обоих сторон, по минусу как ближний с подрулевого переключателя, и по плюсу с габаритов, исключая их отдельную работу.
Но не забывайте в какой стране мы живём :crazy: :roll:
В общем, чтобы горели одни туманки надо взять реле помощнее, (с током как минимум 15 ампер на контактной группе) и тянуть провода (по толще, с сечением 1 мм) под бардачок на реле туманок.


Вложения:
26.jpg
26.jpg [ 484.84 КБ | Просмотров: 2024 ]
Вернуться к началу
 Профиль Отправить email  
Ответить на тему 
 Заголовок сообщения: Re: Дневные ходовые огни
СообщениеДобавлено: 18 ноя 2010, 23:00 
Не в сети
Специалист
Специалист
Аватара пользователя

Зарегистрирован: 08 апр 2009, 03:00
Сообщения: 173
Откуда: Алтай
Машина: Toyota Vista
О машине: 3sfse
Репутация: 76
Я вот задумал внедрить в туманки светодиоды жруть мало горят долго само то что нужно :) одна проблема разобрать туманку походу тяжко будет.

_________________
Toyota Vista 98г. 3S-FSE


Вернуться к началу
 Профиль  
Ответить на тему 
 Заголовок сообщения: Re: Дневные ходовые огни
СообщениеДобавлено: 19 ноя 2010, 01:50 
Не в сети
модератор
Аватара пользователя

Зарегистрирован: 05 май 2009, 03:00
Сообщения: 6759
Тем: 72
Откуда: Ставрополье
Блог: Посмотреть блог (7)
Машина: Toyota Vista
О машине: седан SV50, 3S-FSE, U240E, 98г.
Репутация: 1473
А может всётки нормальнозамкнутое и по датчику давления масла?

_________________
Случайности не случайны...


Вернуться к началу
 Профиль  
Ответить на тему 
 Заголовок сообщения: Re: Дневные ходовые огни
СообщениеДобавлено: 19 ноя 2010, 11:03 
Не в сети
Фанат
Аватара пользователя

Зарегистрирован: 26 янв 2009, 04:00
Сообщения: 536
Тем: 10
Откуда: Новосибирск
Блог: Посмотреть блог (1)
Машина: Toyota Vista
О машине: SV50 3S-FSE N200G 06.2001
Репутация: 11
uraStav писал(а):
А может всётки нормальнозамкнутое и по датчику давления масла?

согласен, только как писал Vyatich, лучше/логичнее по лампе зарядки (лампочка аккума на панели), ну или как там она называется... чтоб на аккум напруги лишней небыло при заводе.

_________________
2009-2021


Вернуться к началу
 Профиль  
Ответить на тему 
 Заголовок сообщения: Re: Дневные ходовые огни
СообщениеДобавлено: 19 ноя 2010, 12:27 
Не в сети
Специалист
Специалист
Аватара пользователя

Зарегистрирован: 23 янв 2010, 04:00
Сообщения: 219
Тем: 13
Откуда: Новосибирск
Машина: Toyota Vista Ardeo
О машине: VISTA ARDEO, SV55G, 3S-FE, 4WD, 1999
Репутация: 101
tiron писал(а):
uraStav писал(а):
А может всётки нормальнозамкнутое и по датчику давления масла?

согласен, только как писал Vyatich, лучше/логичнее по лампе зарядки (лампочка аккума на панели), ну или как там она называется... чтоб на аккум напруги лишней небыло при заводе.

Смысл светить фарами когда греешь машину, или просто стоишь на парковке с заведенным мотором?
Вот выйдет закон о том, что надо включать свет на ТС с работающем двигателем тогда да. Я отталкивался от слов: "В светлое время суток на всех движущихся транспортных средствах с целью их обозначения".


Вернуться к началу
 Профиль Отправить email  
Ответить на тему 
 Заголовок сообщения: Re: Дневные ходовые огни
СообщениеДобавлено: 19 ноя 2010, 12:43 
Не в сети
Специалист
Специалист
Аватара пользователя

Зарегистрирован: 28 авг 2008, 03:00
Сообщения: 166
Тем: 4
Машина: др. Toyota
Репутация: -37
В идеале сделать схемку, которая будет включать свет только когда заведенный двигатель и селектор переводится из D в любое положение. А тушить свет после выключения зажигания. Все можно сделать на реле. Только я как ездил всегда с ПТФ так и буду. Привычка уже выработалась. Никакие колхозы проводки делать не буду.


Вернуться к началу
 Профиль  
Ответить на тему 
 Заголовок сообщения: Re: Дневные ходовые огни
СообщениеДобавлено: 19 ноя 2010, 12:50 
Не в сети
модератор
Аватара пользователя

Зарегистрирован: 05 май 2009, 03:00
Сообщения: 6759
Тем: 72
Откуда: Ставрополье
Блог: Посмотреть блог (7)
Машина: Toyota Vista
О машине: седан SV50, 3S-FSE, U240E, 98г.
Репутация: 1473
Чисто по "Д" не очень правильно, хотя 99% движения авто происходит при этом положении селектора. Но, не забываем про движение задним ходом.

_________________
Случайности не случайны...


Вернуться к началу
 Профиль  
Ответить на тему 

Показать сообщения за:  Поле сортировки  
Начать новую тему Ответить на тему

 [ Сообщений: 577 ]  На страницу Пред.  1 ... 3, 4, 5, 6, 7, 8, 9 ... 39  След.





* Поиск по сайту Вверх Вниз

Кто сейчас на конференции

Сейчас этот форум просматривают: нет зарегистрированных пользователей и гости: 16


Вы не можете начинать темы
Вы не можете отвечать на сообщения
Вы не можете редактировать свои сообщения
Вы не можете удалять свои сообщения
Вы не можете добавлять вложения

Найти:
Перейти:  
Текущее время: 14 май 2026, 18:25
Часовой пояс: UTC + 7 часов
Powered by phpbb. (c) VistaClub.ru.    * Статистика