* Поиск по сайту Вверх Вниз



Начать новую тему Ответить на тему  [ Сообщений: 213 ]  На страницу Пред.  1 ... 4, 5, 6, 7, 8, 9, 10 ... 15  След.
Автор Сообщение
 Заголовок сообщения: Re: установка электроподогревателя антифриза,Тэна,на 12В
СообщениеДобавлено: 08 сен 2015, 10:46 
Не в сети
Механик - интеллектуал, Моторист - теоретик
Аватара пользователя

Зарегистрирован: 15 ноя 2013, 11:09
Сообщения: 469
Тем: 6
Откуда: Новосибирск
Блог: Посмотреть блог (1)
Машина: Toyota Vista Ardeo
О машине: SV50
Репутация: 550
Рекламные ссылки. Показывается только незарегистрированным пользователям


Контроль тэна надо цеплять последовательно с тэном, все что будет параллельно с тэном - будет работать независимо от тэна. Или вот еще вариант - термодатчики на каждый из тэнов нацепить.

_________________
Toyota Vista Ardeo 2000г.в., 3S-GTE, 4WD.
Toyota Chaser, 1997г.в., 1jz-ge, 2wd.
ЗЫ Лучшая машина - та, у которой есть потенциал!:)


Вернуться к началу
 Профиль Отправить email  
Ответить на тему 

 Заголовок сообщения: Re: установка электроподогревателя антифриза,Тэна,на 12В
СообщениеДобавлено: 08 сен 2015, 15:17 
Не в сети
Гуру
Гуру
Аватара пользователя

Зарегистрирован: 15 май 2014, 22:00
Сообщения: 2182
Тем: 43
Откуда: Красноярск
Блог: Посмотреть блог (2)
Машина: Toyota Vista Ardeo
О машине: SV55.5, 3S-FE, А243F, 4WD ATC+Torsen
Репутация: 3493
Последовательно нельзя, ТЭНы и так не штатно установленны, будут потреблять много энергии, а тут еще и мощные лампы нужно будет ставить. Термодатчики тоже не вариант, потому как ТЭНы стоят в радиоторе печки и кроме ТЭН его ещё греет антифриз, значит термодатчики буду сробатывать в любом случае не зависемо что нагрело радиатор. Здесь только электрика, другие физические принципы не прокатят. Я просто не верю, что не чего нельзя придумать. :rus: :rus: :rus:

_________________
Ardeo PRO version


Вернуться к началу
 Профиль Отправить email  
Ответить на тему 
 Заголовок сообщения: Re: установка электроподогревателя антифриза,Тэна,на 12В
СообщениеДобавлено: 08 сен 2015, 15:53 
Не в сети
Механик - интеллектуал, Моторист - теоретик
Аватара пользователя

Зарегистрирован: 15 ноя 2013, 11:09
Сообщения: 469
Тем: 6
Откуда: Новосибирск
Блог: Посмотреть блог (1)
Машина: Toyota Vista Ardeo
О машине: SV50
Репутация: 550
Ну яж говорю, что параллельно цеплять смысла нет. Последовательно надо. Мощную лампу нельзя, тэн греть не будет. Надо транзистор какой нибудь или ещё что нибудь, а им уже зажигать светодиод. Но вот как его сообразить я чет ума не приложу

Добавлено спустя 52 минуты 31 секунду:
вот надыбал что - на левом форуме:
Цитата:
valery125, зачем жгут проводов, сажаешь светодиод + гас. резистор прямо на клеммы тенов, подбираешь резистор так , что бы при обрыве он ярко горел, и всё. Светик , приветик!! мир, труд, май


алекс, ты все таки был прав:) параллельно цеплять можно:) так что цепляем красный светодиод и резистор на 300 ом параллельно с тэном. Если тэн работает, то падение напряжения на нем очень велико, и светодиод не зажгется. А если неисправен, то падения напряжения на нем нет, и светодиоду хватит питания зажечься:)

_________________
Toyota Vista Ardeo 2000г.в., 3S-GTE, 4WD.
Toyota Chaser, 1997г.в., 1jz-ge, 2wd.
ЗЫ Лучшая машина - та, у которой есть потенциал!:)


Вернуться к началу
 Профиль Отправить email  
Ответить на тему 
 Заголовок сообщения: Re: установка электроподогревателя антифриза,Тэна,на 12В
СообщениеДобавлено: 08 сен 2015, 18:37 
Не в сети
Гуру
Гуру
Аватара пользователя

Зарегистрирован: 15 май 2014, 22:00
Сообщения: 2182
Тем: 43
Откуда: Красноярск
Блог: Посмотреть блог (2)
Машина: Toyota Vista Ardeo
О машине: SV55.5, 3S-FE, А243F, 4WD ATC+Torsen
Репутация: 3493
Ну вот совсем другое дело!!!! :good: Как вычислил сопротивления резистора в (300 Ом)? :rus: У меня получается почему то 500 Ом!!! Может я чего то не правильно понимаю
Расчет светодиодного резистора
Светодиод должен иметь резистор последовательно соединенный в его цепи, для ограничения тока, проходящего через светодиод, иначе он сгорит практически мгновенно...
Резистор R определяется по формуле :
R = (V S - V L) / I
V S = напряжение питания
V L= прямое напряжение, расчётное для каждого типа диодов (как правило от 2 до 4волт)
I = ток светодиода (для красного диода 20мA)
напряжение питания V S = 12 В, и есть красный светодиод (V = 2V), требующие I = 20мA = 0.020A,
R = (12В - 2В) / 0.02A = 500 Ом.
Есть диоды которые уже с резисторами продаются, для подсветки приборной панели, подойдут ли он, что бы не паять. Или такой фокус не пройдет? :rus: :rus: :rus:

_________________
Ardeo PRO version


Вернуться к началу
 Профиль Отправить email  
Ответить на тему 
 Заголовок сообщения: Re: установка электроподогревателя антифриза,Тэна,на 12В
СообщениеДобавлено: 08 сен 2015, 18:46 
Не в сети
Механик - интеллектуал, Моторист - теоретик
Аватара пользователя

Зарегистрирован: 15 ноя 2013, 11:09
Сообщения: 469
Тем: 6
Откуда: Новосибирск
Блог: Посмотреть блог (1)
Машина: Toyota Vista Ardeo
О машине: SV50
Репутация: 550
Конечно последовательно со светодиодом!:) Сопротивление считал исходя из 15вольт напряжения и 2в 20ма тока в светодиоде, считал программой ElectroDroid:)
300-600ом резистор будет работать:)
зависит от светика конечно, но вообще, страндартный суперярки светик красного цвета живет от 1.85в 20ма.

_________________
Toyota Vista Ardeo 2000г.в., 3S-GTE, 4WD.
Toyota Chaser, 1997г.в., 1jz-ge, 2wd.
ЗЫ Лучшая машина - та, у которой есть потенциал!:)


Вернуться к началу
 Профиль Отправить email  
Ответить на тему 
 Заголовок сообщения: Re: установка электроподогревателя антифриза,Тэна,на 12В
СообщениеДобавлено: 08 сен 2015, 19:35 
Не в сети
Гуру
Гуру
Аватара пользователя

Зарегистрирован: 15 май 2014, 22:00
Сообщения: 2182
Тем: 43
Откуда: Красноярск
Блог: Посмотреть блог (2)
Машина: Toyota Vista Ardeo
О машине: SV55.5, 3S-FE, А243F, 4WD ATC+Torsen
Репутация: 3493
Ясно тогда буду ставить на 500 Ом на "верочку". Уже ближе к истине. Осталось одно "НО" Как понять почему не горит контролька, по причине не рабочей ТЭНы или по тому что сама не рабочая? :rus:

Добавлено спустя 1 час 57 минут 54 секунды:
Вот есть такая схема, как ее адаптировать для наших целей???? :?: :?: :?:

Эта схема позволяет определить не только поступает ли напряжение на прибор, но и потребляет ли прибор мощность. Так как могут быть варианты когда прибор не работает, например, из-за поломки или внутреннего отключения. Так вот этот индикатор показывает, работает прибор фактически или нет.

Схема содержит датчик тока на диодах VD1-VD6. Он практически берет небольшой кусочек одной полуволны, равный сумме прямых напряжений падения диодов VD1-VD5. Схема двунаправленная, то есть нагрузка или сеть может быть или на конце К1 или на конце К2. Когда цепь разомкнута (нагрузка выключена или неисправна, не работает), ток не протекает и на диодах VD1-VD5 ничего не падает.

Если же нагрузка включена и потребляет мощность, то через диоды VD1-VD5 протекает ток и на них выделяется некоторое пульсирующее напряжение. Которое своими пульсациями через диод VD7 заряжает емкость конденсатора С1. На этом конденсаторе появляется некоторое напряжение, достаточное для свечения светодиода HL1.

Важная особенность схемы в том, что индикатор работает в очень широком диапазоне потребляемой мощности. Это получается потому что диодам свойственно стабилизировать прямое напряжение падения и на линейном участке ВАХ диода оно уже почти не меняется в широком диапазоне тока.

Диоды VD1-VD6 должны быть такими, чтобы выдерживали максимальный ток нагрузки. Светодиод HL1 – может быть обычным индикаторным, но будет нагляднее, если поставить мигающий двуцветный светодиод.


Вложения:
86639382.jpg
86639382.jpg [ 49.1 КБ | Просмотров: 4348 ]

_________________
Ardeo PRO version
Вернуться к началу
 Профиль Отправить email  
Ответить на тему 
 Заголовок сообщения: Re: установка электроподогревателя антифриза,Тэна,на 12В
СообщениеДобавлено: 08 сен 2015, 21:45 
Не в сети
Механик - интеллектуал, Моторист - теоретик
Аватара пользователя

Зарегистрирован: 15 ноя 2013, 11:09
Сообщения: 469
Тем: 6
Откуда: Новосибирск
Блог: Посмотреть блог (1)
Машина: Toyota Vista Ardeo
О машине: SV50
Репутация: 550
Эта схема работает только на переменке, если не ошибаюсь.

_________________
Toyota Vista Ardeo 2000г.в., 3S-GTE, 4WD.
Toyota Chaser, 1997г.в., 1jz-ge, 2wd.
ЗЫ Лучшая машина - та, у которой есть потенциал!:)


Вернуться к началу
 Профиль Отправить email  
Ответить на тему 
 Заголовок сообщения: Re: установка электроподогревателя антифриза,Тэна,на 12В
СообщениеДобавлено: 08 сен 2015, 22:00 
Не в сети
Гуру
Гуру
Аватара пользователя

Зарегистрирован: 15 май 2014, 22:00
Сообщения: 2182
Тем: 43
Откуда: Красноярск
Блог: Посмотреть блог (2)
Машина: Toyota Vista Ardeo
О машине: SV55.5, 3S-FE, А243F, 4WD ATC+Torsen
Репутация: 3493
Все верно, потому и спрашивал можно ли адаптировать.

Добавлено спустя 44 минуты 49 секунд:
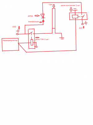
На данный момент есть две схемы подключения контролек. Теперь нужно только выбрать и (или) доработать, кто еще что предложит.


Вложения:
схема1.png
схема1.png [ 29.54 КБ | Просмотров: 4342 ]
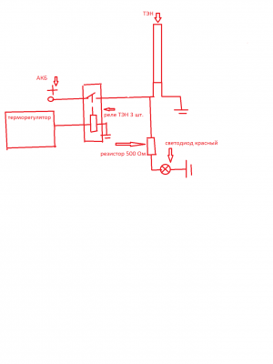
схема2.png
схема2.png [ 24.17 КБ | Просмотров: 4342 ]

_________________
Ardeo PRO version
Вернуться к началу
 Профиль Отправить email  
Ответить на тему 
 Заголовок сообщения: Re: установка электроподогревателя антифриза,Тэна,на 12В
СообщениеДобавлено: 09 сен 2015, 02:18 
Не в сети
модератор
Аватара пользователя

Зарегистрирован: 27 окт 2008, 04:00
Сообщения: 12728
Тем: 15
Откуда: Вятка
Машина: др. Японка
О машине: Toyota Prius 51
Репутация: 2381
Вторая схема скорее всего будет индицировать подачу питания на тэн. А в первой схеме, если убрать реле в цепи АСС и подать напряжение от зажигания, индикатор будет светиться при исправном и выключенном тэне, при включении нагрева он будет тухнуть. Я думаю что для контроля исправности тэна этого достаточно.

_________________
Vista Ardeo 1999, SV50, D4, Мультик, TV...


Вернуться к началу
 Профиль Отправить email  
Ответить на тему 
 Заголовок сообщения: Re: установка электроподогревателя антифриза,Тэна,на 12В
СообщениеДобавлено: 09 сен 2015, 09:00 
Не в сети
Механик - интеллектуал, Моторист - теоретик
Аватара пользователя

Зарегистрирован: 15 ноя 2013, 11:09
Сообщения: 469
Тем: 6
Откуда: Новосибирск
Блог: Посмотреть блог (1)
Машина: Toyota Vista Ardeo
О машине: SV50
Репутация: 550
Вятич, немного не так:) вот вторая схема как раз будет тухнуть при исправном тэне. А вот на первой схеме светодиод сгорит сразу же с тэном, ибо нет токоограничивающего резистора:)

Есть вариант доработать первую схему транзисторов.

Добрался до компа наконец то:)
Итак, смоделировал обе схемы. Обе работать не будут. Сгоревший тэн никак не влияет на поведение остальных элементов. Светодиод с резистором не загорается, потому что падение напряжения всегда везде одинаковое, ведь у нас система с одним источником тока и напряжения.
Нужно что то другое.

Добавлено спустя 2 часа 10 минут 45 секунд:
можно сделать примерно так, как сказал товарищ:
Последовательно к тенам проволочный резистор, параллельно к нему хоть лампочку, хоть светодиод.
По аналогии советских утюгов,- горит- ток есть, не горит- обрыв..

Но
Мощность, рассеиваемая на резисторе будет примерно такая же, что и на самом тэне. А так как питание у нас одно, то и тэн вполсилы греть будет. Это не то. Никаких резисторов, транзисторов или лампочек последовательно с тэном быть не должно, ибо потеря мощности.

Добавлено спустя 2 минуты 15 секунд:
Вот еще нашел вариант - этот даже сработает наверное:
самое простое и безопасное - трансформатор тока с нагрузкой в один светодиод.... и маленький будет и надёжный... взять ферритовое колечко сантиметров 5 диаметром, намотать 3-5 витков силовой обмотки, которая включится последовательно тэну, витков 100 вторички и померить ток во вторичке при включении тэна.... далее скорректировать число витков....

Добавлено спустя 1 минуту 33 секунды:
Вместо ферритового колечка можно намотать провод после тэна на геркон, и им включать светодиод. Стоит проверить.

Добавлено спустя 8 минут 24 секунды:
Вобщем обкурился интернета, и пришел к выводу, что самое простое - сделать на герконе.
Сейчас просчитаю схему и выложу результат сюда.

Добавлено спустя 2 часа 3 минуты 48 секунд:
Странно, но в некоторых симуляторах схем схемы работают, а в некоторых нет.
Исходить буду из того, что между тэнами и аккумулятором не должно быть никаких сопротивлений или диодов, чтобы избежать лишнего нагрева в неположенных местах и потери мощности.
Итак, поехали:
1. Схема с герконом работает, тэны контролируются раздельно, на мой взгляд самая нормальная схема. Нужно подобрать количество витков на герконе, чтобы он стабильно включался.
Получается дроссель с герконом вместо феррита. Ну или реле с почти нулевым сопротивлением, как вам удобно. Прямая логика работы - есть ток в проводах - есть контакт на герконе, и наоборот. Кстати, сработает, даже если будет не обрыв ТЭНа, а просто сопротивление ТЭНа увеличится. Работает от количества тока, проходящего по проводу вокруг геркона.

2. Схема с резистором и светодиодом параллельно тэну тоже работает, но там нет контроля тэнов отдельно. Загорится только если сгорят все тэны.(работает на падении напряжения на ТЭНе. Обратная логика работы - горит при неисправном тэне)

3. Схема с реле параллельно тэну тоже работает, но опять же нет контроля тэнов отдельно. (Тоже самое, что и выше, обратная логика работы)

4. Схема с трансформатором (кольцом) последовательно с тэном работает, но имеем большую потерю мощности на ферритовом кольце и сильный нагрев кольца из за большого тока и постоянного напряжения. Это плохо. Годится для переменки.

5. Вот еще - можно повесить амперметр до 20 ампер последовательно с каждым тэном:) Работать будет 100%. Но громоздко очень:)

Вобщем итог - контролировать просадку напряжения на более чем одном ТЭНе сложно и не имеет смысла.
Будем контролировать количество тока. Что и делает геркон:)

Помидоры приветствуются:)

Добавлено спустя 16 минут 47 секунд:
Алекс, если тебе не трудно, померь сопротивление тэнов:)
Картинки симуляции добавил


Вложения:
Комментарий к файлу: геркон - ТЭН неисправен
2015-09-09 13-20-24 Design1 - Multisim - [Design1  ].png
2015-09-09 13-20-24 Design1 - Multisim - [Design1 ].png [ 70.44 КБ | Просмотров: 4327 ]
Комментарий к файлу: геркон - ТЭН исправен
2015-09-09 13-20-45 Design1 - Multisim - [Design1  ].png
2015-09-09 13-20-45 Design1 - Multisim - [Design1 ].png [ 70.77 КБ | Просмотров: 4327 ]

_________________
Toyota Vista Ardeo 2000г.в., 3S-GTE, 4WD.
Toyota Chaser, 1997г.в., 1jz-ge, 2wd.
ЗЫ Лучшая машина - та, у которой есть потенциал!:)
Вернуться к началу
 Профиль Отправить email  
Ответить на тему 
 Заголовок сообщения: Re: установка электроподогревателя антифриза,Тэна,на 12В
СообщениеДобавлено: 09 сен 2015, 15:33 
Не в сети
модератор
Аватара пользователя

Зарегистрирован: 27 окт 2008, 04:00
Сообщения: 12728
Тем: 15
Откуда: Вятка
Машина: др. Японка
О машине: Toyota Prius 51
Репутация: 2381
По первой схеме указан не светодиод и все будет работать без реле АСС, по второй 500 ом это нормальный токоограничивающий и светодиод будет гореть всегда.

_________________
Vista Ardeo 1999, SV50, D4, Мультик, TV...


Вернуться к началу
 Профиль Отправить email  
Ответить на тему 
 Заголовок сообщения: Re: установка электроподогревателя антифриза,Тэна,на 12В
СообщениеДобавлено: 09 сен 2015, 18:45 
Не в сети
Гуру
Гуру
Аватара пользователя

Зарегистрирован: 15 май 2014, 22:00
Сообщения: 2182
Тем: 43
Откуда: Красноярск
Блог: Посмотреть блог (2)
Машина: Toyota Vista Ardeo
О машине: SV55.5, 3S-FE, А243F, 4WD ATC+Torsen
Репутация: 3493
Все верно, на первой схеме указан диод ( не светодиод), для того чтобы ток пропускал в одну сторону и простая лампочка контролька. Реле контролек добавил, что бы они горели не всегда, как заметил Vyatich, а только когда терморегулятор включает реле ТЭН вместе с реле контролек. Схема должна работать, но у нее есть один большой минус контролька будет гореть в любом случае пока ТЭН пропускает ток. А это значит, что если вдруг сгорит реле ТЭН и они не будут работать, контрольки все равно будут работать потому что сами они по прежнему будут пропускать ток. Наверно стоит схему доработать.
Может быть вот так.
Как только попаду в гараж обязательно замерю сопротивление ТЭН

Добавлено спустя 46 минут 3 секунды:
yandobrov писал(а):
1. Схема с герконом работает, тэны контролируются раздельно, на мой взгляд самая нормальная схема. Нужно подобрать количество витков на герконе, чтобы он стабильно включался.
Получается дроссель с герконом вместо феррита. Ну или реле с почти нулевым сопротивлением, как вам удобно. Прямая логика работы - есть ток в проводах - есть контакт на герконе, и наоборот. Кстати, сработает, даже если будет не обрыв ТЭНа, а просто сопротивление ТЭНа увеличится. Работает от количества тока, проходящего по проводу вокруг геркона.

2. Схема с резистором и светодиодом параллельно тэну тоже работает, но там нет контроля тэнов отдельно. Загорится только если сгорят все тэны.(работает на падении напряжения на ТЭНе. Обратная логика работы - горит при неисправном тэне)

3. Схема с реле параллельно тэну тоже работает, но опять же нет контроля тэнов отдельно. (Тоже самое, что и выше, обратная логика работы)

4. Схема с трансформатором (кольцом) последовательно с тэном работает, но имеем большую потерю мощности на ферритовом кольце и сильный нагрев кольца из за большого тока и постоянного напряжения. Это плохо. Годится для переменки.

5. Вот еще - можно повесить амперметр до 20 ампер последовательно с каждым тэном:) Работать будет 100%. Но громоздко очень:)

Вобщем итог - контролировать просадку напряжения на более чем одном ТЭНе сложно и не имеет смысла.
Будем контролировать количество тока. Что и делает геркон:)

Помидоры приветствуются:)

Добавлено спустя 16 минут 47 секунд:
Алекс, если тебе не трудно, померь сопротивление тэнов:)
Картинки симуляции добавил

Вот этот геркон надо последовательно в схему втыкать ( там провода толстенные сечением 4 мм)? На схемах одна контролька - один ТЭН. Т.е. еще две пары просто не дорисованный, они идут параллельно, так что все ТЭНы должны контролироваться своими контрольками.

Добавлено спустя 20 минут 55 секунд:
Вот такая еще схема но реле тогда 6 шт.


Вложения:
схема1.png
схема1.png [ 26.61 КБ | Просмотров: 4345 ]
Комментарий к файлу: Вот такая еще схема но реле тогда 6 шт.
схема3.png
схема3.png [ 22.5 КБ | Просмотров: 4343 ]

_________________
Ardeo PRO version
Вернуться к началу
 Профиль Отправить email  
Ответить на тему 
 Заголовок сообщения: Re: установка электроподогревателя антифриза,Тэна,на 12В
СообщениеДобавлено: 09 сен 2015, 20:03 
Не в сети
модератор
Аватара пользователя

Зарегистрирован: 27 окт 2008, 04:00
Сообщения: 12728
Тем: 15
Откуда: Вятка
Машина: др. Японка
О машине: Toyota Prius 51
Репутация: 2381
По первой схеме лампочка гореть никогда не будет, т.к. на нее два плюса подаются. Без реле АСС, если не нужно чтоб горела всегда при выключенном тэне, поставь кнопку, при нажатии будет проводится проверка целостности тэнов. Из двух вторых вариантов первый ни о чем, для второго нужно токовое реле. зачем усложнять только не знаю, на приусах никакого контроля тэнов насколько я знаю нет.

_________________
Vista Ardeo 1999, SV50, D4, Мультик, TV...


Вернуться к началу
 Профиль Отправить email  
Ответить на тему 
 Заголовок сообщения: Re: установка электроподогревателя антифриза,Тэна,на 12В
СообщениеДобавлено: 09 сен 2015, 20:19 
Не в сети
Гуру
Гуру
Аватара пользователя

Зарегистрирован: 15 май 2014, 22:00
Сообщения: 2182
Тем: 43
Откуда: Красноярск
Блог: Посмотреть блог (2)
Машина: Toyota Vista Ardeo
О машине: SV55.5, 3S-FE, А243F, 4WD ATC+Torsen
Репутация: 3493
вот и я об этом думаю, может уже не замарачиваться с этими контрольками. Что касается схемы, то вроде как должна работать, диод должен исключать влияние второго плюса, а при включении реле должен будет появляться минус.
Дак тогда и лишние реле контролек не нужны, вот такая схема в общем.


Вложения:
схема4.png
схема4.png [ 22.97 КБ | Просмотров: 4339 ]

_________________
Ardeo PRO version
Вернуться к началу
 Профиль Отправить email  
Ответить на тему 
 Заголовок сообщения: Re: установка электроподогревателя антифриза,Тэна,на 12В
СообщениеДобавлено: 09 сен 2015, 21:14 
Не в сети
модератор
Аватара пользователя

Зарегистрирован: 27 окт 2008, 04:00
Сообщения: 12728
Тем: 15
Откуда: Вятка
Машина: др. Японка
О машине: Toyota Prius 51
Репутация: 2381
Диод стоит для развязки цепей, а минус на втором конце будет через тэн только при снятом питании с АКБ(подключение как по первой схеме). Здесь же физически не может быть минуса на плюсе, это КЗ будет.

_________________
Vista Ardeo 1999, SV50, D4, Мультик, TV...


Вернуться к началу
 Профиль Отправить email  
Ответить на тему 

Показать сообщения за:  Поле сортировки  
Начать новую тему Ответить на тему

 [ Сообщений: 213 ]  На страницу Пред.  1 ... 4, 5, 6, 7, 8, 9, 10 ... 15  След.





* Поиск по сайту Вверх Вниз

Кто сейчас на конференции

Сейчас этот форум просматривают: нет зарегистрированных пользователей и гости: 0


Вы не можете начинать темы
Вы не можете отвечать на сообщения
Вы не можете редактировать свои сообщения
Вы не можете удалять свои сообщения
Вы не можете добавлять вложения

Найти:
Перейти:  
cron
Текущее время: 29 апр 2026, 04:37
Часовой пояс: UTC + 7 часов
Powered by phpbb. (c) VistaClub.ru.    * Статистика