* Поиск по сайту Вверх Вниз



Начать новую тему Ответить на тему  [ Сообщений: 111 ]  На страницу Пред.  1 ... 4, 5, 6, 7, 8  След.
Автор Сообщение
 Заголовок сообщения: Re: Как заменить приборную панель на мультивижен?
СообщениеДобавлено: 03 дек 2015, 13:23 
Не в сети
модератор
Аватара пользователя

Зарегистрирован: 27 окт 2008, 04:00
Сообщения: 12728
Тем: 15
Откуда: Вятка
Машина: др. Японка
О машине: Toyota Prius 51
Репутация: 2381
Рекламные ссылки. Показывается только незарегистрированным пользователям


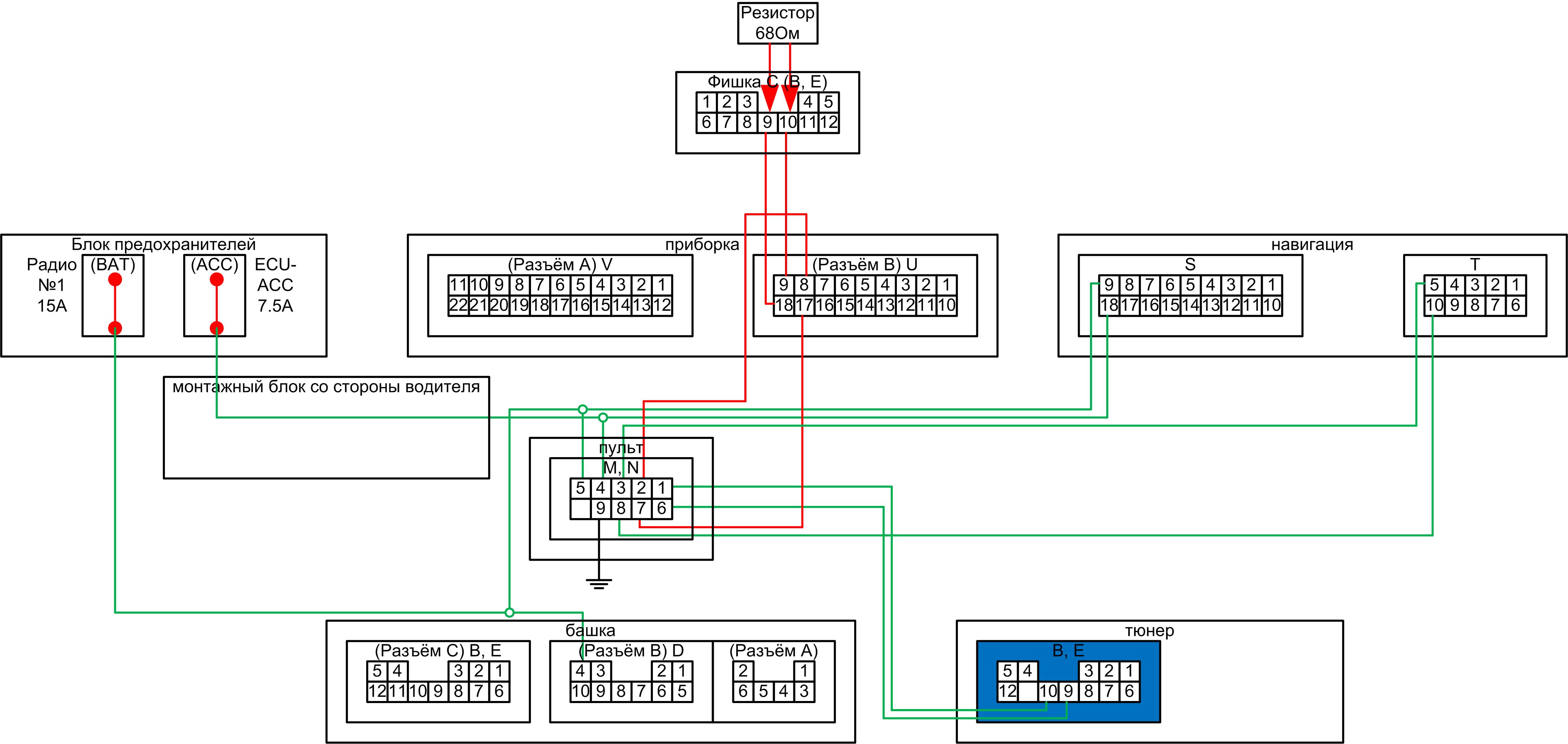
Подключается к приборке согласно схемы в книге, два провода - шина данных, +, -, и АСС. Так же вам нужно найти два провода шины данных выходящих с приборки на магнитолу и поставить резистор 68 Ом. Времени перерисовывать книжную схему нет.

_________________
Vista Ardeo 1999, SV50, D4, Мультик, TV...


Вернуться к началу
 Профиль Отправить email  
Ответить на тему 

 Заголовок сообщения: Re: Как заменить приборную панель на мультивижен?
СообщениеДобавлено: 03 дек 2015, 14:12 
Не в сети
Начинающий
Начинающий

Зарегистрирован: 01 июл 2015, 19:22
Сообщения: 12
Тем: 2
Откуда: Хабаровск
Машина: Toyota Vista Ardeo
О машине: SV50G 3SFE 1999г.в.
Репутация: -1
вот изобразил подключение рестайлового пульта, согласно схеме из книги, получается, что если не ставить башку, тюнер и навигашку, то надо подключить только 2 и 7 ногу пульта к 8 и 17 ногам соответственно разъёма "В" на приборке, 9 ногу пульта к ближайшему железному саморезу, резистор в фишку и всё?


Вложения:
аудиовсё.jpg
аудиовсё.jpg [ 848.72 КБ | Просмотров: 7118 ]
схема подключения пульт рестайл.jpg
схема подключения пульт рестайл.jpg [ 550.33 КБ | Просмотров: 7109 ]
Вернуться к началу
 Профиль Отправить email  
Ответить на тему 
 Заголовок сообщения: Установка Мультивижна!!!
СообщениеДобавлено: 14 янв 2016, 10:43 
Не в сети
Специалист
Специалист
Аватара пользователя

Зарегистрирован: 01 окт 2015, 12:07
Сообщения: 244
Тем: 58
Откуда: Хабаровск
Машина: др. Toyota
Репутация: 406
Всем привет. Сразу прошу не кидайте камнями и не говорите что темы уже сто раз обговаривались. Просто конкретно по моему вопросу нету ничего... вроде... В общем имеем желание воткнуть мультивижн на рестайловую Ардео, вместо многофункционального дисплея. Вопрос. Хватит ли для установки имеющегося комплекта: приборка с дисплеем, джойстик, ТВ - тюнер (всё на фото)??? Или всё - таки нужна магнитола??? Всё дело в том, что на машине, с которой я приобрел все эти девайсы, была установлена магнитола БЕЗ кнопки TV1/2!!! Но по всей видимости это всё работало и с такой магнитолой... Помогите плиз советом!!! Заранее спасибо добрым одноклубникам :)


Вложения:
IMG_20160114_38717.jpg
IMG_20160114_38717.jpg [ 53.05 КБ | Просмотров: 7200 ]
IMG_20160115_30765.jpg
IMG_20160115_30765.jpg [ 48.56 КБ | Просмотров: 7123 ]

_________________
Пересел на Ардео 2000 с Марка Зио 2009... Все вроде терпимо, но где, *ука, моя любимая кнопка "Старт-Стоп"??? ;)))


Последний раз редактировалось Antonel 15 янв 2016, 07:24, всего редактировалось 1 раз.
Вернуться к началу
 Профиль Отправить email  
Ответить на тему 
 Заголовок сообщения: Re: Установка Мультивижна!!!
СообщениеДобавлено: 14 янв 2016, 12:25 
Не в сети
Суровый Модератор
Аватара пользователя

Зарегистрирован: 18 июл 2011, 16:15
Сообщения: 3138
Тем: 45
Откуда: Новосибирск
Машина: Toyota Vista Ardeo
О машине: SV55
Репутация: 3439
Кнопка тв у тебя на джостике наверное , поэтому магнитола та нужна была что бы выдернуть нижнюю плату, есть темы на форуме надо поискать .


Вернуться к началу
 Профиль Отправить email  
Ответить на тему 
 Заголовок сообщения: Re: Установка Мультивижна!!!
СообщениеДобавлено: 14 янв 2016, 21:41 
Не в сети
Профи
Профи
Аватара пользователя

Зарегистрирован: 28 сен 2012, 00:48
Сообщения: 542
Тем: 34
Откуда: Новосибирск
Машина: Toyota Vista Ardeo
О машине: SV50 1998 старый добрый D4
Репутация: 539
если собираешься использовать тв тюнер то магнитолла нужна, если нет то резистор нужен на 68 ОМ между проводами тх+ тх- ставишь, без него джостик работать не будет! тема недавно была на форуме, если что обращайся - разберемся, схемы по электрике могу скинуть на почту!


Вернуться к началу
 Профиль Отправить email  
Ответить на тему 
 Заголовок сообщения: Re: Установка Мультивижна!!!
СообщениеДобавлено: 15 янв 2016, 06:29 
Не в сети
Специалист
Специалист
Аватара пользователя

Зарегистрирован: 01 окт 2015, 12:07
Сообщения: 244
Тем: 58
Откуда: Хабаровск
Машина: др. Toyota
Репутация: 406
Sanjabb писал(а):
если собираешься использовать тв тюнер то магнитолла нужна, если нет то резистор нужен на 68 ОМ между проводами тх+ тх- ставишь, без него джостик работать не будет! тема недавно была на форуме, если что обращайся - разберемся, схемы по электрике могу скинуть на почту!

А использовать тюнер для чего нужно? Он будет ловить наши каналы?

_________________
Пересел на Ардео 2000 с Марка Зио 2009... Все вроде терпимо, но где, *ука, моя любимая кнопка "Старт-Стоп"??? ;)))


Вернуться к началу
 Профиль Отправить email  
Ответить на тему 
 Заголовок сообщения: Re: Установка Мультивижна!!!
СообщениеДобавлено: 15 янв 2016, 11:31 
Не в сети
Специалист
Специалист
Аватара пользователя

Зарегистрирован: 28 сен 2013, 06:50
Сообщения: 104
Тем: 12
Откуда: г. Петропавловск-Камчатский
Машина: Toyota Vista Ardeo
О машине: AZV55; 1AZ; 2002; 4WD
Репутация: 6
Antonel писал(а):
Sanjabb писал(а):
если собираешься использовать тв тюнер то магнитолла нужна, если нет то резистор нужен на 68 ОМ между проводами тх+ тх- ставишь, без него джостик работать не будет! тема недавно была на форуме, если что обращайся - разберемся, схемы по электрике могу скинуть на почту!

А использовать тюнер для чего нужно? Он будет ловить наши каналы?

Тот тюнер который на фотке если он штатный ловить наши каналы не будет, для этого нужен адаптированный тюнер. Также к тюнеру можно подключить камеру заднего вида, либо мультимединое устройство для воспроизведения видео.


Вернуться к началу
 Профиль Отправить email  
Ответить на тему 
 Заголовок сообщения: Re: Установка Мультивижна!!!
СообщениеДобавлено: 15 янв 2016, 11:37 
Не в сети
Специалист
Специалист
Аватара пользователя

Зарегистрирован: 01 окт 2015, 12:07
Сообщения: 244
Тем: 58
Откуда: Хабаровск
Машина: др. Toyota
Репутация: 406
А использовать тюнер для чего нужно? Он будет ловить наши каналы?[/quote]
Тот тюнер который на фотке если он штатный ловить наши каналы не будет, для этого нужен адаптированный тюнер. Также к тюнеру можно подключить камеру заднего вида, либо мультимединое устройство для воспроизведения видео.[/quote]
С этого места поподробнее :) Адаптированный это переделанный штатный или изначально другой?

_________________
Пересел на Ардео 2000 с Марка Зио 2009... Все вроде терпимо, но где, *ука, моя любимая кнопка "Старт-Стоп"??? ;)))


Вернуться к началу
 Профиль Отправить email  
Ответить на тему 
 Заголовок сообщения: Re: Установка Мультивижна!!!
СообщениеДобавлено: 15 янв 2016, 11:45 
Не в сети
Специалист
Специалист
Аватара пользователя

Зарегистрирован: 28 сен 2013, 06:50
Сообщения: 104
Тем: 12
Откуда: г. Петропавловск-Камчатский
Машина: Toyota Vista Ardeo
О машине: AZV55; 1AZ; 2002; 4WD
Репутация: 6
Это другой тюнер, я покупал его за 3000 или 5000 уже не помню. В общем этот тюнер обсалбтно такой же как и штатный, имеет такие же разъемы+есть дополнительные разъемы под камеру заднего хода и под камеру обгона и соответственно ловит наши каналы


Вернуться к началу
 Профиль Отправить email  
Ответить на тему 
 Заголовок сообщения: Re: Установка Мультивижна!!!
СообщениеДобавлено: 15 янв 2016, 11:48 
Не в сети
Специалист
Специалист
Аватара пользователя

Зарегистрирован: 01 окт 2015, 12:07
Сообщения: 244
Тем: 58
Откуда: Хабаровск
Машина: др. Toyota
Репутация: 406
Nikolay1 писал(а):
Это другой тюнер, я покупал его за 3000 или 5000 уже не помню. В общем этот тюнер обсалбтно такой же как и штатный, имеет такие же разъемы+есть дополнительные разъемы под камеру заднего хода и под камеру обгона и соответственно ловит наши каналы

Название у него есть хоть какое-то?

_________________
Пересел на Ардео 2000 с Марка Зио 2009... Все вроде терпимо, но где, *ука, моя любимая кнопка "Старт-Стоп"??? ;)))


Вернуться к началу
 Профиль Отправить email  
Ответить на тему 
 Заголовок сообщения: Re: Установка Мультивижна!!!
СообщениеДобавлено: 15 янв 2016, 11:48 
Не в сети
Специалист
Специалист
Аватара пользователя

Зарегистрирован: 28 сен 2013, 06:50
Сообщения: 104
Тем: 12
Откуда: г. Петропавловск-Камчатский
Машина: Toyota Vista Ardeo
О машине: AZV55; 1AZ; 2002; 4WD
Репутация: 6
Забыл сказать, в штатный тоже можно подключить камеру з.х. и видео проигрователь

Добавлено спустя 5 минут 40 секунд:
Absolute TVR-toyota 2005

Добавлено спустя 8 минут 1 секунду:
http://vega-absolute.ru/tekhnicheskaya- ... -2005.html


Вернуться к началу
 Профиль Отправить email  
Ответить на тему 
 Заголовок сообщения: Ищу помощи, владельцы рестайлов Висты 50/55 или Ардео 50/55!
СообщениеДобавлено: 25 фев 2016, 11:42 
Не в сети
Специалист
Специалист
Аватара пользователя

Зарегистрирован: 01 окт 2015, 12:07
Сообщения: 244
Тем: 58
Откуда: Хабаровск
Машина: др. Toyota
Репутация: 406
Ко всем одноклубникам, имеющим счастье юзать Висту 50/55, или Ардео, 50/55, обязательно с Мультивижном, обязательно РЕСТАЙЛ, и обязательно с РАЗДЕЛЬНЫМИ передними сидениями, взываю о помощи. Посмотрите пожалуйста, и если не затруднит, сфотайте, какая фишка вставляется и куда ведет пучок проводов от нее, под водительским сидением.
Более детально опишу что интересует. Из бардачка между сидениями идет пучок проводов от джойстика, на его конце фишка "мама" 13-контактная, которая крепится пистоном к раме водительского сидения, вроде. Вот куда идет пучок проводов из фишки "папа", которая вставляется в маму?
Все дело в том, что хочу поставить мультивижн, есть в наличии обе косы основных которые отличаются у машин с мультивижном и без (подторпедная и правая салонная), и НИ НА ОДНОЙ из них нет требуемой фишки "папа" под разъем от джойстика...Такое ощущение, что там должна быть еще какая-то мини-коса, которая куда-то идет...
Очень нужно!
Всем откликнувшимся заранее мегареспект.

Добавлено спустя 4 часа 39 секунд:
Всё, сам разобрался, тему можно закрыть.


Вложения:
IMG_20160225_142811.jpg
IMG_20160225_142811.jpg [ 56.06 КБ | Просмотров: 7210 ]

_________________
Пересел на Ардео 2000 с Марка Зио 2009... Все вроде терпимо, но где, *ука, моя любимая кнопка "Старт-Стоп"??? ;)))
Вернуться к началу
 Профиль Отправить email  
Ответить на тему 
 Заголовок сообщения: Re: Ищу помощи, владельцы рестайлов Висты 50/55 или Ардео 50/55!
СообщениеДобавлено: 25 фев 2016, 17:31 
Не в сети
Суровый Модератор
Аватара пользователя

Зарегистрирован: 18 июл 2011, 16:15
Сообщения: 3138
Тем: 45
Откуда: Новосибирск
Машина: Toyota Vista Ardeo
О машине: SV55
Репутация: 3439
Напиши ответ то вдруг кому нибудь потребуется. Если не трудно. :wink:


Вернуться к началу
 Профиль Отправить email  
Ответить на тему 
 Заголовок сообщения: Re: Ищу помощи, владельцы рестайлов Висты 50/55 или Ардео 50/55!
СообщениеДобавлено: 26 фев 2016, 02:05 
Не в сети
Специалист
Специалист
Аватара пользователя

Зарегистрирован: 03 апр 2015, 15:17
Сообщения: 209
Тем: 21
Откуда: Новосибирск
Машина: Toyota Vista Ardeo
Репутация: 98
Имею счастье изать именно ту, что описывалась выше. Точно не помню. Кажется, под водительским всего 3 жгута. Могу ошибаться, т.к. химчистил прошлым летом. Первый жгут на Navi, второй на джойстик и третий - моторчики электронной регулировки водительского сиденья.
Другого там ничего и нет.

_________________
SV50G 3S-FSE 2001 Active Sports

Изображение


Вернуться к началу
 Профиль Отправить email  
Ответить на тему 
 Заголовок сообщения: Можно ли воткнуть мультивижн без штатной магнитолы и джойстика?
СообщениеДобавлено: 16 авг 2017, 14:48 
Не в сети
Начинающий
Начинающий

Зарегистрирован: 16 авг 2017, 13:39
Сообщения: 1
Откуда: Комсомольск-на-Амуре
Машина: Toyota Vista
О машине: 2002 г. 1-zz
Репутация: 0
Народ, привет, прошу помощи. Информации много, но конкретно по моему случаю разобраться не могу. Имеем:
-виста рестайл, 1зз, с простым табло, без тахометра.
Хочу:
-мультивижн исключительно для отображения обычной информации (обороты, расход, и т.п.) и для подключения к нему камеры заднего хода (телевидение, двд и прочее не нужно),
-чтобы это не отражалось на нормальной работе установленной нештатной магнитолы.
Просьба ткнуть пальцем на ссылку, если не трудно, что нужно (насчет табло и полки понятно). Нужен ли в этом случае джойстик и штатный мафон или можно обойтись ограниченным набором, по сравнению с полнофункциональным вариантом? Если что-то еще нужно, то что?


Вернуться к началу
 Профиль Отправить email  
Ответить на тему 

Показать сообщения за:  Поле сортировки  
Начать новую тему Ответить на тему

 [ Сообщений: 111 ]  На страницу Пред.  1 ... 4, 5, 6, 7, 8  След.





* Поиск по сайту Вверх Вниз

Кто сейчас на конференции

Сейчас этот форум просматривают: нет зарегистрированных пользователей и гости: 14


Вы не можете начинать темы
Вы не можете отвечать на сообщения
Вы не можете редактировать свои сообщения
Вы не можете удалять свои сообщения
Вы не можете добавлять вложения

Найти:
Перейти:  
Текущее время: 30 апр 2026, 06:16
Часовой пояс: UTC + 7 часов
Powered by phpbb. (c) VistaClub.ru.    * Статистика