* Поиск по сайту Вверх Вниз



Начать новую тему Ответить на тему  [ Сообщений: 5 ] 
Автор Сообщение
 Заголовок сообщения: фишки боковых зеркал 5pin и 7pin
СообщениеДобавлено: 26 апр 2012, 04:29 
Не в сети
Начинающий
Начинающий
Аватара пользователя

Зарегистрирован: 13 авг 2008, 03:00
Сообщения: 4
Тем: 2
Репутация: 0
Рекламные ссылки. Показывается только незарегистрированным пользователям


Доброго времени суток!
Люди помогите кто может. Решил поменять боковые зеркала с обычных на с подогревом.
У меня Ардео SV55 1999 года выпуска, там 5pin фишка а на зеркалах с обогревом 7 pi.
Ни где не могу найти раскладку по этим фишкам. Уже и книгу скачал, там тоже нет.
Помогите кто чем может.
Заранее благодарен.


Вернуться к началу
 Профиль  
Ответить на тему 

 Заголовок сообщения: Re: фишки боковых зеркал 5pin и 7pin
СообщениеДобавлено: 26 апр 2012, 11:42 
Не в сети
бывалый
Аватара пользователя

Зарегистрирован: 29 апр 2009, 03:00
Сообщения: 2345
Тем: 32
Откуда: Новосибирск
Блог: Посмотреть блог (18)
Машина: Toyota Vista
О машине: 1ZZ-FE, ZZV50, 99г, без тахо и тв
Репутация: 732
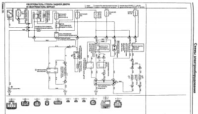
как это нет в книге?...все есть, стр. 351...осталось только разобраться )))...


Вложения:
p0351.JPG
p0351.JPG [ 405.9 КБ | Просмотров: 2338 ]

_________________
Была :Toyota Vista ZZV50 99г. без тахо (капиталка собственноручно)
Сейчас: Mitsubishi Outlander CW5W, 05г., 2.4, CVT, MMCS, Rockford
Вернуться к началу
 Профиль  
Ответить на тему 
 Заголовок сообщения: Re: фишки боковых зеркал 5pin и 7pin
СообщениеДобавлено: 27 апр 2012, 03:31 
Не в сети
Начинающий
Начинающий
Аватара пользователя

Зарегистрирован: 13 авг 2008, 03:00
Сообщения: 4
Тем: 2
Репутация: 0
Добрый день!
Спасибо, я нашел и даже больше есть еще и 336 стр. но разобраться в них я че-то пока не могу , уже два предохранителя спалил :( :( Если есть возможность по цветам объяснить, то было бы не плохо.
Заранее благодарю.


Вернуться к началу
 Профиль  
Ответить на тему 
 Заголовок сообщения: Re: фишки боковых зеркал 5pin и 7pin
СообщениеДобавлено: 27 апр 2012, 10:55 
Не в сети
бывалый
Аватара пользователя

Зарегистрирован: 29 апр 2009, 03:00
Сообщения: 2345
Тем: 32
Откуда: Новосибирск
Блог: Посмотреть блог (18)
Машина: Toyota Vista
О машине: 1ZZ-FE, ZZV50, 99г, без тахо и тв
Репутация: 732
цвета указаны на схеме возле проводов, вот расшифровка:
Вложение:
коды цветов.JPG
коды цветов.JPG [ 193.24 КБ | Просмотров: 2308 ]

_________________
Была :Toyota Vista ZZV50 99г. без тахо (капиталка собственноручно)
Сейчас: Mitsubishi Outlander CW5W, 05г., 2.4, CVT, MMCS, Rockford


Вернуться к началу
 Профиль  
Ответить на тему 
 Заголовок сообщения: Re: фишки боковых зеркал 5pin и 7pin
СообщениеДобавлено: 27 апр 2012, 11:24 
Не в сети
Начинающий
Начинающий
Аватара пользователя

Зарегистрирован: 13 авг 2008, 03:00
Сообщения: 4
Тем: 2
Репутация: 0
Спасибо!
Реально не увидел сразу эту страницу. Еще раз благодарю.
:smile: :mrgreen: :D :lol:


Вернуться к началу
 Профиль  
Ответить на тему 

Показать сообщения за:  Поле сортировки  
Начать новую тему Ответить на тему

 [ Сообщений: 5 ] 





* Поиск по сайту Вверх Вниз

Кто сейчас на конференции

Сейчас этот форум просматривают: нет зарегистрированных пользователей и гости: 0


Вы не можете начинать темы
Вы не можете отвечать на сообщения
Вы не можете редактировать свои сообщения
Вы не можете удалять свои сообщения
Вы не можете добавлять вложения

Найти:
Перейти:  
Текущее время: 30 апр 2026, 20:50
Часовой пояс: UTC + 7 часов
Powered by phpbb. (c) VistaClub.ru.    * Статистика