* Поиск по сайту Вверх Вниз



Начать новую тему Ответить на тему  [ Сообщений: 9 ] 
Автор Сообщение
 Заголовок сообщения: 4WS ЗАДНИЕ СТОЙКИ И ОПОРЫ
СообщениеДобавлено: 05 мар 2014, 22:00 
Не в сети
Специалист
Специалист
Аватара пользователя

Зарегистрирован: 10 сен 2013, 23:56
Сообщения: 109
Тем: 14
Откуда: 55 регион
Машина: Toyota Vista
О машине: sv33 3sfe
Репутация: 0
Рекламные ссылки. Показывается только незарегистрированным пользователям


Всем здрямс =)

сразу скажу машина в подписи!
снял заднию стойку и непонял нефига =)
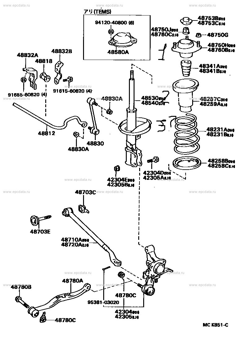
где тут опроный подшипник.(фоты прикладываю)
пружина опирается в чашку стойки ,при этом чашка жостко приваренна к стойке,при повороте колеса чашка а и сама пружина поворачиваются!
в верху ... не знаю как правильнее назвать ну короче упор пружины который к кузову крепится на него просто резинка и на неё пружина,причём железка к кузову тремя болтами,резинка просто лежит на железке и на неё пружина .... которая при повороте поворачивается вместе со стойкой...
итог при повороте стойки + пружины,вторая таки наровит повернуть резинку вместе с упором.

может тут колхоз какой!

вопрос номер два нафига у меня две резинки над пружиной.причём верхняя с останками бывшего пыльника с которым она являлась одним целым,а вторая просто типа проставки. так вот должна ли она там вообше быть?


Вложения:
Комментарий к файлу: стойка
1.jpg
1.jpg [ 981.44 КБ | Просмотров: 1351 ]
Комментарий к файлу: 2
2.jpg
2.jpg [ 930.15 КБ | Просмотров: 1351 ]
Комментарий к файлу: сама железяка опора с верху
3.jpg
3.jpg [ 926.01 КБ | Просмотров: 1351 ]
Комментарий к файлу: первая резинка с остатками пыльника
4.jpg
4.jpg [ 955.45 КБ | Просмотров: 1351 ]
Комментарий к файлу: вот вторая накой она тут?
5.jpg
5.jpg [ 957.05 КБ | Просмотров: 1351 ]

_________________
Дата выпуска о плану нумерации: сентябрь 1990
Наименование модели: CAMRY/VISTA
Модификация: VX
Описание модификации: VX TYPE
Каталожный номер: 281150
Модель кузова: SV33-BTPGK
Тип кузова: HT
Двигатель: 3SFE
Параметры двигателя: 2000CC 16-VALVE DOHC EFI
Вернуться к началу
 Профиль Отправить email  
Ответить на тему 

 Заголовок сообщения: Re: 4WS ЗАДНИЕ СТОЙКИ И ОПОРЫ
СообщениеДобавлено: 05 мар 2014, 23:20 
Не в сети
Профи
Профи
Аватара пользователя

Зарегистрирован: 31 мар 2013, 21:47
Сообщения: 609
Тем: 2
Откуда: Красноярск +79135090748
Машина: Toyota Vista Ardeo
О машине: ARDEO 200 TYPE SV55G-BWSMK 3s-fe 4wd
Репутация: 200
По идее должно быть так.

Сорри. картинка на 55й кузов.

Вот теперь правильная картинка...


Вложения:
задний аморт и подвеска.jpg
задний аморт и подвеска.jpg [ 333.86 КБ | Просмотров: 1339 ]
sv33.jpg
sv33.jpg [ 150.14 КБ | Просмотров: 1339 ]
Вернуться к началу
 Профиль Отправить email  
Ответить на тему 
 Заголовок сообщения: Re: 4WS ЗАДНИЕ СТОЙКИ И ОПОРЫ
СообщениеДобавлено: 06 мар 2014, 00:05 
Не в сети
Гуру
Гуру
Аватара пользователя

Зарегистрирован: 02 июл 2010, 03:00
Сообщения: 4108
Тем: 19
Откуда: Томск
Машина: Toyota Vista
О машине: SV32,3S-FE(3S-GE)1990г,2WD
Репутация: 908
Все правильно,в чашку стойки ставится резинка(проставка под пружину что бы не соскользнула и не брякало)
Потом на шток отбойник надеваешь.
Потом ставишь пружину и сверху пыльник,он сразу под посадку в чашку верхнюю и шток закрывает.
Все стягиваешь гайкой и :good:
Хоть у тебя и все резинки в плачевном состоянии,но колхоза нет,все как надо.


Вернуться к началу
 Профиль  
Ответить на тему 
 Заголовок сообщения: Re: 4WS ЗАДНИЕ СТОЙКИ И ОПОРЫ
СообщениеДобавлено: 06 мар 2014, 00:52 
Не в сети
Любитель
Любитель

Зарегистрирован: 15 фев 2014, 23:37
Сообщения: 40
Тем: 5
Откуда: Курск
Машина: Toyota Vista
О машине: SV33-0017976 4WS 1992 г. 3SF-E
Репутация: 0
Привет , а ты не менял задние шаровые , мои за гремели хочу менять.


Вернуться к началу
 Профиль Отправить email  
Ответить на тему 
 Заголовок сообщения: Re: 4WS ЗАДНИЕ СТОЙКИ И ОПОРЫ
СообщениеДобавлено: 06 мар 2014, 05:33 
Не в сети
Специалист
Специалист
Аватара пользователя

Зарегистрирован: 10 сен 2013, 23:56
Сообщения: 109
Тем: 14
Откуда: 55 регион
Машина: Toyota Vista
О машине: sv33 3sfe
Репутация: 0
Garry_46 писал(а):
Привет , а ты не менял задние шаровые , мои за гремели хочу менять.


нет ещё но тоже нужно

Evgenyslik писал(а):
Все правильно,в чашку стойки ставится резинка(проставка под пружину что бы не соскользнула и не брякало)
Потом на шток отбойник надеваешь.
Потом ставишь пружину и сверху пыльник,он сразу под посадку в чашку верхнюю и шток закрывает.
Все стягиваешь гайкой и :good:
Хоть у тебя и все резинки в плачевном состоянии,но колхоза нет,все как надо.


так вот по идее на рисунке три детали чашка отбойник пыльник(прокладка под пружину) а у меня четыре =) чашка отбойник пыльник(прокладка под пружину) и ещё резинка

Добавлено спустя 27 минут 15 секунд:
вот както так
на фоте три резинки на схеме две


Вложения:
Комментарий к файлу: 123
вот что это за 3

5.jpg
5.jpg [ 896.26 КБ | Просмотров: 1325 ]
Комментарий к файлу: 12

тут нету её

sv33.jpg
sv33.jpg [ 199.09 КБ | Просмотров: 1325 ]

_________________
Дата выпуска о плану нумерации: сентябрь 1990
Наименование модели: CAMRY/VISTA
Модификация: VX
Описание модификации: VX TYPE
Каталожный номер: 281150
Модель кузова: SV33-BTPGK
Тип кузова: HT
Двигатель: 3SFE
Параметры двигателя: 2000CC 16-VALVE DOHC EFI
Вернуться к началу
 Профиль Отправить email  
Ответить на тему 
 Заголовок сообщения: Re: 4WS ЗАДНИЕ СТОЙКИ И ОПОРЫ
СообщениеДобавлено: 06 мар 2014, 11:55 
Не в сети
Гуру
Гуру
Аватара пользователя

Зарегистрирован: 02 июл 2010, 03:00
Сообщения: 4108
Тем: 19
Откуда: Томск
Машина: Toyota Vista
О машине: SV32,3S-FE(3S-GE)1990г,2WD
Репутация: 908
Ну значит этот элемент левый,у тебя так сильно продавлена верхняя резина на опорной чашке что может кто до тебя поставил туда резинку какую левую.


Вернуться к началу
 Профиль  
Ответить на тему 
 Заголовок сообщения: Re: 4WS ЗАДНИЕ СТОЙКИ И ОПОРЫ
СообщениеДобавлено: 09 мар 2014, 11:00 
Не в сети
Специалист
Специалист
Аватара пользователя

Зарегистрирован: 10 сен 2013, 23:56
Сообщения: 109
Тем: 14
Откуда: 55 регион
Машина: Toyota Vista
О машине: sv33 3sfe
Репутация: 0
Evgenyslik писал(а):
Ну значит этот элемент левый,у тебя так сильно продавлена верхняя резина на опорной чашке что может кто до тебя поставил туда резинку какую левую.


а может это типа чтоб стойка могла поворачиваться не повреждая верхнею прокладку. 4 вс всётаки

_________________
Дата выпуска о плану нумерации: сентябрь 1990
Наименование модели: CAMRY/VISTA
Модификация: VX
Описание модификации: VX TYPE
Каталожный номер: 281150
Модель кузова: SV33-BTPGK
Тип кузова: HT
Двигатель: 3SFE
Параметры двигателя: 2000CC 16-VALVE DOHC EFI


Вернуться к началу
 Профиль Отправить email  
Ответить на тему 
 Заголовок сообщения: Re: 4WS ЗАДНИЕ СТОЙКИ И ОПОРЫ
СообщениеДобавлено: 09 мар 2014, 12:39 
Не в сети
Гуру
Гуру
Аватара пользователя

Зарегистрирован: 02 июл 2010, 03:00
Сообщения: 4108
Тем: 19
Откуда: Томск
Машина: Toyota Vista
О машине: SV32,3S-FE(3S-GE)1990г,2WD
Репутация: 908
На передней стойке есть проставка мод резиновый пыльник,а тут нет на схеме.
Значит не должно быть,еще как вариант попробуй отмой эту резинку и поищи на ней номер.
Я когда стойки задние перебирал,случайно наткнулся на номер на огрызке пыльника(пробил и узнал что он цельный,раньше даже не думал :lol: )
Вот если номер есть то можно пробить,все ясно станет запчасть это от твоей стойки или самопал какой.
Я склоняюсь к тому что это просто сам кто то поставил что бы грязь меньше летела или из за того что верхняя резина сильно продавилась вот и сделали подложку.


Вернуться к началу
 Профиль  
Ответить на тему 
 Заголовок сообщения: Re: 4WS ЗАДНИЕ СТОЙКИ И ОПОРЫ
СообщениеДобавлено: 09 мар 2014, 18:52 
Не в сети
Специалист
Специалист
Аватара пользователя

Зарегистрирован: 10 сен 2013, 23:56
Сообщения: 109
Тем: 14
Откуда: 55 регион
Машина: Toyota Vista
О машине: sv33 3sfe
Репутация: 0
стойки не родные =) на одной sv40 написанно было а вторая с ухом которое не используется! кстати проставочки такие на обоих!

_________________
Дата выпуска о плану нумерации: сентябрь 1990
Наименование модели: CAMRY/VISTA
Модификация: VX
Описание модификации: VX TYPE
Каталожный номер: 281150
Модель кузова: SV33-BTPGK
Тип кузова: HT
Двигатель: 3SFE
Параметры двигателя: 2000CC 16-VALVE DOHC EFI


Вернуться к началу
 Профиль Отправить email  
Ответить на тему 

Показать сообщения за:  Поле сортировки  
Начать новую тему Ответить на тему

 [ Сообщений: 9 ] 





* Поиск по сайту Вверх Вниз

Кто сейчас на конференции

Сейчас этот форум просматривают: нет зарегистрированных пользователей и гости: 4


Вы не можете начинать темы
Вы не можете отвечать на сообщения
Вы не можете редактировать свои сообщения
Вы не можете удалять свои сообщения
Вы не можете добавлять вложения

Найти:
Перейти:  
Текущее время: 05 май 2026, 20:21
Часовой пояс: UTC + 7 часов
Powered by phpbb. (c) VistaClub.ru.    * Статистика