* Поиск по сайту Вверх Вниз



Начать новую тему Ответить на тему  [ Сообщений: 3 ] 
Автор Сообщение
 Заголовок сообщения: Эл. Схема на ближний и дальний свет фар
СообщениеДобавлено: 01 сен 2020, 15:08 
Не в сети
Начинающий
Начинающий

Зарегистрирован: 01 сен 2020, 14:40
Сообщения: 2
Тем: 2
Откуда: Красноярск
Машина: Toyota Vista
О машине: Vista sv 30 1993 4s fe
Репутация: 0
Рекламные ссылки. Показывается только незарегистрированным пользователям


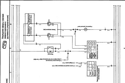
Добрый день! Будьте добры, подскажите какой провод идёт на управление ближним и дальним светом фар. Или схему в цвете. Пропал свет ближний и дальний. Через реле на прямую смыкаю работает. Может есть свои идеи у кого. Vista sv 30 4s-fe 1993. Заранее спасибо)


Вернуться к началу
 Профиль Отправить email  
Ответить на тему 

 Заголовок сообщения: Re: Эл. Схема на ближний и дальний свет фар
СообщениеДобавлено: 02 сен 2020, 12:48 
Не в сети
модератор
Аватара пользователя

Зарегистрирован: 27 окт 2008, 04:00
Сообщения: 12728
Тем: 15
Откуда: Вятка
Машина: др. Японка
О машине: Toyota Prius 51
Репутация: 2381
Цвет обозначен на схеме


Вложения:
свет 30.jpg
свет 30.jpg [ 20.15 КБ | Просмотров: 7271 ]

_________________
Vista Ardeo 1999, SV50, D4, Мультик, TV...
Вернуться к началу
 Профиль Отправить email  
Ответить на тему 
 Заголовок сообщения: Re: Эл. Схема на ближний и дальний свет фар
СообщениеДобавлено: 02 сен 2020, 16:00 
Не в сети
Начинающий
Начинающий

Зарегистрирован: 01 сен 2020, 14:40
Сообщения: 2
Тем: 2
Откуда: Красноярск
Машина: Toyota Vista
О машине: Vista sv 30 1993 4s fe
Репутация: 0
Спасибо большое, будем разбераться 8)


Вернуться к началу
 Профиль Отправить email  
Ответить на тему 

Показать сообщения за:  Поле сортировки  
Начать новую тему Ответить на тему

 [ Сообщений: 3 ] 





* Поиск по сайту Вверх Вниз

Кто сейчас на конференции

Сейчас этот форум просматривают: нет зарегистрированных пользователей и гости: 15


Вы не можете начинать темы
Вы не можете отвечать на сообщения
Вы не можете редактировать свои сообщения
Вы не можете удалять свои сообщения
Вы не можете добавлять вложения

Найти:
Перейти:  
cron
Текущее время: 30 апр 2026, 09:16
Часовой пояс: UTC + 7 часов
Powered by phpbb. (c) VistaClub.ru.    * Статистика