* Поиск по сайту Вверх Вниз



Начать новую тему Ответить на тему  [ Сообщений: 24 ]  На страницу 1, 2  След.
Автор Сообщение
 Заголовок сообщения: Возможно ли подключить видео источник без тв-тюнера?
СообщениеДобавлено: 29 сен 2008, 13:52 
Не в сети
Начинающий
Начинающий

Зарегистрирован: 29 сен 2008, 03:00
Сообщения: 13
Тем: 1
Откуда: Якутск
Машина: Toyota Vista Ardeo
О машине: SV55 3SFE 99г.
Репутация: 0
Рекламные ссылки. Показывается только незарегистрированным пользователям


Обнаружил то что в машине снят тюнер, а хотелось бы подключить dvd без покупки нового тюнера.


Вернуться к началу
 Профиль  
Ответить на тему 

 Заголовок сообщения:
СообщениеДобавлено: 30 сен 2008, 06:07 
Не в сети
Гуру
Гуру
Аватара пользователя

Зарегистрирован: 08 авг 2007, 03:00
Сообщения: 1169
Тем: 42
Откуда: Хабаровск
Репутация: 86
Авто какое? Какого года? Послерестайлинг или до? Если послерестайлинг, то:
DVD то ты подключишь, не проблема. Но кто его показывать будет? Панели приборов должна комманда придти как раз от ТВ тюнера что нужно показывать видео. А кто комманду пришлет, если тюнера нет?
Вот блок кнопок на подлокотнике, он посылает комманды в тюнер (там 2 провода TX+ и TX-, а с тюнера уже идут комманды на панель приборов и на магнитоллу, чтобы звук пашел.

На дорестайлинге все проще, но не знаю как. Там на самой магнитолле есть кнопка TV. Там может и без тюнера можно обойтись.

_________________
А связь у меня никогда не обpыва¬%Я(¦P^1AZFSE NO CARRIER


Вернуться к началу
 Профиль  
Ответить на тему 
 Заголовок сообщения:
СообщениеДобавлено: 30 сен 2008, 06:27 
Не в сети
Начинающий
Начинающий

Зарегистрирован: 29 сен 2008, 03:00
Сообщения: 13
Тем: 1
Откуда: Якутск
Машина: Toyota Vista Ardeo
О машине: SV55 3SFE 99г.
Репутация: 0
ham писал(а):
Авто какое? Какого года? Послерестайлинг или до?

Ardeo 99 г. дорестайлинг.


Вернуться к началу
 Профиль  
Ответить на тему 
 Заголовок сообщения:
СообщениеДобавлено: 30 сен 2008, 08:35 
Не в сети
Специалист
Специалист

Зарегистрирован: 05 апр 2008, 03:00
Сообщения: 310
Тем: 14
Откуда: Столица нашей родины
Машина: Toyota Vista Ardeo
Репутация: 0
Cамый простой способ -поменять мафон на dvd с поддержкой mp4,благо цены от 1700,DVD-ресивер Prology DMD-190 B/G -2600рэ с пультом,
есть и DVD-ресивер AKAI ADV-63DR с пультом 2050 руб.Одна проблема встанет-рамку найти(заказать) :D и тв тюнер можешь забыть

_________________
Ардэо D4-1AZ


Вернуться к началу
 Профиль  
Ответить на тему 
 Заголовок сообщения:
СообщениеДобавлено: 30 сен 2008, 09:30 
Не в сети
Гуру
Гуру
Аватара пользователя

Зарегистрирован: 08 авг 2007, 03:00
Сообщения: 1169
Тем: 42
Откуда: Хабаровск
Репутация: 86
Ronatex писал(а):
Cамый простой способ -поменять мафон на dvd с поддержкой mp4,благо цены от 1700,DVD-ресивер Prology DMD-190 B/G -2600рэ с пультом,
есть и DVD-ресивер AKAI ADV-63DR с пультом 2050 руб.Одна проблема встанет-рамку найти(заказать) :D и тв тюнер можешь забыть

Если ты выдерешь мафон штатный, то кнопки перестанут работать на подлокотнике.

_________________
А связь у меня никогда не обpыва¬%Я(¦P^1AZFSE NO CARRIER


Вернуться к началу
 Профиль  
Ответить на тему 
 Заголовок сообщения: Re: Возможно ли подключить видео источник без тв-тюнера?
СообщениеДобавлено: 30 сен 2008, 09:37 
Не в сети
Гуру
Гуру
Аватара пользователя

Зарегистрирован: 08 авг 2007, 03:00
Сообщения: 1169
Тем: 42
Откуда: Хабаровск
Репутация: 86
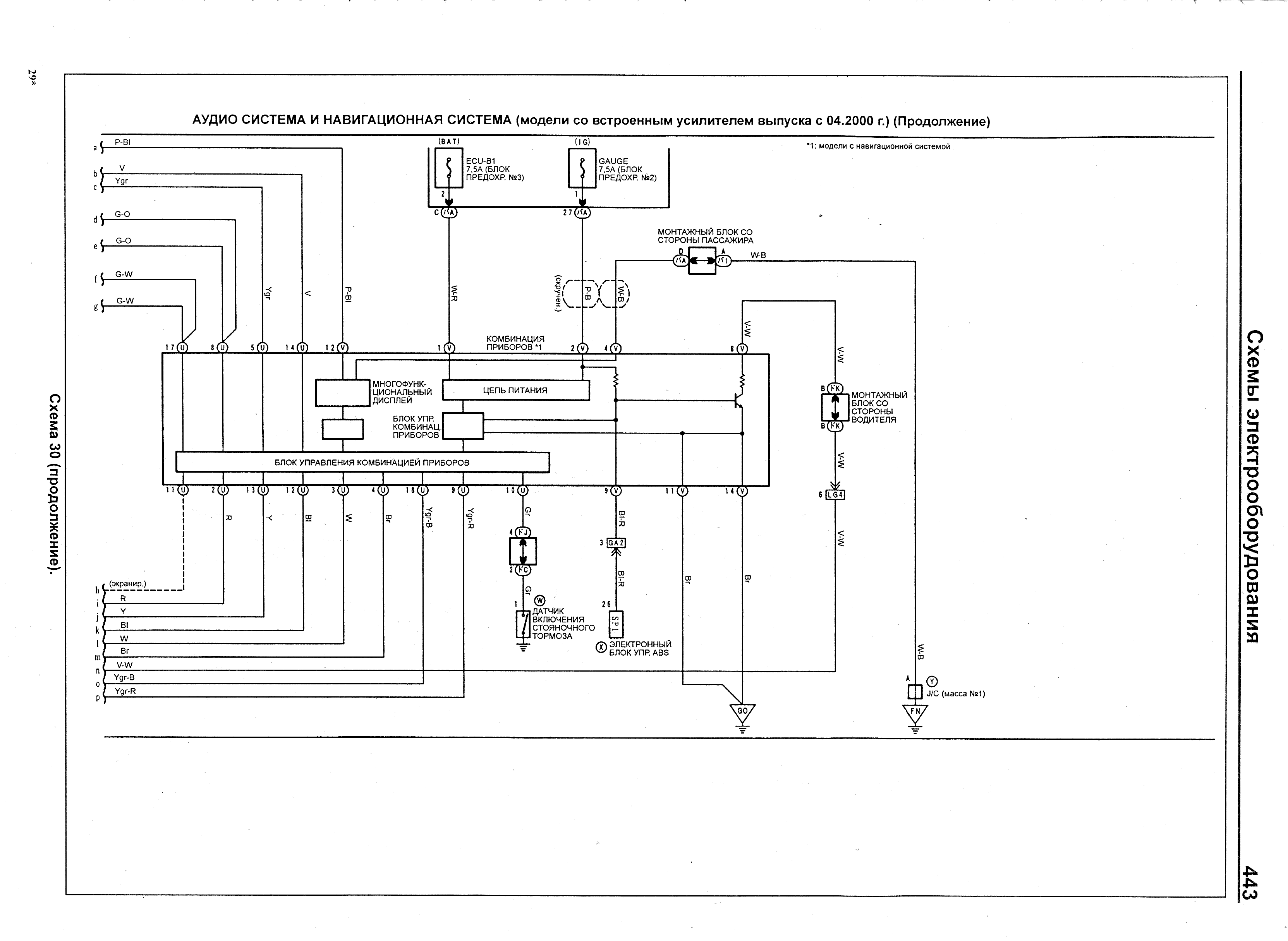
VORON писал(а):
Обнаружил то что в машине снят тюнер, а хотелось бы подключить dvd без покупки нового тюнера.

Тебе лучше всего купить тюнер на secam.ru Он вместо родного ставиться.
А в принципе можно подключить двд и без тюнера, но нужно думать. Вот схемы. Покажешь какому нить электрику, он тебе подключит.


Вложения:
Image-30.gif
Image-30.gif [ 252.38 КБ | Просмотров: 1350 ]
Image-31.gif
Image-31.gif [ 208.45 КБ | Просмотров: 1386 ]

_________________
А связь у меня никогда не обpыва¬%Я(¦P^1AZFSE NO CARRIER
Вернуться к началу
 Профиль  
Ответить на тему 
 Заголовок сообщения:
СообщениеДобавлено: 30 сен 2008, 13:51 
Не в сети
Начинающий
Начинающий

Зарегистрирован: 29 сен 2008, 03:00
Сообщения: 13
Тем: 1
Откуда: Якутск
Машина: Toyota Vista Ardeo
О машине: SV55 3SFE 99г.
Репутация: 0
А если на NTSC и GND, которые, судя по схеме, идут от тюнера напрямую на монитор, подать видео сигнал с какого нибудь источника результат будет?


Вернуться к началу
 Профиль  
Ответить на тему 
 Заголовок сообщения:
СообщениеДобавлено: 30 сен 2008, 14:37 
Не в сети
Гуру
Гуру
Аватара пользователя

Зарегистрирован: 09 авг 2007, 03:00
Сообщения: 1460
Тем: 28
Откуда: Барнаул
Машина: Toyota Vista Ardeo
О машине: 3S-FSE, SV50, рестайлинг
Репутация: 2
нужен и сигнал в NTSC формате чтобы был !!!
Ham, а не кинешь на послерестайленговую схемки такие :lol: !!!
зарание спасиб

_________________
Лень - двигатель прогресса....
Ardeo 2000 г. 3S-FSE беленькая
Изображение


Вернуться к началу
 Профиль  
Ответить на тему 
 Заголовок сообщения:
СообщениеДобавлено: 30 сен 2008, 14:55 
Не в сети
Начинающий
Начинающий

Зарегистрирован: 29 сен 2008, 03:00
Сообщения: 13
Тем: 1
Откуда: Якутск
Машина: Toyota Vista Ardeo
О машине: SV55 3SFE 99г.
Репутация: 0
Karlson писал(а):
нужен и сигнал в NTSC формате чтобы был !!!

Это само собой, сигнал пойдёт в NTSC. Будет ли монитор показывать этот сигнал?


Вернуться к началу
 Профиль  
Ответить на тему 
 Заголовок сообщения:
СообщениеДобавлено: 30 сен 2008, 15:49 
Не в сети
Специалист
Специалист

Зарегистрирован: 05 апр 2008, 03:00
Сообщения: 310
Тем: 14
Откуда: Столица нашей родины
Машина: Toyota Vista Ardeo
Репутация: 0
от старого мафона сохранил нижнюю плату,и управление кнопок подлокотника полноценно сохранилось-щас решаю задачу-подать звук от ТВ тюнера-пока показывает-но тишина.
Купил по ошибке еще один мафон с кнопками на ТВ, управление с подлокотника тормозит, Сд заикается..надоело все...поставил соньку с МР3 и с расширенным радио...о какой звук у него..в разы лучше,чем стандартный.А цена вопроса лишь 2.5кило рубля и 8 проводов счастья.
причем провода нерезал,а продублировал,чтоб в любой момент штатный поставить.
А мафон с кнопкой ТВ с одним СД(не чейнджер) уже стал лишним...

_________________
Ардэо D4-1AZ


Вернуться к началу
 Профиль  
Ответить на тему 
 Заголовок сообщения:
СообщениеДобавлено: 30 сен 2008, 19:03 
Не в сети
Гуру
Гуру
Аватара пользователя

Зарегистрирован: 08 авг 2007, 03:00
Сообщения: 1169
Тем: 42
Откуда: Хабаровск
Репутация: 86
VORON писал(а):
Karlson писал(а):
нужен и сигнал в NTSC формате чтобы был !!!

Это само собой, сигнал пойдёт в NTSC. Будет ли монитор показывать этот сигнал?

Будет, если на монитор (на панель приборов) придет сигнал от мафона (когда ты кнопку TV на нем нажмешь). Но и про звук не забывай. Нафига тебе видео без звука? Звук цепляй на штатный мафон на AR+ AL+ AR- AL-. Может и заработает :) Хотя мож еще че надо... Короче надо брать и тестить.

_________________
А связь у меня никогда не обpыва¬%Я(¦P^1AZFSE NO CARRIER


Вернуться к началу
 Профиль  
Ответить на тему 
 Заголовок сообщения:
СообщениеДобавлено: 30 сен 2008, 19:08 
Не в сети
Гуру
Гуру
Аватара пользователя

Зарегистрирован: 08 авг 2007, 03:00
Сообщения: 1169
Тем: 42
Откуда: Хабаровск
Репутация: 86
Karlson писал(а):
нужен и сигнал в NTSC формате чтобы был !!!
Ham, а не кинешь на послерестайленговую схемки такие :lol: !!!
зарание спасиб


Вложения:
Image-49.gif
Image-49.gif [ 397.02 КБ | Просмотров: 1312 ]
Image-50.gif
Image-50.gif [ 389.05 КБ | Просмотров: 1319 ]
Image-51.gif
Image-51.gif [ 155.43 КБ | Просмотров: 1319 ]

_________________
А связь у меня никогда не обpыва¬%Я(¦P^1AZFSE NO CARRIER
Вернуться к началу
 Профиль  
Ответить на тему 
 Заголовок сообщения:
СообщениеДобавлено: 03 окт 2008, 05:58 
Не в сети
Любитель
Любитель

Зарегистрирован: 02 мар 2006, 04:00
Сообщения: 57
Тем: 1
Откуда: Новороссийск
Машина: Toyota Vista
О машине: 06/2000 (3S-FSE)
Репутация: 0
Ronatex писал(а):
от старого мафона сохранил нижнюю плату,и управление кнопок подлокотника полноценно сохранилось-щас решаю задачу-подать звук от ТВ тюнера-пока показывает-но тишина.


http://www.secam.ru/rus/forum_viewtopic.php?4.994
Первый пост, пункт 7. Наверно так. Если правильно понял то разговор про штатный тюнер.

_________________
= Vista 06/2000г. (3S-FSE) =


Вернуться к началу
 Профиль Отправить email  
Ответить на тему 
 Заголовок сообщения:
СообщениеДобавлено: 04 окт 2008, 02:01 
Не в сети
Любитель
Любитель

Зарегистрирован: 02 мар 2006, 04:00
Сообщения: 57
Тем: 1
Откуда: Новороссийск
Машина: Toyota Vista
О машине: 06/2000 (3S-FSE)
Репутация: 0
На том же secam.ru есть переходник для подключения AV источника к тюнеру (cкорее всего к не штатному): http://www.secam.ru/rus/news.php?extend.4

To Ronatex:
Если у тебя транскодер вместо штатного ТВ тюнера, то переходник решает вопрос?

_________________
= Vista 06/2000г. (3S-FSE) =


Вернуться к началу
 Профиль Отправить email  
Ответить на тему 
 Заголовок сообщения:
СообщениеДобавлено: 05 окт 2008, 10:52 
Не в сети
Начинающий
Начинающий

Зарегистрирован: 29 сен 2008, 03:00
Сообщения: 13
Тем: 1
Откуда: Якутск
Машина: Toyota Vista Ardeo
О машине: SV55 3SFE 99г.
Репутация: 0
Подключил сегодня видео источник к NTSC и результата нет. Кнопку ТВ нажимаю, а там как обычно надпись тока что то там про TV на яповском.


Вернуться к началу
 Профиль  
Ответить на тему 

Показать сообщения за:  Поле сортировки  
Начать новую тему Ответить на тему

 [ Сообщений: 24 ]  На страницу 1, 2  След.





* Поиск по сайту Вверх Вниз

Кто сейчас на конференции

Сейчас этот форум просматривают: нет зарегистрированных пользователей и гости: 1


Вы не можете начинать темы
Вы не можете отвечать на сообщения
Вы не можете редактировать свои сообщения
Вы не можете удалять свои сообщения
Вы не можете добавлять вложения

Найти:
Перейти:  
Текущее время: 02 май 2026, 22:41
Часовой пояс: UTC + 7 часов
Powered by phpbb. (c) VistaClub.ru.    * Статистика