* Поиск по сайту Вверх Вниз



Начать новую тему Ответить на тему  [ Сообщений: 8 ] 
Автор Сообщение
 Заголовок сообщения: Стук с правой стороны двигателя на холостых.
СообщениеДобавлено: 07 мар 2011, 13:29 
Не в сети
Начинающий
Начинающий

Зарегистрирован: 14 дек 2010, 22:26
Сообщения: 8
Тем: 1
Машина: Toyota Vista Ardeo
О машине: 1zz
Репутация: 0
Рекламные ссылки. Показывается только незарегистрированным пользователям


Двигатель 1ZZ. сталкнулся с такой неприятностью: Справой стороны двигателя на холостых оборотах слышан стук, причем он перекатывающийся, т.е. не постоянный монотонный, а частота разная. Грешил на цепь - поменял, вроде лучше стало, но всеравно немногобыл. Сейчас после 15 000 км. опять слышан нормально. Зап. части покупал оригинальные в хорошем магазине, не верю что снова цепь (Кстати менял старую мастер сказал, что вполне нормальная и все причендалы тоже, в том числе и VVTI). Может кто сталкивался с такой проблемой?


Вернуться к началу
 Профиль Отправить email  
Ответить на тему 

 Заголовок сообщения: Re: Нужен совет знающего...
СообщениеДобавлено: 07 мар 2011, 17:43 
Не в сети
местный модератор
Аватара пользователя

Зарегистрирован: 12 фев 2009, 04:00
Сообщения: 7539
Тем: 100
Откуда: Хабаровск
Блог: Посмотреть блог (6)
Машина: Toyota Vista Ardeo
О машине: серебристая с ресничками
Репутация: 1791
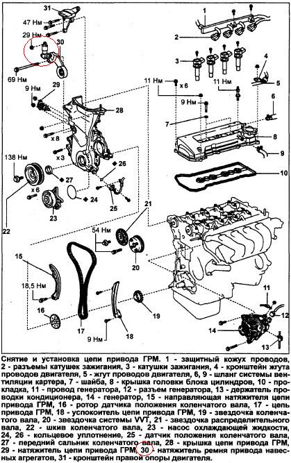
ну там много чего может греметь, подшипники, ролики...
часто причиной подобных шумов на 1ZZ является вышедший из строя натяжитель ремня навесного, точнее, это деталь, похожая на амортизатор маленький...покури форум, обязательно найдешь темы об этом.


Вложения:
мехчасть1ZZ.jpg
мехчасть1ZZ.jpg [ 88.41 КБ | Просмотров: 1959 ]

_________________
--------------------------------------------------
トヨタ ビスタアルデオ / VISTA ARDEO SV55G - BWSGK 4.2000, N200G, 3S-FE, 4WD, navi, ...
--------------------------------------------------
Вернуться к началу
 Профиль  
Ответить на тему 
 Заголовок сообщения: Re: Нужен совет знающего...
СообщениеДобавлено: 08 мар 2011, 15:40 
Не в сети
Начинающий
Начинающий

Зарегистрирован: 14 дек 2010, 22:26
Сообщения: 8
Тем: 1
Машина: Toyota Vista Ardeo
О машине: 1zz
Репутация: 0
Я читал про натяжитель, говорят подшипник вообще ремонту не поддается, менять только всю приблуду... а подлесть к нему не реально без приспособ, может попробовать снять ремень и завести машину?


Вернуться к началу
 Профиль Отправить email  
Ответить на тему 
 Заголовок сообщения: Re: Нужен совет знающего...
СообщениеДобавлено: 08 мар 2011, 22:13 
Не в сети
местный модератор
Аватара пользователя

Зарегистрирован: 12 фев 2009, 04:00
Сообщения: 7539
Тем: 100
Откуда: Хабаровск
Блог: Посмотреть блог (6)
Машина: Toyota Vista Ardeo
О машине: серебристая с ресничками
Репутация: 1791
как вариант, нужно попробывать....генератор же тоже может шуметь

_________________
--------------------------------------------------
トヨタ ビスタアルデオ / VISTA ARDEO SV55G - BWSGK 4.2000, N200G, 3S-FE, 4WD, navi, ...
--------------------------------------------------


Вернуться к началу
 Профиль  
Ответить на тему 
 Заголовок сообщения: Re: Нужен совет знающего...
СообщениеДобавлено: 10 мар 2011, 13:47 
Не в сети
бывалый
Аватара пользователя

Зарегистрирован: 29 апр 2009, 03:00
Сообщения: 2345
Тем: 32
Откуда: Новосибирск
Блог: Посмотреть блог (18)
Машина: Toyota Vista
О машине: 1ZZ-FE, ZZV50, 99г, без тахо и тв
Репутация: 732
аналогичная ситуевина уже год...тоже менял цепь - не помогло...стук становиться тише если масло в двиг побольше зальешь...также думал на натяжитель...пока причину не нашел...
Law писал(а):
может попробовать снять ремень и завести машину?

тоже мысля такая в голове...а это не опасно?...

_________________
Была :Toyota Vista ZZV50 99г. без тахо (капиталка собственноручно)
Сейчас: Mitsubishi Outlander CW5W, 05г., 2.4, CVT, MMCS, Rockford


Вернуться к началу
 Профиль  
Ответить на тему 
 Заголовок сообщения: Re: Стук с правой стороны двигателя на холостых.
СообщениеДобавлено: 10 мар 2011, 20:05 
Не в сети
местный модератор
Аватара пользователя

Зарегистрирован: 12 фев 2009, 04:00
Сообщения: 7539
Тем: 100
Откуда: Хабаровск
Блог: Посмотреть блог (6)
Машина: Toyota Vista Ardeo
О машине: серебристая с ресничками
Репутация: 1791
если быстро, то ничего страшного. А если ездить, то не желательно, черевато разрядом АКБ...
Коды появятся....затереть не забудьте))

_________________
--------------------------------------------------
トヨタ ビスタアルデオ / VISTA ARDEO SV55G - BWSGK 4.2000, N200G, 3S-FE, 4WD, navi, ...
--------------------------------------------------


Вернуться к началу
 Профиль  
Ответить на тему 
 Заголовок сообщения: Re: Стук с правой стороны двигателя на холостых.
СообщениеДобавлено: 15 мар 2011, 00:32 
Не в сети
Специалист
Специалист
Аватара пользователя

Зарегистрирован: 18 дек 2007, 04:00
Сообщения: 168
Тем: 25
Откуда: Трехгорный, Челябинская область
Машина: Toyota Vista Ardeo
О машине: 1ZZ-FE
Репутация: -82
да ладно разряд АКБ, помпа то тоже работать не будет, т.е. ОЖ гоняться не будет и перегрев получить очень легко причем даже не узнаете про это, т.к. до датчика может и не дойти.

_________________
ARDEO 1ZZ-FE 1999г.в.
мультивижн, ионизатор в салоне


Вернуться к началу
 Профиль  
Ответить на тему 
 Заголовок сообщения: Re: Стук с правой стороны двигателя на холостых.
СообщениеДобавлено: 22 мар 2011, 22:48 
Не в сети
Начинающий
Начинающий

Зарегистрирован: 14 дек 2010, 22:26
Сообщения: 8
Тем: 1
Машина: Toyota Vista Ardeo
О машине: 1zz
Репутация: 0
А может быть кондюк или гидрач?


Вернуться к началу
 Профиль Отправить email  
Ответить на тему 

Показать сообщения за:  Поле сортировки  
Начать новую тему Ответить на тему

 [ Сообщений: 8 ] 





* Поиск по сайту Вверх Вниз

Кто сейчас на конференции

Сейчас этот форум просматривают: нет зарегистрированных пользователей и гости: 2


Вы не можете начинать темы
Вы не можете отвечать на сообщения
Вы не можете редактировать свои сообщения
Вы не можете удалять свои сообщения
Вы не можете добавлять вложения

Найти:
Перейти:  
Текущее время: 28 апр 2026, 01:43
Часовой пояс: UTC + 7 часов
Powered by phpbb. (c) VistaClub.ru.    * Статистика