* Поиск по сайту Вверх Вниз



Начать новую тему Ответить на тему  [ Сообщений: 176 ]  На страницу Пред.  1 ... 3, 4, 5, 6, 7, 8, 9 ... 12  След.
Автор Сообщение
 Заголовок сообщения: Re: Троит при рабочей температуре. На холодную - ок.
СообщениеДобавлено: 09 янв 2013, 10:49 
Не в сети
Любитель
Любитель

Зарегистрирован: 25 сен 2012, 10:42
Сообщения: 80
Тем: 1
Откуда: красноярск
Машина: Toyota Vista Ardeo
Репутация: 0
Рекламные ссылки. Показывается только незарегистрированным пользователям


Откуда цифра открытия форсунок 1,4 мс? -для х.х очень много .


это на диагностику ездил,диагност приговил датчик абсольного давления на впускном коллекторе.датчик я проверял - рабочий


Вернуться к началу
 Профиль Отправить email  
Ответить на тему 

 Заголовок сообщения: Re: Троит при рабочей температуре. На холодную - ок.
СообщениеДобавлено: 09 янв 2013, 20:56 
Не в сети
Специалист
Специалист
Аватара пользователя

Зарегистрирован: 09 ноя 2006, 04:00
Сообщения: 455
Тем: 3
Откуда: г.Томск
Репутация: 49
Если это профессиональный диагност- он должен выдат распечатку Data Stream сканируемых параметров всех основных датчиков, где они? Есл нет - зря потрачены время и деньги.


Вернуться к началу
 Профиль  
Ответить на тему 
 Заголовок сообщения: Re: Троит при рабочей температуре. На холодную - ок.
СообщениеДобавлено: 10 янв 2013, 18:53 
Не в сети
Любитель
Любитель

Зарегистрирован: 25 сен 2012, 10:42
Сообщения: 80
Тем: 1
Откуда: красноярск
Машина: Toyota Vista Ardeo
Репутация: 0
поковырялся сегодня в тачке,проверил клапан обратки,насосом накачал до 8 очков и клапан держал.проверил форсунку холодного пуска,не льёт.психанул и купил топливную рамку с форсами,датчиком давления и клапаном обратки.завтра поставлю,отпишусь.БДЗ пока не трогал.


мне вот стало интересно какой ток идет на форсунки в наших двигателях и на обычных.Сопративление соответственно разное,а значит и ток разный.


Вернуться к началу
 Профиль Отправить email  
Ответить на тему 
 Заголовок сообщения: Re: Троит при рабочей температуре. На холодную - ок.
СообщениеДобавлено: 14 янв 2013, 00:40 
Не в сети
Любитель
Любитель

Зарегистрирован: 25 сен 2012, 10:42
Сообщения: 80
Тем: 1
Откуда: красноярск
Машина: Toyota Vista Ardeo
Репутация: 0
поставил новые форсунки,обороты пришли в норму,650 на хх,но машина НЕ ТЯНЕТ,еле-еле из гаража выехал и то пока холодная была.на горячую вообще не набирает скорость.выскакивала пару раз ошибка 89 при перегазовке. :suicide:
ребята,расскажите пожалуйста как должна вести себя заслонка при включении зажигания?у меня она чуть приоткрыта(0,13 мм приблизительно,щуп на 0,15 мм не проходит),и при вкл. зажигания заслонка закрывается полностью,а потом возвращается в первоночальное положение.А при открытии заслонки вручную(при выкл. зажигании) до упора-открывается максимум на 1\3.(полностью не открывается-ппц приводу?или может собрали как-то неправильно?)HELP!


Вернуться к началу
 Профиль Отправить email  
Ответить на тему 
 Заголовок сообщения: Re: Троит при рабочей температуре. На холодную - ок.
СообщениеДобавлено: 14 янв 2013, 01:36 
Не в сети
модератор
Аватара пользователя

Зарегистрирован: 27 окт 2008, 04:00
Сообщения: 12728
Тем: 15
Откуда: Вятка
Машина: др. Японка
О машине: Toyota Prius 51
Репутация: 2381
desic писал(а):
поковырялся сегодня в тачке,проверил клапан обратки,насосом накачал до 8 очков и клапан держал.
Это в рампе? Так там рабочее давление порядка 120 очков. А заслонка открывается электроприводом, тросом только для аварийного доезда. И лезьти в нее не стоит. При включении зажигания проводится ее диагностика, заслонка открывается и закрывается.

_________________
Vista Ardeo 1999, SV50, D4, Мультик, TV...


Вернуться к началу
 Профиль Отправить email  
Ответить на тему 
 Заголовок сообщения: Re: Троит при рабочей температуре. На холодную - ок.
СообщениеДобавлено: 14 янв 2013, 02:07 
Не в сети
Любитель
Любитель

Зарегистрирован: 25 сен 2012, 10:42
Сообщения: 80
Тем: 1
Откуда: красноярск
Машина: Toyota Vista Ardeo
Репутация: 0
заслонка не открывается при вкл зажигания,а закрывается полностью и всё.


Вернуться к началу
 Профиль Отправить email  
Ответить на тему 
 Заголовок сообщения: Re: Троит при рабочей температуре. На холодную - ок.
СообщениеДобавлено: 14 янв 2013, 02:41 
Не в сети
модератор
Аватара пользователя

Зарегистрирован: 27 окт 2008, 04:00
Сообщения: 12728
Тем: 15
Откуда: Вятка
Машина: др. Японка
О машине: Toyota Prius 51
Репутация: 2381
Ошибка 89 неисправность привода ДЗ, проверьте разъемы. Если она не работает, то управление тросиком газа будет при нажатии педали больше половины хода. И еще 89 ошибка имеет несколько значений, конкретная считывается по лампочке ECONO (в режиме самодиагностики).

_________________
Vista Ardeo 1999, SV50, D4, Мультик, TV...


Вернуться к началу
 Профиль Отправить email  
Ответить на тему 
 Заголовок сообщения: Re: Троит при рабочей температуре. На холодную - ок.
СообщениеДобавлено: 14 янв 2013, 12:06 
Не в сети
Любитель
Любитель

Зарегистрирован: 25 сен 2012, 10:42
Сообщения: 80
Тем: 1
Откуда: красноярск
Машина: Toyota Vista Ardeo
Репутация: 0
ошибка по ECONO 31.как и какие разъёмы проверять?нашёл статью по БЗД,там выводы 3 и 4 идут на привод заслонки и должно приходить 5 вольт.сделал замер,а у меня там 0,71 вольт,мож че не так сделал?!вот статья http://www.jcwiki.ru/Дроссельная_заслон ... ota_3S-FSE
сопративление мерил-всё как в статье.


Вернуться к началу
 Профиль Отправить email  
Ответить на тему 
 Заголовок сообщения: Re: Троит при рабочей температуре. На холодную - ок.
СообщениеДобавлено: 15 янв 2013, 01:09 
Не в сети
модератор
Аватара пользователя

Зарегистрирован: 27 окт 2008, 04:00
Сообщения: 12728
Тем: 15
Откуда: Вятка
Машина: др. Японка
О машине: Toyota Prius 51
Репутация: 2381
31 это обрыв или КЗ в цепи датчика положения ДЗ, либо подклинивание привода заслонки. Для начала проверьте датчик положения, это переменный резистор, проверьте на обрыв.

_________________
Vista Ardeo 1999, SV50, D4, Мультик, TV...


Вернуться к началу
 Профиль Отправить email  
Ответить на тему 
 Заголовок сообщения: Re: Троит при рабочей температуре. На холодную - ок.
СообщениеДобавлено: 15 янв 2013, 17:27 
Не в сети
Любитель
Любитель

Зарегистрирован: 25 сен 2012, 10:42
Сообщения: 80
Тем: 1
Откуда: красноярск
Машина: Toyota Vista Ardeo
Репутация: 0
сопративление мерил на TPS как в статье,все точно также.не понятно как ведет себя заслонка в момент вкл зажигания-она ЗАКРЫВАЕТСЯ в момент вкл зажигания и возвращается в исходное положение,т.е. в чуть приоткрытое.На перемещение рычага никак не реагирует.Коротит привод?Можно ли как то провести проверку БДЗ дома?есть блок питания китайский с регулятором напряжения от 5 до 12 вольт.ток постоянный.а то на улице как то не АЙС,хоть и -3 С.

Добавлено спустя 2 минуты 4 секунды:
можно писать БЕЗ ЦЕНЗУРЫ?так я понятнее выражусь.


Вернуться к началу
 Профиль Отправить email  
Ответить на тему 
 Заголовок сообщения: Re: Троит при рабочей температуре. На холодную - ок.
СообщениеДобавлено: 16 янв 2013, 11:41 
Не в сети
модератор
Аватара пользователя

Зарегистрирован: 05 май 2009, 03:00
Сообщения: 6759
Тем: 72
Откуда: Ставрополье
Блог: Посмотреть блог (7)
Машина: Toyota Vista
О машине: седан SV50, 3S-FSE, U240E, 98г.
Репутация: 1473
desic писал(а):
сопративление мерил на TPS как в статье,все точно также.не понятно как ведет себя заслонка в момент вкл зажигания-она ЗАКРЫВАЕТСЯ в момент вкл зажигания и возвращается в исходное положение,т.е. в чуть приоткрытое.На перемещение рычага никак не реагирует.Коротит привод?Можно ли как то провести проверку БДЗ дома?есть блок питания китайский с регулятором напряжения от 5 до 12 вольт.ток постоянный.а то на улице как то не АЙС,хоть и -3 С.

Добавлено спустя 2 минуты 4 секунды:
можно писать БЕЗ ЦЕНЗУРЫ?так я понятнее выражусь.

без цензуры нельзя!
я правильно понял, что при вкл зажигании заслонка закрывается, при выкл - открывается на небольшой угол?
на какой рычаг она не реагирует?

_________________
Случайности не случайны...


Вернуться к началу
 Профиль  
Ответить на тему 
 Заголовок сообщения: Re: Троит при рабочей температуре. На холодную - ок.
СообщениеДобавлено: 16 янв 2013, 13:16 
Не в сети
Любитель
Любитель

Зарегистрирован: 25 сен 2012, 10:42
Сообщения: 80
Тем: 1
Откуда: красноярск
Машина: Toyota Vista Ardeo
Репутация: 0
всё правильно.не реагирует заслонка на нажатие педали газа-не открывается(вообще не дергается).

Добавлено спустя 3 часа 24 минуты 21 секунду:
Vyatich писал(а):
31 это обрыв или КЗ в цепи датчика положения ДЗ, либо подклинивание привода заслонки. Для начала проверьте датчик положения, это переменный резистор, проверьте на обрыв.





замерил датчик ТПС,датчик снят с заслонки.распиновка сверху-вниз.
контакты 1 и 2 = 1,65 кОм при движении бегунка плавно падает до 0,49 кОм
1 и 3 = 1,42 кОм при движении бегунка плавно падает до 0,13 кОм
1 и 4 = 1,47 кОм при движении бегунка без изменений
2 и 3 = 1,08 кОм при движении бегунка до середины хода плавно растет до 1,8 кОм ,потом плавно падает до 0,60 кОм
3 и 4 = 0,88 кОм при движении бегунка до середины хода плавно растет до 1,6 кОм ,потом без изменений.
так и должно быть?

померил сопративление на самом приводе-сопративления между контактами 1 и 2 = 3,4 ом, между 3 и 4 = 5,4 ом.В статье написано что должно быть 1 и 2 = 1.7-1.9 ом ,а 3 и 4 = 5.0-5.4 ом.
Проверил другой датчик(на котором тросик газа крепится)-всё в норме,сопративление как положено.

Дайте пожалуйста распиновку этих датчиков на ЭБУ,чтоб проверить.Может на комп не приходят сигналы?
В статье написано что датчик ТПС проверяется сопративлением на массу,но на массу у меня датчик не прозванивается.

Добавлено спустя 1 день 3 часа 15 минут 3 секунды:
разобрал заслонку,контакты 3 и 4 на приводе-это муфта,а 1(-) и 2(+) -это сам моторчик.подключал блок питания на 5 вольт-моторчик крутит,муфта работает.


Вернуться к началу
 Профиль Отправить email  
Ответить на тему 
 Заголовок сообщения: Re: Троит при рабочей температуре. На холодную - ок.
СообщениеДобавлено: 17 янв 2013, 20:21 
Не в сети
модератор
Аватара пользователя

Зарегистрирован: 27 окт 2008, 04:00
Сообщения: 12728
Тем: 15
Откуда: Вятка
Машина: др. Японка
О машине: Toyota Prius 51
Репутация: 2381
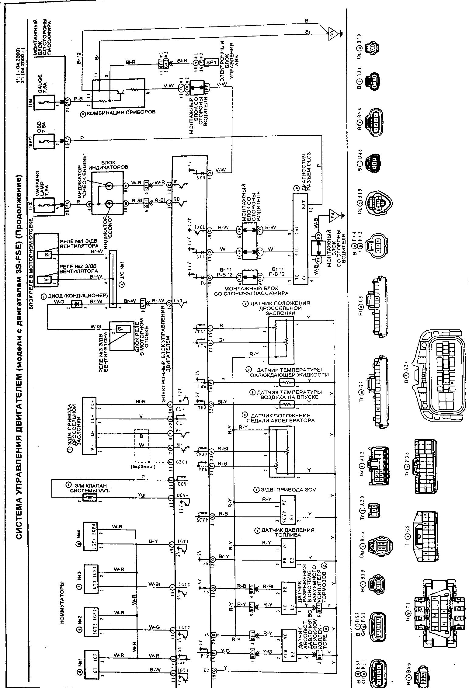
Держи схему и распиновку, нужно проверить цепи датчика положения педали акселератора, датчик положения ДЗ и сам привод.


Вложения:
p0326-sel.jpg
p0326-sel.jpg [ 571.76 КБ | Просмотров: 943 ]
p0119-sel.jpg
p0119-sel.jpg [ 485.61 КБ | Просмотров: 943 ]
p0120-sel.jpg
p0120-sel.jpg [ 110.75 КБ | Просмотров: 943 ]

_________________
Vista Ardeo 1999, SV50, D4, Мультик, TV...
Вернуться к началу
 Профиль Отправить email  
Ответить на тему 
 Заголовок сообщения: Re: Троит при рабочей температуре. На холодную - ок.
СообщениеДобавлено: 17 янв 2013, 21:27 
Не в сети
Любитель
Любитель

Зарегистрирован: 25 сен 2012, 10:42
Сообщения: 80
Тем: 1
Откуда: красноярск
Машина: Toyota Vista Ardeo
Репутация: 0
Vyatich писал(а):
Держи схему и распиновку, нужно проверить цепи датчика положения педали акселератора, датчик положения ДЗ и сам привод.



спасибо конечно))),а можно еще красным обвести то,куда тыкать мультиметром?)))заранее благодарю.


Вернуться к началу
 Профиль Отправить email  
Ответить на тему 
 Заголовок сообщения: Re: Троит при рабочей температуре. На холодную - ок.
СообщениеДобавлено: 17 янв 2013, 23:15 
Не в сети
модератор
Аватара пользователя

Зарегистрирован: 27 окт 2008, 04:00
Сообщения: 12728
Тем: 15
Откуда: Вятка
Машина: др. Японка
О машине: Toyota Prius 51
Репутация: 2381
Вот режимы и параметры измерений. Ножки по таблице распиновки. VTA это ДПДЗ, VPA это датчик педали. VC питание, E2 общий.


Вложения:
p0120-sel.jpg
p0120-sel.jpg [ 1.24 МБ | Просмотров: 940 ]
p0121-sel.jpg
p0121-sel.jpg [ 253.38 КБ | Просмотров: 940 ]

_________________
Vista Ardeo 1999, SV50, D4, Мультик, TV...
Вернуться к началу
 Профиль Отправить email  
Ответить на тему 

Показать сообщения за:  Поле сортировки  
Начать новую тему Ответить на тему

 [ Сообщений: 176 ]  На страницу Пред.  1 ... 3, 4, 5, 6, 7, 8, 9 ... 12  След.





* Поиск по сайту Вверх Вниз

Кто сейчас на конференции

Сейчас этот форум просматривают: нет зарегистрированных пользователей и гости: 0


Вы не можете начинать темы
Вы не можете отвечать на сообщения
Вы не можете редактировать свои сообщения
Вы не можете удалять свои сообщения
Вы не можете добавлять вложения

Найти:
Перейти:  
Текущее время: 27 апр 2026, 19:41
Часовой пояс: UTC + 7 часов
Powered by phpbb. (c) VistaClub.ru.    * Статистика