* Поиск по сайту Вверх Вниз



Начать новую тему Ответить на тему  [ Сообщений: 30 ]  На страницу Пред.  1, 2
Автор Сообщение
 Заголовок сообщения: Re: Не работают вентиляторы(на радиаторе)
СообщениеДобавлено: 02 дек 2011, 17:31 
Не в сети
Любитель
Любитель

Зарегистрирован: 21 ноя 2010, 00:24
Сообщения: 53
Тем: 17
Машина: Toyota Vista
О машине: SV33 3s-fe
Репутация: 0
Рекламные ссылки. Показывается только незарегистрированным пользователям


Релюшка щелкает, а вентиляторы всеравно не крутят


Вернуться к началу
 Профиль Отправить email  
Ответить на тему 

 Заголовок сообщения: Re: Не работают вентиляторы(на радиаторе)
СообщениеДобавлено: 03 дек 2011, 23:48 
Не в сети
модератор
Аватара пользователя

Зарегистрирован: 27 окт 2008, 04:00
Сообщения: 12728
Тем: 15
Откуда: Вятка
Машина: др. Японка
О машине: Toyota Prius 51
Репутация: 2381
Смотри наличие питания на силовых контактах реле. И для проверки вентиляторов просто подай питание на них.

_________________
Vista Ardeo 1999, SV50, D4, Мультик, TV...


Вернуться к началу
 Профиль Отправить email  
Ответить на тему 
СообщениеСообщение было удалено | удалил: Vyatich | 14 апр 2013, 21:42.
Причина: дубль
СообщениеСообщение было удалено | удалил: Vyatich | 14 апр 2013, 21:42.
Причина: чистка
СообщениеСообщение было удалено | удалил: Vyatich | 14 апр 2013, 21:42.
Причина: чистка
 Заголовок сообщения: вентилятор радиатора sv30
СообщениеДобавлено: 28 май 2014, 00:29 
Не в сети
Любитель
Любитель

Зарегистрирован: 09 авг 2011, 23:12
Сообщения: 90
Тем: 21
Откуда: Внуково
Машина: Toyota Vista
О машине: с2009г. sv30, 4s-fe, A140L-812, 92г.в
Репутация: 0
Не работает вентилятор. Мотор закипает. Предохранитель код капотом на 30А живой. Куда копать дальше? Там вроде ещё 2 реле идут на 2 вентилятора. Еще интересует принцип раздельной работы обоих. А где находится датчик тармосрабатывания?


Вернуться к началу
 Профиль Отправить email  
Ответить на тему 
 Заголовок сообщения: Re: вентилятор радиатора sv30
СообщениеДобавлено: 28 май 2014, 00:42 
Не в сети
Начинающий
Начинающий

Зарегистрирован: 07 авг 2013, 02:44
Сообщения: 4
Откуда: Тула
Машина: Toyota Vista
О машине: sv 41
Репутация: 0
один работает с кондиционером вместе, другой для двигателя, сними разъем с вертушек и подай на них проводом ток полярность в данном случае не имеет значения, если работают, проверяй термостат и датчик температуры... также если знаешь где рыле замкни напрямую контакты которые расположены (Т) один горизонтально другой вертикально, должны завертется вертушки Датчик с права от дигателя над каробкой напротив трамблера торчит опендикс с 2 или 3 датчиками все они температурные с 1 проводом на приборку с 2 мя на мазги и вентелятор, (а если есть третий он для АКПП иногда его нет)

_________________
http://тулаковка.рф


Вернуться к началу
 Профиль Отправить email  
Ответить на тему 
 Заголовок сообщения: Re: вентилятор радиатора sv30
СообщениеДобавлено: 28 май 2014, 01:20 
Не в сети
Профи
Профи

Зарегистрирован: 01 май 2012, 01:36
Сообщения: 825
Тем: 18
Откуда: Санкт-Петербург
Машина: Toyota Vista
О машине: Виста sv30 93г Камри sv 41 94 г
Репутация: 285
Датчик температуры включения вентилятора стоит в радиаторе снизу в правом углу(смотреть на мотор от капота) там фишка есть на нём.смотри её и питание на неё. Те датчики,что в патрубке ниже трамблёра тут не причём,зелёный ( ближе к блоку) даёт сигнал на мозги с оборотами,второй даёт сигнал на стрелку на приборке. Принцип работы вентиляторов таков,при включённом кондее работают оба,на перегрев включается тот,что правый ( смотреть на мотор).


Вернуться к началу
 Профиль  
Ответить на тему 
 Заголовок сообщения: Re: вентилятор радиатора sv30
СообщениеДобавлено: 28 май 2014, 11:35 
Не в сети
Специалист
Специалист
Аватара пользователя

Зарегистрирован: 29 авг 2013, 12:25
Сообщения: 136
Тем: 35
Откуда: новосибирск обл. г.Обь
Машина: Toyota Vista Ardeo
О машине: sv50 2000г. рестайл 3SFSE
Репутация: 51
а у меня тоже vista sv30,вообще два всегда включаются, думал так и надо. один отключал сам, но тогда стрелка температуры поднимаеться(растет). может тоже кто подскажет где причину искать, почему два работают. и какой вообще должен работать если по ходу движения смотреть. у меня я так понимаю на перегрев что ли включается второй


Вернуться к началу
 Профиль Отправить email  
Ответить на тему 
 Заголовок сообщения: Re: вентилятор радиатора sv30
СообщениеДобавлено: 28 май 2014, 19:23 
Не в сети
Любитель
Любитель

Зарегистрирован: 09 авг 2011, 23:12
Сообщения: 90
Тем: 21
Откуда: Внуково
Машина: Toyota Vista
О машине: с2009г. sv30, 4s-fe, A140L-812, 92г.в
Репутация: 0
На включенном зажигании выдёргиваю фишку с клеймы термовыключателя (так он назван в экзисте) и вентиляторы включаются сразу оба. По моему они оба и включались раньше у меня одновременно. Получается что срабатывает термовыключатель на обрыв. Странновато...
В экзисте номер запчасти 89428-15030 датчик фирмы Тама стоит 20 руб всё остальное от 450руб. На http://japancars.ru/ Тама стоит 472 руб и все остальные производители от 500 руб. Кто что думает по поводу одновременного включения и цен на датчики?


Вернуться к началу
 Профиль Отправить email  
Ответить на тему 
СообщениеСообщение было удалено | удалил: Vyatich | 28 июн 2014, 23:32.
Причина: неактуально
 Заголовок сообщения: Re: вентилятор радиатора sv30
СообщениеДобавлено: 16 июн 2014, 03:58 
Не в сети
Любитель
Любитель

Зарегистрирован: 09 авг 2011, 23:12
Сообщения: 90
Тем: 21
Откуда: Внуково
Машина: Toyota Vista
О машине: с2009г. sv30, 4s-fe, A140L-812, 92г.в
Репутация: 0
Чудом за 20 руб все работает не плохо. Потерял на размыкание дома в кастрюльке. Все отл.


Вернуться к началу
 Профиль Отправить email  
Ответить на тему 
 Заголовок сообщения: Re: Не работают вентиляторы (на радиаторе)
СообщениеДобавлено: 12 сен 2014, 17:24 
Не в сети
Любитель
Любитель

Зарегистрирован: 13 апр 2013, 20:09
Сообщения: 22
Откуда: Екатеринбург
Машина: Toyota Camry
О машине: SV32-AEPGK, 3SFE, A140E
Репутация: 0
Проверьте датчик кондиционера или давление в системе кондиционера. у меня было такое - датчик перестал трудится, снял фишку, четыре контакта, сделал перемычку накрест по 2 контакта - все заработало как надо


Вернуться к началу
 Профиль Отправить email  
Ответить на тему 
 Заголовок сообщения: Re: вентилятор радиатора sv30
СообщениеДобавлено: 20 сен 2014, 22:42 
Не в сети
Специалист
Специалист

Зарегистрирован: 05 апр 2013, 17:44
Сообщения: 381
Тем: 20
Откуда: Ерофей Павлович
Машина: Toyota Vista
О машине: SV33, 3S-FE, 4WS
Репутация: 81
Kolik81 писал(а):
На включенном зажигании выдёргиваю фишку с клеймы термовыключателя (так он назван в экзисте) и вентиляторы включаются сразу оба. По моему они оба и включались раньше у меня одновременно. Получается что срабатывает термовыключатель на обрыв. Странновато...
Кто что думает по поводу одновременного включения


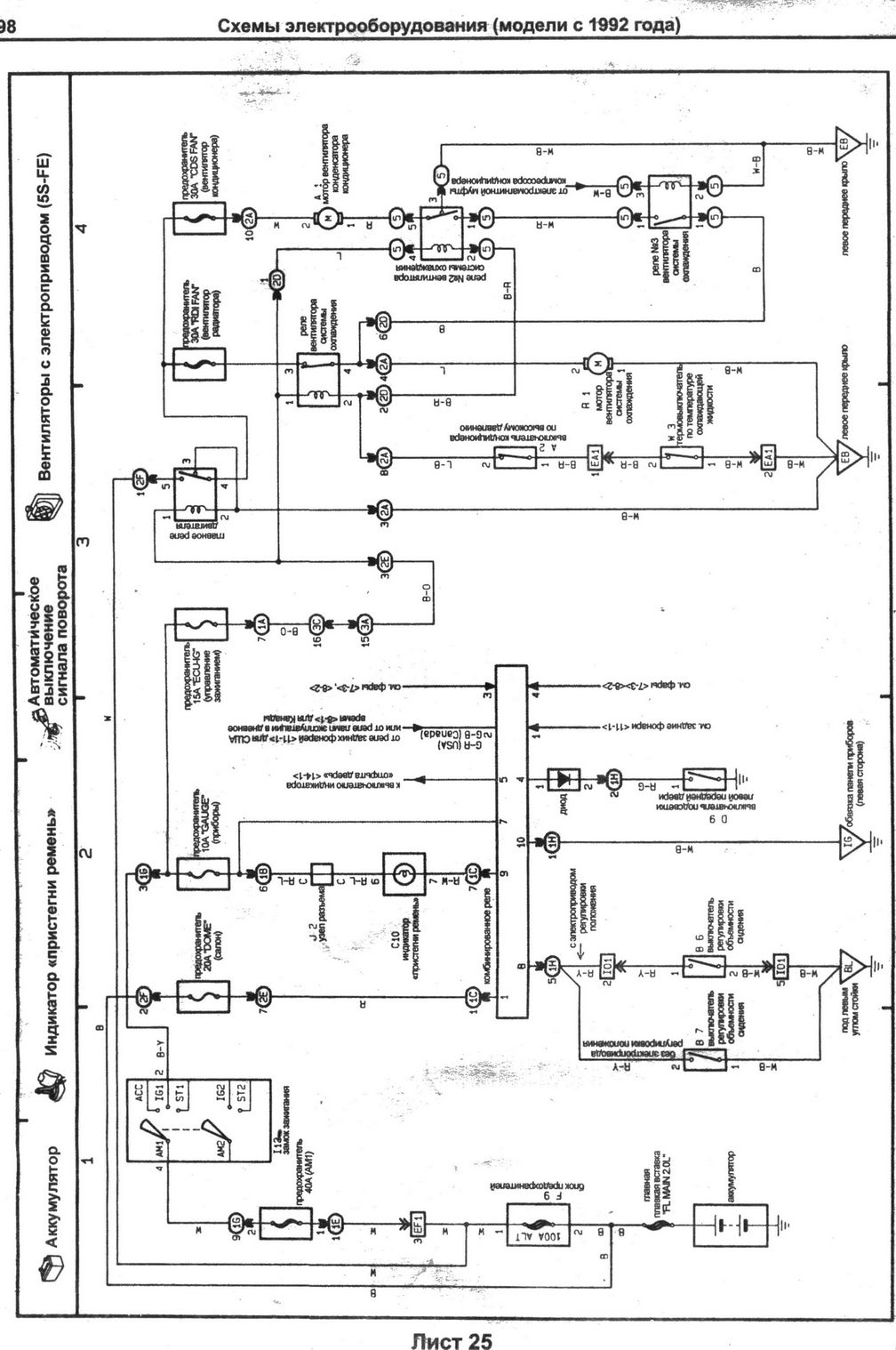
Схема управления вентиляторами такова, что всегда при включении должны работать 2 вентилятора. схема собрана на 3 реле.
При аварийном нагреве ОЖ или по аварийному давлению в системе кондиционирования вентиляторы ОБА включаются параллельно на полные 12 вольт.
Если аварийной ситуации нет, но включен кондиционер, (по команде 12 вольт от реле электромагнитной муфты компрессора), то с помощью реле №2 и № 3 собирается схема последовательного соединения двигателей вентиляторов. (Двигатели вентиляторов вращаются в половину мощности, каждый под напряжением 6 вольт.).
Термовыключатель и датчик аварийного давления в системе кондиционирования работают на разрыв- продуманная схема, чтобы сберечь авто в аварийных ситуациях.


Вернуться к началу
 Профиль Отправить email  
Ответить на тему 
 Заголовок сообщения: Re: Не работают вентиляторы (на радиаторе)
СообщениеДобавлено: 10 окт 2014, 19:19 
Не в сети
Специалист
Специалист

Зарегистрирован: 05 апр 2013, 17:44
Сообщения: 381
Тем: 20
Откуда: Ерофей Павлович
Машина: Toyota Vista
О машине: SV33, 3S-FE, 4WS
Репутация: 81
Схема Легион Автодата 2005г. Camri /Vista


Вложения:
схема вентиляторов.png
схема вентиляторов.png [ 424.06 КБ | Просмотров: 12455 ]
Вернуться к началу
 Профиль Отправить email  
Ответить на тему 

Показать сообщения за:  Поле сортировки  
Начать новую тему Ответить на тему

 [ Сообщений: 30 ]  На страницу Пред.  1, 2





* Поиск по сайту Вверх Вниз

Кто сейчас на конференции

Сейчас этот форум просматривают: нет зарегистрированных пользователей и гости: 17


Вы не можете начинать темы
Вы не можете отвечать на сообщения
Вы не можете редактировать свои сообщения
Вы не можете удалять свои сообщения
Вы не можете добавлять вложения

Найти:
Перейти:  
Текущее время: 30 апр 2026, 12:10
Часовой пояс: UTC + 7 часов
Powered by phpbb. (c) VistaClub.ru.    * Статистика