* Поиск по сайту Вверх Вниз



Начать новую тему Ответить на тему  [ Сообщений: 4 ] 
Автор Сообщение
 Заголовок сообщения: Нужна схема блока управления ЦЗ
СообщениеДобавлено: 09 сен 2009, 14:31 
Не в сети
Специалист
Специалист
Аватара пользователя

Зарегистрирован: 22 сен 2008, 03:00
Сообщения: 447
Тем: 22
Откуда: Хабар
Репутация: 0
Рекламные ссылки. Показывается только незарегистрированным пользователям


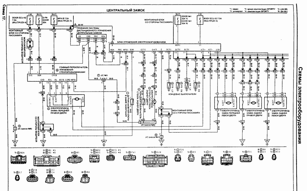
Люди добрые, отсканируйте плз электрическую схему блока управления центральным замком что стоит под бардачком слева. Виста Ардео 2001 года двигатель 1AZ 2WD. Ящик catovsky@mail.ru. Заранее благодарен!

_________________
1AZ-FSE


Вернуться к началу
 Профиль  
Ответить на тему 

 Заголовок сообщения:
СообщениеДобавлено: 09 сен 2009, 18:49 
Не в сети
местный модератор
Аватара пользователя

Зарегистрирован: 12 фев 2009, 04:00
Сообщения: 7539
Тем: 100
Откуда: Хабаровск
Блог: Посмотреть блог (6)
Машина: Toyota Vista Ardeo
О машине: серебристая с ресничками
Репутация: 1791
всё что есть о ЦЗ в мануале в виде схем :


Вложения:
стр335 Схема ЦЗ-1.jpg
стр335 Схема ЦЗ-1.jpg [ 171.06 КБ | Просмотров: 1611 ]
стр336 Схема ЦЗ-2.jpg
стр336 Схема ЦЗ-2.jpg [ 18.65 КБ | Просмотров: 1551 ]

_________________
--------------------------------------------------
トヨタ ビスタアルデオ / VISTA ARDEO SV55G - BWSGK 4.2000, N200G, 3S-FE, 4WD, navi, ...
--------------------------------------------------
Вернуться к началу
 Профиль  
Ответить на тему 
 Заголовок сообщения:
СообщениеДобавлено: 09 сен 2009, 19:15 
Не в сети
Специалист
Специалист
Аватара пользователя

Зарегистрирован: 22 сен 2008, 03:00
Сообщения: 447
Тем: 22
Откуда: Хабар
Репутация: 0
Спасибо, дружище! Видимо от года выпуска принципиальная схема замка не зависит?

_________________
1AZ-FSE


Вернуться к началу
 Профиль  
Ответить на тему 
 Заголовок сообщения:
СообщениеДобавлено: 10 сен 2009, 06:49 
Не в сети
местный модератор
Аватара пользователя

Зарегистрирован: 12 фев 2009, 04:00
Сообщения: 7539
Тем: 100
Откуда: Хабаровск
Блог: Посмотреть блог (6)
Машина: Toyota Vista Ardeo
О машине: серебристая с ресничками
Репутация: 1791
catovsky писал(а):
Спасибо, дружище! Видимо от года выпуска принципиальная схема замка не зависит?


да не за что, обращайся...

На обложке книги написан 1AZ, думаю принципиально отличий не должно быть...

_________________
--------------------------------------------------
トヨタ ビスタアルデオ / VISTA ARDEO SV55G - BWSGK 4.2000, N200G, 3S-FE, 4WD, navi, ...
--------------------------------------------------


Вернуться к началу
 Профиль  
Ответить на тему 

Показать сообщения за:  Поле сортировки  
Начать новую тему Ответить на тему

 [ Сообщений: 4 ] 





* Поиск по сайту Вверх Вниз

Кто сейчас на конференции

Сейчас этот форум просматривают: нет зарегистрированных пользователей и гости: 8


Вы не можете начинать темы
Вы не можете отвечать на сообщения
Вы не можете редактировать свои сообщения
Вы не можете удалять свои сообщения
Вы не можете добавлять вложения

Найти:
Перейти:  
Текущее время: 01 май 2026, 15:35
Часовой пояс: UTC + 7 часов
Powered by phpbb. (c) VistaClub.ru.    * Статистика