* Поиск по сайту Вверх Вниз



Начать новую тему Ответить на тему  [ Сообщений: 190 ]  На страницу Пред.  1 ... 9, 10, 11, 12, 13  След.
Автор Сообщение
 Заголовок сообщения: Re: Подсветка на регуляторах климат-контроля *V50.
СообщениеДобавлено: 19 дек 2016, 14:55 
Не в сети
Любитель
Любитель

Зарегистрирован: 03 авг 2016, 00:45
Сообщения: 30
Тем: 1
Откуда: Челябинск
Машина: Toyota Vista Ardeo
О машине: SV50 3sfes D-4
Репутация: 0
Рекламные ссылки. Показывается только незарегистрированным пользователям


Всем привет. Перегорают лампочки диодные в климате постоянно уже какие тока не пробовал. Подскажите может кто сталкивался где заноза сидит? Из родных лампочек тока одна живая. А покупать новые дороговато родные ( 9001005106 ) 110р шт.
Заранее спасибо.


Вернуться к началу
 Профиль Отправить email  
Ответить на тему 

 Заголовок сообщения: Re: Подсветка на регуляторах климат-контроля *V50.
СообщениеДобавлено: 20 дек 2016, 18:21 
Не в сети
Профи
Профи
Аватара пользователя

Зарегистрирован: 04 сен 2011, 15:49
Сообщения: 650
Тем: 3
Машина: Toyota Vista Ardeo
О машине: SV-50 3S-не D-4
Репутация: 570
А за какое время перегорают светодиоды? Я бы поставил дополнительный резистор последовательно в цепь светодиода. Так можно подобрать оптимальную ярокость и продлить срок службы. В "светодиодых лампочках" должны стоять резисторы, возможно они подобраны не верно лишь бы ярко светились пусть и не долго. Так вот, этот резистор нужно проверить тестером и припаять другой, большего номинала. Тут есть про подключение светодиода- viewtopic.php?t=1010186&start=30


Вернуться к началу
 Профиль  
Ответить на тему 
 Заголовок сообщения: Re: Подсветка на регуляторах климат-контроля *V50.
СообщениеДобавлено: 07 янв 2017, 04:48 
Не в сети
Любитель
Любитель

Зарегистрирован: 03 авг 2016, 00:45
Сообщения: 30
Тем: 1
Откуда: Челябинск
Машина: Toyota Vista Ardeo
О машине: SV50 3sfes D-4
Репутация: 0
День-три работают и перегарают ( сейчас заметно могут загореться некоторые на какое то время, потом сново темнота)))

Добавлено спустя 7 часов 39 минут 22 секунды:
День-три работают и перегарают ( сейчас заметно могут загореться некоторые на какое то время, потом сново темнота)))


Вернуться к началу
 Профиль Отправить email  
Ответить на тему 
 Заголовок сообщения: Re: Подсветка на регуляторах климат-контроля *V50.
СообщениеДобавлено: 08 ноя 2017, 18:20 
Не в сети
Специалист
Специалист
Аватара пользователя

Зарегистрирован: 24 апр 2006, 03:00
Сообщения: 148
Тем: 7
Откуда: Барнаул
Машина: Toyota Vista
О машине: Sv50, 3S-FSE 2.0 1998г.
Репутация: 3
Доброго всем дня.
Не горела подсветка крутилки с температурой, решил земенить лампу (руки прямые, лампы менял много раз, в том числе на аналогичном климате на другом авто), ставил обычную галогенку (не светодиод).
Так вот - запахло горелым, потухла вся подсветка блока климата, выяснилось вскрытием что перегорели две дорожки (фото во вложении).
У кого-то было похожее? Как решили? кидали сопли вместо сгоревшей дорожки?


Вложения:
IMG_20171108_160633.jpg
IMG_20171108_160633.jpg [ 641.97 КБ | Просмотров: 6192 ]

_________________
Vista SV50 3S-FSE D4 98г. Бортжурнал на Драйве www.drive2.ru/r/toyota/vista/487760401585406638/
ПРОДАНО Vista Ardeo 3S-FSE D4 98 год
Вернуться к началу
 Профиль  
Ответить на тему 
 Заголовок сообщения: Re: Подсветка на регуляторах климат-контроля *V50.
СообщениеДобавлено: 08 ноя 2017, 20:21 
Не в сети
Специалист
Специалист

Зарегистрирован: 29 янв 2015, 16:27
Сообщения: 398
Тем: 7
Откуда: nsk
Машина: Toyota Vista
Репутация: 297
Какая в климате может быть галогенка.


Вернуться к началу
 Профиль  
Ответить на тему 
 Заголовок сообщения: Re: Подсветка на регуляторах климат-контроля *V50.
СообщениеДобавлено: 08 ноя 2017, 20:34 
Не в сети
Специалист
Специалист
Аватара пользователя

Зарегистрирован: 24 апр 2006, 03:00
Сообщения: 148
Тем: 7
Откуда: Барнаул
Машина: Toyota Vista
О машине: Sv50, 3S-FSE 2.0 1998г.
Репутация: 3
Какая разница, думаю большинство поняли о чем речь.

_________________
Vista SV50 3S-FSE D4 98г. Бортжурнал на Драйве www.drive2.ru/r/toyota/vista/487760401585406638/
ПРОДАНО Vista Ardeo 3S-FSE D4 98 год


Вернуться к началу
 Профиль  
Ответить на тему 
 Заголовок сообщения: Re: Подсветка на регуляторах климат-контроля *V50.
СообщениеДобавлено: 15 ноя 2017, 10:20 
Не в сети
Гуру
Гуру
Аватара пользователя

Зарегистрирован: 06 сен 2010, 03:00
Сообщения: 4838
Тем: 44
Откуда: Якутск
Блог: Посмотреть блог (1)
Машина: Toyota Vista Ardeo
О машине: 2002, 3S-FE, 4WD
Репутация: 1093
Проще другой климат контроль купить.

_________________
Toyota Vista Ardeo - 06.1999, SV55, 3S-FE, 4WD, V=2.0, Металлик, Eneos 10w40, 205x65x15
Toyota Vista Ardeo - 04.2002, SV55, 3S-FE, 4WD, V=2.0, Перламутр, Ravenol 10w40, 215x55x17
Я Драйве2 - https://www.drive2.ru/r/toyota/452069429514076326/


Вернуться к началу
 Профиль Отправить email  
Ответить на тему 
 Заголовок сообщения: Re: Подсветка на регуляторах климат-контроля *V50.
СообщениеДобавлено: 15 ноя 2017, 12:00 
Не в сети
Гуру
Гуру
Аватара пользователя

Зарегистрирован: 25 сен 2008, 03:00
Сообщения: 3335
Тем: 8
Откуда: БАРНАУЛ
Репутация: 2026
Другой может не подойти
viewtopic.php?p=240833#p240833
viewtopic.php?p=241006#p241006

_________________
АРДЕО 1999 БЕЛАЯ MULTIVISION 3S-FE 4WD
Витц литровый...


Вернуться к началу
 Профиль Отправить email  
Ответить на тему 
 Заголовок сообщения: Re: Подсветка на регуляторах климат-контроля *V50.
СообщениеДобавлено: 31 авг 2018, 16:02 
Не в сети
Любитель
Любитель
Аватара пользователя

Зарегистрирован: 25 июл 2013, 09:36
Сообщения: 95
Откуда: Барнаул
Машина: Toyota Vista
О машине: 3S-FSE, 2000 г.
Репутация: 291
Всем здравствуйте! В общем делюсь своим опытом. Купил диодные лампочки зеленого цвета в "крутилки" управления климатом. Эффект потрясный!
Но есть два недостатка:
1. светят очень ярко и ночью "вышибают" глаза))));
2. выделяются среди общей массы приборов ярким насыщенным зеленым цветом (на мой взгляд - светятся красиво, но по "колхозному").
P.S. Буду возвращать лампы накаливания с зелеными колпачками.
Ну как то так.

_________________
Авто - это вся моя жизнь!

Toyota Vista, 3S-FSE, август 2000 г., рестайлинг, мультивижен.


Вернуться к началу
 Профиль  
Ответить на тему 
 Заголовок сообщения: Re: Подсветка на регуляторах климат-контроля *V50.
СообщениеДобавлено: 02 фев 2020, 19:53 
Не в сети
Специалист
Специалист
Аватара пользователя

Зарегистрирован: 19 сен 2010, 03:00
Сообщения: 497
Тем: 21
Откуда: Новосибирск
Машина: Toyota Vista Ardeo
О машине: SV-50 3S-FSE 2000г. рестайл
Репутация: 629
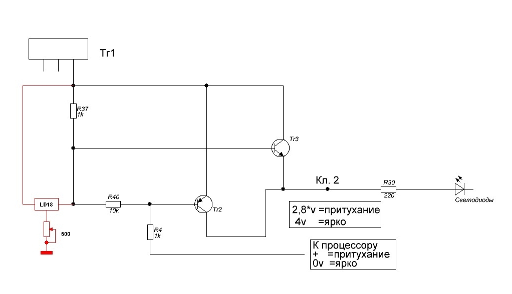
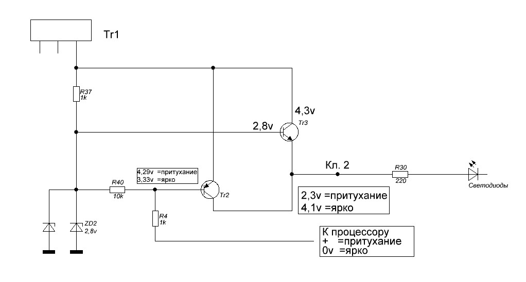
Освежу тему, может кому пригодится. Надоела "тоска зелёная" в подсветке климата, решил заменить на синюю, тем более магнитола с синей подсветкой. Светодиоды суперяркие. Но... при переключении на пониженную яркость эти светодиоды не светят, малое напряжение для них. Пришлось малость доработать блок климата (поможет также тем, кому захочется повысить или понизить яркость родных светодиодов в режиме притухания.) На плате климата, где установлены ручки управления ищем транзистор Tr3, именно он отвечает за напряжение светодиодов (а точнее стабилитрон ZD1/ZD2). Стабилитрон можно удалить и поставить регулируемый, а подстроечный резистор вывести на корпус климата. Таким образом можно оперативно регулировать напряжение (яркость) светодиодов. Если заинтересовало - спрашивайте.

_________________
Лучше молчать и показаться дураком, чем заговорить и развеять все сомнения.
Никогда не спорьте с идиотами. Вы опуститесь до их уровня, где они вас задавят своим опытом.


Вернуться к началу
 Профиль Отправить email  
Ответить на тему 
 Заголовок сообщения: Re: Подсветка на регуляторах климат-контроля *V50.
СообщениеДобавлено: 04 фев 2020, 00:40 
Не в сети
модератор
Аватара пользователя

Зарегистрирован: 27 окт 2008, 04:00
Сообщения: 12688
Тем: 15
Откуда: Вятка
Машина: др. Японка
О машине: Toyota Prius 51
Репутация: 2380
Если именно подсветка, то ставил 12 вольтовые светодиоды вместо лампочек, яркость регулируется.

_________________
Vista Ardeo 1999, SV50, D4, Мультик, TV...


Вернуться к началу
 Профиль Отправить email  
Ответить на тему 
 Заголовок сообщения: Re: Подсветка на регуляторах климат-контроля *V50.
СообщениеДобавлено: 04 фев 2020, 15:03 
Не в сети
Специалист
Специалист
Аватара пользователя

Зарегистрирован: 19 сен 2010, 03:00
Сообщения: 497
Тем: 21
Откуда: Новосибирск
Машина: Toyota Vista Ardeo
О машине: SV-50 3S-FSE 2000г. рестайл
Репутация: 629
Vyatich писал(а):
Если именно подсветка, то ставил 12 вольтовые светодиоды вместо лампочек, яркость регулируется.
От вас не ожидал...В подсветке (габариты) климатконтроля устанавливаются лампочки 12в. (можно заменить светодиодами соответствующего напряжения), которые на автомобиле в принципе НЕ РЕГУЛИРУЮТСЯ. Где вы там увидели регулировку? Регулируется яркость только индикации режимов.


Вложения:
Комментарий к файлу: Родная схема
Климат1.jpg
Климат1.jpg [ 72.24 КБ | Просмотров: 5173 ]
Комментарий к файлу: Доработанная схема
Климат-NEW--.jpg
Климат-NEW--.jpg [ 70.27 КБ | Просмотров: 5173 ]

_________________
Лучше молчать и показаться дураком, чем заговорить и развеять все сомнения.
Никогда не спорьте с идиотами. Вы опуститесь до их уровня, где они вас задавят своим опытом.
Вернуться к началу
 Профиль Отправить email  
Ответить на тему 
 Заголовок сообщения: Re: Подсветка на регуляторах климат-контроля *V50.
СообщениеДобавлено: 05 фев 2020, 00:34 
Не в сети
модератор
Аватара пользователя

Зарегистрирован: 27 окт 2008, 04:00
Сообщения: 12688
Тем: 15
Откуда: Вятка
Машина: др. Японка
О машине: Toyota Prius 51
Репутация: 2380
Я ж не про индикацию писал, а про подсветку, да и тема про подсветку, т.к. светодиоды в подсветке очень ярко выделяются то соответственно регулятор резистивный.

_________________
Vista Ardeo 1999, SV50, D4, Мультик, TV...


Вернуться к началу
 Профиль Отправить email  
Ответить на тему 
 Заголовок сообщения: Re: Подсветка на регуляторах климат-контроля *V50.
СообщениеДобавлено: 05 фев 2020, 13:49 
Не в сети
Специалист
Специалист
Аватара пользователя

Зарегистрирован: 19 сен 2010, 03:00
Сообщения: 497
Тем: 21
Откуда: Новосибирск
Машина: Toyota Vista Ardeo
О машине: SV-50 3S-FSE 2000г. рестайл
Репутация: 629
Vyatich писал(а):
соответственно регулятор резистивный.
Ничего не понял...Где вы там нашли регулятор яркости, не только резистивный, хоть какой нибудь...
Ещё раз повторюсь, НИКАКОГО РЕГУЛИРОВАНИЯ подсветки регуляторов климата НЕТ, в принципе!!!

_________________
Лучше молчать и показаться дураком, чем заговорить и развеять все сомнения.
Никогда не спорьте с идиотами. Вы опуститесь до их уровня, где они вас задавят своим опытом.


Вернуться к началу
 Профиль Отправить email  
Ответить на тему 
 Заголовок сообщения: Re: Подсветка на регуляторах климат-контроля *V50.
СообщениеДобавлено: 16 ноя 2020, 14:05 
Не в сети
Любитель
Любитель

Зарегистрирован: 18 июн 2020, 12:53
Сообщения: 33
Тем: 1
Откуда: Владивосток
Машина: Toyota Vista Ardeo
О машине: SV50 3S-FSE D4
Репутация: 194
не совсем там есть 2 режима когда габариты выключены дневной лампы ярко светят и когда габариты включены ночной лампы в пол накала светят вот и вся регулировка.


Вернуться к началу
 Профиль Отправить email  
Ответить на тему 

Показать сообщения за:  Поле сортировки  
Начать новую тему Ответить на тему

 [ Сообщений: 190 ]  На страницу Пред.  1 ... 9, 10, 11, 12, 13  След.





* Поиск по сайту Вверх Вниз

Кто сейчас на конференции

Сейчас этот форум просматривают: нет зарегистрированных пользователей и гости: 0


Вы не можете начинать темы
Вы не можете отвечать на сообщения
Вы не можете редактировать свои сообщения
Вы не можете удалять свои сообщения
Вы не можете добавлять вложения

Найти:
Перейти:  
Текущее время: 04 ноя 2025, 08:01
Часовой пояс: UTC + 7 часов
Powered by phpbb. (c) VistaClub.ru.    * Статистика