* Поиск по сайту Вверх Вниз



Начать новую тему Ответить на тему  [ Сообщений: 19 ]  На страницу 1, 2  След.
Автор Сообщение
 Заголовок сообщения: В дождь Продает 4 передача и мигает О/Д
СообщениеДобавлено: 19 фев 2023, 21:58 
Не в сети
Начинающий
Начинающий

Зарегистрирован: 31 июл 2022, 14:54
Сообщения: 10
Тем: 1
Откуда: Южно-Сахалинск
Машина: Toyota Vista Ardeo
О машине: 3s d4
Репутация: 0
Рекламные ссылки. Показывается только незарегистрированным пользователям


Проблема следующая. В сырую погоду или просто когда высокая влажность, пропадет 4 передача, загорается Чек и мигает Овер драйв. Абс при этом не горит и работает исправно. Проверяны датчики передние АБС все нормально, один заменен просто потому что был в наличие. Визуально проводка в подкрылках нормальная, не потертостей не трещен. Поменян блок абс электронный. Заменены датчики на АКПП. Проводках на них прозвонена до ЭБУ нет обрывов. Ошибка P0500 в блоке весит. Спидометр иногда показывает 0 при движение но редко. Советовали проверить фишку спидометра, но какой именно контакт смотреть не сказали. Vista Ardeo SV50 3S-FSE D4. Как зима началась проблема не показывала себя, только один раз появилась, когда воздух гонялся по салону и на коврики натощили много снега, и снова появилась когда дороги потаяли и стало сыро

Забыл написать. Мозги тоже менял на контрактные


Последний раз редактировалось zorro3190 21 фев 2023, 21:38, всего редактировалось 1 раз.

Вернуться к началу
 Профиль Отправить email  
Ответить на тему 

 Заголовок сообщения: Re: В дождь Продает 4 передача и мигает О/Д
СообщениеДобавлено: 19 фев 2023, 23:47 
Не в сети
модератор
Аватара пользователя

Зарегистрирован: 27 окт 2008, 04:00
Сообщения: 12728
Тем: 15
Откуда: Вятка
Машина: др. Японка
О машине: Toyota Prius 51
Репутация: 2381
Вот, проверяйте цепи для начала


Вложения:
SPD.jpg
SPD.jpg [ 139.77 КБ | Просмотров: 28505 ]

_________________
Vista Ardeo 1999, SV50, D4, Мультик, TV...
Вернуться к началу
 Профиль Отправить email  
Ответить на тему 
 Заголовок сообщения: Re: В дождь Продает 4 передача и мигает О/Д
СообщениеДобавлено: 21 фев 2023, 09:02 
Не в сети
Начинающий
Начинающий

Зарегистрирован: 31 июл 2022, 14:54
Сообщения: 10
Тем: 1
Откуда: Южно-Сахалинск
Машина: Toyota Vista Ardeo
О машине: 3s d4
Репутация: 0
Доброго времени. Полез сегодня смотреть, в руках развалились провода от мультиметра)). Прозвонить не вышло. Замерз как собака. Пошевелил большие предохранители под бардачком, осмотрел фишки на эл. блоке АБС и фишку на спидометре. Все выглядит нормально. Промыл фишки какой-то химией для контактов, просушил и вставил на место. Эффекта не последовало, снова горит чек и ошибка в блоке. Время появится запаяю мультиметр и прозвоню. Но не понимаю какие провода звонить, там их ворох. В схеме посмотрел, цвет не могу понять какой. И вопрос из за задних колес может быть? Может там проблема. Машина переднеприводная.


Вернуться к началу
 Профиль Отправить email  
Ответить на тему 
 Заголовок сообщения: Re: В дождь Продает 4 передача и мигает О/Д
СообщениеДобавлено: 21 фев 2023, 10:50 
Не в сети
Суровый Модератор
Аватара пользователя

Зарегистрирован: 18 июл 2011, 16:15
Сообщения: 3138
Тем: 45
Откуда: Новосибирск
Машина: Toyota Vista Ardeo
О машине: SV55
Репутация: 3439
Если горит чек, надо подключить диагностику и посмотреть что за ошибка.


Вернуться к началу
 Профиль Отправить email  
Ответить на тему 
 Заголовок сообщения: Re: В дождь Продает 4 передача и мигает О/Д
СообщениеДобавлено: 21 фев 2023, 14:35 
Не в сети
Специалист
Специалист
Аватара пользователя

Зарегистрирован: 08 апр 2009, 03:00
Сообщения: 173
Откуда: Алтай
Машина: Toyota Vista
О машине: 3sfse
Репутация: 76
при отказе любых двух датчиуов АВS вырубается спидометр. если АВS работает то все датчики работают тогда. странно все как то.

_________________
Toyota Vista 98г. 3S-FSE


Вернуться к началу
 Профиль  
Ответить на тему 
 Заголовок сообщения: Re: В дождь Продает 4 передача и мигает О/Д
СообщениеДобавлено: 21 фев 2023, 14:55 
Не в сети
Начинающий
Начинающий

Зарегистрирован: 31 июл 2022, 14:54
Сообщения: 10
Тем: 1
Откуда: Южно-Сахалинск
Машина: Toyota Vista Ardeo
О машине: 3s d4
Репутация: 0
Написал. Ошибка Р0500. Ошибка датчика скорости.
И да. АБС срабатывает исправно, лампа не горит. Но горит чек и дает ошибку, автомат в аварию отправляет. Перед перебран. Только зад не трогал.


Вернуться к началу
 Профиль Отправить email  
Ответить на тему 
 Заголовок сообщения: Re: В дождь Продает 4 передача и мигает О/Д
СообщениеДобавлено: 21 фев 2023, 20:54 
Не в сети
Суровый Модератор
Аватара пользователя

Зарегистрирован: 18 июл 2011, 16:15
Сообщения: 3138
Тем: 45
Откуда: Новосибирск
Машина: Toyota Vista Ardeo
О машине: SV55
Репутация: 3439
Честно говоря поискал схожую тему там следует почитать и посмотреть. и проверить что бы лишнего здесь не писать http://www.vistaclub.ru/forum/viewtopic.php?p=181919


Вернуться к началу
 Профиль Отправить email  
Ответить на тему 
 Заголовок сообщения: Re: В дождь Продает 4 передача и мигает О/Д
СообщениеДобавлено: 21 фев 2023, 21:31 
Не в сети
Начинающий
Начинающий

Зарегистрирован: 31 июл 2022, 14:54
Сообщения: 10
Тем: 1
Откуда: Южно-Сахалинск
Машина: Toyota Vista Ardeo
О машине: 3s d4
Репутация: 0
Спасибо. Прочитал тему что Вы оставили. Менял верхний датчик, ставил новый 2500 стоил. Изменений не было. Затем заменил нижний датчик на тот что снял сверху с АКПП. и опять не каких изменений не было. Затем из любопытства скидывал фишки с этих датчиков по очередно и катался/читал ошибки. Верхний датчик ошибка Р0500 АКПП в аварии, работают 3 передачи, нижний датчик ошибка таже, но АКПП не переключается выше 1 передачи.
Форум курю уже наверное с пол года) Не встречал не чего что могло бы помочь.) Сегодня появилась мысль заменить всю салонную для начало проводку, но думаю это просто трата денег и времени. А так в плане собрать как можно больше вариантов и как теплее станет, ковырять. (Слесаря не берутся)


Вернуться к началу
 Профиль Отправить email  
Ответить на тему 
 Заголовок сообщения: Re: В дождь Продает 4 передача и мигает О/Д
СообщениеДобавлено: 21 фев 2023, 21:51 
Не в сети
Суровый Модератор
Аватара пользователя

Зарегистрирован: 18 июл 2011, 16:15
Сообщения: 3138
Тем: 45
Откуда: Новосибирск
Машина: Toyota Vista Ardeo
О машине: SV55
Репутация: 3439
Скорее всего подкапотную коссу надо менять тогда уж. ведь коса сделана двс/коробка и в эбу заходит все управление.
У меня был в ремонте Toyota avensis ПЕРЕБЕРАЛ ему косу, двс так как была авария по акпп,но там общий провод в кассе был просто перебит.


Вернуться к началу
 Профиль Отправить email  
Ответить на тему 
 Заголовок сообщения: Re: В дождь Продает 4 передача и мигает О/Д
СообщениеДобавлено: 22 фев 2023, 07:45 
Не в сети
Начинающий
Начинающий

Зарегистрирован: 31 июл 2022, 14:54
Сообщения: 10
Тем: 1
Откуда: Южно-Сахалинск
Машина: Toyota Vista Ardeo
О машине: 3s d4
Репутация: 0
Если перебирать, то как определить повреждения? Только визуально?


Вернуться к началу
 Профиль Отправить email  
Ответить на тему 
 Заголовок сообщения: Re: В дождь Продает 4 передача и мигает О/Д
СообщениеДобавлено: 22 фев 2023, 10:30 
Не в сети
Суровый Модератор
Аватара пользователя

Зарегистрирован: 18 июл 2011, 16:15
Сообщения: 3138
Тем: 45
Откуда: Новосибирск
Машина: Toyota Vista Ardeo
О машине: SV55
Репутация: 3439
К сожалению да только визуально. Прибор помогал посмотреть на каких проводах есть обрыв от фишки до разъёма эбу.


Вернуться к началу
 Профиль Отправить email  
Ответить на тему 
 Заголовок сообщения: Re: В дождь Продает 4 передача и мигает О/Д
СообщениеДобавлено: 22 фев 2023, 17:01 
Не в сети
Специалист
Специалист
Аватара пользователя

Зарегистрирован: 08 апр 2009, 03:00
Сообщения: 173
Откуда: Алтай
Машина: Toyota Vista
О машине: 3sfse
Репутация: 76
а как на счет разъема и проводов кторые идут на аккп там они внизу около селектора скоростей в самой сырости. может там коротит чего.

_________________
Toyota Vista 98г. 3S-FSE


Вернуться к началу
 Профиль  
Ответить на тему 
 Заголовок сообщения: Re: В дождь Продает 4 передача и мигает О/Д
СообщениеДобавлено: 22 фев 2023, 19:05 
Не в сети
Начинающий
Начинающий

Зарегистрирован: 31 июл 2022, 14:54
Сообщения: 10
Тем: 1
Откуда: Южно-Сахалинск
Машина: Toyota Vista Ardeo
О машине: 3s d4
Репутация: 0
Идея не плохая. Заливал их принудительно водой, все было впорядке, мыл мотор на мойке, тоже не было эффекта. На днях куплю диаэлектрик и попробую залить фишку


Вернуться к началу
 Профиль Отправить email  
Ответить на тему 
 Заголовок сообщения: Re: В дождь Продает 4 передача и мигает О/Д
СообщениеДобавлено: 05 апр 2024, 15:26 
Не в сети
Начинающий
Начинающий

Зарегистрирован: 31 июл 2022, 14:54
Сообщения: 10
Тем: 1
Откуда: Южно-Сахалинск
Машина: Toyota Vista Ardeo
О машине: 3s d4
Репутация: 0
Пока эффекта не было. Отдал электрику. Переворошили передние колеса, проблема не ушла.


Вернуться к началу
 Профиль Отправить email  
Ответить на тему 
 Заголовок сообщения: Re: В дождь Продает 4 передача и мигает О/Д
СообщениеДобавлено: 06 апр 2024, 00:07 
Не в сети
Гуру
Гуру
Аватара пользователя

Зарегистрирован: 15 май 2014, 22:00
Сообщения: 2182
Тем: 43
Откуда: Красноярск
Блог: Посмотреть блог (2)
Машина: Toyota Vista Ardeo
О машине: SV55.5, 3S-FE, А243F, 4WD ATC+Torsen
Репутация: 3493
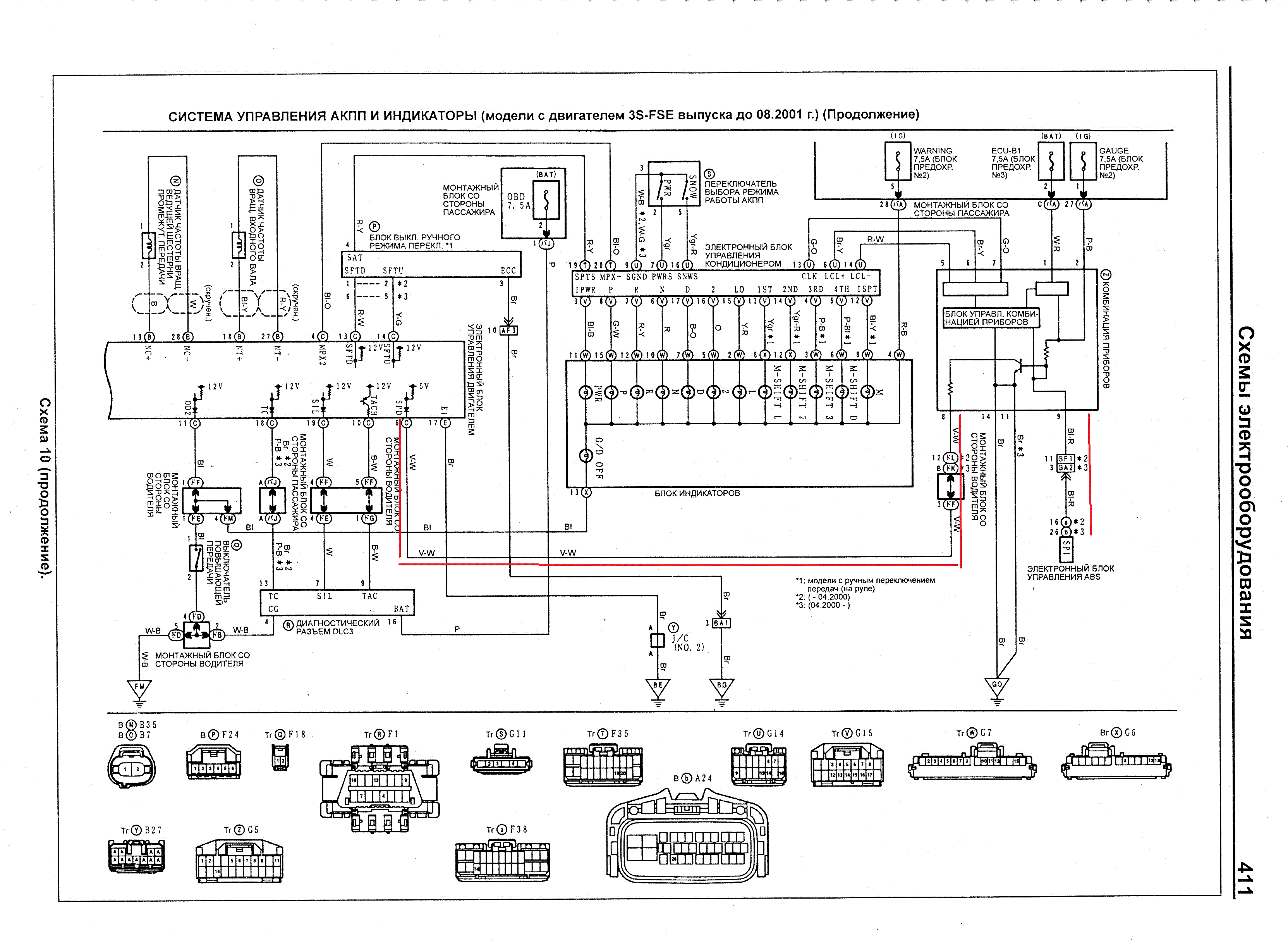
Для начала посмотрите на схему, если абс работает исправно то все что после нее трогать не нужно. Сигнал скорости spd управляется плюсом от блока абс в приборку! А оттуда уже с одной колодки, уходит на эбу, тв-тюнер, магнитолу. Если где то какой-то провод коротит на массу, цепь замыкается коробка уходит в аварийный режим. Нужно проверить на замыкания всю цепь от блока абс до приборки и от приборки до эбу, магнитолы и тв-тюнера соответственно. Если учесть, что траблы при плохой погоде то скорее всего коротит в правом крыле багажника где стоит тюнер, учитывая возраст машин, вряд ли там сухо. Либо где-то в жгуте по порогу. Если там все норм, то где то под капотом в переходе салон-моторный отсек. По-хорошему проверить лучше проверить все провода благо они одним цветом не должен ошибиться. На схемах выделил полосками и стрелками. Если не поможет можно попробовать поменять приборку. Удачи!!!


Вложения:
Image-19.gif
Image-19.gif [ 329.48 КБ | Просмотров: 22933 ]
Image-26.gif
Image-26.gif [ 281.47 КБ | Просмотров: 22933 ]

_________________
Ardeo PRO version
Вернуться к началу
 Профиль Отправить email  
Ответить на тему 

Показать сообщения за:  Поле сортировки  
Начать новую тему Ответить на тему

 [ Сообщений: 19 ]  На страницу 1, 2  След.





* Поиск по сайту Вверх Вниз

Кто сейчас на конференции

Сейчас этот форум просматривают: нет зарегистрированных пользователей и гости: 7


Вы не можете начинать темы
Вы не можете отвечать на сообщения
Вы не можете редактировать свои сообщения
Вы не можете удалять свои сообщения
Вы не можете добавлять вложения

Найти:
Перейти:  
cron
Текущее время: 30 апр 2026, 04:38
Часовой пояс: UTC + 7 часов
Powered by phpbb. (c) VistaClub.ru.    * Статистика