* Поиск по сайту Вверх Вниз



Начать новую тему Ответить на тему  [ Сообщений: 29 ]  На страницу Пред.  1, 2
Автор Сообщение
 Заголовок сообщения: Re: Автоматическое складывание зеркал от сигналки SV-50.
СообщениеДобавлено: 11 авг 2011, 08:44 
Не в сети
Любитель
Любитель

Зарегистрирован: 02 дек 2010, 11:09
Сообщения: 76
Тем: 8
Откуда: Дальнегорск
Машина: Toyota Vista Ardeo
О машине: SV55G 1999 3S-FE 4WD Multivision
Репутация: 31
Рекламные ссылки. Показывается только незарегистрированным пользователям


Пожалуйста, вот схема и фото живых релюшек, правда с телефона...


Вложения:
Схема автоскладывания зеркал.jpg
Схема автоскладывания зеркал.jpg [ 21.51 КБ | Просмотров: 1741 ]
21072011078.jpg
21072011078.jpg [ 727.83 КБ | Просмотров: 1740 ]
21072011079.jpg
21072011079.jpg [ 708.86 КБ | Просмотров: 1740 ]
21072011082.jpg
21072011082.jpg [ 622.09 КБ | Просмотров: 1740 ]
21072011083.jpg
21072011083.jpg [ 550.15 КБ | Просмотров: 1740 ]
Вернуться к началу
 Профиль Отправить email  
Ответить на тему 

 Заголовок сообщения: Re: Автоматическое складывание зеркал от сигналки SV-50.
СообщениеДобавлено: 27 сен 2011, 20:23 
Не в сети
Любитель
Любитель

Зарегистрирован: 02 дек 2010, 11:09
Сообщения: 76
Тем: 8
Откуда: Дальнегорск
Машина: Toyota Vista Ardeo
О машине: SV55G 1999 3S-FE 4WD Multivision
Репутация: 31
Переделал всю схему, пока только схему...


Вложения:
Схема.GIF
Схема.GIF [ 14.24 КБ | Просмотров: 1867 ]
Вернуться к началу
 Профиль Отправить email  
Ответить на тему 
 Заголовок сообщения: Re: Автоматическое складывание зеркал от сигналки SV-50.
СообщениеДобавлено: 28 сен 2011, 00:33 
Не в сети
модератор
Аватара пользователя

Зарегистрирован: 27 окт 2008, 04:00
Сообщения: 12728
Тем: 15
Откуда: Вятка
Машина: др. Японка
О машине: Toyota Prius 51
Репутация: 2381
Если при каждом выключении зажигания складывать зеркала, то приводов наверное на месяц не хватит, особенно зимой.

_________________
Vista Ardeo 1999, SV50, D4, Мультик, TV...


Вернуться к началу
 Профиль Отправить email  
Ответить на тему 
 Заголовок сообщения: Re: Автоматическое складывание зеркал от сигналки SV-50.
СообщениеДобавлено: 28 сен 2011, 07:37 
Не в сети
Любитель
Любитель

Зарегистрирован: 02 дек 2010, 11:09
Сообщения: 76
Тем: 8
Откуда: Дальнегорск
Машина: Toyota Vista Ardeo
О машине: SV55G 1999 3S-FE 4WD Multivision
Репутация: 31
Vyatich писал(а):
Если при каждом выключении зажигания складывать зеркала, то приводов наверное на месяц не хватит, особенно зимой.

У меня запасные есть :smile: А если серьезно, то уже почти год езжу - пока все нормально (сначала было просто от зажигания, а до того постоянно складывал вручную). Где как не знаю, а во Владивостоке - вещь нужная. В принципе и так почти везде складывал вручную, потому как везде мало места - на стоянке машины впритык, то же самое на работе и во дворе (да на всех парковках), да и вдоль дороги, когда паркуешься тоже лучше сложить - гонщиков слишком много, могут и оттяпать, а со стороны тротуара (шириной метр), тоже какой-нибудь пешик может свернуть зеркало в обратную сторону... Да я сам не люблю, когда проходишь между двух машин, а у них лопухи разложены, со сложенными удобней, и мне и окружающим. :smile:

Добавлено спустя 9 минут 69 секунд:
Кстати, я там кнопку предусмотрел, чтоб переключать зеркала в ручной режим, буду ездить по приморью в другие города (там места много и машин в разы меньше), буду отключать автоскладывание, осталось только кнопку подобрать, думаю взять стандартную тойотовскую прямоугольную кнопку с фиксацией (поставлю вместо заглушки справа от руля), от туманок например...


Вернуться к началу
 Профиль Отправить email  
Ответить на тему 
 Заголовок сообщения: Re: Автоматическое складывание зеркал от сигналки SV-50.
СообщениеДобавлено: 30 сен 2011, 16:32 
Не в сети
Любитель
Любитель

Зарегистрирован: 02 дек 2010, 11:09
Сообщения: 76
Тем: 8
Откуда: Дальнегорск
Машина: Toyota Vista Ardeo
О машине: SV55G 1999 3S-FE 4WD Multivision
Репутация: 31
Ну вот наконец-то доделал :D
Выкладываю окончательный вариант схемы (с кнопкой,за которую на разборке слупили 500 руб 8O ), и фото самой кнопки... В автоматическом режиме зеркал диод в кнопке горит при включении зажигания...


Вложения:
30092011114.jpg
30092011114.jpg [ 707.38 КБ | Просмотров: 1845 ]
30092011116.jpg
30092011116.jpg [ 552.86 КБ | Просмотров: 1845 ]
Схема2.GIF
Схема2.GIF [ 14.48 КБ | Просмотров: 1842 ]
Вернуться к началу
 Профиль Отправить email  
Ответить на тему 
 Заголовок сообщения: Re: Автоматическое складывание зеркал от сигналки SV-50.
СообщениеДобавлено: 30 сен 2011, 16:48 
Не в сети
Гуру
Гуру
Аватара пользователя

Зарегистрирован: 15 янв 2009, 04:00
Сообщения: 1570
Тем: 78
Откуда: Москва
Машина: др. Японка
О машине: 3S-FSE(D-4)'99, SV-50, мультик.(была)
Репутация: 557
занялся я тут замерами... в режиме охраны два реле(отечественные 5-ти контактные) потребляют в сумме 0,197А. соответственно за сутки из аккумулятора высосет 4,8Ач. Это только это узел. У меня стоит аккумулятор 75 Ач. 8 дней машина стояла на сигналке-высосало в хлам(даже зуммер двери не работал). 22 дня машина стояла без движения закрытая на ключ-завелась с полтычка. делаем выводы...


Вернуться к началу
 Профиль  
Ответить на тему 
 Заголовок сообщения: Re: Автоматическое складывание зеркал от сигналки SV-50.
СообщениеДобавлено: 30 сен 2011, 16:55 
Не в сети
Любитель
Любитель

Зарегистрирован: 02 дек 2010, 11:09
Сообщения: 76
Тем: 8
Откуда: Дальнегорск
Машина: Toyota Vista Ardeo
О машине: SV55G 1999 3S-FE 4WD Multivision
Репутация: 31
Mixx писал(а):
занялся я тут замерами... в режиме охраны два реле(отечественные 5-ти контактные) потребляют в сумме 0,197А. соответственно за сутки из аккумулятора высосет 4,8Ач. Это только это узел. У меня стоит аккумулятор 75 Ач. 8 дней машина стояла на сигналке-высосало в хлам(даже зуммер двери не работал). 22 дня машина стояла без движения закрытая на ключ-завелась с полтычка. делаем выводы...

Мне это уже не грозит (так как я от первоначальной схемы уже отказался, хотя и она ела всего 30mA) :smoke: А в новом варианте у меня все релюшки жруть, только если при зажигании нажать на тормоз :wink: Ну а так, конечно сколько-то потребляют авто вместе с сигналкой...

Добавлено спустя 6 минут 33 секунды:
Кстати, реле, которые я использовал - пятиконтактные (на схеме не везде рисовал пятую ногу :smile: ), фирма Bestar - кажись Тайвань, жрут по 30mA, а большое одиннадцатиконтактное (заменяет три твоих), ест 60mA, так что россия в этом плане не рулит, к сожалению...


Вернуться к началу
 Профиль Отправить email  
Ответить на тему 
 Заголовок сообщения: Re: Автоматическое складывание зеркал от сигналки SV-50.
СообщениеДобавлено: 04 фев 2013, 20:38 
Не в сети
Гуру
Гуру
Аватара пользователя

Зарегистрирован: 15 янв 2009, 04:00
Сообщения: 1570
Тем: 78
Откуда: Москва
Машина: др. Японка
О машине: 3S-FSE(D-4)'99, SV-50, мультик.(была)
Репутация: 557
я вот тут заинтересовался... Мы же можем состряпать схему какую-нить, чтоб она работала примерно так:
1) ставим на сигналку-появляется минус на проводе состояния. В этот момент что-нить где-нить щелкнуло и зеркала сложились. больше этот провод никак не участвует нигде.
2) Нажали на педаль тормоза - что-нить где-нить щелкнуло и зеркала раскрылись.
т.е. грубо говоря, использовать однократное восприятие появившегося потенциала - Так мы уходим вообще от какого-либо лишнего потребления, пусть даже и импортных, реле. Есть у кого мысли?

Добавлено спустя 2 часа 58 минут 6 секунд:
ну вот, придумал схему, которая вообще не потребляет ток в режиме охраны. Нам нужны только два отечественных пятиконтактных реле, а от сигналки провод - отрицательный выход доп. канала 4 (который активируется на 13 секунд при постановке на охрану). В случае starline b9 - это синий провод. Зеркала закрываются при постановке на охрану, открываются при нажатии на педаль тормоза. Тут одно ограничение-ручное управление зеркалами только при нажатой педали тормоза.
Остальное по схеме. Хотелось бы выслушать критику.


Вложения:
P1100295_1.jpg
P1100295_1.jpg [ 140.69 КБ | Просмотров: 1613 ]
Вернуться к началу
 Профиль  
Ответить на тему 
 Заголовок сообщения: Re: Автоматическое складывание зеркал от сигналки SV-50.
СообщениеДобавлено: 05 фев 2013, 01:43 
Не в сети
модератор
Аватара пользователя

Зарегистрирован: 05 май 2009, 03:00
Сообщения: 6759
Тем: 72
Откуда: Ставрополье
Блог: Посмотреть блог (7)
Машина: Toyota Vista
О машине: седан SV50, 3S-FSE, U240E, 98г.
Репутация: 1473
Миш, а подумай над таким делом: http://legion-auto.kiev.ua/index.php?pa ... &Itemid=33

_________________
Случайности не случайны...


Вернуться к началу
 Профиль  
Ответить на тему 
 Заголовок сообщения: Re: Автоматическое складывание зеркал от сигналки SV-50.
СообщениеДобавлено: 05 фев 2013, 09:44 
Не в сети
Профи
Профи
Аватара пользователя

Зарегистрирован: 20 авг 2012, 12:22
Сообщения: 878
Тем: 6
Откуда: Иркутская обл.
Машина: др. Toyota
О машине: RAV4, 1AZ-FE, была VISTA, седан, 1ZZ
Репутация: 293
А если еще одно реле добавить, один раз на тормоз нажмешь, оно подключиться и самозаблокируется и подаст + на управления зеркалами. Поставишь на охрану, оно отключится до следующего нажатия на тормоз.
Вложение:
Фото0120.jpg
Фото0120.jpg [ 49.14 КБ | Просмотров: 1606 ]

Добавлено спустя 1 час 22 минуты 27 секунд:
Еще подумал и надумал - к третьему реле, параллельно обмотке кондер надо подсоединить, иначе может нечетко срабатывать.
Или вот так:
Вложение:
Фото0120.jpg
Фото0120.jpg [ 45.08 КБ | Просмотров: 1600 ]

_________________
Важно не прекращать задавать вопросы. Любопытство имеет собственную причину для существования. (Альберт Эйнштейн)


Вернуться к началу
 Профиль  
Ответить на тему 
 Заголовок сообщения: Re: Автоматическое складывание зеркал от сигналки SV-50.
СообщениеДобавлено: 05 фев 2013, 13:15 
Не в сети
Гуру
Гуру
Аватара пользователя

Зарегистрирован: 15 янв 2009, 04:00
Сообщения: 1570
Тем: 78
Откуда: Москва
Машина: др. Японка
О машине: 3S-FSE(D-4)'99, SV-50, мультик.(была)
Репутация: 557
uraStav писал(а):
Миш, а подумай над таким делом: http://legion-auto.kiev.ua/index.php?pa ... &Itemid=33

Хорошая штука :) но по идее можно и без нее обойтись-в крайних положениях штатная электрика в складывании зеркал сама размыкает цепь -т.е. наша задача обеспечить питание цепи только в тот момент, пока они движутся от точки до точки.
Alexsm69 писал(а):
А если еще одно реле добавить, один раз на тормоз нажмешь, оно подключиться и самозаблокируется и подаст + на управления зеркалами. Поставишь на охрану, оно отключится до следующего нажатия на тормоз.

прикольная идея, нужно подумать.


Вернуться к началу
 Профиль  
Ответить на тему 
 Заголовок сообщения: Re: Автоматическое складывание зеркал от сигналки SV-50.
СообщениеДобавлено: 09 фев 2013, 23:50 
Не в сети
Гуру
Гуру
Аватара пользователя

Зарегистрирован: 15 янв 2009, 04:00
Сообщения: 1570
Тем: 78
Откуда: Москва
Машина: др. Японка
О машине: 3S-FSE(D-4)'99, SV-50, мультик.(была)
Репутация: 557
Alexsm69 писал(а):
А если еще одно реле добавить, один раз на тормоз нажмешь, оно подключиться и самозаблокируется и подаст + на управления зеркалами. Поставишь на охрану, оно отключится до следующего нажатия на тормоз.
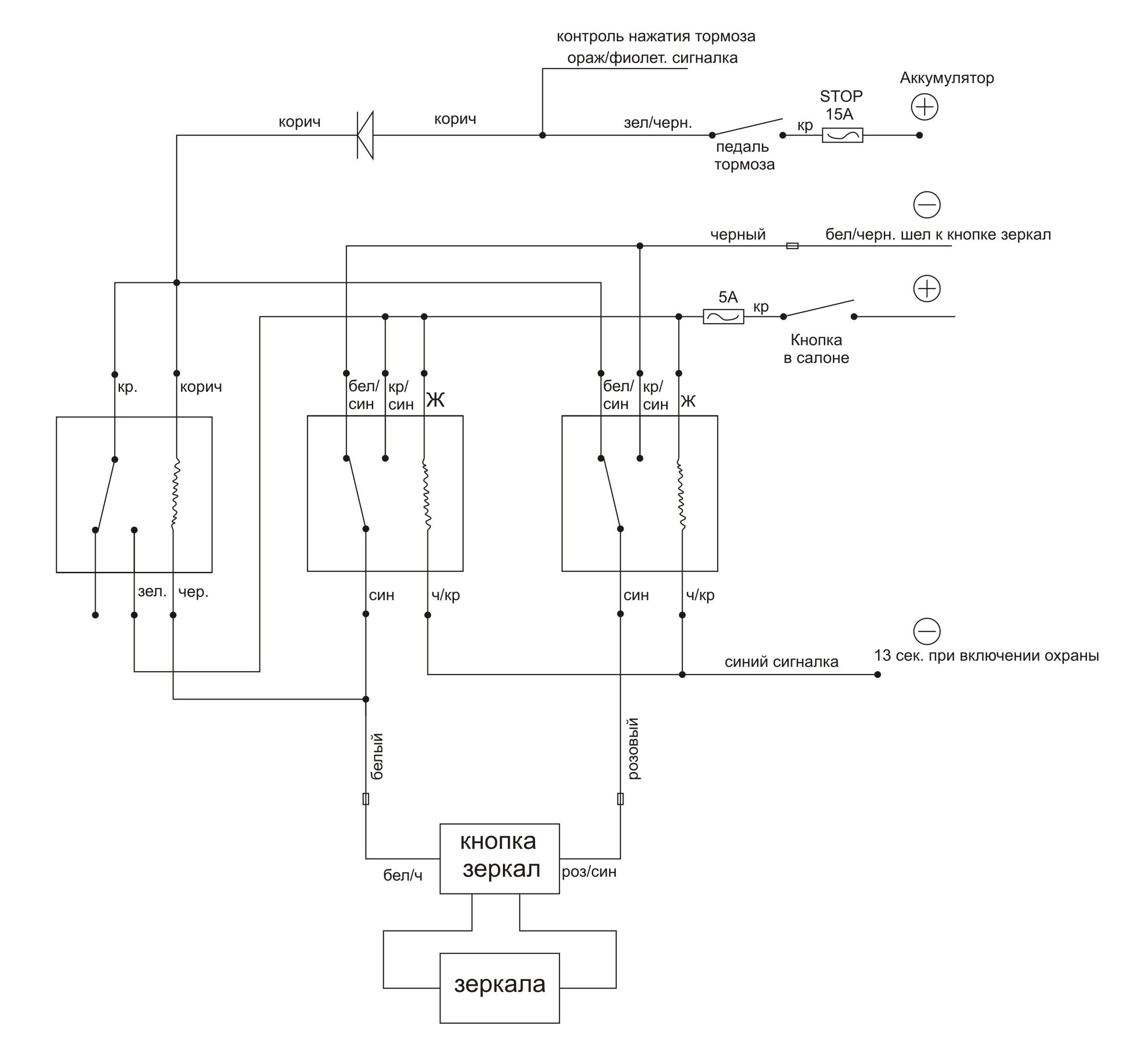
Классная идея, спасибо! но у нее есть один небольшой минус-если ставить не на сигналку, а закрывать ключем-будет постоянное потребление реле - 0.2А. я её немного модернизировал - добавил кнопку(она у меня и так была для отключения навигатора, регистратора и пр). Выкладываю окончательную схему(тут указана моя схема с лишними соединениями и цветами проводов-я ее в книгу прикрепил, чтобы потом не мучиться).
Итог всех манипуляций-поставил на сигналку, подождал минуту - потребление 0.06А. Закрытая машина без сигнализации(кнопка в салоне разомкнута) - 0.05А.
Предлагаю эту схему в фак. перенести
Вложение:
схема зеркала.jpg
схема зеркала.jpg [ 249.4 КБ | Просмотров: 1582 ]


Вернуться к началу
 Профиль  
Ответить на тему 
 Заголовок сообщения: Re: Автоматическое складывание зеркал от сигналки SV-50.
СообщениеДобавлено: 11 фев 2013, 06:39 
Не в сети
Профи
Профи
Аватара пользователя

Зарегистрирован: 20 авг 2012, 12:22
Сообщения: 878
Тем: 6
Откуда: Иркутская обл.
Машина: др. Toyota
О машине: RAV4, 1AZ-FE, была VISTA, седан, 1ZZ
Репутация: 293
Mixx писал(а):
Итог всех манипуляций-поставил на сигналку, подождал минуту - потребление 0.06А. Закрытая машина без сигнализации(кнопка в салоне разомкнута) - 0.05А.
Предлагаю эту схему в фак. перенести

Простенько, бюджетнинько и функционально получилось! :smile: Молоток! :good: +1

_________________
Важно не прекращать задавать вопросы. Любопытство имеет собственную причину для существования. (Альберт Эйнштейн)


Вернуться к началу
 Профиль  
Ответить на тему 
 Заголовок сообщения: Re: Автоматическое складывание зеркал от сигналки SV-50.
СообщениеДобавлено: 14 апр 2013, 17:21 
Не в сети
Специалист
Специалист
Аватара пользователя

Зарегистрирован: 08 сен 2012, 00:55
Сообщения: 115
Тем: 4
Откуда: Новосиб
Машина: др. Японка
О машине: Prius NHW20
Репутация: 2
Мне по моему одно реле поставили. Отрываются при повороте ключа в замке зажигания.

_________________
«Hybrid Synergy Drive»


Вернуться к началу
 Профиль Отправить email  
Ответить на тему 

Показать сообщения за:  Поле сортировки  
Начать новую тему Ответить на тему

 [ Сообщений: 29 ]  На страницу Пред.  1, 2





* Поиск по сайту Вверх Вниз

Кто сейчас на конференции

Сейчас этот форум просматривают: нет зарегистрированных пользователей и гости: 0


Вы не можете начинать темы
Вы не можете отвечать на сообщения
Вы не можете редактировать свои сообщения
Вы не можете удалять свои сообщения
Вы не можете добавлять вложения

Найти:
Перейти:  
Текущее время: 01 май 2026, 07:47
Часовой пояс: UTC + 7 часов
Powered by phpbb. (c) VistaClub.ru.    * Статистика