* Поиск по сайту Вверх Вниз



Начать новую тему Ответить на тему  [ Сообщений: 35 ]  На страницу Пред.  1, 2, 3
Автор Сообщение
 Заголовок сообщения: Re: Замена многофункционального дисплея на мультивижен на дорестайле
СообщениеДобавлено: 30 сен 2015, 20:42 
Не в сети
Специалист
Специалист
Аватара пользователя

Зарегистрирован: 14 фев 2014, 17:27
Сообщения: 232
Тем: 11
Откуда: Прокопьевск
Блог: Посмотреть блог (5)
Машина: Toyota Vista Ardeo
О машине: sv50g 3sf-sfe
Репутация: 149
Рекламные ссылки. Показывается только незарегистрированным пользователям


бокс на вечер занят по тому вернул все в начальное состояние (вычленил Мульт восстановил Многовунциональный дисплей в его предыдущем статусе). Ночь Расставит все запятые над И а утро покажет где я просохатился)))


Вернуться к началу
 Профиль Отправить email  
Ответить на тему 

 Заголовок сообщения: Re: Замена многофункционального дисплея на мультивижен на дорестайле
СообщениеДобавлено: 02 окт 2015, 22:09 
Не в сети
Специалист
Специалист
Аватара пользователя

Зарегистрирован: 14 фев 2014, 17:27
Сообщения: 232
Тем: 11
Откуда: Прокопьевск
Блог: Посмотреть блог (5)
Машина: Toyota Vista Ardeo
О машине: sv50g 3sf-sfe
Репутация: 149
Восстановил все ))))) и 0, так и садит !!!!!!! и начнем ночью работает сига (я так понял) купил аккум но не торопился! заглянул на ГЕНУ (движка то контрактная и на машине прошла 1200 км) и Гена выдает 12.85 В а обязан 14.2 меняе гену на старого (чебурашку) зарядка норм 14.2 и следовательно разбираем контрактного Букина и видим СЦУКО зависли щетки !!!!!!!!!!!!!!!!! сутки в тестовом режиме и установил мульт снова на трон ждем Утренников))))))))))))


Вернуться к началу
 Профиль Отправить email  
Ответить на тему 
 Заголовок сообщения: Re: Замена многофункционального дисплея на мультивижен на дорестайле
СообщениеДобавлено: 10 окт 2015, 22:15 
Не в сети
Гуру
Гуру
Аватара пользователя

Зарегистрирован: 15 май 2014, 22:00
Сообщения: 2182
Тем: 43
Откуда: Красноярск
Блог: Посмотреть блог (2)
Машина: Toyota Vista Ardeo
О машине: SV55.5, 3S-FE, А243F, 4WD ATC+Torsen
Репутация: 3493
)Евгений( писал(а):
Саня по тюнеру отдельно мне черкни если не в напряг в будущем)соберусь когда нибудь ставить

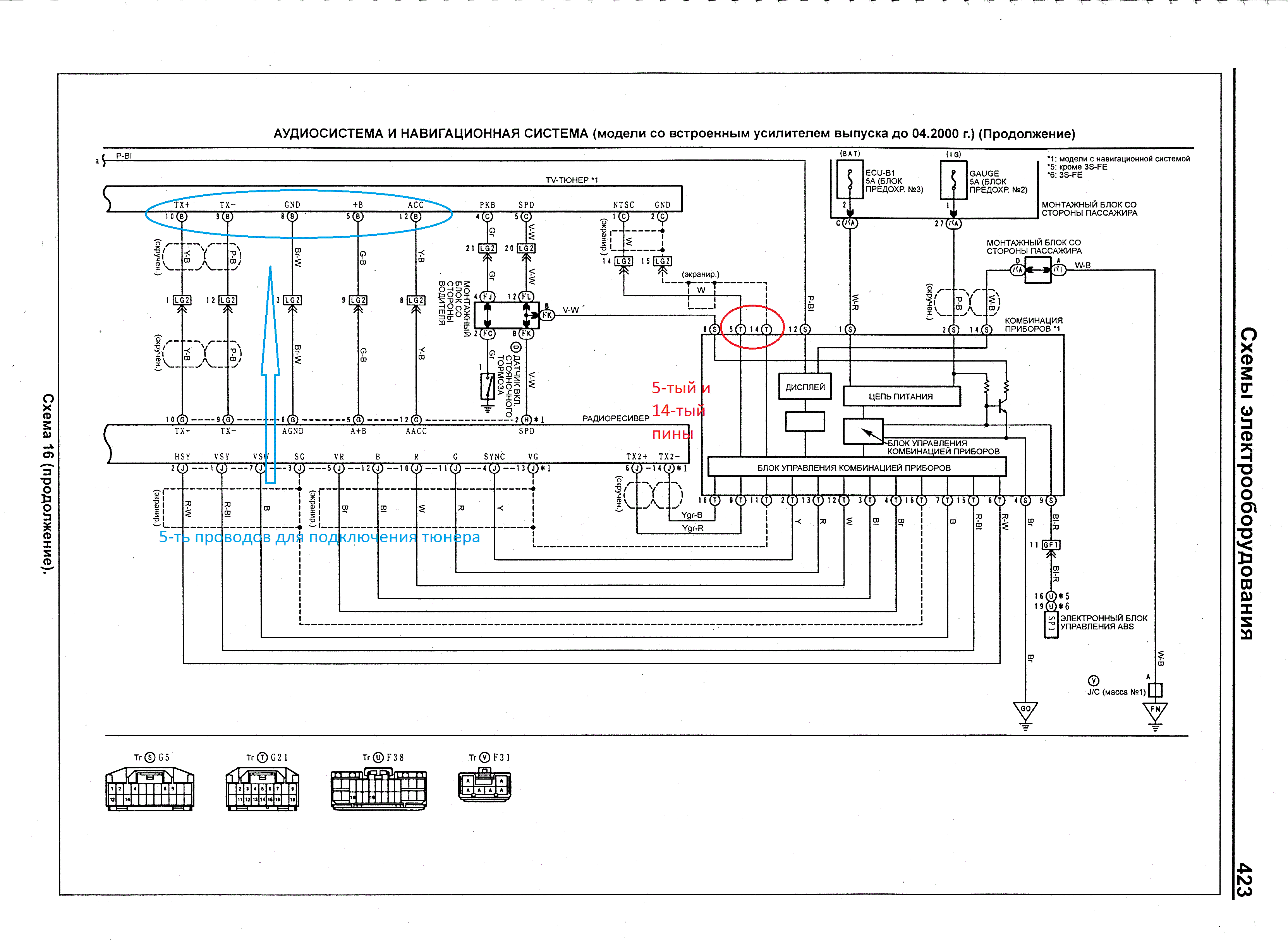
Вот эти проводки нужно подключить


Вложения:
IMG_20151010_170659.jpg
IMG_20151010_170659.jpg [ 423.61 КБ | Просмотров: 688 ]
IMG_20151010_170754.jpg
IMG_20151010_170754.jpg [ 435.38 КБ | Просмотров: 688 ]
IMG_20151010_170840.jpg
IMG_20151010_170840.jpg [ 341.14 КБ | Просмотров: 688 ]
Image-31.gif
Image-31.gif [ 241.48 КБ | Просмотров: 687 ]

_________________
Ardeo PRO version
Вернуться к началу
 Профиль Отправить email  
Ответить на тему 
 Заголовок сообщения: Re: Замена многофункционального дисплея на мультивижен на дорестайле
СообщениеДобавлено: 11 окт 2015, 19:22 
Не в сети
Специалист
Специалист
Аватара пользователя

Зарегистрирован: 14 фев 2014, 17:27
Сообщения: 232
Тем: 11
Откуда: Прокопьевск
Блог: Посмотреть блог (5)
Машина: Toyota Vista Ardeo
О машине: sv50g 3sf-sfe
Репутация: 149
Две шины данных, масса, Батарейка и аксессуары и всего делов-то ?))))))))))) БЛАГОДАРЮ За Отзывчивость


Вернуться к началу
 Профиль Отправить email  
Ответить на тему 
СообщениеСообщение было удалено | удалил: Александр171 | 18 янв 2016, 18:59.
Причина: дубль

Показать сообщения за:  Поле сортировки  
Начать новую тему Ответить на тему

 [ Сообщений: 35 ]  На страницу Пред.  1, 2, 3





* Поиск по сайту Вверх Вниз

Кто сейчас на конференции

Сейчас этот форум просматривают: нет зарегистрированных пользователей и гости: 0


Вы не можете начинать темы
Вы не можете отвечать на сообщения
Вы не можете редактировать свои сообщения
Вы не можете удалять свои сообщения
Вы не можете добавлять вложения

Найти:
Перейти:  
Текущее время: 30 апр 2026, 22:59
Часовой пояс: UTC + 7 часов
Powered by phpbb. (c) VistaClub.ru.    * Статистика